. .
o Esta colección de esquemas ha sido realizada por los alumnos de 1º de FPII rama de Electricidad
durante el curso 1.997/98.
o El programa utilizado como herramienta de diseño ha sido AutoCad LT, personalizado con macros de
menús y librerías de bloques propias.
Relación de esquemas:
Arranque directo de un motor trifásico. Mando con interruptor on/off.
Arranque directo de un motor trifásico. Mando con Interruptor y Señalización ópticapara marchay paro.
Arranque directo de dos motores trifásicos con protección única magnetotérmica.
Arranque directo de un motor trifásico. Con protección por Relé Térmico. MandoPulsadoresde Paro/Marcha.
Arranque de 3 motores en cascada en el orden 1-2-3. Mando con pulsadoresde marcha y parada.
Inversión del sentido de giro de un motor trifásico. Mando con conmutador rotativode 3 posiciones, I-0-II.
Inversión del sentido de giro de un motor trifásico. Mando por pulsadoresde paro/marcha pasando por paro
Inversión del sentido de giro de un motor trifásico. Mando por pulsadoresde paro/marcha. Parada con finalesde carrera.
Inversión del sentido de giro de un motor trifásico. Mando por pulsadoresP/M. Inversión automáticacon finalesde carrera.
Inversión del sentido de giro de un motor trifásico. Mando con interruptor. Inversiónautomáticacon temporizadores.
Inversión del sentido de giro de un motor trifásico. Mando con pulsadoressin pasar por paro con inversión no instantánea.
Arranque directo de un motor trifásico. Mando con telerruptor.
Encendido de alumbrado público. Mando con interruptor crepuscular y reloj horario con accionamiento manual.
Arranque de un motor trifásico en Estrella/Triángulo. Mando automático con accionamientopor pulsadores. I
Arranque de un motor trifásico en Estrella/Triángulo. Mando manual con pulsadores.
Arranque de un motor trifásico en Estrella/Triángulo. Mando automáticocon accionamientopor pulsadores. II
Arranque de un motor trifásico con freno por inyección de corriente continua. Mando automático por pulsadores.
Inversión del sentido de giro de un motor monofásico. Mando con pulsadores.
Arranque de un motor trifásico en Estrella/Triángulo. Mando con detector de nivel delíquidos.
Control de los motores de una Grúa-Torre. Mando con pulsadores
Conexión de detectores. Serie, paraleloy max-min.
Sistema de alarma con detectores inductivos y capacitivos.
Control del llenado y vaciado de un tolva con materialessólidos.
Control de un Taladro Semiautomático.
Control de una puerta automática. Mando con detector fotoeléctrico
Control de entradas y salidas de vehículos en un aparcamiento. Mandocon contador de pasos.
Arranque de un motor trifásico con variador de velocidad.Mando con conmutadoresrotativos.
Escalera eléctrica. Mando con barrera fotoeléctrica
Mezclado de productos sólidos. Mando con de detectoresde max/miny fotoeléctricos.
Todos estos circuitos han sido montados por los alumnos de 1ºFPI (Grupos A y B) en las clases de Prácticas de taller,
tomando como base la programación para el curso 97/98 elaborada por el profesor abajo firmante. Dicha programación
se completó con varias prácticas de "electrónica de potencia" con diodos y transistores.
Los alumnos que han colaborado en la elaboración de este temaio han sido:
o Alfonso García Gómez.
o César Varillas Campo.
o Miguel Sánchez Sánchez.
o Julio José Hernández Sánchez.
o Ramón Hernández Sánchez.
o Oscar Rufau García
Diseño y composición de las páginas J.C.M. Castillo.
Esta página fue actualizada el 22-10-2006
|Inicio| |Enlaces| |Descarga| |Calculadora| |Libro de Visitas|
J.C.M.Castillo
Arranque directo de un motor trifásico.
Mando con interruptor on/off.
| <-- Página Anterior || Volver al Indice || Próxima Página; --> |
Leyenda:
QM1- Interruptor magnetotérmico fuerza
QM2- Interruptor magnetotérmico mando
SA1- Interruptor
KM1- Contactor
M1- Motor
| <-- Página Anterior ||Volver al Indice || Próxima Página; --> |
Arranque directo de un motor trifásico. Mando con Interruptor y Señalización Óptica
para marcha y paro.
| <-- Página Anterior ||Volver al Índice || Próxima Página --> |
Leyenda:
QM1- Interruptor magnetotérmico fuerza
QM2- Interruptor magnetotérmico mando
SA1- Interruptor
KM1- Contactor
M1- Motor
HL1- Lámpara Motor en marcha
HL2- Lámpara Motor parado
| <-- Página Anterior ||Volver al Indice || Próxima Página --> |
Arranque directo de dos motores trifásicos con protección única magnetotérmica.
| <-- Página Anterior || Volver al Indice || Próxima Página --> |
Esquema de fuerza
.
| <-- Página Anterior || Volver al Indice || Próxima Página --> |
Arranque directo de un motor trifásico, con protección por Relé Térmico.
Mando con Pulsadores de Paro/Marcha.
| <-- Página Anterior || Volver al Indice || Próxima Página --> |
Esquema de fuerza:
Leyenda:
QM1- Interruptor magnetotérmico fuerza
QM2- Interruptor magnetotérmico mando
SB1- Pulsador de parada
SB2- Pulsador de marcha
KM1- Contactor
M1- Motor
HL1- Lámpara motor en marcha.
HL2- Lámpara relé térmico.
Esquema de mando:
| <-- Página Anterior || Volver al Indice || Próxima Página --> |
Arranque de 3 motores en cascada en el orden 1-2-3. Mando con pulsadores de
marcha y parada.
|<-- Página Anterior ||Volver al Indice || Próxima Página -->|
Esquema de fuerza:
Leyenda:
QM1- Interruptor magnetotérmico general.
QM2- I. Magnetotérmico circuito de mando
KM1- Contactor 1
KM2- Contactor 2
KM3- Contactor 3
FR1- Relé térmico M1
FR2- Relé térmico M2
FR3- Relé térmico M3
M1- Motor 1
M2- Motor 2
M3- Motor 3
SB1- Pulsador Parada
SB2- Pulsador de marcha motor 1
SB3- Pulsador de marcha motor 2
SB4- Pulsador de marcha motor 3
HL1. Lámpara M1
HL2- Lámpara M2.
HL3- Lámpara M3
HL4- Lámpara relé térmico.
Esquema de mando:
| <-- Página Anterior ||Volver al Indice || Próxima Página --> |
Inversión del sentido de giro de un motor trifásico.
Mando con conmutador rotativo de 3 posiciones, I-0-II.
|<-- Página Anterior || Volver al Indice || Próxima Página --> |
Esquema de fuerza:
Leyenda:
QM1- Interruptor magnetotérmico general.
QM2- I. Magnetotérmico circuito de mando
KM1- Contactor Izq.
KM2- Contactor Drcha.
FR1- Relé térmico
M1- Motor
SA1- Conmutador rotativo de 3 posiciones.
HL1. Lámpara Izq.
HL2.- Lámpara Drcha.
HL3- Lámpara relé térmico.
Esquema de mando:
| <-- Página Anterior || Volver al Indice || Próxima Página --> |
Inversión del sentido de giro de un motor trifásico.
Mando por pulsadores de paro/marcha pasando por paro.
| <-- Página Anterior || Volver al Indice || Próxima Página --> |
Esquema de fuerza:
Leyenda:
QM1- Interruptor magnetotérmico general.
QM2- I. Magnetotérmico circuito de mando
KM1- Contactor Izq.
KM2- Contactor Drcha.
FR1- Relé térmico
M1- Motor
SB1- Pulsador de parada
SB2- Pulsador de marcha Izq.
SB3- Pulsador de marcha Drcha.
HL1. Lámpara Izq.
HL2.- Lámpara Drcha.
HL3- Lámpara relé térmico.
Esquema de mando:
| <-- Página Anterior || Volver al Indice || Próxima Página --> |
Inversión del sentido de giro de un motor trifásico.
Mando por pulsadores de paro/marcha.
Parada con finales de carrera.
| <-- Página Anterior || Volver al Indice || Próxima Página --> |
Esquema de fuerza:
Leyenda:
QM1- Interruptor magnetotérmico general.
QM2- I. Magnetotérmico circuito de mando
KM1- Contactor Izq.
KM2- Contactor Drcha.
FR1- Relé térmico
M1- Motor
SB1- Pulsador de parada
SB2- Pulsador de marcha Izq.
SB3- Pulsador de marcha Drcha.
SB4- Final de carrera Izq.
SB5- Final de carrera Drha.
HL1. Lámpara Izq.
HL2.- Lámpara Drcha.
HL3- Lámpara relé térmico.
Esquema de mando:
| <-- Página Anterior || Volver al Indice || Próxima Página --> |
Inversión del sentido de giro de un motor trifásico.
Mando por pulsadores de paro/marcha.
Inversión automática con finales de carrera.
| <-- Página Anterior || Volver al Indice || Próxima Página --> |
Esquema de fuerza:
Leyenda:
QM1- Interruptor magnetotérmico general.
QM2- I. Magnetotérmico circuito de mando
KM1- Contactor Izq.
KM2- Contactor Drcha.
FR1- Relé térmico
M1- Motor
SB1- Pulsador de parada
SB2- Pulsador de marcha Izq.
SB3- Pulsador de marcha Drcha.
SB4- Final de carrera Izq.
SB5- Final de carrera Drha.
HL1. Lámpara Izq.
HL2.- Lámpara Drcha.
HL3- Lámpara relé térmico.
Esquema de mando:
| <-- Página Anterior || Volver al Indice || Próxima Página --> |
Inversión del sentido de giro de un motor trifásico.
Mando con interruptor.
Inversión automática con temporizadores.
| <-- Página Anterior || Volver al Indice || Próxima Página -->|
Esquema de fuerza:
Leyenda:
QM1- Interruptor magnetotérmico general.
QM2- I. Magnetotérmico circuito de mando
KM1- Contactor Izq.
KM2- Contactor Drcha.
FR1- Relé térmico
M1- Motor
SA1- Interruptor rotativo
KT1- Temporizador Izq.
KT2- Temporizador Drcha.
HL1. Lámpara Izq.
HL2.- Lámpara Drcha.
HL3- Lámpara relé térmico.
Esquema de mando:
| <-- Página Anterior || Volver al Indice || Próxima Página -->|
Inversión del sentido de giro de un motor trifásico.
Mando con pulsadores de P/M sin pasar por paro
con inversión no instantánea.
| <-- Página Anterior || Volver al Indice || Próxima Página --> |
Esquema de fuerza:
Leyenda:
QM1- Interruptor magnetotérmico general.
QM2- I. Magnetotérmico circuito de mando
KM1- Contactor Izq.
KM2- Contactor Drcha.
FR1- Relé térmico
M1- Motor
SB1- Pulsador de parada
SB2- Pulsador de marcha Izq.
SB3- Pulsador de marcha Drcha.
KA1- Contactor auxiliar 1
KA2.- Contactor auxiliar 2
KT1- Temporizador retardo Izq.
KT2- Temporizador retardo Drcha.
HL3- Lámpara relé térmico.
Esquema de mando:
| <-- Página Anterior || Volver al Indice || Próxima Página --> |
Arranque directo de un motor trifásico.
Mando con telerruptor.
| <-- Página Anterior || Volver al Indice || Próxima Página --> |
Esquema de fuerza:
Leyenda:
QM1- Interruptor magnetotérmico general.
QM2- I. Magnetotérmico circuito de mando
KM1- Contactor
FR1- Relé térmico
M1- Motor
SB1- Pulsador de marcha
SB2- Pulsador de marcha
SB3- Pulsador de marcha
KL1- Telerruptor
HL1. Lámpara motor
HL2- Lámpara relé térmico.
Esquema de mando:
| <-- Página Anterior || Volver al Indice || Próxima Página --> |
Encendido de alumbrado público.
Mando con interruptor crepuscular y reloj
horario con accionamiento manual.
| <-- Página Anterior || Volver al Indice || Próxima Página --> |
Esquema de fuerza:
Leyenda:
QF1- Interruptor diferencial
QM1- Interruptor magnetotérmico general.
QM2- I. Magnetérmico línea 1
QM3- I. Magnetotérmico línea 2
QM4- I. Magnetotérmico circuito de mando
KM1- Contactor línea 1
KM2- Contactor línea 2
SA1- Interruptor general
SA2- Int. encendido manual línea 1
SA3.- Int. encendido manual línea 2
KT1- Reloj
B1.- Célula fotoeléctrica
Esquema de mando:
| <-- Página Anterior || Volver al Indice || Próxima Página --> |
Arranque de un motor trifásico en Estrella/Triángulo.
Mando automático con accionamiento por pulsadores.
| <-- Página Anterior || Volver al Indice || Próxima Página --> |
Esquema de fuerza:
Leyenda:
QM1- Interruptor magnetotérmico
KM1- Contactor principal
KM2- Contactor Triángulo
KM3- Contactor Estrella
FR1- Relé térmico
M1- Motor
SB1- Pulsador de parada
SB2- Pulsdador de marcha
KT1- Temporizador
HL1- Señalización motor en marcha
HL2- Señalización disparo relé térmico
Esquema de mando:
| <-- Página Anterior || Volver al Indice || Próxima Página --> |
Arranque de un motor trifásico en Estrella/Triángulo.
Mando manual con pulsadores.
| <-- Página Anterior || Volver al Indice || Próxima Página --> |
Esquema de fuerza:
Leyenda:
QM1- Interruptor magnetotérmico
KM1- Contactor principal
KM2- Contactor Triángulo
KM3- Contactor Estrella
FR1- Relé térmico
M1- Motor
SB1- Pulsador de parada
SB2- Pulsador de marcha
SB3- Pulsador estrella/triángulo
HL1- Señalización motor en marcha
HL2- Señalización disparo relé térmico
Esquema de mando:
| <-- Página Anterior || Volver al Indice || Próxima Página --> |
Arranque de un motor trifásico en Estrella/Triángulo.
Mando automático con accionamiento por pulsadores.
| <-- Página Anterior || Volver al Indice || Próxima Página --> |
Esquema de fuerza:
Leyenda:
QM1- Interruptor magnetotérmico
KM1- Contactor principal
KM2- Contactor Triángulo
KM3- Contactor Estrella
FR1- Relé térmico
M1- Motor
SB1- Pulsador de parada
SB2- Pulsdador de marcha
KT1- Temporizador
HL1- Señalización motor en marcha
HL2- Señalización disparo relé térmico
Esquema de mando:
| <-- Página Anterior || Volver al Indice || Próxima Página --> |
Arranque de un motor trifásico con freno por inyección de corriente continua.
Mando automático con accionamiento por pulsadores.
| <-- Página Anterior || Volver al Indice || Próxima Página --> |
Esquema de fuerza I:
.
Esquema de fuerza II:
.
.
Esquema de mando:
.
| <-- Página Anterior || Volver al Indice || Próxima Página --> |
Inversión del sentido de giro de un motor monofásico
Mando con pulsadores.
| <-- Página Anterior || Volver al Indice || Próxima Página --> |
Esquema de fuerza:
Leyenda:
QM1- Interruptor magnetotérmico fuerza
QM2- Magnetotérmico mando
KM1- Contactor bobinado principal
KM2- Contactor bobinado auxiliar Izq.
KM3- Contactor bobinado auxiliar Drcha.
SB1- Pulsador de parada
SB2- Marcha Izq.
SB3- Marcha Dcha.
.
Esquema de mando:
.
| <-- Página Anterior || Volver al Indice || Próxima Página --> |
Arranque de un motor trifásico en Estrella/Triángulo
Mando con detector de nivel de líquidos.
Protección con DEF (Detector electrónico de fusión).
Conmutación manual/automático.
| <-- Página Anterior ||Volver al Indice || Próxima Página -->|
Esquema de fuerza:
Leyenda:
QF1- Int. Diferencial
QM1- Interruptor magnetotérmico fuerza
QM2- Int. Magnetotémico mando
KM1- Contactor principal
KM2- Contactor Triángulo
KM3- Contactor Estrella
FR1- Relé térmico
M1- Motor
SB1- Pulsador de emergencia
SA1- Interruptor rotativo de 3 posiciones (Manual - 0 - Automático)
KT1- Temporizador estrella triángulo
KT2- Temporizador intermitente
HL1- Señalización motor en marcha
HL2- Señalización disparo relé térmico
DEF- Detector Electrónico de Fusión
B1- Detector de nivel de líquidos
HL1- Motor en marcha
HL2- Detector en marcha
HL3- Lámpara de relé térmico
HL4- Lámpara del DEF
.
Esquema de mando:
.
| <-- Página Anterior ||Volver al Indice || Próxima Página -->|
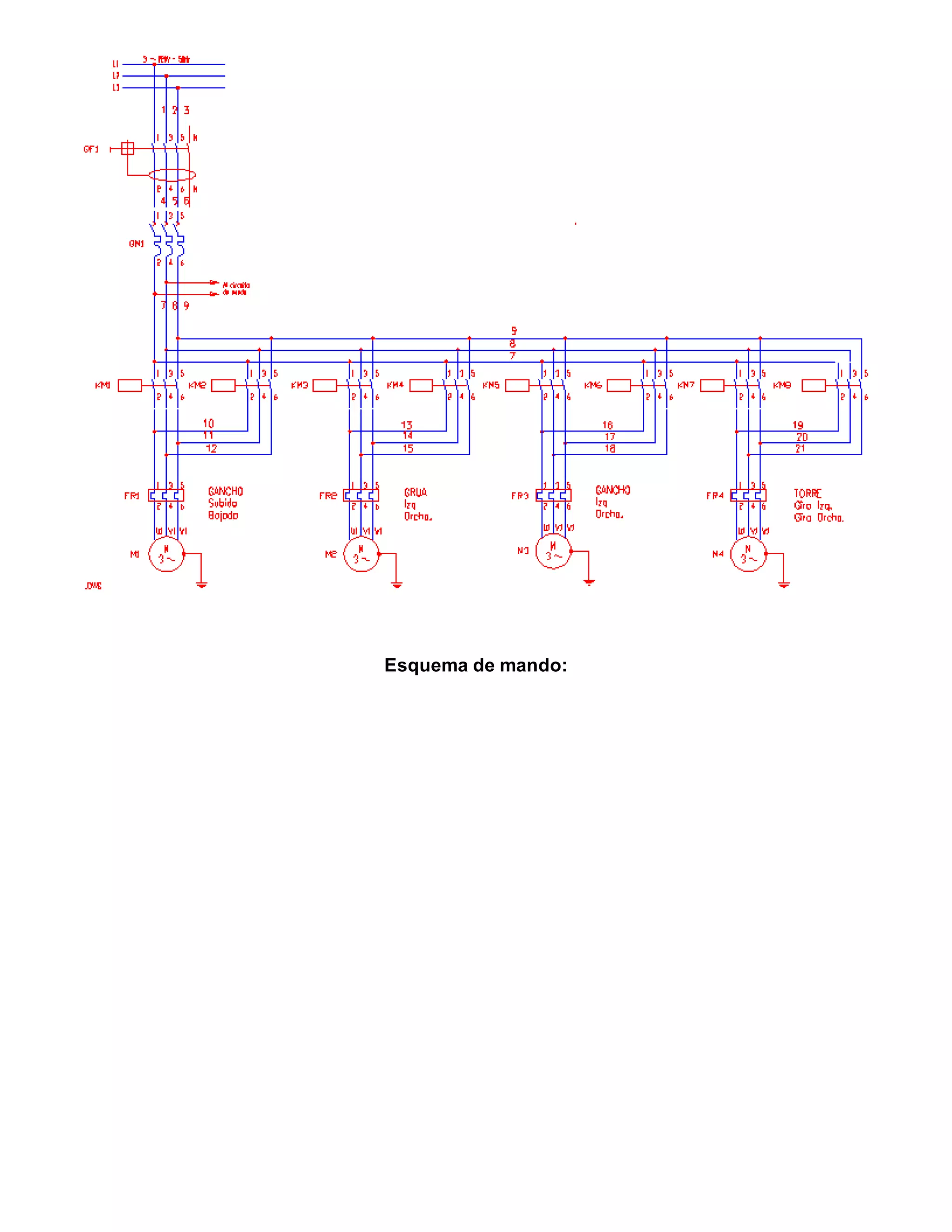
Control de los motores de una Grua-Torre
Mando con pulsadores
| <-- Página Anterior || Volver al Indice || Próxima Página --> |
..
.
.
.
Esquema de fuerza:
..
.
.
Esquema de mando:
.
.
| <-- Página Anterior || Volver al Indice || Próxima Página --> |
Conexión de detectores Inductivos
Función Serie (And), paralelo (Or), máximo y mínimo
| <-- Página Anterior || Volver al Indice || Próxima Página --> |
Conexión Serie:
Conexión paralelo
Conexión Máximo y Mínimo
| <-- Página Anterior || Volver al Indice || Próxima Página --> |
Sistema de alarma con detectores inductivos y capacitivos
Control de la apertura de puertas con dispositivo sonoro.
Enclavamiento por aperura de puerta metálica
|<-- Página Anterior || Volver al Indice || Próxima Página --> |
Circuito de mando
Leyenda:
QM1- Interruptor magnetotérmico monofásico
SB1- Detectores capacitivos (Puertas de madera)
SB2- Detectores inductivos (Puertas metálicas)
KA1- Contactor auxiliar 1
KA2- Contactor auxiliar 2
HA1- Timbre o sirena.
| <-- Página Anterior || Volver al Indice || Próxima Página --> |
Control del vaciado y llenado de una Tolva con materiales sólidos.
Mando autmático con detectores capacitivos de Max/Min
| <-- Página Anterior || Volver al Indice || Próxima Página --> |
.
Circuito de fuerza:
.
.
Circuito de mando:
.
. .
Conexión de los diferentes tipos de detectores:
.
.
Leyenda:
KM1: Cinta transportadora
KM2: Cierre tolva
KM3: Apertura tolva
SB1: Detector de máximo / mínimo
SA1: Interruptor de puesta en marcha.
FR1: Relé térmico.
QM1: Magnetotérmico general trifásico
QM2: Magnetotérmico monofásico.
B1: Detector fotoeléctrico. Presencia de camión
HA1: Alarma relé térmico
SB2: Final de carrera cierre
SB3: Final de carrera apertura
| <-- Página Anterior || Volver al Indice || Próxima Página --> |
Control de un taladro semiautomático
Mando con pulsadores de marcha y paro
| <-- Página Anterior || Volver al Indice || Próxima Página --> |
.
.
.
.
Circuito de fuerza:
.
..
.
Circuito de mando:
.
.
Leyenda:
KM1: Contactor bajada
KM2: Contactor subida
KM3: Contactor giro
M1: Motor subida/bajada
M2: Contactor giro
FR1: Relé térmico 1
FR2: Relé térmico 2
QM1: Magnetotérmico 1
QM2: Magnetotérmico 2
SB1: Pulsador de parada
SB2: Seta de emergencia
SB3: Pulsador de marcha
SB4: Final de carrera superior
SB5: Final de carrera inferior
HL1: Lámpara bajada
HL2: Lámpara subida
HL3: Lámpara protección térmica
HL4: Lámpara giro
| | <-- Página Anterior || Volver al Indice || Próxima Página --> |
Control de una puerta automática
Mando con detector fotoeléctrico
| <-- Página Anterior || Volver al Indice || Próxima Página --> |
.
.
Circuito de fuerza:
.
.
Circuito de mando:
.
.
Leyenda:
KM1: Contactor Cierre
KM2: Contactor Apertura
M1: Motor apertura y cierre
FR1: Relé térmico 1
QM1: Magnetotérmico 1
QM2: Magnetotérmico 2
SA1: Interruptor general
SB1: Final de carrera
SB2: Final de carrera
B1: Detector fotoeléctrico
| <-- Página Anterior || Volver al Indice || Próxima Página --> |
Control de entradas y salidas de vehiculos en un aparcamiento.
Mando con contador de pasos
| <-- Página Anterior || Volver al Indice || Próxima Página --> |
.
.
Circuito de fuerza:
.
.
Circuito de mando:
.
.
Leyenda:
KM1: Contactor Apertura
KM2: Contactor Cierre
KA1: Relé auxiliar 1
KA2: Relé auxiliar 2
SB3: Detector fotoeléctrico de entrada (220v)
SB4: Detector fotoeléctrico de salida (220v)
M1: Motor apertura y cierre
FR1: Relé térmico 1
QM1: Magnetotérmico 1
QM2: Magnetotérmico 2
SA1: Interruptor general
SB1: Final de carrera
SB2: Final de carrera
B1: Contador
HL1: Lámpara Roja
Hl2: Lámpara Verde
| <-- Página Anterior || Volver al Indice || Próxima Página --> |
Arranque de un motor trifásico con variador de velocidad
Mando con conmutadores rotativos.
| <-- Página Anterior || Volver al Indice || Próxima Página --> |
Circuito de fuerza:
.
Leyenda:
QF1: Interruptor diferencial.
QM1: Interruptor magnetotérmico.
KM1: Contactor 1
KM2: Contactor 2
FR1: Relé térmico
M1: Motor trifásico
SB1: Seta de emergencia.
SA1: Interruptor de puesta en marcha
SA2: Conmutador para la inversión del sentido de giro.
HL1: Lámpara de marcha.
HL2: Lámpara de relé térmico.
.
Circuito de mando:
.
.
| <-- Página Anterior || Volver al Indice || Próxima Página --> |
Escalera eléctrica.
Mando con barrera fotoeléctrica.
| <-- Página Anterior || Volver al Indice || Próxima Página --> |
.
.
.
.
Circuito de fuerza:
.
Leyenda:
QM1: Interruptor magnetotérmico.
KM1: Contactor 1
KA1: Relé auxiliar de 24 v accionado
por barrera fotoeléctrica
FR1: Relé térmico
M1: Motor trifásico escalera
KT1: Temporizador
.
Circuito de mando:
.
.
| <-- Página Anterior || Volver al Indice || Próxima Página --> |
Mezclado de productos sólidos.
Mando con de detectores de max/min y fotoeléctricos.
| <-- Página Anterior || Volver al Indice || Próxima Página --> |
.
.
.
.
Circuito de fuerza:
.
Leyenda:
QM1: Interruptor magnetotérmico.
QM2: Interruptor magnetotérmico de mando.
FR1: Relé térmico del motor 1
FR2: Relé térmico del motor 2
SB1: Final de carrera carretilla
SB2: Detector de nivel tolva1
SB3: Detector de nivel tolva 2
SB4: Final de carrera cierre tolva 1
SB5: Final de carrera apertura tolva 1
SB6: Final de carrera cierre tolva 2
SB7: Final de carrera apertura tolva 2
SA1: Interruptor tolva 1
SA2: Interruptor tolva 2
B1: Detector fotoeléctrico.
Control de llenado de vagoneta.
KM1: Contactor cierre tolva 1
KM2: Contactor apertura tolva 1
KM3: Contactor cierre tolva 2
KM4: Contactor apertura tolva 2
.
Circuito de mando:
.
.
| <-- Página Anterior || Volver al Indice || Próxima Página --> |

93031561 automatismos-electricos-con-contact-ores

  • 1.
    . . o Estacolección de esquemas ha sido realizada por los alumnos de 1º de FPII rama de Electricidad durante el curso 1.997/98. o El programa utilizado como herramienta de diseño ha sido AutoCad LT, personalizado con macros de menús y librerías de bloques propias. Relación de esquemas: Arranque directo de un motor trifásico. Mando con interruptor on/off. Arranque directo de un motor trifásico. Mando con Interruptor y Señalización ópticapara marchay paro. Arranque directo de dos motores trifásicos con protección única magnetotérmica. Arranque directo de un motor trifásico. Con protección por Relé Térmico. MandoPulsadoresde Paro/Marcha. Arranque de 3 motores en cascada en el orden 1-2-3. Mando con pulsadoresde marcha y parada. Inversión del sentido de giro de un motor trifásico. Mando con conmutador rotativode 3 posiciones, I-0-II. Inversión del sentido de giro de un motor trifásico. Mando por pulsadoresde paro/marcha pasando por paro Inversión del sentido de giro de un motor trifásico. Mando por pulsadoresde paro/marcha. Parada con finalesde carrera. Inversión del sentido de giro de un motor trifásico. Mando por pulsadoresP/M. Inversión automáticacon finalesde carrera. Inversión del sentido de giro de un motor trifásico. Mando con interruptor. Inversiónautomáticacon temporizadores. Inversión del sentido de giro de un motor trifásico. Mando con pulsadoressin pasar por paro con inversión no instantánea. Arranque directo de un motor trifásico. Mando con telerruptor. Encendido de alumbrado público. Mando con interruptor crepuscular y reloj horario con accionamiento manual. Arranque de un motor trifásico en Estrella/Triángulo. Mando automático con accionamientopor pulsadores. I Arranque de un motor trifásico en Estrella/Triángulo. Mando manual con pulsadores. Arranque de un motor trifásico en Estrella/Triángulo. Mando automáticocon accionamientopor pulsadores. II Arranque de un motor trifásico con freno por inyección de corriente continua. Mando automático por pulsadores. Inversión del sentido de giro de un motor monofásico. Mando con pulsadores. Arranque de un motor trifásico en Estrella/Triángulo. Mando con detector de nivel delíquidos. Control de los motores de una Grúa-Torre. Mando con pulsadores Conexión de detectores. Serie, paraleloy max-min. Sistema de alarma con detectores inductivos y capacitivos. Control del llenado y vaciado de un tolva con materialessólidos. Control de un Taladro Semiautomático. Control de una puerta automática. Mando con detector fotoeléctrico Control de entradas y salidas de vehículos en un aparcamiento. Mandocon contador de pasos.
  • 2.
    Arranque de unmotor trifásico con variador de velocidad.Mando con conmutadoresrotativos. Escalera eléctrica. Mando con barrera fotoeléctrica Mezclado de productos sólidos. Mando con de detectoresde max/miny fotoeléctricos. Todos estos circuitos han sido montados por los alumnos de 1ºFPI (Grupos A y B) en las clases de Prácticas de taller, tomando como base la programación para el curso 97/98 elaborada por el profesor abajo firmante. Dicha programación se completó con varias prácticas de "electrónica de potencia" con diodos y transistores. Los alumnos que han colaborado en la elaboración de este temaio han sido: o Alfonso García Gómez. o César Varillas Campo. o Miguel Sánchez Sánchez. o Julio José Hernández Sánchez. o Ramón Hernández Sánchez. o Oscar Rufau García Diseño y composición de las páginas J.C.M. Castillo. Esta página fue actualizada el 22-10-2006 |Inicio| |Enlaces| |Descarga| |Calculadora| |Libro de Visitas| J.C.M.Castillo
  • 3.
    Arranque directo deun motor trifásico. Mando con interruptor on/off. | <-- Página Anterior || Volver al Indice || Próxima Página; --> | Leyenda: QM1- Interruptor magnetotérmico fuerza QM2- Interruptor magnetotérmico mando SA1- Interruptor KM1- Contactor M1- Motor | <-- Página Anterior ||Volver al Indice || Próxima Página; --> |
  • 4.
    Arranque directo deun motor trifásico. Mando con Interruptor y Señalización Óptica para marcha y paro. | <-- Página Anterior ||Volver al Índice || Próxima Página --> | Leyenda: QM1- Interruptor magnetotérmico fuerza QM2- Interruptor magnetotérmico mando SA1- Interruptor KM1- Contactor M1- Motor HL1- Lámpara Motor en marcha HL2- Lámpara Motor parado | <-- Página Anterior ||Volver al Indice || Próxima Página --> |
  • 5.
    Arranque directo dedos motores trifásicos con protección única magnetotérmica. | <-- Página Anterior || Volver al Indice || Próxima Página --> | Esquema de fuerza . | <-- Página Anterior || Volver al Indice || Próxima Página --> |
  • 6.
    Arranque directo deun motor trifásico, con protección por Relé Térmico. Mando con Pulsadores de Paro/Marcha. | <-- Página Anterior || Volver al Indice || Próxima Página --> | Esquema de fuerza: Leyenda: QM1- Interruptor magnetotérmico fuerza QM2- Interruptor magnetotérmico mando SB1- Pulsador de parada SB2- Pulsador de marcha KM1- Contactor M1- Motor HL1- Lámpara motor en marcha. HL2- Lámpara relé térmico. Esquema de mando:
  • 7.
    | <-- PáginaAnterior || Volver al Indice || Próxima Página --> |
  • 8.
    Arranque de 3motores en cascada en el orden 1-2-3. Mando con pulsadores de marcha y parada. |<-- Página Anterior ||Volver al Indice || Próxima Página -->| Esquema de fuerza: Leyenda: QM1- Interruptor magnetotérmico general. QM2- I. Magnetotérmico circuito de mando KM1- Contactor 1 KM2- Contactor 2 KM3- Contactor 3 FR1- Relé térmico M1 FR2- Relé térmico M2 FR3- Relé térmico M3 M1- Motor 1 M2- Motor 2 M3- Motor 3 SB1- Pulsador Parada SB2- Pulsador de marcha motor 1 SB3- Pulsador de marcha motor 2 SB4- Pulsador de marcha motor 3 HL1. Lámpara M1 HL2- Lámpara M2. HL3- Lámpara M3 HL4- Lámpara relé térmico. Esquema de mando:
  • 9.
    | <-- PáginaAnterior ||Volver al Indice || Próxima Página --> |
  • 10.
    Inversión del sentidode giro de un motor trifásico. Mando con conmutador rotativo de 3 posiciones, I-0-II. |<-- Página Anterior || Volver al Indice || Próxima Página --> | Esquema de fuerza: Leyenda: QM1- Interruptor magnetotérmico general. QM2- I. Magnetotérmico circuito de mando KM1- Contactor Izq. KM2- Contactor Drcha. FR1- Relé térmico M1- Motor SA1- Conmutador rotativo de 3 posiciones. HL1. Lámpara Izq. HL2.- Lámpara Drcha. HL3- Lámpara relé térmico. Esquema de mando:
  • 11.
    | <-- PáginaAnterior || Volver al Indice || Próxima Página --> |
  • 12.
    Inversión del sentidode giro de un motor trifásico. Mando por pulsadores de paro/marcha pasando por paro. | <-- Página Anterior || Volver al Indice || Próxima Página --> | Esquema de fuerza: Leyenda: QM1- Interruptor magnetotérmico general. QM2- I. Magnetotérmico circuito de mando KM1- Contactor Izq. KM2- Contactor Drcha. FR1- Relé térmico M1- Motor SB1- Pulsador de parada SB2- Pulsador de marcha Izq. SB3- Pulsador de marcha Drcha. HL1. Lámpara Izq. HL2.- Lámpara Drcha. HL3- Lámpara relé térmico. Esquema de mando:
  • 13.
    | <-- PáginaAnterior || Volver al Indice || Próxima Página --> |
  • 14.
    Inversión del sentidode giro de un motor trifásico. Mando por pulsadores de paro/marcha. Parada con finales de carrera. | <-- Página Anterior || Volver al Indice || Próxima Página --> | Esquema de fuerza: Leyenda: QM1- Interruptor magnetotérmico general. QM2- I. Magnetotérmico circuito de mando KM1- Contactor Izq. KM2- Contactor Drcha. FR1- Relé térmico M1- Motor SB1- Pulsador de parada SB2- Pulsador de marcha Izq. SB3- Pulsador de marcha Drcha. SB4- Final de carrera Izq. SB5- Final de carrera Drha. HL1. Lámpara Izq. HL2.- Lámpara Drcha. HL3- Lámpara relé térmico. Esquema de mando:
  • 15.
    | <-- PáginaAnterior || Volver al Indice || Próxima Página --> |
  • 16.
    Inversión del sentidode giro de un motor trifásico. Mando por pulsadores de paro/marcha. Inversión automática con finales de carrera. | <-- Página Anterior || Volver al Indice || Próxima Página --> | Esquema de fuerza: Leyenda: QM1- Interruptor magnetotérmico general. QM2- I. Magnetotérmico circuito de mando KM1- Contactor Izq. KM2- Contactor Drcha. FR1- Relé térmico M1- Motor SB1- Pulsador de parada SB2- Pulsador de marcha Izq. SB3- Pulsador de marcha Drcha. SB4- Final de carrera Izq. SB5- Final de carrera Drha. HL1. Lámpara Izq. HL2.- Lámpara Drcha. HL3- Lámpara relé térmico. Esquema de mando:
  • 17.
    | <-- PáginaAnterior || Volver al Indice || Próxima Página --> |
  • 18.
    Inversión del sentidode giro de un motor trifásico. Mando con interruptor. Inversión automática con temporizadores. | <-- Página Anterior || Volver al Indice || Próxima Página -->| Esquema de fuerza: Leyenda: QM1- Interruptor magnetotérmico general. QM2- I. Magnetotérmico circuito de mando KM1- Contactor Izq. KM2- Contactor Drcha. FR1- Relé térmico M1- Motor SA1- Interruptor rotativo KT1- Temporizador Izq. KT2- Temporizador Drcha. HL1. Lámpara Izq. HL2.- Lámpara Drcha. HL3- Lámpara relé térmico. Esquema de mando:
  • 19.
    | <-- PáginaAnterior || Volver al Indice || Próxima Página -->|
  • 20.
    Inversión del sentidode giro de un motor trifásico. Mando con pulsadores de P/M sin pasar por paro con inversión no instantánea. | <-- Página Anterior || Volver al Indice || Próxima Página --> | Esquema de fuerza: Leyenda: QM1- Interruptor magnetotérmico general. QM2- I. Magnetotérmico circuito de mando KM1- Contactor Izq. KM2- Contactor Drcha. FR1- Relé térmico M1- Motor SB1- Pulsador de parada SB2- Pulsador de marcha Izq. SB3- Pulsador de marcha Drcha. KA1- Contactor auxiliar 1 KA2.- Contactor auxiliar 2 KT1- Temporizador retardo Izq. KT2- Temporizador retardo Drcha. HL3- Lámpara relé térmico. Esquema de mando:
  • 21.
    | <-- PáginaAnterior || Volver al Indice || Próxima Página --> |
  • 22.
    Arranque directo deun motor trifásico. Mando con telerruptor. | <-- Página Anterior || Volver al Indice || Próxima Página --> | Esquema de fuerza: Leyenda: QM1- Interruptor magnetotérmico general. QM2- I. Magnetotérmico circuito de mando KM1- Contactor FR1- Relé térmico M1- Motor SB1- Pulsador de marcha SB2- Pulsador de marcha SB3- Pulsador de marcha KL1- Telerruptor HL1. Lámpara motor HL2- Lámpara relé térmico. Esquema de mando:
  • 23.
    | <-- PáginaAnterior || Volver al Indice || Próxima Página --> |
  • 24.
    Encendido de alumbradopúblico. Mando con interruptor crepuscular y reloj horario con accionamiento manual. | <-- Página Anterior || Volver al Indice || Próxima Página --> | Esquema de fuerza: Leyenda: QF1- Interruptor diferencial QM1- Interruptor magnetotérmico general. QM2- I. Magnetérmico línea 1 QM3- I. Magnetotérmico línea 2 QM4- I. Magnetotérmico circuito de mando KM1- Contactor línea 1 KM2- Contactor línea 2 SA1- Interruptor general SA2- Int. encendido manual línea 1 SA3.- Int. encendido manual línea 2 KT1- Reloj B1.- Célula fotoeléctrica Esquema de mando:
  • 25.
    | <-- PáginaAnterior || Volver al Indice || Próxima Página --> |
  • 26.
    Arranque de unmotor trifásico en Estrella/Triángulo. Mando automático con accionamiento por pulsadores. | <-- Página Anterior || Volver al Indice || Próxima Página --> | Esquema de fuerza: Leyenda: QM1- Interruptor magnetotérmico KM1- Contactor principal KM2- Contactor Triángulo KM3- Contactor Estrella FR1- Relé térmico M1- Motor SB1- Pulsador de parada SB2- Pulsdador de marcha KT1- Temporizador HL1- Señalización motor en marcha HL2- Señalización disparo relé térmico Esquema de mando:
  • 27.
    | <-- PáginaAnterior || Volver al Indice || Próxima Página --> |
  • 28.
    Arranque de unmotor trifásico en Estrella/Triángulo. Mando manual con pulsadores. | <-- Página Anterior || Volver al Indice || Próxima Página --> | Esquema de fuerza: Leyenda: QM1- Interruptor magnetotérmico KM1- Contactor principal KM2- Contactor Triángulo KM3- Contactor Estrella FR1- Relé térmico M1- Motor SB1- Pulsador de parada SB2- Pulsador de marcha SB3- Pulsador estrella/triángulo HL1- Señalización motor en marcha HL2- Señalización disparo relé térmico Esquema de mando:
  • 29.
    | <-- PáginaAnterior || Volver al Indice || Próxima Página --> |
  • 30.
    Arranque de unmotor trifásico en Estrella/Triángulo. Mando automático con accionamiento por pulsadores. | <-- Página Anterior || Volver al Indice || Próxima Página --> | Esquema de fuerza: Leyenda: QM1- Interruptor magnetotérmico KM1- Contactor principal KM2- Contactor Triángulo KM3- Contactor Estrella FR1- Relé térmico M1- Motor SB1- Pulsador de parada SB2- Pulsdador de marcha KT1- Temporizador HL1- Señalización motor en marcha HL2- Señalización disparo relé térmico Esquema de mando:
  • 31.
    | <-- PáginaAnterior || Volver al Indice || Próxima Página --> |
  • 32.
    Arranque de unmotor trifásico con freno por inyección de corriente continua. Mando automático con accionamiento por pulsadores. | <-- Página Anterior || Volver al Indice || Próxima Página --> | Esquema de fuerza I: . Esquema de fuerza II: .
  • 33.
  • 34.
    | <-- PáginaAnterior || Volver al Indice || Próxima Página --> |
  • 35.
    Inversión del sentidode giro de un motor monofásico Mando con pulsadores. | <-- Página Anterior || Volver al Indice || Próxima Página --> | Esquema de fuerza: Leyenda: QM1- Interruptor magnetotérmico fuerza QM2- Magnetotérmico mando KM1- Contactor bobinado principal KM2- Contactor bobinado auxiliar Izq. KM3- Contactor bobinado auxiliar Drcha. SB1- Pulsador de parada SB2- Marcha Izq. SB3- Marcha Dcha. . Esquema de mando: .
  • 36.
    | <-- PáginaAnterior || Volver al Indice || Próxima Página --> |
  • 37.
    Arranque de unmotor trifásico en Estrella/Triángulo Mando con detector de nivel de líquidos. Protección con DEF (Detector electrónico de fusión). Conmutación manual/automático. | <-- Página Anterior ||Volver al Indice || Próxima Página -->| Esquema de fuerza: Leyenda: QF1- Int. Diferencial QM1- Interruptor magnetotérmico fuerza QM2- Int. Magnetotémico mando KM1- Contactor principal KM2- Contactor Triángulo KM3- Contactor Estrella FR1- Relé térmico M1- Motor SB1- Pulsador de emergencia SA1- Interruptor rotativo de 3 posiciones (Manual - 0 - Automático) KT1- Temporizador estrella triángulo KT2- Temporizador intermitente HL1- Señalización motor en marcha HL2- Señalización disparo relé térmico DEF- Detector Electrónico de Fusión B1- Detector de nivel de líquidos HL1- Motor en marcha HL2- Detector en marcha HL3- Lámpara de relé térmico HL4- Lámpara del DEF . Esquema de mando: .
  • 38.
    | <-- PáginaAnterior ||Volver al Indice || Próxima Página -->|
  • 39.
    Control de losmotores de una Grua-Torre Mando con pulsadores | <-- Página Anterior || Volver al Indice || Próxima Página --> | .. . . . Esquema de fuerza:
  • 40.
  • 41.
    . | <-- PáginaAnterior || Volver al Indice || Próxima Página --> |
  • 42.
    Conexión de detectoresInductivos Función Serie (And), paralelo (Or), máximo y mínimo | <-- Página Anterior || Volver al Indice || Próxima Página --> | Conexión Serie: Conexión paralelo
  • 43.
  • 44.
    | <-- PáginaAnterior || Volver al Indice || Próxima Página --> |
  • 45.
    Sistema de alarmacon detectores inductivos y capacitivos Control de la apertura de puertas con dispositivo sonoro. Enclavamiento por aperura de puerta metálica |<-- Página Anterior || Volver al Indice || Próxima Página --> | Circuito de mando Leyenda: QM1- Interruptor magnetotérmico monofásico SB1- Detectores capacitivos (Puertas de madera) SB2- Detectores inductivos (Puertas metálicas) KA1- Contactor auxiliar 1 KA2- Contactor auxiliar 2 HA1- Timbre o sirena. | <-- Página Anterior || Volver al Indice || Próxima Página --> |
  • 46.
    Control del vaciadoy llenado de una Tolva con materiales sólidos. Mando autmático con detectores capacitivos de Max/Min | <-- Página Anterior || Volver al Indice || Próxima Página --> | . Circuito de fuerza: .
  • 47.
  • 48.
    . . Conexión delos diferentes tipos de detectores: . .
  • 49.
    Leyenda: KM1: Cinta transportadora KM2:Cierre tolva KM3: Apertura tolva SB1: Detector de máximo / mínimo SA1: Interruptor de puesta en marcha. FR1: Relé térmico. QM1: Magnetotérmico general trifásico QM2: Magnetotérmico monofásico. B1: Detector fotoeléctrico. Presencia de camión HA1: Alarma relé térmico SB2: Final de carrera cierre SB3: Final de carrera apertura | <-- Página Anterior || Volver al Indice || Próxima Página --> |
  • 50.
    Control de untaladro semiautomático Mando con pulsadores de marcha y paro | <-- Página Anterior || Volver al Indice || Próxima Página --> | . . . . Circuito de fuerza: .
  • 51.
  • 52.
    . Leyenda: KM1: Contactor bajada KM2:Contactor subida KM3: Contactor giro M1: Motor subida/bajada M2: Contactor giro FR1: Relé térmico 1 FR2: Relé térmico 2 QM1: Magnetotérmico 1 QM2: Magnetotérmico 2 SB1: Pulsador de parada SB2: Seta de emergencia SB3: Pulsador de marcha SB4: Final de carrera superior SB5: Final de carrera inferior HL1: Lámpara bajada HL2: Lámpara subida HL3: Lámpara protección térmica HL4: Lámpara giro | | <-- Página Anterior || Volver al Indice || Próxima Página --> |
  • 53.
    Control de unapuerta automática Mando con detector fotoeléctrico | <-- Página Anterior || Volver al Indice || Próxima Página --> | . . Circuito de fuerza: .
  • 54.
  • 55.
    Leyenda: KM1: Contactor Cierre KM2:Contactor Apertura M1: Motor apertura y cierre FR1: Relé térmico 1 QM1: Magnetotérmico 1 QM2: Magnetotérmico 2 SA1: Interruptor general SB1: Final de carrera SB2: Final de carrera B1: Detector fotoeléctrico | <-- Página Anterior || Volver al Indice || Próxima Página --> |
  • 56.
    Control de entradasy salidas de vehiculos en un aparcamiento. Mando con contador de pasos | <-- Página Anterior || Volver al Indice || Próxima Página --> | . . Circuito de fuerza: .
  • 57.
  • 58.
    Leyenda: KM1: Contactor Apertura KM2:Contactor Cierre KA1: Relé auxiliar 1 KA2: Relé auxiliar 2 SB3: Detector fotoeléctrico de entrada (220v) SB4: Detector fotoeléctrico de salida (220v) M1: Motor apertura y cierre FR1: Relé térmico 1 QM1: Magnetotérmico 1 QM2: Magnetotérmico 2 SA1: Interruptor general SB1: Final de carrera SB2: Final de carrera B1: Contador HL1: Lámpara Roja Hl2: Lámpara Verde | <-- Página Anterior || Volver al Indice || Próxima Página --> |
  • 59.
    Arranque de unmotor trifásico con variador de velocidad Mando con conmutadores rotativos. | <-- Página Anterior || Volver al Indice || Próxima Página --> | Circuito de fuerza: . Leyenda: QF1: Interruptor diferencial. QM1: Interruptor magnetotérmico. KM1: Contactor 1 KM2: Contactor 2 FR1: Relé térmico M1: Motor trifásico SB1: Seta de emergencia. SA1: Interruptor de puesta en marcha SA2: Conmutador para la inversión del sentido de giro. HL1: Lámpara de marcha. HL2: Lámpara de relé térmico. . Circuito de mando: .
  • 60.
    . | <-- PáginaAnterior || Volver al Indice || Próxima Página --> |
  • 61.
    Escalera eléctrica. Mando conbarrera fotoeléctrica. | <-- Página Anterior || Volver al Indice || Próxima Página --> | . . . . Circuito de fuerza: .
  • 62.
    Leyenda: QM1: Interruptor magnetotérmico. KM1:Contactor 1 KA1: Relé auxiliar de 24 v accionado por barrera fotoeléctrica FR1: Relé térmico M1: Motor trifásico escalera KT1: Temporizador . Circuito de mando: . .
  • 63.
    | <-- PáginaAnterior || Volver al Indice || Próxima Página --> |
  • 64.
    Mezclado de productossólidos. Mando con de detectores de max/min y fotoeléctricos. | <-- Página Anterior || Volver al Indice || Próxima Página --> | . . . . Circuito de fuerza: .
  • 65.
    Leyenda: QM1: Interruptor magnetotérmico. QM2:Interruptor magnetotérmico de mando. FR1: Relé térmico del motor 1 FR2: Relé térmico del motor 2 SB1: Final de carrera carretilla SB2: Detector de nivel tolva1 SB3: Detector de nivel tolva 2 SB4: Final de carrera cierre tolva 1 SB5: Final de carrera apertura tolva 1 SB6: Final de carrera cierre tolva 2 SB7: Final de carrera apertura tolva 2 SA1: Interruptor tolva 1 SA2: Interruptor tolva 2 B1: Detector fotoeléctrico. Control de llenado de vagoneta. KM1: Contactor cierre tolva 1 KM2: Contactor apertura tolva 1 KM3: Contactor cierre tolva 2 KM4: Contactor apertura tolva 2 . Circuito de mando: .
  • 66.
    . | <-- PáginaAnterior || Volver al Indice || Próxima Página --> |