EJERCICIOS LENGUAJE ESCALERA (LADDER)
1. Determine la expresión lógica para la salida L1.
L1 = (I1) and (not I2) and (I3)
L1 = ( (I1) and (not I3) ) or (I2)
L1 = (I1) and ( (not I3) or (I2) )
2. En el siguiente diagrama escalera explique que ocurre al presiona “STAR”.
Al presionar STAR se activa R100 y sus contactos, inmediatamente M se activa,
simultáneamente se activa el bloque de temporización TON de 15 segundos
(renglón 3), transcurridos los 15 segundos se activa R200 y sus contactos
desactivando M, inmediatamente se activa el temporizador TON de 30 segundos,
transcurridos los 30 segundo se activa R300 y sus contactos, lo que activa
nuevamente a M, al mismo tiempo se activa el temporizador de 10 segundos,
transcurridos estos 10 segundos se activa R400 y sus contactos, desactivando M.
Al presionar STOP se desactiva R100, si se presiona STOP mientras este activo
M este se desactiva inmediatamente.
3. Dibuje un diagrama de tiempo para el ejercicio anterior, donde se muestre la
activación y desactivación de M, R100, R200, R300 y R400, después de haber
presionado STAR y suponiendo que nunca se presiona STOP.
Asumiendo el nivel bajo como desactiva y el nivel alto como activado.
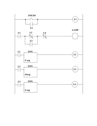
4. Escriba el código escalera para hacer que una lámpara “LAMP” se encienda al
presionar un pulsador “INICIO”, la lámpara debe seguir el siguiente patrón de
activación y desactivación.
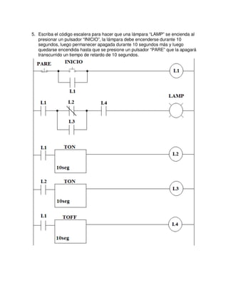
5. Escriba el código escalera para hacer que una lámpara “LAMP” se encienda al
presionar un pulsador “INICIO”, la lámpara debe encenderse durante 10
segundos, luego permanecer apagada durante 10 segundos más y luego
quedarse encendida hasta que se presione un pulsador “PARE” que la apagará
transcurrido un tiempo de retardo de 10 segundos.
6. Dibuje un diagrama de tiempos para el ejercicio anterior.

Ejercicios ladder

  • 1.
    EJERCICIOS LENGUAJE ESCALERA(LADDER) 1. Determine la expresión lógica para la salida L1. L1 = (I1) and (not I2) and (I3) L1 = ( (I1) and (not I3) ) or (I2) L1 = (I1) and ( (not I3) or (I2) )
  • 2.
    2. En elsiguiente diagrama escalera explique que ocurre al presiona “STAR”. Al presionar STAR se activa R100 y sus contactos, inmediatamente M se activa, simultáneamente se activa el bloque de temporización TON de 15 segundos (renglón 3), transcurridos los 15 segundos se activa R200 y sus contactos desactivando M, inmediatamente se activa el temporizador TON de 30 segundos, transcurridos los 30 segundo se activa R300 y sus contactos, lo que activa nuevamente a M, al mismo tiempo se activa el temporizador de 10 segundos, transcurridos estos 10 segundos se activa R400 y sus contactos, desactivando M.
  • 3.
    Al presionar STOPse desactiva R100, si se presiona STOP mientras este activo M este se desactiva inmediatamente. 3. Dibuje un diagrama de tiempo para el ejercicio anterior, donde se muestre la activación y desactivación de M, R100, R200, R300 y R400, después de haber presionado STAR y suponiendo que nunca se presiona STOP. Asumiendo el nivel bajo como desactiva y el nivel alto como activado. 4. Escriba el código escalera para hacer que una lámpara “LAMP” se encienda al presionar un pulsador “INICIO”, la lámpara debe seguir el siguiente patrón de activación y desactivación.
  • 5.
    5. Escriba elcódigo escalera para hacer que una lámpara “LAMP” se encienda al presionar un pulsador “INICIO”, la lámpara debe encenderse durante 10 segundos, luego permanecer apagada durante 10 segundos más y luego quedarse encendida hasta que se presione un pulsador “PARE” que la apagará transcurrido un tiempo de retardo de 10 segundos.
  • 6.
    6. Dibuje undiagrama de tiempos para el ejercicio anterior.