Resumen de electrónica 1
Vista de diferencias de potenciales como puntos potenciales referenciados:
Solo es posible con una referencia, como la conexión a tierra u otro punto, la conexión a tierra
son cero voltios.
Diferencia de potencial:
∆𝑉 = 𝑉𝐴𝐵 = 𝑉𝐴 − 𝑉𝐵 = 𝐼 ∗ 𝑅 ≥ 0[𝑉]
∆𝑉 = 9[𝑉] = 𝑉𝐴𝐵 = 𝑉𝐴 − 𝑉𝐵 = (7[𝑉]) − (−2[𝑉]) = 𝐼 ∗ 𝑅 = 9[𝑚𝐴] ∗ 1[𝑘Ω] ≥ 0[𝑉]
Superposición y Thevenin
Para dos resistencias se aplica divisor de voltaje.
𝑉𝑡ℎ = 𝑉1
𝑅2
𝑅1 + 𝑅2
+ 𝑉2
𝑅1
𝑅1 + 𝑅2
= 𝑉𝑥 (𝑑𝑖𝑣𝑖𝑠𝑜𝑟 𝑑𝑒 𝑣𝑜𝑙𝑡𝑎𝑗𝑒)
𝑅𝑡ℎ = 𝑅1 ∥ 𝑅2 (𝑙𝑎𝑠 𝑓𝑢𝑒𝑛𝑡𝑒𝑠 𝑠𝑒 ℎ𝑎𝑐𝑒𝑛 𝑐𝑒𝑟𝑜)
Para más resistencias:
Vth = V1
(R2 ∥ R3 ∥ R4 ∥ R5)
(R2 ∥ R3 ∥ R4 ∥ R5) + R1
+ V2
(R1 ∥ R3 ∥ R4 ∥ R5)
(R1 ∥ R3 ∥ R4 ∥ R5) + R2
+ V3
(R1 ∥ R2 ∥ R4 ∥ R5)
(R1 ∥ R2 ∥ R4 ∥ R5) + R4
+ V4
(R1 ∥ R2 ∥ R3 ∥ R5)
(R1 ∥ R2 ∥ R3 ∥ R5) + R4
𝑅𝑡ℎ = 𝑅1 ∥ 𝑅2 ∥ 𝑅3 ∥ 𝑅4 ∥ 𝑅5
Para el voltaje Thevenin se superposiciona cada voltaje aplicando divisor de voltaje a cada uno,
La resistencia Thevenin se la determina haciendo cero las fuentes.
Hay que tener en cuenta qué voltaje es mayor para poder aplicar superposición:
𝑉𝑖? ? →
𝑉𝑜 = 𝑉𝑖
𝑅2
𝑅1 + 𝑅2
→ 𝑉𝑖 = 𝑉𝑜
𝑅1 + 𝑅2
𝑅2
Los potenciales se pueden restar o sumar para facilitar la vista del flujo de la corriente:
Sumando 10V a cada punto de voltaje

Si piden voltaje en algún punto del circuito, debe volver a su estado original de voltaje, solo las
corrientes no cambian.
Ejemplo:
Determinar Vx, Vr, I resistor
𝑉𝑟 = (9 − 2)𝑉 = 7𝑉
Reduciendo:
𝑉𝑡ℎ1 = 9
0.5𝑘
0.5𝑘 + 12.7𝑘
+ 0 = 0.34𝑉
𝑅𝑡ℎ1 = 12.7𝑘 ∥ 0.5𝑘 = 481Ω
𝑉𝑡ℎ2 = 2
1𝑘
1𝑘 + 2𝑘
+ 7
2𝑘
1𝑘 + 2𝑘
= 5.33𝑉
𝑅𝑡ℎ2 = 2𝑘 ∥ 1𝑘 = 666.67Ω
𝑅′ 𝑡ℎ2 = 𝑅𝑡ℎ2 + 2.3𝑘 = 2.974𝑘Ω
Th 3:
𝑉𝑡ℎ3 = 0.34
2.974𝑘
2.974𝑘 + 481
+ 5.33
481
2.974𝑘 + 481
= 1.04𝑉
𝑅𝑡ℎ3 = 414.04Ω
𝑉𝑡ℎ3 = 𝑉𝑥 = 1.04𝑉 , 𝐼𝑟𝑒𝑠𝑖𝑠𝑡𝑜𝑟 =
(1.04−0)𝑉
0.5∗103Ω
= 2.08𝑚𝐴
Diodos:
Solo se estudiarán dos tipos de diodos, el rectificador y el zener.
Dispositivo formado por dos tipos de cristales, N y P tal que éstos son impurezas, es decir
combinación de silicio con metales u óxidos.
Existen de silicio y de germanio, las caídas de voltaje son aproximadas a 0.7 y 0.3 voltios
respectivamente con su resistencia.
Diodo rectificador:
Conduce corriente en una sola dirección siempre y cuando esté polarizado directamente
Diodo zener:
Conduce en 2 direcciones, como rectificador y como regulador de voltaje dependiendo de su
polarización o dirección de corriente.
Diodo zener
Cristales P y N
El ánodo (+) está en la parte izquierda, mientras que el cátodo (-) es el de la parte derecha.
Curva característica del diodo rectificador:
Polarización del rectificador
- polarización directa
Para un diodo de silicio el voltaje es 0.7 + la caída de
su resistencia interna, se coloca una resistencia de 200
ohm como Rl para no quemar al diodo.
La corriente va a conducir en la dirección esperada.
En la curva, nos encontramos en el primer cuadrante.
- polarización inversa
En este caso no hay corriente dado que esta polarizado
inversamente, el diodo se comporta como un interruptor,
aunque existe una pequeñísima corriente de fuga por el
orden de los pico-amperios o femto-amperios, éstas se
las conoce como corriente de saturación y se las
desprecian.
Nos encontramos en el 4to cuadrante pero no pasándose
de la zona de ruptura.
Curva característica del zener
El zener se comporta como diodo en polarización directa dependiendo de su estructura molecular
(silicio o germanio), pero en polarización inversa se comporta como un regulador de voltaje
Al polarizar inversamente al zener, se aprovecha la zona de ruptura o zona zener con la condición
de que el voltaje suministrado sea mayor que su voltaje de codo zener:
Ejemplo de zener de 5V
Modelo del diodo real:
𝐼𝑠 = 𝐼𝑠 (𝑒
𝐾∗𝑉 𝑑
𝑇 − 1)
Donde:
- 𝐼 𝑑 = 𝑐𝑜𝑟𝑟𝑖𝑒𝑛𝑡𝑒 𝑑𝑒𝑙 𝑑𝑖𝑜𝑑𝑜
- 𝐼𝑆 = 𝑐𝑜𝑟𝑟𝑖𝑒𝑛𝑡𝑒 𝑑𝑒 𝑠𝑎𝑡𝑢𝑟𝑎𝑐𝑖ó𝑛
- 𝑉𝑑 = 𝑣𝑜𝑙𝑡𝑎𝑗𝑒 𝑑𝑖𝑜𝑑𝑜
- 𝑇 = 𝑡𝑒𝑚𝑝𝑒𝑟𝑎𝑡𝑢𝑟𝑎 [𝐾]
- 𝐾 =
11600
𝜂
{
𝜂 = 1 𝑠𝑖 𝑒𝑙 𝑑𝑖𝑜𝑑𝑜 𝑒𝑠 𝑑𝑒 𝑔𝑒𝑟𝑚𝑎𝑛𝑖𝑜
𝜂 = 2 𝑠𝑖 𝑒𝑙 𝑑𝑖𝑜𝑑𝑜 𝑒𝑠 𝑑𝑒 𝑠𝑖𝑙𝑖𝑐𝑖𝑜
Recta de carga de un diodo real:
Determina el punto de operación del diodo, para ello se debe hallar un equivalente entre los
extremos (ánodo y cátodo) del diodo, dependiendo del material fabricado se procede a reemplazar
los valores en el modelo del diodo ideal, tales como la temperatura en kelvin, 𝜂 varía si el diodo
es de Si o Ge etc…
Reducción de circuito para punto de operación
Gráficas
𝑄: (𝑉𝐷𝑄, 𝐼 𝐷𝑄) , 𝑅 𝐷 =
26𝑚𝑉
𝐼 𝐷
El punto de operación se lo puede hallar con algún método numérico (newton-raphson) o
graficando y aproximando los valores intersectando la recta de carga (naranja) y la curva del diodo
(azul).
La resistencia del diodo se la obtiene derivando la ecuación característica para una temperatura
aproximada a 25°C.
Aproximaciones del diodo y del zener
Rectificador:
Sus curvas:
1) 2)
REGIÓN REGIÓN
OFF ON
3)
𝑅 =
1
𝑚
=
Δ𝑉
Δ𝐼
Para polarización directa, el rectificador y el zener funcionan de igual manera, el rectificador
tiene 2 estados, de encendido y apagado.
Para el zener en polarización inversa:
Se pondrá el 3er cuadrante en el 1er.
1) 2)
El zener tiene tres estados, como batería cuando el voltaje entre el cátodo y ánodo del zener es
mayor a su valor de zona de ruptura, OFF cuando esta entre el voltaje zener y diodo y ON cuando
se polariza directamente superando el voltaje de codo del rectificador
A veces se tiene una señal débil de corriente alterna, no afecta casi nada en la polarización de los
diodos, pueden darse ejemplos como el siguiente:
Para este tipo de problemas tenemos que hacer un análisis en corriente directa y otro en
corriente alterna, después superponer los voltajes de salida hallados, es decir, para el análisis de
corriente continua se debe verificar los estados de los diodos, si operan en región rectificador,
región zener o región de no conducción y capacitores como circuito abierto, para análisis AC se
debe hacer cero las fuentes de corriente directa, los capacitores se hacen corto y de calcula el
voltaje de salida en AC:
𝑉𝑜 = 𝑉𝑜𝐷𝐶 + 𝑉𝑜𝐴𝐶
Después graficar ese voltaje en función del tiempo.
--------------------------------------------------------------------------------------------------------------------
Función de transferencia
Para las funciones de transferencias, los voltajes alternos son mayores, es decir, 20, 50, 100Vac.
Para este tipo de análisis se deben resolver por semiperiodos positivos, cero, y semiperiodos
negativos, en cada tramo de análisis se debe verificar en qué estado se encuentra cada diodo,
después dejar un Vo en función de un Vi, como el siguiente ejemplo:
Vi=20Vp, asumir diodos ideales, bosquejar la función de transferencia, indique en cada intervalo
el estado de los semiconductores.
Desarrollo:
Se puede iniciar desde cero hasta los picos positivos, después negativos o viceversa, o partir de
los máximos, partiremos del máximo positivo, el voltaje de entrada puede ser una onda sinusoidal
o triangular.
𝑉𝑙𝑖𝑚 < 𝑉𝑖 < 20 :
Asumo que el rectificador está abierto, los zener están en corto debido a la corriente entra por
los ánodos, probemos:
Para un Vi=19V, entonces Vo=18V, Vkatodo=9V > Vanodo=5V, el rectificador no conducirá
(demostrado)
𝑉𝑜 = 𝑉𝑖 − 1
¿Hasta dónde es válida la función?
Nos podemos dar cuenta que el rectificador va a comenzar a conducir, entonces hasta que la
resistencia de 1k que se encuentra abajo, tenga un voltaje de 5V (dado que en la parte del cátodo
comenzará a reducir el valor de voltaje), podemos calcular una corriente la cual es 5mA,
entonces Vo es 10V, por diferencia de potencial tenemos.
𝑉𝑖 − 10 = 1 → 𝑉𝑖 = 11𝑉
Allí tenemos el límite inferior de la función
Entonces escribimos 𝑓1 ∶ 𝑉𝑜 = 𝑉𝑖 − 1 ; 11𝑉 < 𝑉𝑖 < 20𝑉
Como el diodo rectificador de abajo se cerró, entonces el equivalente sería
𝑉lim < 𝑉𝑖 < 11𝑉 :
Los dos zener como corto y el diodo como circuito abierto
Se realizan los cálculos
𝑉𝑜 = 𝑉𝑖 − 1
¿Hasta a dónde?
Por análisis de corriente:
(𝑉𝑜 − 5)/1𝑘 = 𝐼 > 0
𝑉𝑖 − 1 > 5
𝑉𝑖 > 6 𝑉
Ya tenemos el límite inferior, escribimos:
𝑓2: 𝑉𝑜 = 𝑉𝑖 − 1 ; 6 < 𝑉𝑖 < 11
Para el siguiente intervalo:
𝑉𝑙𝑖𝑚 < 𝑉𝑖 < 6 :
Los 2 zener están abiertos: el diodo cerrado
Se observa que 𝑉𝑜 = 5𝑉
¿Hasta dónde?
Si hacemos un límite hasta Vi=0 debemos verificar que aún sigue siendo Vo=5V
Se aprecia que en el zener de 10V no hay voltaje suficiente para que opere en zona zener, actúa
como switch, se pudo haber hecho una trayectoria para saber el voltaje en el zener de 10V.
𝑓3: 𝑉𝑜 = 5𝑉 ; 0 < 𝑉𝑖 < 6
Nos saltamos hacia el mínimo que es -20V
−20 < 𝑉𝑖 < 𝑉𝑙𝑖𝑚 :
Diodo esta en corto, los dos zener operan en la zona zener (como baterías):
Demostración:
Si Vi > -20 entonces, asumo los 2 zeners activados:
−5 + 1𝑘 ∗ 𝐼 + 4 − 1 + 10 − 20 = 0
𝐼 = 12𝑚𝐴 > 0
En la resistencia del zener de 4V:
𝐼1𝑘 =
4
1𝑘
= 4𝑚𝐴
Haciendo nodo en el zener de 4V
𝐼 = 𝐼𝑧 + 𝐼1𝑘 → 𝐼𝑧 = (12 − 4)𝑚𝐴 = 8𝑚𝐴 > 0‼
¡Zener de 4V funciona como batería! →
𝑉𝑖 + 10 − 1 + 4 − 𝑉𝑜 = 0
𝑉𝑜 = 𝑉𝑖 + 13
¿Hasta dónde?
Los dos zeners están como en serie, por lógica sería el de 10V el que se desactiva primero, pero
hay una resistencia en paralelo con el zener de 4V, si por esa resistencia pasara una corriente
inferior a 4 mA pues el zener de 4V tiende a ser un switch abierto y seguirá pasando corriente por
el zener de 10V entrando por cátodo, entonces tenemos:
Calculamos el Vi cuando en la resistencia solo pasen 4mA:
−𝑉𝑖 − 10 + 1 − 8 + 5 = 0
𝑉𝑖 = −12𝑉
𝑓4: 𝑉𝑖 + 13 ; −20 < 𝑉𝑖 < −12
Ahora nos queda este circuito:
Por divisor de voltaje:
𝑉𝑡ℎ = (𝑉𝑖 + 9) ∗
1𝑘
1𝑘 + 1𝑘
+ 5
1𝑘
1𝑘 + 1𝑘
=
𝑉𝑖 + 14
2
= 𝑉𝑜
Hasta que el zener de 10 se desactive:
(𝑉𝑜 − 5)/1𝑘 = 𝐼 < 0
𝑉𝑖 + 14 < 10
𝑉𝑖 < −4𝑉
𝑓5 ∶ 𝑉𝑜 =
𝑉 𝑖+14
2
; −12 < 𝑉𝑖 < −4
Siguiente función:
El circuito queda aislado del Vi, entonces solo va a tomar valores de 5V
𝑓6 ∶ 𝑉𝑜 = 5𝑉 ; −4 < 𝑉𝑖 < 0
𝑉𝑜 =
{
𝑉𝑖 − 1 ; 11𝑉 < 𝑉𝑖 < 20𝑉
𝑉𝑖 − 1 ; 6 < 𝑉𝑖 < 11
5𝑉 ; 0 < 𝑉𝑖 < 6
5𝑉 ; −4 < 𝑉𝑖 < 6
𝑉𝑖 + 14
2
; −12 < 𝑉𝑖 < −4
𝑉𝑖 + 13 ; −20 < 𝑉𝑖 < −12
Vo
Vi
Como recomendación evalúen los límites de cada función para ver si les sale continuo, las
funciones de transferencia son continuas, otra, para graficar solo deben evaluar los extremos de
la función, marcar los puntos y unir, es más rápido.
Fuentes no reguladas y reguladas con zener
En diagramas de bloque tenemos:
Primero analizaremos la etapa del transformador y rectificación. Hay varios tipos de
transformadores y de conexiones de diodos para rectificar el voltaje alterno.
Rectificador de ½ onda:
Vo
𝑎 =
𝑉1
𝑉2
=
𝑁1
𝑁2
𝑉1 = 120[𝑉]√2
𝑉2 =
𝑉1
𝑎
𝑉 𝑀𝐴𝑋 = 𝑉2 − 𝑉𝐷
𝑉𝑝𝑟𝑜𝑚 = 𝑉𝐷𝐶 = 𝑉 𝑀𝐴𝑋 ∗
1
𝑇
∫ 𝑓(𝜔𝑡)
𝑇
0
𝑑𝑡 =
𝑉 𝑀𝐴𝑋
𝜋
𝑓 = 60 [𝐻𝑧]
Voltaje de salida Vo
Rectificador de onda completa con transformador con tap central:
𝑉2 =
𝑉1 ∗ √2
𝑎
, 𝑠𝑒 𝑟𝑒𝑝𝑎𝑟𝑡𝑒 𝑝𝑜𝑟 𝑙𝑎 𝑚𝑖𝑡𝑎𝑑 𝑒𝑛 𝑐𝑎𝑑𝑎 𝑑𝑖𝑣𝑖𝑠𝑖ó𝑛 𝑝𝑜𝑟 𝑒𝑙 𝑡𝑎𝑝
𝑉 𝑀𝐴𝑋 =
𝑉2
2
− 𝑉𝐷
𝑉𝐷𝐶 =
2
𝜋
∗ 𝑉 𝑀𝐴𝑋
𝑓 = 120 [𝐻𝑧]
Rectificador de onda completa tipo puente o Graetz
𝑉2 =
𝑉1 ∗ √2
𝑎
𝑉 𝑀𝐴𝑋 = 𝑉2 − 2𝑉𝐷
𝑓 = 120 𝐻𝑧
Voltaje de salida
Rectificadores con filtros:
Formulario:
𝑉𝑟𝑚𝑠 =
(𝑉 𝑀𝐴𝑋 − 𝑉 𝑚𝑖𝑛)
2√3
, 𝑉𝐷𝐶 =
(𝑉 𝑀𝐴𝑋 + 𝑉 𝑚𝑖𝑛)
2
%𝑟 = (
𝑉𝑟𝑚𝑠
𝑉𝐷𝐶
) ∗ 100% =
1
√3
(
𝑉 𝑀𝐴𝑋 − 𝑉 𝑚𝑖𝑛
𝑉 𝑀𝐴𝑋 + 𝑉 𝑚𝑖𝑛
) ∗ 100%
𝑉 𝑚𝑖𝑛 = 𝑉𝑚𝑎𝑥 ∗ sin(𝜔𝑡1) → 𝜔𝑡1 = sin−1
(
𝑉 𝑚𝑖𝑛
𝑉𝑚𝑎𝑥
)
𝑉 𝑚𝑖𝑛 = 𝑉𝑚𝑎𝑥 ∗ 𝑒
−𝑡2
𝑅 𝑒𝑞∗𝐶
→ 𝐶 =
−𝑡2
𝑅 𝑒𝑞 ∗ ln (
𝑉 𝑚𝑖𝑛
𝑉𝑚𝑎𝑥
)
En el caso de media onda:
𝑇1 = 90° − 𝜔𝑡1
𝑇2 = 360° − 𝑇1
1
𝑓
→ 360°
𝑡2 → 𝑇2
𝑡2 =
𝑇2
360°
∗
1
𝑓
𝐶 =
−𝑡2
𝑅 𝑒𝑞 ∗ ln (
𝑉 𝑚𝑖𝑛
𝑉𝑚𝑎𝑥
)
En el caso de onda completa:
𝑇1 = 90° − 𝜔𝑡1
𝑇2 = 180° − 𝑇1
1
2𝑓
→ 180°
𝑡2 → 𝑇2
𝑡2 =
𝑇2
180°
∗
1
𝑓
𝐶 =
−𝑡2
𝑅 𝑒𝑞 ∗ ln (
𝑉 𝑚𝑖𝑛
𝑉𝑚𝑎𝑥
)
Regulación con zener:
Se coloca un zener para mantener un voltaje estable a la salida
Fuente construida con conexión Graetz y un zener
Modelo simplificado por un black box
Para los cálculos, debemos saber los datos de ciertos parámetros como el voltaje y corriente de
salida, potencia máxima y corriente mínima del zener.
Para la corriente máxima del zener: 𝐼 𝑀𝐴𝑋𝑍 =
𝑃 𝑀𝐴𝑋
𝑉𝑧𝑒𝑛𝑒𝑟
, si el zener es ideal, la corriente mínima es
cero.
La ecuación de nodo nos da:
𝐼𝑠 = 𝐼𝑧 + 𝐼𝐿 →
𝑉𝑛𝑟 − 𝑉𝑧
𝑅 𝑠
= 𝐼𝑧 + 𝐼𝑜
Despejando Rs:
𝑅 𝑠 =
𝑉𝑛𝑟 − 𝑉𝑧
𝐼𝑧 + 𝐼𝑜
= {
𝑉𝑛𝑟, 𝐼 𝑀𝐴𝑋𝑧 {
𝑅 𝑠1
𝑅 𝑠2
𝑉𝑛𝑟, 𝐼 𝑚𝑖𝑛𝑧 {
𝑅 𝑠3
𝑅 𝑠4
En base a los resultados, escogemos una resistencia entre Rs3 y Rs2, o calculándola.
El vatiaje de dicha resistencia se la calcula, si Rs2 es menor que Rs3, entonces no va a funcionar
el zener, se tienen que hacer nuevos cálculos, implicando cambios de datos como el voltaje de
rizado (%r):
𝑃𝑅𝑠 = 𝐼 𝐷𝐶
2
∗ 𝑅 𝑆 , 𝑡𝑎𝑙 𝑞𝑢𝑒 𝐼 𝐷𝐶 =
𝑉𝐷𝐶 − 𝑉𝑧
𝑅 𝑆
La corriente pico de los diodos (etapa rectificadora) es
𝐼 𝑃 =
𝑇
𝑇1
∗ 𝐼 𝐷𝐶
Voltaje pico de los diodos:
|𝑉𝐴𝐾| = 𝑉2 − 𝑉𝐷
Las salidas son las siguientes.
Para asegurarse que el zener trabaje, al corriente tiene que ir de cátodo a ánodo, el voltaje mínimo
debe ser mayor que el voltaje zener, no superar la corriente máxima en el zener ni tampoco estar
debajo de la mínima, es recomendable hacer trabajar al zener hasta un 80%.
Transistores bipolares (BJT)
Los transistores sirven para amplificar una pequeña señal de voltaje o controlar corriente.
Hay dos tipos de transistores BJT, NPN y PNP (son controlados por corriente).
PNP NPN
Curvas y zonas de trabajo
Parámetros que solo funcionan en la zona lineal (factores de amplificación):
α =
ΔIC
ΔIE
, β =
ΔIC
ΔIB
α =
𝛽
𝛽 + 1
𝐼 𝐸 = 𝐼 𝐵 + 𝐼 𝐶 , 𝐼 𝐸 = (𝛽 + 1)𝐼 𝐵 , 𝐼 𝐶 = 𝛽𝐼 𝐵
Para pasar algún parámetro del emisor a la base se multiplica (𝛽 + 1)
Para pasar algún parámetro de la base al emisor se divide para (𝛽 + 1)
Zonas de trabajo:
- Zona activa
Ejemplo 1
Para saber si se está en zona activa, se debe verificar el voltaje colector-emisor, para eso
podemos hacer aproximación y estimación o cálculos analíticos
Se empieza haciendo una malla desde el voltaje del colector hasta el emisor y terminar
en tierra para hallar una corriente de base:
−𝑉𝑐𝑐 + 𝑅 𝐵 𝐼 𝐵 + 𝑉𝐵𝐸 + 𝑅 𝐸 𝐼 𝐸 + 0 = 0
−9𝑉 + 50𝑘𝐼 𝐵 + 0.7𝑉 + 2.1𝑘𝐼 𝐸 + 0 = 0
−9𝑉 + 50𝑘𝐼 𝐵 + 0.7𝑉 + 2.1𝑘 ∗ (𝛽 + 1)𝐼 𝐵 = 0
𝐼 𝐵 =
(9 − 0.7) 𝑉
50𝑘 + 2.1𝑘 ∗ (𝛽 + 1)
= 31.7𝜇𝐴 → {
𝐼 𝐶 = 𝛽𝐼 𝐵 = 3.17𝑚𝐴
𝐼 𝐸 = (𝛽 + 1)𝐼 𝐵 = 3.2017𝑚𝐴
Haciendo otra malla (trayectoria) desde Vcc del colector hasta el final del emisor:
−𝑉𝑐𝑐 + 𝑅 𝑐 𝐼𝑐 + 𝑉𝐶𝐸 + 𝑅 𝐸 𝐼 𝐸 + 0 = 0
−9 + 110Ω𝐼𝑐 + 𝑉𝐶𝐸 + 2.1𝑘Ω𝐼 𝐸 + 0 = 0
𝑉𝐶𝐸 = 1.99𝑉 > 0𝑉
El voltaje entre el colector y el emisor es mayor a cero, entonces el transistor no está en
saturación, será mayor a cero si el transistor es ideal, si es real, entonces se considera que
sea mayor a 0.3V, en el simulado se muestran valores aproximados dado que toma en
cuenta los valores de resistencia interna.
Ejemplo 2:
Para este tipo de circuito se puede hacer una aproximación viendo la resistencia en el
emisor, reflejándola en la base, es decir 𝑅 𝐵
′
= (𝛽 + 1)𝑅 𝐸 , si la resistencia reflejada es
mayor a 10 veces la resistencia de la base, entonces consideramos la corriente de base
aproximada a cero 𝐼 𝐵 ≈ 0𝐴, en base a esto, el voltaje en la base del transistor es el voltaje
Vcc de la fuente o de un equivalente si es el caso de una conexión tipo H, conociendo el
voltaje de base podemos conocer el voltaje en el emisor haciendo una trayectoria (malla)
−9 + 𝐼 𝐵
⏞
≈0𝐴
∗ 10𝑘Ω + 0.7 + 𝑉𝐸 = 0
𝑉𝐸 = 8.3𝑉
Entonces podemos calcular la corriente de emisor:
𝐼 𝐸 =
8.3𝑉
30𝑘Ω
= 276.67𝜇𝐴
Entonces por la ecuación: 𝐼 𝐸 = 𝐼 𝐵
⏞
≈0
+ 𝐼 𝐶 → 𝐼 𝐸 ≅ 𝐼 𝐶
𝐼𝑐 ≅ 276.67 𝜇𝐴
Calculando el voltaje colector emisor:
−9 + 10Ω𝐼 𝐶 + 𝑉𝐶𝐸 + 30𝑘Ω ∗ 𝐼 𝐸 = 0
𝑉𝐶𝐸 = 0.697𝑉 > 0𝑉 → ¡ 𝑒𝑠𝑡á 𝑒𝑛 𝑧𝑜𝑛𝑎 𝑙𝑖𝑛𝑒𝑎𝑙!
Para cálculos analíticos:
𝐼 𝐵 = 2.7303𝜇𝐴 → {
𝐼 𝐶 = 273.0300𝜇𝐴
𝐼 𝐸 = 275.7603𝜇𝐴
𝑉𝐶𝐸 = 0.724𝑉 > 0 → ¡ 𝑒𝑠𝑡𝑎 𝑒𝑛 𝑧𝑜𝑛𝑎 𝑎𝑐𝑡𝑖𝑣𝑎!
Para fines prácticos se usa el método de aproximación.
La razón por la cual no sale igual que en el simulador es porque el transistor tiene resistencia
interna entre la base y el emisor, se la puede calcular derivando la ecuación del diodo, pero
solo se estudiará el transistor ideal.
- Zona de corte
La zona de corte tiene una aplicación, como interruptor, este tipo de zona aparece cuando
no hay corriente en la base (un voltaje que lo genere) o hay una corriente en contra de la
dirección de la flecha en donde apunta el emisor, ocasiona que el transistor no conduzca
corriente en ninguna de sus direcciones.
Como se puede apreciar, no hay corriente, se aprecian las corrientes de fuga y aquellas se
encuentras por el orden de los [𝑛𝐴] = 10−9
𝐴, no se las toma en cuenta para el transistor
ideal.
- Zona de saturación
La zona de saturación es cuando el transistor entrega sus corrientes máximas debido a
que la corriente de la base puede tomar valores altos (por el orden de los 𝑚𝐴), o a una
resistencia alta en el colector, la saturación de corriente en el transistor se la determina
por medio de su voltaje colector emisor en el caso de un NPN, al ser menor o igual a cero
voltios para el caso ideal, en el caso real es aproximado a 0.3 o menor.
𝛽 = 100
En este caso se aprecia una resistencia en la base baja y una resistencia en el colector
alta, al hacer los cálculos analíticos tenemos:
𝐼 𝐵 = 3.388𝑚𝐴 → {
𝐼 𝐶 = 338.800𝑚𝐴
𝐼 𝐸 = 342.188𝑚𝐴
Calculando el voltaje colector-emisor
𝑉𝐶𝐸 = −3379𝑉 < 0 → 𝑡𝑟𝑎𝑛𝑠𝑖𝑠𝑡𝑜𝑟 𝑠𝑎𝑡𝑢𝑟𝑎𝑑𝑜
Si deseamos cálculos con transistor ideal, reemplazamos por el siguiente circuito
equivalente:
Se calcula la corriente máxima en el colector:
𝐼 𝐶 𝑠𝑎𝑡 =
9 − 0.3
10𝑘
= 870 𝜇𝐴
Como los parámetro 𝛼 𝑦 𝛽 no funcionan, dado que se encuentra en una zona no lineal o
en la zona de saturación (ver las curvas de Ic vs Vce), se calculan las corrientes como si
fuera un circuito con elementos pasivos
𝐼 𝐵 𝑠𝑎𝑡 = 3.388𝑚𝐴
𝐼 𝐸 𝑠𝑎𝑡 = 𝐼 𝐶 𝑠𝑎𝑡 + 𝐼 𝐵 𝑠𝑎𝑡 = 4.258𝑚𝐴
𝑉𝐶𝐸 = 0.3𝑉
Si hubiéramos dicho que el transistor es ideal, entonces tenemos:
𝐼 𝐶 𝑠𝑎𝑡 =
9
10𝑘
= 900 𝜇𝐴
𝐼 𝐵 𝑠𝑎𝑡 = 3.388𝑚𝐴
𝐼 𝐸 𝑠𝑎𝑡 = 4.288𝑚𝐴 ≈ 4.29𝑚𝐴
𝑉𝐶𝐸 𝑠𝑎𝑡 = 0𝑉
Recta de carga
Para la recta de carga debemos de tener las curvas del transistor y los valores de resistores t
voltajes:
Para esto, pues solo nos queda trazar la recta de carga sobre las curvas, para obtener dicha recta,
se hace una malla desde el voltaje del colector pasando por el voltaje colector-emisor
−𝑉𝐶𝐶 + 𝑅 𝐶 𝐼 𝐶 + 𝑉𝐶𝐸 = 0
Entonces hacemos cero Ic y Vcc obteniendo dos datos:
𝐼 𝐶 = 0 ; 𝑉𝐶𝐸 = 𝑉𝐶𝐶
𝑉𝐶𝐶 = 0 ; 𝐼 𝐶 =
𝑉𝐶𝐶
𝑅 𝐶
Trazamos la recta uniendo los puntos o modelándola como 𝑦 = 𝑚𝑥 + 𝑏 para encontrar el punto
de operación Q para algún valor de corriente en la base.
El transistor funcionando como diodo:
Conexiones y polarización del transistor:
Fuentes reguladas transistorizadas:
Tipo:
- Serie a la carga
Análisis sin carga (quitando 𝑅 𝐿)
𝐼𝑆 = 𝐼 𝐵 + 𝐼 𝑍
𝐼 𝐵 = 0 , 𝑅 𝑆𝑚𝑖𝑛 =
𝑉 𝑀𝐴𝑋 − 𝑉𝑧
𝐼 𝑍𝑀𝐴𝑋
Análisis con carga
𝑅 𝑆𝑚𝑎𝑥 =
𝑉 𝑀𝐴𝑋 − 𝑉𝑧
𝐼 𝐵 + 𝐼 𝑍𝑚𝑖𝑛
𝑅 𝑆𝑚𝑖𝑛 < 𝑅 𝑆 < 𝑅 𝑆𝑚𝑎𝑥
Paralelo a la carga
Análisis sin carga:
𝐼𝑆 = 𝐼 𝑍 + 𝐼 𝐶 + 𝐼𝐿
𝐼𝐿 = 0 , 𝑅 𝑠𝑚𝑖𝑛 =
𝑉 𝑀𝐴𝑋 − (𝑉𝑍 + 𝑉𝐵𝐸)
𝐼 𝑍𝑀𝐴𝑋 + 𝐼 𝐶
Análisis con carga:
𝑅 𝑆𝑀𝐴𝑋 =
𝑉 𝑚𝑖𝑛 − (𝑉𝑍 + 𝑉𝐵𝐸)
𝐼 𝑍𝑚𝑖𝑛 + 𝐼 𝐶 + 𝐼𝐿
- Mixta variable
R1
R2
Asumir 𝐼 𝐵 ≈ 0
𝑉𝑜𝑚𝑎𝑥 =
𝑉𝐵𝐸 + 𝑉𝑍
𝑅2
(𝑅1 + 𝑅2 + 𝑅 𝑣𝑎𝑟)
𝑉𝑜𝑚𝑖𝑛 =
𝑉𝐵𝐸 + 𝑉𝑍
𝑅 𝑣𝑎𝑟 + 𝑅2
(𝑅1 + 𝑅2 + 𝑅 𝑣𝑎𝑟)
Potencia máxima
𝑃𝑄1 = 𝑉𝐶𝐸 ∗ 𝐼 𝐶
(𝑉𝐷𝐶 − 𝑉𝑜) ∗ 𝛼 ∗ (
𝑉𝑜
(𝑅1 + 𝑅2 + 𝑅 𝑣𝑎𝑟)
+
𝑉𝑜
𝑅 𝑜
)
𝑃𝑄1(𝑉𝑜) →
𝜕
𝜕𝑉𝑜
(𝑃𝑄1) = 0 → 𝑉𝑜′
𝑃𝑄1(𝑉𝑜
′) = 𝑃 𝑀𝐴𝑋𝑄1
- Darlington
Se coloca un Darlington para aumentar la corriente en el transistor que funciona como
regulador, mismo análisis en serie.
Amplificadores de pequeña señal y parámetros híbridos:
Amplifica una señal débil de voltaje variable a cierto factor de escala dependiendo del diseño,
tipo de conexión y etapas que tenga el amplificador de pequeña señal.
Se hace análisis en DC y en AC.
Emisor común:
ℎ 𝐹𝐸 = 𝛽 , ℎ𝑖𝐸 =
26𝑚𝑉
𝐼 𝐵(𝐷𝐶)
Base común:
ℎ 𝐹𝐵 = 𝛼 , ℎ𝑖𝑏 =
26𝑚𝑉
𝐼 𝐸
EJEMPLO 1:
Calcular las impedancias de entrada, de salida, de emisor y ganancia de voltaje
𝛽 = ℎ 𝐹𝐸
Análisis DC
𝐼 𝐵 =
(𝑉𝐶𝐶
𝑅 𝐵2
𝑅 𝐵1 + 𝑅 𝐵2
− 0.7)
(𝑅 𝐵1 ∥ 𝑅 𝐵2) + (𝛽 + 1)𝑅 𝐸
→ ℎ𝑖𝑒 =
26𝑚𝑉
𝐼 𝐵
Análisis en AC
Impedancia de entrada:
La resistencia del emisor hay que reflejarla a la base, entonces multiplicamos por (𝛽 + 1)
𝑍𝑖 = 𝑅 𝐵1 ∥ 𝑅 𝐵2 ∥ (ℎ𝑖𝑒 + (ℎ 𝐹𝐸 + 1)𝑅 𝐸)
Impedancia de salida:
Para 𝑣𝑖 = 0
𝑍 𝑜 = 𝑅 𝐶
Impedancia de emisor:
Para 𝑣𝑖 = 0
𝑍 𝐸 = 𝑅 𝐸 ∥
([𝑅 𝐵1 ∥ 𝑅 𝐵2] + ℎ𝑖𝑒)
ℎ 𝐹𝐸
Ganancia de voltaje:
𝐴 𝑣 =
𝑣 𝑜
𝑣𝑖
𝐴 𝑣 =
−ℎ 𝐹𝐸 𝑖 𝑏(𝑅 𝐶 ∥ 𝑅 𝐿)
𝑖 𝑏(ℎ𝑖𝑒 + (ℎ 𝐹𝐸 + 1)𝑅 𝐸)
𝐴 𝑣 = −
ℎ 𝐹𝐸(𝑅 𝐶 ∥ 𝑅 𝐿)
(ℎ𝑖𝑒 + (ℎ 𝐹𝐸 + 1)𝑅 𝐸)
EJEMPLO 2
Datos: 𝛽 = ℎ 𝐹𝐸 , 𝑣𝑖[𝜇𝑉]
Hallar las impedancias de entrada, de salida, de emisor, y ganancia de voltaje
Análisis DC
𝐼 𝐵 =
(𝑉𝐶𝐶
𝑅 𝐵2
𝑅 𝐵1 + 𝑅 𝐵2
− 0.7)
(𝑅 𝐵1 ∥ 𝑅 𝐵2) + (𝛽 + 1)𝑅 𝐸
→ ℎ𝑖𝑒 =
26𝑚𝑉
𝐼 𝐵
Análisis en AC
𝑧𝑖 = 𝑅 𝐵1 ∥ 𝑅 𝐵2 ∥ (ℎ𝑖𝑒 + (ℎ 𝐹𝐸 + 1)𝑅 𝐸)
𝑧 𝑜 = 𝑅 𝐶
𝑧 𝐸 = 𝑅 𝐸 ∥
([𝑅 𝑆 ∥ 𝑅 𝐵1 ∥ 𝑅 𝐵2] + ℎ𝑖𝑒)
ℎ 𝐹𝐸
Ganancias de voltaje
𝐴 𝑣 =
𝑣 𝑜
𝑣𝑖
𝑣 𝑥 = 𝑖 𝐵(ℎ𝑖𝑒 + (ℎ 𝐹𝐸 + 1)𝑅 𝐸)
𝑣 𝑥 = 𝑣𝑖 ∗
𝑧𝑖
𝑧𝑖 + 𝑅 𝑠
→ 𝑣𝑖 = 𝑣 𝑥
𝑧𝑖 + 𝑅 𝑠
𝑧𝑖
𝑣 𝑜 = −ℎ 𝐹𝐸 𝑖 𝑏 (𝑅 𝐶 ∥ 𝑅 𝐿)
𝐴 𝑣 =
−ℎ 𝐹𝐸 𝑖 𝐵 (𝑅 𝐶 ∥ 𝑅 𝐿)
𝑖 𝐵(ℎ𝑖𝑒 + (ℎ 𝐹𝐸 + 1)𝑅 𝐸)
𝑧𝑖 + 𝑅 𝑠
𝑧𝑖
𝐴 𝑣 = −
ℎ 𝐹𝐸(𝑅 𝐶 ∥ 𝑅 𝐿)
(ℎ𝑖𝑒 + (ℎ 𝐹𝐸 + 1)𝑅 𝐸)
[𝑅 𝐵1 ∥ 𝑅 𝐵2 ∥ (ℎ𝑖𝑒 + (ℎ 𝐹𝐸 + 1)𝑅 𝐸) + 𝑅 𝑠]
[𝑅 𝐵1 ∥ 𝑅 𝐵2 ∥ (ℎ𝑖𝑒 + (ℎ 𝐹𝐸 + 1)𝑅 𝐸)]
EJEMPLO 3:
Hallar las impedancias de entrada, de salida, de emisor, y ganancia de voltaje.
Haciendo análisis DC obtenemos la Ibase para calcular el parámetro hie.
Ahora solo nos queda calculas las impedancias y ganancia de voltaje.
Hay que aplicar el teorema de Miller:
1- Asumo 𝑍 𝑀𝑜 = 𝑅𝑓
2- Cálculo la ganancia de Miller 𝐴 𝑣𝑀
𝐴 𝑣𝑀 =
−ℎ 𝐹𝐸∗ 𝑖 𝐵(𝑍 𝑀𝑜 ∥ 𝑅 𝐶 ∥ 𝑅 𝐿)
𝑖 𝐵 ∗ (ℎ𝑖𝑒 + 𝑅 𝐸(𝛽 + 1))
|𝐴 𝑣𝑀| ≥ 10
3- Calculo las impedancias:
𝑍 𝑀𝑖 =
𝑅𝑓
1 − 𝐴 𝑣𝑀
, 𝑍 𝑀𝑜 =
𝑅𝑓
1 −
1
𝐴 𝑣𝑀
≈ 𝑅𝑓
𝑧𝑖 = 𝑍 𝑀𝑖 ∥ (ℎ𝑖𝑒 + (ℎ 𝐹𝐸 + 1)𝑅 𝐸)
𝑧 𝑜| 𝑣𝑖 = 0 = 𝑍 𝑀𝑜 ∥ 𝑅 𝐶 ∥ 𝑅 𝐿
4.- Calculo la ganancia de voltaje:
𝐴 𝑣 =
−ℎ 𝐹𝐸(𝑍 𝑀𝑜 ∥ 𝑅 𝐶 ∥ 𝑅 𝐿)
(ℎ𝑖𝑒 + 𝑅 𝐸(𝛽 + 1))
EJEMPLO 4
Hallar las impedancias de entrada, de salida, de emisor en Q1 y ganancia de voltaje.
BETA iguales para transistores de silicio
Análisis en DC
𝐼 𝐵1 =
𝑉𝐶𝐶
𝑅 𝐵2
𝑅 𝐵1 + 𝑅 𝐵2
− 0.7
([𝑅 𝐵1 ∥ 𝑅 𝐵2] + (𝑅 𝐸1 + 𝑅 𝐸2)(ℎ 𝐹𝐸 + 1))
→ ℎ𝑖𝑒1 =
26𝑚𝑉
𝐼 𝐵1
𝐼 𝐸2 = 𝐼 𝐵3 , − 𝑉𝐶𝐶 + 𝑅 𝐶2 𝐼 𝐸3 + 𝑅𝑓 𝐼 𝐵2 + 0.7 + 0.7 = 0
𝑉𝐶𝐶 − 𝑅 𝐶2(𝛽 + 1)2
𝐼 𝐵2 − 𝑅𝑓 𝐼 𝐵2 − 1.4 = 0
𝐼 𝐵2 =
𝑉𝐶𝐶 − 1.4
𝑅𝑓 + (𝛽 + 1)2 𝐼 𝐵2
→ ℎ𝑖𝑒2 =
26𝑚𝑉
𝐼 𝐵2
𝐼 𝐵3 = (𝛽 + 1)𝐼 𝐵2 → ℎ𝑖𝑒3 =
26𝑚𝑉
𝐼 𝐵3
Análisis en AC
Para la ganancia hay que aplicar Miller en la etapa 2
vi vx vy vo
Hallando la impedancia de Miller en la etapa 2:
𝐴 𝑣𝑀 =
𝑣 𝑜
𝑣 𝑦
𝑧 𝑀𝑜 = 𝑅𝑓 , 𝑖 𝐵3 = (ℎ 𝐹𝐸 + 1)𝑖 𝐵2 , 𝐴 𝑣𝑀 =
−ℎ 𝐹𝐸 𝑖 𝐵2(1 + (ℎ 𝐹𝐸 + 1))(𝑅𝑓 ∥ 𝑅 𝐶2 ∥ 𝑅 𝐿)
𝑖 𝐵2(ℎ𝑖𝑒2 + ℎ𝑖𝑒3(ℎ 𝐹𝐸 + 1))
𝑧 𝑀𝑖 =
𝑅𝑓
1 − 𝐴 𝑣𝑀
, 𝑧 𝑀𝑜 =
𝑅𝑓
1 −
1
𝐴 𝑣𝑀
𝑧𝑖 = (𝑅 𝐵1 ∥ 𝑅 𝐵2) ∥ (ℎ𝑖𝑒1 + (ℎ 𝐹𝐸 + 1)𝑅 𝐸1)
𝑧 𝑜 = 𝑍 𝑀𝑜 ∥ 𝑅 𝐶2 ∥ 𝑅 𝐿
𝑧 𝑒 = 𝑅 𝐸1 ∥ [
ℎ𝑖𝑒1 + (𝑅 𝑠 ∥ 𝑅 𝐵1 ∥ 𝑅 𝐵2)
(ℎ 𝐹𝐸 + 1)
]
Calculando una relación entre la etapa 1 y la 2:
𝑖 𝐵2 = (−ℎ 𝐹𝐸 ∗ 𝑖 𝐵1)
(𝑅 𝐶1 ∥ 𝑧 𝑀𝑖)
(𝑅 𝐶1 ∥ 𝑧 𝑀𝑖) + (ℎ𝑖𝑒2 + ℎ𝑖𝑒3(ℎ 𝐹𝐸 + 1))
Encontrando 𝑣𝑖
𝑣 𝑥 = 𝑣𝑖 ∗
𝑧𝑖
𝑧𝑖 + 𝑅 𝑠
→ 𝑣𝑖 = 𝑖 𝐵1(ℎ𝑖𝑒 + 𝑅 𝐸1(ℎ 𝐹𝐸 + 1))
𝑧𝑖 + 𝑅 𝑠
𝑧𝑖
Ganancia de voltaje:
𝐴 𝑣 =
𝑣 𝑜
𝑣𝑖
𝐴 𝑣 =
−ℎ 𝐹𝐸(−ℎ 𝐹𝐸 𝑖 𝐵1)
(𝑅 𝐶1 ∥ 𝑧 𝑀𝑖)
(𝑅 𝐶1 ∥ 𝑧 𝑀𝑖) + (ℎ𝑖𝑒2 + ℎ𝑖𝑒3(ℎ 𝐹𝐸 + 1))
(ℎ 𝐹𝐸 + 2)(𝑅𝑓 ∥ 𝑅 𝐶2 ∥ 𝑅 𝐿)
𝑖 𝐵1(ℎ𝑖𝑒 + 𝑅 𝐸1(ℎ 𝐹𝐸 + 1))
𝑧𝑖 + 𝑅 𝑠
𝑧𝑖
𝐴 𝑣 =
ℎ 𝐹𝐸
2 (𝑅 𝐶1 ∥ 𝑧 𝑀𝑖)
(𝑅 𝐶1 ∥ 𝑧 𝑀𝑖) + (ℎ𝑖𝑒2 + ℎ𝑖𝑒3(ℎ 𝐹𝐸 + 1))
(ℎ 𝐹𝐸 + 2)(𝑅𝑓 ∥ 𝑅 𝐶2 ∥ 𝑅 𝐿)
(ℎ𝑖𝑒 + 𝑅 𝐸1(ℎ 𝐹𝐸 + 1))
(𝑅 𝐵1 ∥ 𝑅 𝐵2) ∥ (ℎ𝑖𝑒1 + (ℎ 𝐹𝐸 + 1)𝑅 𝐸1) + 𝑅 𝑠
(𝑅 𝐵1 ∥ 𝑅 𝐵2) ∥ (ℎ𝑖𝑒1 + (ℎ 𝐹𝐸 + 1)𝑅 𝐸1)
EJEMPLO 5
Calcular impedancia de entrada, de salida, ganancia de voltaje y ganancia de corriente
Datos: 𝛽 , 𝑉𝐸𝐵 = 0.7𝑉
Como éste tiene base común, tenemos que hallar la corriente en el emisor
Análisis en DC
𝐼 𝐸 =
𝑉𝐶𝐶 − 0.7
𝑅 𝐸
ℎ𝑖𝐵 =
26𝑚𝑉
𝑅 𝐸
= 𝑟𝐸 , ℎ 𝐹𝐵 = 𝛼 =
𝛽
𝛽 + 1
Análisis en AC
𝑧𝑖 = 𝑅 𝐸 ∥ ℎ𝑖𝐵
𝑧 𝑜 = 𝑅 𝐶
𝐴 𝑉 =
ℎ 𝐹𝐵(𝑅 𝐶 ∥ 𝑅 𝐿)
ℎ𝑖𝐵
𝐴𝑖 =
𝑖 𝑜
𝑖𝑖
𝐴𝑖 =
ℎ 𝐹𝐵 𝑖 𝐸
𝑅 𝐶
𝑅 𝐶 + 𝑅 𝐿
𝑖 𝐸
(𝑅 𝐸 + ℎ𝑖𝐸)
𝑅 𝐸
𝐴𝑖 = ℎ 𝐹𝐵
𝑅 𝐶 𝑅 𝐸
(𝑅 𝐶 + 𝑅 𝐿)(𝑅 𝐸 + ℎ𝑖𝐸)
Si las ganancias de voltaje o corriente se sacan por partes, entonces se multiplican todas o hallando
una relación de corrientes entre las salidas y entradas de los amplificadores de pequeña señal:
𝐴 𝑣 =
𝑣 𝑜
𝑣 𝑥
𝑣 𝑥
𝑣 𝑦
𝑣 𝑦
𝑣𝑖
Amplificadores operacionales
Amplifica una o varias señales débiles acorde al diseño establecido o requerido
Características ideales:
- Alta impedancia de entrada (𝑍𝑖 → ∞)
- Baja impedancia de salida (𝑍 𝑜 = 0)
- Ganancia de amplificación infinita
Para que un Amplificador opere adecuadamente, el voltaje diferencial debe ser cero.
𝑉𝑑 = 𝑉+
− 𝑉−
= 0𝑉
A este se lo conoce como tierra virtual.
Se lo puede utilizar como un operador matemático
- Amplificador inversor:
Para obtener la expresión de Vo(Vi) se deben aplicar los siguientes criterios
𝑉𝑑 = 𝑉+
− 𝑉−
= 0𝑉
𝑉+
= 0 = 𝑉−
𝑉𝑖 − 0 = 𝑅𝑖 𝐼𝑖
0 − 𝑉𝑜 = 𝑅𝑓 𝐼 𝑜
𝐼𝑖 = 𝐼 𝑜 = 𝐼
𝑉𝑖
𝑅𝑖
= −
𝑉𝑓
𝑅 𝑜
𝑉𝑜 = − (
𝑅𝑓
𝑅𝑖
)
⏞
𝑔𝑎𝑖𝑛
𝑉𝑖
- Sumador inversor
𝑉𝑜 = −
𝑅𝑓
𝑅𝑖
(𝑣1 + 𝑣2 … + 𝑣𝑖) , 𝑅1 = 𝑅2 =. . . = 𝑅 𝑛 = 𝑅𝑖
- Amplificador no inversor
𝑣 𝑜 = 𝑣𝑖 (1 +
𝑅 𝑓
𝑅 𝑖
) , 𝑅1 = 𝑅𝑓 , 𝑅2 = 𝑅𝑖
- Sumador no inversor
𝑣 𝑜 = (
1
𝑛
)(1 +
𝑅𝑓
𝑅𝑖
) (𝑣1 + 𝑣2 + ⋯ + 𝑣 𝑛)
- Amplificador restador
𝑣 𝑜 =
𝑅𝑓
𝑅𝑖
(𝑣2 − 𝑣1)
- comparador de voltaje
𝑉+
> 𝑉−
→ 𝑉𝑜 = +𝑉𝐶𝐶
𝑉+
< 𝑉−
→ 𝑉𝑜 = −𝑉𝐶𝐶
𝑉+
= 𝑉−
→ 𝑉𝑜 = 0𝑉
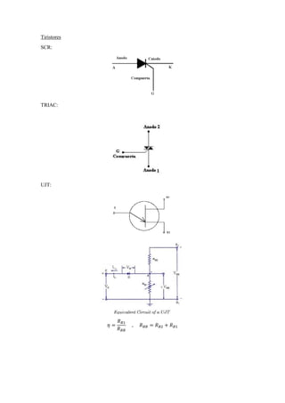
Tiristores
SCR:
TRIAC:
UJT:
𝜂 =
𝑅 𝐵1
𝑅 𝐵𝐵
, 𝑅 𝐵𝐵 = 𝑅 𝐵2 + 𝑅 𝐵1
Al ángulo de apagado lo llaman ángulo de disparo (𝛼) y al ángulo que da señal es el ángulo de
conducción (𝛽)
Tipos de carga
- carga exponencial
𝑡 = −𝑅𝐶 ln (
𝑉 𝐶𝐶−𝑉 𝐶𝑝
𝑉 𝐶𝐶−𝑉𝑣
)
𝑉𝐶𝑃 = 𝑉𝐷 + 𝑉𝑇𝐻
1
2𝑓
→ 180°
𝑡 𝐶 → 𝛼
𝛽 = 90° − 𝛼 , 𝑡 𝑑 =? . 𝑎𝑝𝑙𝑖𝑐𝑎𝑟 𝑟𝑒𝑔𝑙𝑎 𝑑𝑒 𝑡𝑟𝑒𝑠
- Carga lineal
𝑉𝐶 =
1
𝐶
∫ 𝐼 𝐶 𝑑𝑡
𝑡 = 𝐶
𝑉𝐶
𝐼 𝐶
1
2𝑓
→ 180°
𝑡 𝐶 → 𝛼
𝑉𝐶𝑝 = 𝑉𝐷 + 𝑉𝑡ℎ
𝑝𝑎𝑟𝑎 𝑞𝑢𝑒 𝑜𝑠𝑐𝑖𝑙𝑒 => 𝐼 𝑝 < 𝐼 𝐶 < 𝐼 𝑉
𝑡 𝑑 = (𝑅 𝐵1(𝑜𝑛) + 𝑅𝑖) ∗ 𝐶 ∗ ln (
𝑉𝑑𝑖𝑜𝑑𝑜 + 𝑉𝑝
𝑉𝑑𝑖𝑜𝑑𝑜 + 𝑉𝑣
)
𝑉𝑝𝑟𝑜𝑚 =
𝑉𝑝𝑖𝑐𝑜
𝑇
∫ 𝑓(𝜔𝑡) 𝑑(𝜔𝑡)
𝑇+𝛼
𝛼
𝑛𝑢𝑚𝑒𝑟𝑜 𝑑𝑒 𝑝𝑢𝑙𝑠𝑜𝑠:
(180°)
𝛼
− 1

Resumen de electronica_1

  • 1.
    Resumen de electrónica1 Vista de diferencias de potenciales como puntos potenciales referenciados: Solo es posible con una referencia, como la conexión a tierra u otro punto, la conexión a tierra son cero voltios. Diferencia de potencial: ∆𝑉 = 𝑉𝐴𝐵 = 𝑉𝐴 − 𝑉𝐵 = 𝐼 ∗ 𝑅 ≥ 0[𝑉] ∆𝑉 = 9[𝑉] = 𝑉𝐴𝐵 = 𝑉𝐴 − 𝑉𝐵 = (7[𝑉]) − (−2[𝑉]) = 𝐼 ∗ 𝑅 = 9[𝑚𝐴] ∗ 1[𝑘Ω] ≥ 0[𝑉]
  • 2.
    Superposición y Thevenin Parados resistencias se aplica divisor de voltaje. 𝑉𝑡ℎ = 𝑉1 𝑅2 𝑅1 + 𝑅2 + 𝑉2 𝑅1 𝑅1 + 𝑅2 = 𝑉𝑥 (𝑑𝑖𝑣𝑖𝑠𝑜𝑟 𝑑𝑒 𝑣𝑜𝑙𝑡𝑎𝑗𝑒) 𝑅𝑡ℎ = 𝑅1 ∥ 𝑅2 (𝑙𝑎𝑠 𝑓𝑢𝑒𝑛𝑡𝑒𝑠 𝑠𝑒 ℎ𝑎𝑐𝑒𝑛 𝑐𝑒𝑟𝑜) Para más resistencias: Vth = V1 (R2 ∥ R3 ∥ R4 ∥ R5) (R2 ∥ R3 ∥ R4 ∥ R5) + R1 + V2 (R1 ∥ R3 ∥ R4 ∥ R5) (R1 ∥ R3 ∥ R4 ∥ R5) + R2 + V3 (R1 ∥ R2 ∥ R4 ∥ R5) (R1 ∥ R2 ∥ R4 ∥ R5) + R4 + V4 (R1 ∥ R2 ∥ R3 ∥ R5) (R1 ∥ R2 ∥ R3 ∥ R5) + R4 𝑅𝑡ℎ = 𝑅1 ∥ 𝑅2 ∥ 𝑅3 ∥ 𝑅4 ∥ 𝑅5
  • 3.
    Para el voltajeThevenin se superposiciona cada voltaje aplicando divisor de voltaje a cada uno, La resistencia Thevenin se la determina haciendo cero las fuentes. Hay que tener en cuenta qué voltaje es mayor para poder aplicar superposición: 𝑉𝑖? ? → 𝑉𝑜 = 𝑉𝑖 𝑅2 𝑅1 + 𝑅2 → 𝑉𝑖 = 𝑉𝑜 𝑅1 + 𝑅2 𝑅2 Los potenciales se pueden restar o sumar para facilitar la vista del flujo de la corriente: Sumando 10V a cada punto de voltaje  Si piden voltaje en algún punto del circuito, debe volver a su estado original de voltaje, solo las corrientes no cambian.
  • 4.
    Ejemplo: Determinar Vx, Vr,I resistor 𝑉𝑟 = (9 − 2)𝑉 = 7𝑉 Reduciendo: 𝑉𝑡ℎ1 = 9 0.5𝑘 0.5𝑘 + 12.7𝑘 + 0 = 0.34𝑉 𝑅𝑡ℎ1 = 12.7𝑘 ∥ 0.5𝑘 = 481Ω 𝑉𝑡ℎ2 = 2 1𝑘 1𝑘 + 2𝑘 + 7 2𝑘 1𝑘 + 2𝑘 = 5.33𝑉 𝑅𝑡ℎ2 = 2𝑘 ∥ 1𝑘 = 666.67Ω 𝑅′ 𝑡ℎ2 = 𝑅𝑡ℎ2 + 2.3𝑘 = 2.974𝑘Ω Th 3: 𝑉𝑡ℎ3 = 0.34 2.974𝑘 2.974𝑘 + 481 + 5.33 481 2.974𝑘 + 481 = 1.04𝑉 𝑅𝑡ℎ3 = 414.04Ω 𝑉𝑡ℎ3 = 𝑉𝑥 = 1.04𝑉 , 𝐼𝑟𝑒𝑠𝑖𝑠𝑡𝑜𝑟 = (1.04−0)𝑉 0.5∗103Ω = 2.08𝑚𝐴
  • 5.
    Diodos: Solo se estudiarándos tipos de diodos, el rectificador y el zener. Dispositivo formado por dos tipos de cristales, N y P tal que éstos son impurezas, es decir combinación de silicio con metales u óxidos. Existen de silicio y de germanio, las caídas de voltaje son aproximadas a 0.7 y 0.3 voltios respectivamente con su resistencia. Diodo rectificador: Conduce corriente en una sola dirección siempre y cuando esté polarizado directamente Diodo zener: Conduce en 2 direcciones, como rectificador y como regulador de voltaje dependiendo de su polarización o dirección de corriente. Diodo zener Cristales P y N El ánodo (+) está en la parte izquierda, mientras que el cátodo (-) es el de la parte derecha.
  • 6.
    Curva característica deldiodo rectificador: Polarización del rectificador - polarización directa Para un diodo de silicio el voltaje es 0.7 + la caída de su resistencia interna, se coloca una resistencia de 200 ohm como Rl para no quemar al diodo. La corriente va a conducir en la dirección esperada. En la curva, nos encontramos en el primer cuadrante. - polarización inversa En este caso no hay corriente dado que esta polarizado inversamente, el diodo se comporta como un interruptor, aunque existe una pequeñísima corriente de fuga por el orden de los pico-amperios o femto-amperios, éstas se las conoce como corriente de saturación y se las desprecian. Nos encontramos en el 4to cuadrante pero no pasándose de la zona de ruptura.
  • 7.
    Curva característica delzener El zener se comporta como diodo en polarización directa dependiendo de su estructura molecular (silicio o germanio), pero en polarización inversa se comporta como un regulador de voltaje Al polarizar inversamente al zener, se aprovecha la zona de ruptura o zona zener con la condición de que el voltaje suministrado sea mayor que su voltaje de codo zener: Ejemplo de zener de 5V Modelo del diodo real: 𝐼𝑠 = 𝐼𝑠 (𝑒 𝐾∗𝑉 𝑑 𝑇 − 1) Donde: - 𝐼 𝑑 = 𝑐𝑜𝑟𝑟𝑖𝑒𝑛𝑡𝑒 𝑑𝑒𝑙 𝑑𝑖𝑜𝑑𝑜 - 𝐼𝑆 = 𝑐𝑜𝑟𝑟𝑖𝑒𝑛𝑡𝑒 𝑑𝑒 𝑠𝑎𝑡𝑢𝑟𝑎𝑐𝑖ó𝑛 - 𝑉𝑑 = 𝑣𝑜𝑙𝑡𝑎𝑗𝑒 𝑑𝑖𝑜𝑑𝑜 - 𝑇 = 𝑡𝑒𝑚𝑝𝑒𝑟𝑎𝑡𝑢𝑟𝑎 [𝐾] - 𝐾 = 11600 𝜂 { 𝜂 = 1 𝑠𝑖 𝑒𝑙 𝑑𝑖𝑜𝑑𝑜 𝑒𝑠 𝑑𝑒 𝑔𝑒𝑟𝑚𝑎𝑛𝑖𝑜 𝜂 = 2 𝑠𝑖 𝑒𝑙 𝑑𝑖𝑜𝑑𝑜 𝑒𝑠 𝑑𝑒 𝑠𝑖𝑙𝑖𝑐𝑖𝑜
  • 8.
    Recta de cargade un diodo real: Determina el punto de operación del diodo, para ello se debe hallar un equivalente entre los extremos (ánodo y cátodo) del diodo, dependiendo del material fabricado se procede a reemplazar los valores en el modelo del diodo ideal, tales como la temperatura en kelvin, 𝜂 varía si el diodo es de Si o Ge etc… Reducción de circuito para punto de operación Gráficas 𝑄: (𝑉𝐷𝑄, 𝐼 𝐷𝑄) , 𝑅 𝐷 = 26𝑚𝑉 𝐼 𝐷 El punto de operación se lo puede hallar con algún método numérico (newton-raphson) o graficando y aproximando los valores intersectando la recta de carga (naranja) y la curva del diodo (azul). La resistencia del diodo se la obtiene derivando la ecuación característica para una temperatura aproximada a 25°C.
  • 9.
    Aproximaciones del diodoy del zener Rectificador: Sus curvas: 1) 2) REGIÓN REGIÓN OFF ON 3) 𝑅 = 1 𝑚 = Δ𝑉 Δ𝐼 Para polarización directa, el rectificador y el zener funcionan de igual manera, el rectificador tiene 2 estados, de encendido y apagado.
  • 10.
    Para el zeneren polarización inversa: Se pondrá el 3er cuadrante en el 1er. 1) 2) El zener tiene tres estados, como batería cuando el voltaje entre el cátodo y ánodo del zener es mayor a su valor de zona de ruptura, OFF cuando esta entre el voltaje zener y diodo y ON cuando se polariza directamente superando el voltaje de codo del rectificador
  • 11.
    A veces setiene una señal débil de corriente alterna, no afecta casi nada en la polarización de los diodos, pueden darse ejemplos como el siguiente: Para este tipo de problemas tenemos que hacer un análisis en corriente directa y otro en corriente alterna, después superponer los voltajes de salida hallados, es decir, para el análisis de corriente continua se debe verificar los estados de los diodos, si operan en región rectificador, región zener o región de no conducción y capacitores como circuito abierto, para análisis AC se debe hacer cero las fuentes de corriente directa, los capacitores se hacen corto y de calcula el voltaje de salida en AC: 𝑉𝑜 = 𝑉𝑜𝐷𝐶 + 𝑉𝑜𝐴𝐶 Después graficar ese voltaje en función del tiempo. -------------------------------------------------------------------------------------------------------------------- Función de transferencia Para las funciones de transferencias, los voltajes alternos son mayores, es decir, 20, 50, 100Vac. Para este tipo de análisis se deben resolver por semiperiodos positivos, cero, y semiperiodos negativos, en cada tramo de análisis se debe verificar en qué estado se encuentra cada diodo, después dejar un Vo en función de un Vi, como el siguiente ejemplo: Vi=20Vp, asumir diodos ideales, bosquejar la función de transferencia, indique en cada intervalo el estado de los semiconductores. Desarrollo: Se puede iniciar desde cero hasta los picos positivos, después negativos o viceversa, o partir de los máximos, partiremos del máximo positivo, el voltaje de entrada puede ser una onda sinusoidal o triangular.
  • 12.
    𝑉𝑙𝑖𝑚 < 𝑉𝑖< 20 : Asumo que el rectificador está abierto, los zener están en corto debido a la corriente entra por los ánodos, probemos: Para un Vi=19V, entonces Vo=18V, Vkatodo=9V > Vanodo=5V, el rectificador no conducirá (demostrado) 𝑉𝑜 = 𝑉𝑖 − 1 ¿Hasta dónde es válida la función? Nos podemos dar cuenta que el rectificador va a comenzar a conducir, entonces hasta que la resistencia de 1k que se encuentra abajo, tenga un voltaje de 5V (dado que en la parte del cátodo comenzará a reducir el valor de voltaje), podemos calcular una corriente la cual es 5mA, entonces Vo es 10V, por diferencia de potencial tenemos. 𝑉𝑖 − 10 = 1 → 𝑉𝑖 = 11𝑉 Allí tenemos el límite inferior de la función Entonces escribimos 𝑓1 ∶ 𝑉𝑜 = 𝑉𝑖 − 1 ; 11𝑉 < 𝑉𝑖 < 20𝑉 Como el diodo rectificador de abajo se cerró, entonces el equivalente sería 𝑉lim < 𝑉𝑖 < 11𝑉 : Los dos zener como corto y el diodo como circuito abierto
  • 13.
    Se realizan loscálculos 𝑉𝑜 = 𝑉𝑖 − 1 ¿Hasta a dónde? Por análisis de corriente: (𝑉𝑜 − 5)/1𝑘 = 𝐼 > 0 𝑉𝑖 − 1 > 5 𝑉𝑖 > 6 𝑉 Ya tenemos el límite inferior, escribimos: 𝑓2: 𝑉𝑜 = 𝑉𝑖 − 1 ; 6 < 𝑉𝑖 < 11 Para el siguiente intervalo: 𝑉𝑙𝑖𝑚 < 𝑉𝑖 < 6 : Los 2 zener están abiertos: el diodo cerrado Se observa que 𝑉𝑜 = 5𝑉 ¿Hasta dónde? Si hacemos un límite hasta Vi=0 debemos verificar que aún sigue siendo Vo=5V Se aprecia que en el zener de 10V no hay voltaje suficiente para que opere en zona zener, actúa como switch, se pudo haber hecho una trayectoria para saber el voltaje en el zener de 10V.
  • 14.
    𝑓3: 𝑉𝑜 =5𝑉 ; 0 < 𝑉𝑖 < 6 Nos saltamos hacia el mínimo que es -20V −20 < 𝑉𝑖 < 𝑉𝑙𝑖𝑚 : Diodo esta en corto, los dos zener operan en la zona zener (como baterías): Demostración: Si Vi > -20 entonces, asumo los 2 zeners activados: −5 + 1𝑘 ∗ 𝐼 + 4 − 1 + 10 − 20 = 0 𝐼 = 12𝑚𝐴 > 0 En la resistencia del zener de 4V: 𝐼1𝑘 = 4 1𝑘 = 4𝑚𝐴 Haciendo nodo en el zener de 4V 𝐼 = 𝐼𝑧 + 𝐼1𝑘 → 𝐼𝑧 = (12 − 4)𝑚𝐴 = 8𝑚𝐴 > 0‼ ¡Zener de 4V funciona como batería! → 𝑉𝑖 + 10 − 1 + 4 − 𝑉𝑜 = 0 𝑉𝑜 = 𝑉𝑖 + 13 ¿Hasta dónde? Los dos zeners están como en serie, por lógica sería el de 10V el que se desactiva primero, pero hay una resistencia en paralelo con el zener de 4V, si por esa resistencia pasara una corriente inferior a 4 mA pues el zener de 4V tiende a ser un switch abierto y seguirá pasando corriente por el zener de 10V entrando por cátodo, entonces tenemos:
  • 15.
    Calculamos el Vicuando en la resistencia solo pasen 4mA: −𝑉𝑖 − 10 + 1 − 8 + 5 = 0 𝑉𝑖 = −12𝑉 𝑓4: 𝑉𝑖 + 13 ; −20 < 𝑉𝑖 < −12 Ahora nos queda este circuito: Por divisor de voltaje: 𝑉𝑡ℎ = (𝑉𝑖 + 9) ∗ 1𝑘 1𝑘 + 1𝑘 + 5 1𝑘 1𝑘 + 1𝑘 = 𝑉𝑖 + 14 2 = 𝑉𝑜 Hasta que el zener de 10 se desactive: (𝑉𝑜 − 5)/1𝑘 = 𝐼 < 0 𝑉𝑖 + 14 < 10 𝑉𝑖 < −4𝑉 𝑓5 ∶ 𝑉𝑜 = 𝑉 𝑖+14 2 ; −12 < 𝑉𝑖 < −4 Siguiente función:
  • 16.
    El circuito quedaaislado del Vi, entonces solo va a tomar valores de 5V 𝑓6 ∶ 𝑉𝑜 = 5𝑉 ; −4 < 𝑉𝑖 < 0 𝑉𝑜 = { 𝑉𝑖 − 1 ; 11𝑉 < 𝑉𝑖 < 20𝑉 𝑉𝑖 − 1 ; 6 < 𝑉𝑖 < 11 5𝑉 ; 0 < 𝑉𝑖 < 6 5𝑉 ; −4 < 𝑉𝑖 < 6 𝑉𝑖 + 14 2 ; −12 < 𝑉𝑖 < −4 𝑉𝑖 + 13 ; −20 < 𝑉𝑖 < −12 Vo Vi Como recomendación evalúen los límites de cada función para ver si les sale continuo, las funciones de transferencia son continuas, otra, para graficar solo deben evaluar los extremos de la función, marcar los puntos y unir, es más rápido.
  • 17.
    Fuentes no reguladasy reguladas con zener En diagramas de bloque tenemos: Primero analizaremos la etapa del transformador y rectificación. Hay varios tipos de transformadores y de conexiones de diodos para rectificar el voltaje alterno. Rectificador de ½ onda: Vo 𝑎 = 𝑉1 𝑉2 = 𝑁1 𝑁2 𝑉1 = 120[𝑉]√2 𝑉2 = 𝑉1 𝑎 𝑉 𝑀𝐴𝑋 = 𝑉2 − 𝑉𝐷 𝑉𝑝𝑟𝑜𝑚 = 𝑉𝐷𝐶 = 𝑉 𝑀𝐴𝑋 ∗ 1 𝑇 ∫ 𝑓(𝜔𝑡) 𝑇 0 𝑑𝑡 = 𝑉 𝑀𝐴𝑋 𝜋 𝑓 = 60 [𝐻𝑧]
  • 18.
    Voltaje de salidaVo Rectificador de onda completa con transformador con tap central: 𝑉2 = 𝑉1 ∗ √2 𝑎 , 𝑠𝑒 𝑟𝑒𝑝𝑎𝑟𝑡𝑒 𝑝𝑜𝑟 𝑙𝑎 𝑚𝑖𝑡𝑎𝑑 𝑒𝑛 𝑐𝑎𝑑𝑎 𝑑𝑖𝑣𝑖𝑠𝑖ó𝑛 𝑝𝑜𝑟 𝑒𝑙 𝑡𝑎𝑝 𝑉 𝑀𝐴𝑋 = 𝑉2 2 − 𝑉𝐷 𝑉𝐷𝐶 = 2 𝜋 ∗ 𝑉 𝑀𝐴𝑋 𝑓 = 120 [𝐻𝑧] Rectificador de onda completa tipo puente o Graetz 𝑉2 = 𝑉1 ∗ √2 𝑎 𝑉 𝑀𝐴𝑋 = 𝑉2 − 2𝑉𝐷 𝑓 = 120 𝐻𝑧
  • 19.
    Voltaje de salida Rectificadorescon filtros: Formulario: 𝑉𝑟𝑚𝑠 = (𝑉 𝑀𝐴𝑋 − 𝑉 𝑚𝑖𝑛) 2√3 , 𝑉𝐷𝐶 = (𝑉 𝑀𝐴𝑋 + 𝑉 𝑚𝑖𝑛) 2 %𝑟 = ( 𝑉𝑟𝑚𝑠 𝑉𝐷𝐶 ) ∗ 100% = 1 √3 ( 𝑉 𝑀𝐴𝑋 − 𝑉 𝑚𝑖𝑛 𝑉 𝑀𝐴𝑋 + 𝑉 𝑚𝑖𝑛 ) ∗ 100% 𝑉 𝑚𝑖𝑛 = 𝑉𝑚𝑎𝑥 ∗ sin(𝜔𝑡1) → 𝜔𝑡1 = sin−1 ( 𝑉 𝑚𝑖𝑛 𝑉𝑚𝑎𝑥 ) 𝑉 𝑚𝑖𝑛 = 𝑉𝑚𝑎𝑥 ∗ 𝑒 −𝑡2 𝑅 𝑒𝑞∗𝐶 → 𝐶 = −𝑡2 𝑅 𝑒𝑞 ∗ ln ( 𝑉 𝑚𝑖𝑛 𝑉𝑚𝑎𝑥 ) En el caso de media onda: 𝑇1 = 90° − 𝜔𝑡1 𝑇2 = 360° − 𝑇1
  • 20.
    1 𝑓 → 360° 𝑡2 →𝑇2 𝑡2 = 𝑇2 360° ∗ 1 𝑓 𝐶 = −𝑡2 𝑅 𝑒𝑞 ∗ ln ( 𝑉 𝑚𝑖𝑛 𝑉𝑚𝑎𝑥 ) En el caso de onda completa: 𝑇1 = 90° − 𝜔𝑡1 𝑇2 = 180° − 𝑇1 1 2𝑓 → 180° 𝑡2 → 𝑇2 𝑡2 = 𝑇2 180° ∗ 1 𝑓 𝐶 = −𝑡2 𝑅 𝑒𝑞 ∗ ln ( 𝑉 𝑚𝑖𝑛 𝑉𝑚𝑎𝑥 ) Regulación con zener: Se coloca un zener para mantener un voltaje estable a la salida Fuente construida con conexión Graetz y un zener
  • 21.
    Modelo simplificado porun black box Para los cálculos, debemos saber los datos de ciertos parámetros como el voltaje y corriente de salida, potencia máxima y corriente mínima del zener. Para la corriente máxima del zener: 𝐼 𝑀𝐴𝑋𝑍 = 𝑃 𝑀𝐴𝑋 𝑉𝑧𝑒𝑛𝑒𝑟 , si el zener es ideal, la corriente mínima es cero. La ecuación de nodo nos da: 𝐼𝑠 = 𝐼𝑧 + 𝐼𝐿 → 𝑉𝑛𝑟 − 𝑉𝑧 𝑅 𝑠 = 𝐼𝑧 + 𝐼𝑜 Despejando Rs: 𝑅 𝑠 = 𝑉𝑛𝑟 − 𝑉𝑧 𝐼𝑧 + 𝐼𝑜 = { 𝑉𝑛𝑟, 𝐼 𝑀𝐴𝑋𝑧 { 𝑅 𝑠1 𝑅 𝑠2 𝑉𝑛𝑟, 𝐼 𝑚𝑖𝑛𝑧 { 𝑅 𝑠3 𝑅 𝑠4 En base a los resultados, escogemos una resistencia entre Rs3 y Rs2, o calculándola. El vatiaje de dicha resistencia se la calcula, si Rs2 es menor que Rs3, entonces no va a funcionar el zener, se tienen que hacer nuevos cálculos, implicando cambios de datos como el voltaje de rizado (%r): 𝑃𝑅𝑠 = 𝐼 𝐷𝐶 2 ∗ 𝑅 𝑆 , 𝑡𝑎𝑙 𝑞𝑢𝑒 𝐼 𝐷𝐶 = 𝑉𝐷𝐶 − 𝑉𝑧 𝑅 𝑆 La corriente pico de los diodos (etapa rectificadora) es 𝐼 𝑃 = 𝑇 𝑇1 ∗ 𝐼 𝐷𝐶
  • 22.
    Voltaje pico delos diodos: |𝑉𝐴𝐾| = 𝑉2 − 𝑉𝐷 Las salidas son las siguientes. Para asegurarse que el zener trabaje, al corriente tiene que ir de cátodo a ánodo, el voltaje mínimo debe ser mayor que el voltaje zener, no superar la corriente máxima en el zener ni tampoco estar debajo de la mínima, es recomendable hacer trabajar al zener hasta un 80%.
  • 23.
    Transistores bipolares (BJT) Lostransistores sirven para amplificar una pequeña señal de voltaje o controlar corriente. Hay dos tipos de transistores BJT, NPN y PNP (son controlados por corriente). PNP NPN Curvas y zonas de trabajo Parámetros que solo funcionan en la zona lineal (factores de amplificación): α = ΔIC ΔIE , β = ΔIC ΔIB
  • 24.
    α = 𝛽 𝛽 +1 𝐼 𝐸 = 𝐼 𝐵 + 𝐼 𝐶 , 𝐼 𝐸 = (𝛽 + 1)𝐼 𝐵 , 𝐼 𝐶 = 𝛽𝐼 𝐵 Para pasar algún parámetro del emisor a la base se multiplica (𝛽 + 1) Para pasar algún parámetro de la base al emisor se divide para (𝛽 + 1) Zonas de trabajo: - Zona activa Ejemplo 1 Para saber si se está en zona activa, se debe verificar el voltaje colector-emisor, para eso podemos hacer aproximación y estimación o cálculos analíticos Se empieza haciendo una malla desde el voltaje del colector hasta el emisor y terminar en tierra para hallar una corriente de base: −𝑉𝑐𝑐 + 𝑅 𝐵 𝐼 𝐵 + 𝑉𝐵𝐸 + 𝑅 𝐸 𝐼 𝐸 + 0 = 0 −9𝑉 + 50𝑘𝐼 𝐵 + 0.7𝑉 + 2.1𝑘𝐼 𝐸 + 0 = 0 −9𝑉 + 50𝑘𝐼 𝐵 + 0.7𝑉 + 2.1𝑘 ∗ (𝛽 + 1)𝐼 𝐵 = 0 𝐼 𝐵 = (9 − 0.7) 𝑉 50𝑘 + 2.1𝑘 ∗ (𝛽 + 1) = 31.7𝜇𝐴 → { 𝐼 𝐶 = 𝛽𝐼 𝐵 = 3.17𝑚𝐴 𝐼 𝐸 = (𝛽 + 1)𝐼 𝐵 = 3.2017𝑚𝐴 Haciendo otra malla (trayectoria) desde Vcc del colector hasta el final del emisor: −𝑉𝑐𝑐 + 𝑅 𝑐 𝐼𝑐 + 𝑉𝐶𝐸 + 𝑅 𝐸 𝐼 𝐸 + 0 = 0 −9 + 110Ω𝐼𝑐 + 𝑉𝐶𝐸 + 2.1𝑘Ω𝐼 𝐸 + 0 = 0 𝑉𝐶𝐸 = 1.99𝑉 > 0𝑉 El voltaje entre el colector y el emisor es mayor a cero, entonces el transistor no está en saturación, será mayor a cero si el transistor es ideal, si es real, entonces se considera que sea mayor a 0.3V, en el simulado se muestran valores aproximados dado que toma en cuenta los valores de resistencia interna.
  • 25.
    Ejemplo 2: Para estetipo de circuito se puede hacer una aproximación viendo la resistencia en el emisor, reflejándola en la base, es decir 𝑅 𝐵 ′ = (𝛽 + 1)𝑅 𝐸 , si la resistencia reflejada es mayor a 10 veces la resistencia de la base, entonces consideramos la corriente de base aproximada a cero 𝐼 𝐵 ≈ 0𝐴, en base a esto, el voltaje en la base del transistor es el voltaje Vcc de la fuente o de un equivalente si es el caso de una conexión tipo H, conociendo el voltaje de base podemos conocer el voltaje en el emisor haciendo una trayectoria (malla) −9 + 𝐼 𝐵 ⏞ ≈0𝐴 ∗ 10𝑘Ω + 0.7 + 𝑉𝐸 = 0 𝑉𝐸 = 8.3𝑉 Entonces podemos calcular la corriente de emisor: 𝐼 𝐸 = 8.3𝑉 30𝑘Ω = 276.67𝜇𝐴 Entonces por la ecuación: 𝐼 𝐸 = 𝐼 𝐵 ⏞ ≈0 + 𝐼 𝐶 → 𝐼 𝐸 ≅ 𝐼 𝐶 𝐼𝑐 ≅ 276.67 𝜇𝐴 Calculando el voltaje colector emisor: −9 + 10Ω𝐼 𝐶 + 𝑉𝐶𝐸 + 30𝑘Ω ∗ 𝐼 𝐸 = 0 𝑉𝐶𝐸 = 0.697𝑉 > 0𝑉 → ¡ 𝑒𝑠𝑡á 𝑒𝑛 𝑧𝑜𝑛𝑎 𝑙𝑖𝑛𝑒𝑎𝑙! Para cálculos analíticos: 𝐼 𝐵 = 2.7303𝜇𝐴 → { 𝐼 𝐶 = 273.0300𝜇𝐴 𝐼 𝐸 = 275.7603𝜇𝐴 𝑉𝐶𝐸 = 0.724𝑉 > 0 → ¡ 𝑒𝑠𝑡𝑎 𝑒𝑛 𝑧𝑜𝑛𝑎 𝑎𝑐𝑡𝑖𝑣𝑎! Para fines prácticos se usa el método de aproximación. La razón por la cual no sale igual que en el simulador es porque el transistor tiene resistencia interna entre la base y el emisor, se la puede calcular derivando la ecuación del diodo, pero solo se estudiará el transistor ideal.
  • 26.
    - Zona decorte La zona de corte tiene una aplicación, como interruptor, este tipo de zona aparece cuando no hay corriente en la base (un voltaje que lo genere) o hay una corriente en contra de la dirección de la flecha en donde apunta el emisor, ocasiona que el transistor no conduzca corriente en ninguna de sus direcciones. Como se puede apreciar, no hay corriente, se aprecian las corrientes de fuga y aquellas se encuentras por el orden de los [𝑛𝐴] = 10−9 𝐴, no se las toma en cuenta para el transistor ideal. - Zona de saturación La zona de saturación es cuando el transistor entrega sus corrientes máximas debido a que la corriente de la base puede tomar valores altos (por el orden de los 𝑚𝐴), o a una resistencia alta en el colector, la saturación de corriente en el transistor se la determina por medio de su voltaje colector emisor en el caso de un NPN, al ser menor o igual a cero voltios para el caso ideal, en el caso real es aproximado a 0.3 o menor. 𝛽 = 100
  • 27.
    En este casose aprecia una resistencia en la base baja y una resistencia en el colector alta, al hacer los cálculos analíticos tenemos: 𝐼 𝐵 = 3.388𝑚𝐴 → { 𝐼 𝐶 = 338.800𝑚𝐴 𝐼 𝐸 = 342.188𝑚𝐴 Calculando el voltaje colector-emisor 𝑉𝐶𝐸 = −3379𝑉 < 0 → 𝑡𝑟𝑎𝑛𝑠𝑖𝑠𝑡𝑜𝑟 𝑠𝑎𝑡𝑢𝑟𝑎𝑑𝑜 Si deseamos cálculos con transistor ideal, reemplazamos por el siguiente circuito equivalente: Se calcula la corriente máxima en el colector: 𝐼 𝐶 𝑠𝑎𝑡 = 9 − 0.3 10𝑘 = 870 𝜇𝐴 Como los parámetro 𝛼 𝑦 𝛽 no funcionan, dado que se encuentra en una zona no lineal o en la zona de saturación (ver las curvas de Ic vs Vce), se calculan las corrientes como si fuera un circuito con elementos pasivos 𝐼 𝐵 𝑠𝑎𝑡 = 3.388𝑚𝐴 𝐼 𝐸 𝑠𝑎𝑡 = 𝐼 𝐶 𝑠𝑎𝑡 + 𝐼 𝐵 𝑠𝑎𝑡 = 4.258𝑚𝐴 𝑉𝐶𝐸 = 0.3𝑉 Si hubiéramos dicho que el transistor es ideal, entonces tenemos: 𝐼 𝐶 𝑠𝑎𝑡 = 9 10𝑘 = 900 𝜇𝐴 𝐼 𝐵 𝑠𝑎𝑡 = 3.388𝑚𝐴 𝐼 𝐸 𝑠𝑎𝑡 = 4.288𝑚𝐴 ≈ 4.29𝑚𝐴 𝑉𝐶𝐸 𝑠𝑎𝑡 = 0𝑉
  • 28.
    Recta de carga Parala recta de carga debemos de tener las curvas del transistor y los valores de resistores t voltajes: Para esto, pues solo nos queda trazar la recta de carga sobre las curvas, para obtener dicha recta, se hace una malla desde el voltaje del colector pasando por el voltaje colector-emisor −𝑉𝐶𝐶 + 𝑅 𝐶 𝐼 𝐶 + 𝑉𝐶𝐸 = 0 Entonces hacemos cero Ic y Vcc obteniendo dos datos: 𝐼 𝐶 = 0 ; 𝑉𝐶𝐸 = 𝑉𝐶𝐶 𝑉𝐶𝐶 = 0 ; 𝐼 𝐶 = 𝑉𝐶𝐶 𝑅 𝐶 Trazamos la recta uniendo los puntos o modelándola como 𝑦 = 𝑚𝑥 + 𝑏 para encontrar el punto de operación Q para algún valor de corriente en la base. El transistor funcionando como diodo:
  • 29.
  • 30.
    Fuentes reguladas transistorizadas: Tipo: -Serie a la carga Análisis sin carga (quitando 𝑅 𝐿) 𝐼𝑆 = 𝐼 𝐵 + 𝐼 𝑍 𝐼 𝐵 = 0 , 𝑅 𝑆𝑚𝑖𝑛 = 𝑉 𝑀𝐴𝑋 − 𝑉𝑧 𝐼 𝑍𝑀𝐴𝑋 Análisis con carga 𝑅 𝑆𝑚𝑎𝑥 = 𝑉 𝑀𝐴𝑋 − 𝑉𝑧 𝐼 𝐵 + 𝐼 𝑍𝑚𝑖𝑛 𝑅 𝑆𝑚𝑖𝑛 < 𝑅 𝑆 < 𝑅 𝑆𝑚𝑎𝑥 Paralelo a la carga Análisis sin carga: 𝐼𝑆 = 𝐼 𝑍 + 𝐼 𝐶 + 𝐼𝐿 𝐼𝐿 = 0 , 𝑅 𝑠𝑚𝑖𝑛 = 𝑉 𝑀𝐴𝑋 − (𝑉𝑍 + 𝑉𝐵𝐸) 𝐼 𝑍𝑀𝐴𝑋 + 𝐼 𝐶 Análisis con carga: 𝑅 𝑆𝑀𝐴𝑋 = 𝑉 𝑚𝑖𝑛 − (𝑉𝑍 + 𝑉𝐵𝐸) 𝐼 𝑍𝑚𝑖𝑛 + 𝐼 𝐶 + 𝐼𝐿
  • 31.
    - Mixta variable R1 R2 Asumir𝐼 𝐵 ≈ 0 𝑉𝑜𝑚𝑎𝑥 = 𝑉𝐵𝐸 + 𝑉𝑍 𝑅2 (𝑅1 + 𝑅2 + 𝑅 𝑣𝑎𝑟) 𝑉𝑜𝑚𝑖𝑛 = 𝑉𝐵𝐸 + 𝑉𝑍 𝑅 𝑣𝑎𝑟 + 𝑅2 (𝑅1 + 𝑅2 + 𝑅 𝑣𝑎𝑟) Potencia máxima 𝑃𝑄1 = 𝑉𝐶𝐸 ∗ 𝐼 𝐶 (𝑉𝐷𝐶 − 𝑉𝑜) ∗ 𝛼 ∗ ( 𝑉𝑜 (𝑅1 + 𝑅2 + 𝑅 𝑣𝑎𝑟) + 𝑉𝑜 𝑅 𝑜 ) 𝑃𝑄1(𝑉𝑜) → 𝜕 𝜕𝑉𝑜 (𝑃𝑄1) = 0 → 𝑉𝑜′ 𝑃𝑄1(𝑉𝑜 ′) = 𝑃 𝑀𝐴𝑋𝑄1 - Darlington Se coloca un Darlington para aumentar la corriente en el transistor que funciona como regulador, mismo análisis en serie.
  • 32.
    Amplificadores de pequeñaseñal y parámetros híbridos: Amplifica una señal débil de voltaje variable a cierto factor de escala dependiendo del diseño, tipo de conexión y etapas que tenga el amplificador de pequeña señal. Se hace análisis en DC y en AC. Emisor común: ℎ 𝐹𝐸 = 𝛽 , ℎ𝑖𝐸 = 26𝑚𝑉 𝐼 𝐵(𝐷𝐶) Base común: ℎ 𝐹𝐵 = 𝛼 , ℎ𝑖𝑏 = 26𝑚𝑉 𝐼 𝐸 EJEMPLO 1: Calcular las impedancias de entrada, de salida, de emisor y ganancia de voltaje 𝛽 = ℎ 𝐹𝐸
  • 33.
    Análisis DC 𝐼 𝐵= (𝑉𝐶𝐶 𝑅 𝐵2 𝑅 𝐵1 + 𝑅 𝐵2 − 0.7) (𝑅 𝐵1 ∥ 𝑅 𝐵2) + (𝛽 + 1)𝑅 𝐸 → ℎ𝑖𝑒 = 26𝑚𝑉 𝐼 𝐵 Análisis en AC Impedancia de entrada: La resistencia del emisor hay que reflejarla a la base, entonces multiplicamos por (𝛽 + 1) 𝑍𝑖 = 𝑅 𝐵1 ∥ 𝑅 𝐵2 ∥ (ℎ𝑖𝑒 + (ℎ 𝐹𝐸 + 1)𝑅 𝐸) Impedancia de salida: Para 𝑣𝑖 = 0 𝑍 𝑜 = 𝑅 𝐶 Impedancia de emisor: Para 𝑣𝑖 = 0 𝑍 𝐸 = 𝑅 𝐸 ∥ ([𝑅 𝐵1 ∥ 𝑅 𝐵2] + ℎ𝑖𝑒) ℎ 𝐹𝐸 Ganancia de voltaje: 𝐴 𝑣 = 𝑣 𝑜 𝑣𝑖 𝐴 𝑣 = −ℎ 𝐹𝐸 𝑖 𝑏(𝑅 𝐶 ∥ 𝑅 𝐿) 𝑖 𝑏(ℎ𝑖𝑒 + (ℎ 𝐹𝐸 + 1)𝑅 𝐸) 𝐴 𝑣 = − ℎ 𝐹𝐸(𝑅 𝐶 ∥ 𝑅 𝐿) (ℎ𝑖𝑒 + (ℎ 𝐹𝐸 + 1)𝑅 𝐸)
  • 34.
    EJEMPLO 2 Datos: 𝛽= ℎ 𝐹𝐸 , 𝑣𝑖[𝜇𝑉] Hallar las impedancias de entrada, de salida, de emisor, y ganancia de voltaje Análisis DC 𝐼 𝐵 = (𝑉𝐶𝐶 𝑅 𝐵2 𝑅 𝐵1 + 𝑅 𝐵2 − 0.7) (𝑅 𝐵1 ∥ 𝑅 𝐵2) + (𝛽 + 1)𝑅 𝐸 → ℎ𝑖𝑒 = 26𝑚𝑉 𝐼 𝐵 Análisis en AC
  • 35.
    𝑧𝑖 = 𝑅𝐵1 ∥ 𝑅 𝐵2 ∥ (ℎ𝑖𝑒 + (ℎ 𝐹𝐸 + 1)𝑅 𝐸) 𝑧 𝑜 = 𝑅 𝐶 𝑧 𝐸 = 𝑅 𝐸 ∥ ([𝑅 𝑆 ∥ 𝑅 𝐵1 ∥ 𝑅 𝐵2] + ℎ𝑖𝑒) ℎ 𝐹𝐸 Ganancias de voltaje 𝐴 𝑣 = 𝑣 𝑜 𝑣𝑖 𝑣 𝑥 = 𝑖 𝐵(ℎ𝑖𝑒 + (ℎ 𝐹𝐸 + 1)𝑅 𝐸) 𝑣 𝑥 = 𝑣𝑖 ∗ 𝑧𝑖 𝑧𝑖 + 𝑅 𝑠 → 𝑣𝑖 = 𝑣 𝑥 𝑧𝑖 + 𝑅 𝑠 𝑧𝑖 𝑣 𝑜 = −ℎ 𝐹𝐸 𝑖 𝑏 (𝑅 𝐶 ∥ 𝑅 𝐿) 𝐴 𝑣 = −ℎ 𝐹𝐸 𝑖 𝐵 (𝑅 𝐶 ∥ 𝑅 𝐿) 𝑖 𝐵(ℎ𝑖𝑒 + (ℎ 𝐹𝐸 + 1)𝑅 𝐸) 𝑧𝑖 + 𝑅 𝑠 𝑧𝑖 𝐴 𝑣 = − ℎ 𝐹𝐸(𝑅 𝐶 ∥ 𝑅 𝐿) (ℎ𝑖𝑒 + (ℎ 𝐹𝐸 + 1)𝑅 𝐸) [𝑅 𝐵1 ∥ 𝑅 𝐵2 ∥ (ℎ𝑖𝑒 + (ℎ 𝐹𝐸 + 1)𝑅 𝐸) + 𝑅 𝑠] [𝑅 𝐵1 ∥ 𝑅 𝐵2 ∥ (ℎ𝑖𝑒 + (ℎ 𝐹𝐸 + 1)𝑅 𝐸)] EJEMPLO 3: Hallar las impedancias de entrada, de salida, de emisor, y ganancia de voltaje. Haciendo análisis DC obtenemos la Ibase para calcular el parámetro hie. Ahora solo nos queda calculas las impedancias y ganancia de voltaje.
  • 36.
    Hay que aplicarel teorema de Miller: 1- Asumo 𝑍 𝑀𝑜 = 𝑅𝑓 2- Cálculo la ganancia de Miller 𝐴 𝑣𝑀 𝐴 𝑣𝑀 = −ℎ 𝐹𝐸∗ 𝑖 𝐵(𝑍 𝑀𝑜 ∥ 𝑅 𝐶 ∥ 𝑅 𝐿) 𝑖 𝐵 ∗ (ℎ𝑖𝑒 + 𝑅 𝐸(𝛽 + 1)) |𝐴 𝑣𝑀| ≥ 10 3- Calculo las impedancias: 𝑍 𝑀𝑖 = 𝑅𝑓 1 − 𝐴 𝑣𝑀 , 𝑍 𝑀𝑜 = 𝑅𝑓 1 − 1 𝐴 𝑣𝑀 ≈ 𝑅𝑓 𝑧𝑖 = 𝑍 𝑀𝑖 ∥ (ℎ𝑖𝑒 + (ℎ 𝐹𝐸 + 1)𝑅 𝐸) 𝑧 𝑜| 𝑣𝑖 = 0 = 𝑍 𝑀𝑜 ∥ 𝑅 𝐶 ∥ 𝑅 𝐿 4.- Calculo la ganancia de voltaje: 𝐴 𝑣 = −ℎ 𝐹𝐸(𝑍 𝑀𝑜 ∥ 𝑅 𝐶 ∥ 𝑅 𝐿) (ℎ𝑖𝑒 + 𝑅 𝐸(𝛽 + 1)) EJEMPLO 4 Hallar las impedancias de entrada, de salida, de emisor en Q1 y ganancia de voltaje. BETA iguales para transistores de silicio
  • 37.
    Análisis en DC 𝐼𝐵1 = 𝑉𝐶𝐶 𝑅 𝐵2 𝑅 𝐵1 + 𝑅 𝐵2 − 0.7 ([𝑅 𝐵1 ∥ 𝑅 𝐵2] + (𝑅 𝐸1 + 𝑅 𝐸2)(ℎ 𝐹𝐸 + 1)) → ℎ𝑖𝑒1 = 26𝑚𝑉 𝐼 𝐵1 𝐼 𝐸2 = 𝐼 𝐵3 , − 𝑉𝐶𝐶 + 𝑅 𝐶2 𝐼 𝐸3 + 𝑅𝑓 𝐼 𝐵2 + 0.7 + 0.7 = 0 𝑉𝐶𝐶 − 𝑅 𝐶2(𝛽 + 1)2 𝐼 𝐵2 − 𝑅𝑓 𝐼 𝐵2 − 1.4 = 0 𝐼 𝐵2 = 𝑉𝐶𝐶 − 1.4 𝑅𝑓 + (𝛽 + 1)2 𝐼 𝐵2 → ℎ𝑖𝑒2 = 26𝑚𝑉 𝐼 𝐵2 𝐼 𝐵3 = (𝛽 + 1)𝐼 𝐵2 → ℎ𝑖𝑒3 = 26𝑚𝑉 𝐼 𝐵3
  • 38.
    Análisis en AC Parala ganancia hay que aplicar Miller en la etapa 2 vi vx vy vo Hallando la impedancia de Miller en la etapa 2: 𝐴 𝑣𝑀 = 𝑣 𝑜 𝑣 𝑦 𝑧 𝑀𝑜 = 𝑅𝑓 , 𝑖 𝐵3 = (ℎ 𝐹𝐸 + 1)𝑖 𝐵2 , 𝐴 𝑣𝑀 = −ℎ 𝐹𝐸 𝑖 𝐵2(1 + (ℎ 𝐹𝐸 + 1))(𝑅𝑓 ∥ 𝑅 𝐶2 ∥ 𝑅 𝐿) 𝑖 𝐵2(ℎ𝑖𝑒2 + ℎ𝑖𝑒3(ℎ 𝐹𝐸 + 1)) 𝑧 𝑀𝑖 = 𝑅𝑓 1 − 𝐴 𝑣𝑀 , 𝑧 𝑀𝑜 = 𝑅𝑓 1 − 1 𝐴 𝑣𝑀 𝑧𝑖 = (𝑅 𝐵1 ∥ 𝑅 𝐵2) ∥ (ℎ𝑖𝑒1 + (ℎ 𝐹𝐸 + 1)𝑅 𝐸1) 𝑧 𝑜 = 𝑍 𝑀𝑜 ∥ 𝑅 𝐶2 ∥ 𝑅 𝐿 𝑧 𝑒 = 𝑅 𝐸1 ∥ [ ℎ𝑖𝑒1 + (𝑅 𝑠 ∥ 𝑅 𝐵1 ∥ 𝑅 𝐵2) (ℎ 𝐹𝐸 + 1) ] Calculando una relación entre la etapa 1 y la 2: 𝑖 𝐵2 = (−ℎ 𝐹𝐸 ∗ 𝑖 𝐵1) (𝑅 𝐶1 ∥ 𝑧 𝑀𝑖) (𝑅 𝐶1 ∥ 𝑧 𝑀𝑖) + (ℎ𝑖𝑒2 + ℎ𝑖𝑒3(ℎ 𝐹𝐸 + 1))
  • 39.
    Encontrando 𝑣𝑖 𝑣 𝑥= 𝑣𝑖 ∗ 𝑧𝑖 𝑧𝑖 + 𝑅 𝑠 → 𝑣𝑖 = 𝑖 𝐵1(ℎ𝑖𝑒 + 𝑅 𝐸1(ℎ 𝐹𝐸 + 1)) 𝑧𝑖 + 𝑅 𝑠 𝑧𝑖 Ganancia de voltaje: 𝐴 𝑣 = 𝑣 𝑜 𝑣𝑖 𝐴 𝑣 = −ℎ 𝐹𝐸(−ℎ 𝐹𝐸 𝑖 𝐵1) (𝑅 𝐶1 ∥ 𝑧 𝑀𝑖) (𝑅 𝐶1 ∥ 𝑧 𝑀𝑖) + (ℎ𝑖𝑒2 + ℎ𝑖𝑒3(ℎ 𝐹𝐸 + 1)) (ℎ 𝐹𝐸 + 2)(𝑅𝑓 ∥ 𝑅 𝐶2 ∥ 𝑅 𝐿) 𝑖 𝐵1(ℎ𝑖𝑒 + 𝑅 𝐸1(ℎ 𝐹𝐸 + 1)) 𝑧𝑖 + 𝑅 𝑠 𝑧𝑖 𝐴 𝑣 = ℎ 𝐹𝐸 2 (𝑅 𝐶1 ∥ 𝑧 𝑀𝑖) (𝑅 𝐶1 ∥ 𝑧 𝑀𝑖) + (ℎ𝑖𝑒2 + ℎ𝑖𝑒3(ℎ 𝐹𝐸 + 1)) (ℎ 𝐹𝐸 + 2)(𝑅𝑓 ∥ 𝑅 𝐶2 ∥ 𝑅 𝐿) (ℎ𝑖𝑒 + 𝑅 𝐸1(ℎ 𝐹𝐸 + 1)) (𝑅 𝐵1 ∥ 𝑅 𝐵2) ∥ (ℎ𝑖𝑒1 + (ℎ 𝐹𝐸 + 1)𝑅 𝐸1) + 𝑅 𝑠 (𝑅 𝐵1 ∥ 𝑅 𝐵2) ∥ (ℎ𝑖𝑒1 + (ℎ 𝐹𝐸 + 1)𝑅 𝐸1) EJEMPLO 5 Calcular impedancia de entrada, de salida, ganancia de voltaje y ganancia de corriente Datos: 𝛽 , 𝑉𝐸𝐵 = 0.7𝑉 Como éste tiene base común, tenemos que hallar la corriente en el emisor Análisis en DC 𝐼 𝐸 = 𝑉𝐶𝐶 − 0.7 𝑅 𝐸 ℎ𝑖𝐵 = 26𝑚𝑉 𝑅 𝐸 = 𝑟𝐸 , ℎ 𝐹𝐵 = 𝛼 = 𝛽 𝛽 + 1
  • 40.
    Análisis en AC 𝑧𝑖= 𝑅 𝐸 ∥ ℎ𝑖𝐵 𝑧 𝑜 = 𝑅 𝐶 𝐴 𝑉 = ℎ 𝐹𝐵(𝑅 𝐶 ∥ 𝑅 𝐿) ℎ𝑖𝐵 𝐴𝑖 = 𝑖 𝑜 𝑖𝑖 𝐴𝑖 = ℎ 𝐹𝐵 𝑖 𝐸 𝑅 𝐶 𝑅 𝐶 + 𝑅 𝐿 𝑖 𝐸 (𝑅 𝐸 + ℎ𝑖𝐸) 𝑅 𝐸 𝐴𝑖 = ℎ 𝐹𝐵 𝑅 𝐶 𝑅 𝐸 (𝑅 𝐶 + 𝑅 𝐿)(𝑅 𝐸 + ℎ𝑖𝐸) Si las ganancias de voltaje o corriente se sacan por partes, entonces se multiplican todas o hallando una relación de corrientes entre las salidas y entradas de los amplificadores de pequeña señal: 𝐴 𝑣 = 𝑣 𝑜 𝑣 𝑥 𝑣 𝑥 𝑣 𝑦 𝑣 𝑦 𝑣𝑖
  • 42.
    Amplificadores operacionales Amplifica unao varias señales débiles acorde al diseño establecido o requerido Características ideales: - Alta impedancia de entrada (𝑍𝑖 → ∞) - Baja impedancia de salida (𝑍 𝑜 = 0) - Ganancia de amplificación infinita Para que un Amplificador opere adecuadamente, el voltaje diferencial debe ser cero. 𝑉𝑑 = 𝑉+ − 𝑉− = 0𝑉 A este se lo conoce como tierra virtual. Se lo puede utilizar como un operador matemático - Amplificador inversor: Para obtener la expresión de Vo(Vi) se deben aplicar los siguientes criterios 𝑉𝑑 = 𝑉+ − 𝑉− = 0𝑉 𝑉+ = 0 = 𝑉− 𝑉𝑖 − 0 = 𝑅𝑖 𝐼𝑖 0 − 𝑉𝑜 = 𝑅𝑓 𝐼 𝑜 𝐼𝑖 = 𝐼 𝑜 = 𝐼 𝑉𝑖 𝑅𝑖 = − 𝑉𝑓 𝑅 𝑜 𝑉𝑜 = − ( 𝑅𝑓 𝑅𝑖 ) ⏞ 𝑔𝑎𝑖𝑛 𝑉𝑖
  • 43.
    - Sumador inversor 𝑉𝑜= − 𝑅𝑓 𝑅𝑖 (𝑣1 + 𝑣2 … + 𝑣𝑖) , 𝑅1 = 𝑅2 =. . . = 𝑅 𝑛 = 𝑅𝑖 - Amplificador no inversor 𝑣 𝑜 = 𝑣𝑖 (1 + 𝑅 𝑓 𝑅 𝑖 ) , 𝑅1 = 𝑅𝑓 , 𝑅2 = 𝑅𝑖 - Sumador no inversor 𝑣 𝑜 = ( 1 𝑛 )(1 + 𝑅𝑓 𝑅𝑖 ) (𝑣1 + 𝑣2 + ⋯ + 𝑣 𝑛)
  • 44.
    - Amplificador restador 𝑣𝑜 = 𝑅𝑓 𝑅𝑖 (𝑣2 − 𝑣1) - comparador de voltaje 𝑉+ > 𝑉− → 𝑉𝑜 = +𝑉𝐶𝐶 𝑉+ < 𝑉− → 𝑉𝑜 = −𝑉𝐶𝐶 𝑉+ = 𝑉− → 𝑉𝑜 = 0𝑉
  • 45.
    Tiristores SCR: TRIAC: UJT: 𝜂 = 𝑅 𝐵1 𝑅𝐵𝐵 , 𝑅 𝐵𝐵 = 𝑅 𝐵2 + 𝑅 𝐵1
  • 46.
    Al ángulo deapagado lo llaman ángulo de disparo (𝛼) y al ángulo que da señal es el ángulo de conducción (𝛽) Tipos de carga - carga exponencial 𝑡 = −𝑅𝐶 ln ( 𝑉 𝐶𝐶−𝑉 𝐶𝑝 𝑉 𝐶𝐶−𝑉𝑣 ) 𝑉𝐶𝑃 = 𝑉𝐷 + 𝑉𝑇𝐻 1 2𝑓 → 180° 𝑡 𝐶 → 𝛼 𝛽 = 90° − 𝛼 , 𝑡 𝑑 =? . 𝑎𝑝𝑙𝑖𝑐𝑎𝑟 𝑟𝑒𝑔𝑙𝑎 𝑑𝑒 𝑡𝑟𝑒𝑠
  • 47.
    - Carga lineal 𝑉𝐶= 1 𝐶 ∫ 𝐼 𝐶 𝑑𝑡 𝑡 = 𝐶 𝑉𝐶 𝐼 𝐶 1 2𝑓 → 180° 𝑡 𝐶 → 𝛼 𝑉𝐶𝑝 = 𝑉𝐷 + 𝑉𝑡ℎ 𝑝𝑎𝑟𝑎 𝑞𝑢𝑒 𝑜𝑠𝑐𝑖𝑙𝑒 => 𝐼 𝑝 < 𝐼 𝐶 < 𝐼 𝑉 𝑡 𝑑 = (𝑅 𝐵1(𝑜𝑛) + 𝑅𝑖) ∗ 𝐶 ∗ ln ( 𝑉𝑑𝑖𝑜𝑑𝑜 + 𝑉𝑝 𝑉𝑑𝑖𝑜𝑑𝑜 + 𝑉𝑣 ) 𝑉𝑝𝑟𝑜𝑚 = 𝑉𝑝𝑖𝑐𝑜 𝑇 ∫ 𝑓(𝜔𝑡) 𝑑(𝜔𝑡) 𝑇+𝛼 𝛼 𝑛𝑢𝑚𝑒𝑟𝑜 𝑑𝑒 𝑝𝑢𝑙𝑠𝑜𝑠: (180°) 𝛼 − 1