Seguidor De Linea
                         Objetivos generales
 Implementar los conocimientos de campo de la automatización tanto en la teoría como en la practica,
sabiendo diferenciar sus componentes y sus funcionamientos. y demás aspectos


                        Objetivos específicos
   1- Aprender el funcionamiento de cada uno de sus componentes en electricidad y su circuito
      eléctrico.
   2- Aprender a interpretar un diagrama pictórico y ponerlo en funcionamiento.
   3- Aprender la ubicación de cada uno de ellos en una váquela y demás implementos.
Diagrama Seguidor De Línea




         Motor 1
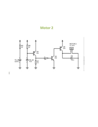
Motor 2
Parte Decorativa Del Robot
Conexión Bateria
Montaje Robot En Váquela




           Materiales Del Robot
2 resistencias de 390 Ω a ¼ de Wattio.
2 resistencias de 22 KΩ a ¼ de Wattio.
2 resistencias de 1 KΩ a ¼ de Wattio.
2 resistencias de 100 Ω a ¼ de Wattio.
2 resistencias de 10 KΩ a ¼ de Wattio.
1 resistencia de 820 Ω a ¼ de Wattio.
1 resistencia de 470 Ω a ¼ de Wattio.
4 transistores 8550              ($500 c/u)
2 transistores 8050              ($500 c/u)
2 transistores c945              ($500 c/u)
2 condensadores de 10uF (microfaradios) Electrolíticos ($200 c/u)
2 pilas de 1.5 voltios AA.
Un interruptor sencillo           ($200 c/u)
2 led (cualquier color)           ($100 c/u)
2 Diodos 1N4001                   ($70 c/u)
2 foto diodos                             ($870 c/u)
2 foto transistores               ($550 c/u)

Seguidor de linea

  • 1.
    Seguidor De Linea Objetivos generales Implementar los conocimientos de campo de la automatización tanto en la teoría como en la practica, sabiendo diferenciar sus componentes y sus funcionamientos. y demás aspectos Objetivos específicos 1- Aprender el funcionamiento de cada uno de sus componentes en electricidad y su circuito eléctrico. 2- Aprender a interpretar un diagrama pictórico y ponerlo en funcionamiento. 3- Aprender la ubicación de cada uno de ellos en una váquela y demás implementos.
  • 2.
    Diagrama Seguidor DeLínea Motor 1
  • 3.
  • 4.
  • 5.
  • 6.
    Montaje Robot EnVáquela Materiales Del Robot 2 resistencias de 390 Ω a ¼ de Wattio. 2 resistencias de 22 KΩ a ¼ de Wattio. 2 resistencias de 1 KΩ a ¼ de Wattio. 2 resistencias de 100 Ω a ¼ de Wattio. 2 resistencias de 10 KΩ a ¼ de Wattio. 1 resistencia de 820 Ω a ¼ de Wattio. 1 resistencia de 470 Ω a ¼ de Wattio. 4 transistores 8550 ($500 c/u) 2 transistores 8050 ($500 c/u) 2 transistores c945 ($500 c/u) 2 condensadores de 10uF (microfaradios) Electrolíticos ($200 c/u) 2 pilas de 1.5 voltios AA. Un interruptor sencillo ($200 c/u) 2 led (cualquier color) ($100 c/u) 2 Diodos 1N4001 ($70 c/u) 2 foto diodos ($870 c/u) 2 foto transistores ($550 c/u)