PROYECTO “SEGUIDOR DE LINEA”

1. TITULO

  Seguidor de línea

2. INTRODUCCIÓN

  En la electrónica una de las más importantes e interesantes áreas es la de la
  robótica no sólo porque hoy en día la tecnología a nivel mundial en algunos
  organismos políticos, empresas asimismo en recintos históricos e incluso
  religiosos podemos observar la actividad y trabajo de mecanismos
  electrónicos inteligentes; maquinas hechas por el hombre que se encargan de
  facilitar o incluso realizar completamente las tareas humanas de mayor riesgo,
  peligro, esfuerzo y pasatiempo. Tareas que para el hombre resultan difíciles,
  cansadas e incluso mortales, tareas que necesitan más de una persona lo cual
  económicamente genera gastos.

  Es con esto que surge ideas tecnológicas modernas que nos permiten acceder
  a mecanismos fáciles de manejar, construir y adquirir, consideramos presentar
  alternativas que puedan satisfacer las necesidades antes planteadas, nuestro
  proyecto presenta un “coche seguidor de línea” este tipo de dispositivo captara
  mediante sensor infrarrojo para poder llegar a su punto de llegada o partida.

3. ANTECEDENTES

  En la electrónica, robótica y lo sistemático importantes e interesantes áreas
  tiene una aplicación en casi todos los campos sino porque permite crear una
  cantidad ilimitada de modelos tecnológicos fantásticos al igual que una
  ilimitada de aplicaciones útiles en el hogar, en el colegio, en la industria, en el
  comercio, en todos los campos del conocimiento y del quehacer humano
  puede caber una aplicación de la robótica además, en nuestro caso, nos
  permite una aproximación a la programación y a la aplicación práctica de los
  conocimientos obtenidos teóricamente en clase.

  Los robots dispositivos o mecanismos “seguidores de línea” que cumplen una
  única misión: seguir una línea marcada en el suelo (normalmente una línea
  negra sobre un fondo blanco). Son considerados los "Hola mundo" de la
  robótica.

     Interacción se efectuó el análisis en base a requerimiento de nuestra
     creatividad e imaginación, como también se obtendrá la información
     necesaria para realizar el presente proyecto.

     Diseño del sistema se realizara la estructura asimismo se elegirá la
     arquitectura o circuitos como también efectuaremos y estableceremos el
     algoritmo del sistema.
Edificación y arquitectura definiremos el programa en el que se realizara
     el sistema para la generación del código fuente y trabajamos el proceso y
     desarrollo.

     Evaluación y apreciación se verificara la funcionalidad del dispositivo
     conjuntamente se evaluara el funcionamiento a continuación se pasara al
     proceso de visto bueno.

     Manutención del sistema en esta fase podremos realizar la corrección y
     ampliación del dispositivo requerido asimismo se experimentara la calidad
     del circuito posteriormente se plasmara las respectivas mejoras.

4. PLANTEAMIENTO DEL PROBLEMA

  Que el carrito seguidor de línea cumpla con su única misión, seguir una línea
  marcada en el suelo o maqueta delimitada mediante sensores.

  Problema principal

  Carrito seguidor de línea ; no es una práctica muy difícil de realizar solo debes
  seguir los pasos adecuados teniendo curiosidad y paciencia ya que el
  escenario económico en el cual se desenvuelve nuestro país afecta a todos
  sean instituciones, entidades particulares públicas y privadas, esta situación de
  crisis no permite realizar proyectos tecnológicos de gran magnitud, pues de tal
  manera se observo en especial la ejecución de un proyectó “carrito seguidor de
  línea” mediante sensor construido con creatividad, paciencia, dedicación entre
  otras cosas relevantes y convenientes.

  Problema secundario

  Desde muchos años atrás la tecnología, robotica y sistemática       ha
  evolucionado de manera extraordinario a paso gigantesco en los países
  denominados de primer mundo asimismo de tercer mundo como es el nuestro
  con problemas socios económicos etc.

  En la actualidad solo se puede realizar mini proyectos tecnológicos, con el
  inconveniente del costo de estos sistemas, el presente trabajo se propone el
  diseño y ejecución de un dispositivo “carrito seguidor de línea”, el cual se
  adapta y funciona en medio de una maqueta.
.
5. OBJETIVOS

  Objetivo general

  El presente proyecto tiene el objetivo de mostrar objetivamente el seguidor de
  línea, efectuado y elaborado mediante la programación de PIC, para exhibir la
  tecnología en nuestro medio con material, artículos y circuitos.
Objetivos específicos

  •   Lograr un seguidor de línea que siga un camino marcado con línea
      utilizando solo compuertas lógicas.

  •   Conocer más acerca de la robótica, dispositivos y mecanismos, así como
      analizar las ventajas y desventajas de los robots.

  •   Encontrar y adaptar los sensores necesarios para detectar líneas negras
      contra fondo blanco


6. JUSTIFICACIÓN

   Pese a que vivimos en una era digital a nivel mundial para el ser humano
   investigamos y ponemos a demostración con el objetivo principal                la
   realización del proyecto “carrito seguidor de línea”, el diseño adoptado para el
   montaje del carrito fue acertado ya que se facilitó la ubicación de los sensores
   y se desempeñe de l a mejor manera en las tareas asignadas.

   El seguidor de línea es una herramienta que estimula la creatividad y
   desarrollo de los conocimientos adquiridos en la formación académica como
   resultado de este proyecto cumple con las expectativas iníciales, el
   seguimiento de la línea negra con fondo blanco.

7. METODOLOGIA (MATERIALES Y METODOS)

   Estos robots pueden variar desde los más básicos (van tras una línea única)
   hasta los robots que recorren laberintos. Todos ellos, sin embargo, poseen
   (por lo general) ciertas partes básicas comunes entre todos.

   Funcionamiento

   Todos los rastreadores basan su funcionamiento en los sensores. Sin
   embargo, dependiendo de la complejidad del recorrido, el robot debe ser más
   o menos complejo (y, por ende, utilizar más o menos sensores).

   Los rastreadores más simples utilizan 2 sensores, ubicados en la parte inferior
   de la estructura, uno junto al otro. Cuando uno de los 2 sensores detecta el
   color blanco, significa que el robot está saliendo de la línea negra por ese
   lado. En ese momento, el robot gira hacia el lado contrario hasta que vuelve a
   estar sobre la línea. Esto en el caso de los seguidores de línea negra, ya que
   también hay seguidores de línea blanca.

   Las 2 maneras más comunes de armar los rastreadores son: OPAMPS
   (Amplificadores Operacionales), o con simples transistores trabajados en su
zona de saturacion. Esto dependiendo de la complejidad con la que se quiera
armar el circuito. Podemos utilizar un microcontrolador para realizar las
funciones de control o guardar en él la forma del recorrido por una pista.
También sirve como escaneador eléctrico .

Construccion

Funcionamiento de un Robot Seguidor de Línea, el cual construí con los sgtes.
materiales:

    2 Sensores CNY70.
    4 Resistencias de 220 Ohmios.
    2 Resistencias de 100 kOhms
    2 Resistencias de 1000 Ohms.
    1 Microprocesador (PIC) 1036 BEG
    1 Circuito Integrado ULN2003 APG.
    2 Leds.
    2 Transistores BC548.
    1 Fuente de 5 Volts.
    2 Condensadores Electrolíticos de 1uF.
    2 Motores DC de 5 V con caja reductora. (puxa, el terror para
     encontrarlas, tuve que pedir de Lima y encima no hay nuevas).
    Una rueda libre o rueda loca, fue una tortura buscar esta también, pero
     encontré en una tienda de repuestos de maletas. aunque al final tuve
     que hacerme una yo (más chica).
    2 ruedas pequeñas de algún carrito

Transistor

El transistor es un dispositivo electrónico semiconductor que cumple funciones
de amplificador, oscilador, conmutador o rectificador. El término «transistor»
es la contracción en inglés de transfer resistor («resistencia de transferencia»).
Actualmente se encuentran prácticamente en todos los aparatos electrónicos
de uso diario: radios, televisores, reproductores de audio y video, relojes de
cuarzo, computadoras, lámparas fluorescentes, tomógrafos, teléfonos
celulares, etc.

El transistor sustituyo a los tubos de vacío electrónicos en los años 60, fue uno
de los inventos que revolucionó la electrónica. Comparándolo en el tiempo, se
asemeja al descubrimiento del fuego o a la invención de la rueda.

Su función es muy variada, como ya te lo han explicado otros. Su manejo es
muy interesante e importante, porque dió pie al desarrollo de los
semiconductores.
Resistencia Electrica

La cantidad de corriente que fluye en un circuito depende del voltaje que
suministra la fuente de voltaje. El flujo de corriente también depende de la
resistencia que opone el conductor al flujo de carga: la resistencia eléctrica. La
resistencia de un cable depende de la conductividad del material del que está hecho y
también del espesor y de la longitud del cable. La resistencia eléctrica es
menor en los cables gruesos que en los delgados.

Los cables largos oponen más resistencia que los cortos. Además, la resistencia depende
de la temperatura. Cuanto más se agitan los átomos dentro del conductor, mayor es la
resistencia que el mismo opone al flujo de carga.

En la mayoría de los casos, un aumento de temperatura se traduce en un incremento en
la resistencia del conductor. La resistencia eléctrica se mide en unidades llamadas ohms
(W) en honor a Georg Simón Ohm, físico alemán que puso a prueba distintos tipos de
cable en diversos circuitos para determinar el efecto de la resistencia del cable en la
corriente.
Sensor

Un sensor o captador, como prefiera llamársele, no es más que un dispositivo
diseñado para recibir información de una magnitud del exterior y transformarla
en otra magnitud, normalmente eléctrica, que seamos capaces de cuantificar y
manipular.

Normalmente estos dispositivos se encuentran realizados mediante la
utilización de componentes pasivos (resistencias variables, PTC, NTC, LDR,
etc... todos aquellos componentes que varían su magnitud en función de
alguna variable), y la utilización de componentes activos.

Pero el tema constructivo de los captadores lo dejaremos a un lado, ya que no
es el tema que nos ocupa, más adelante incluiremos en el WEB SITE algún
diseño en particular de algún tipo de sensor.

Como puede verse en el esquema, el sensor se alimenta por sus patitas 1 y 3
y estas corresponden a Vcc y Gnd respectivamente, la patita 2 es la salida del
detector y la patita 4 es la salida que modula al led emisor externo. Mediante
el potenciómetro P1 se varia la distancia a la que es detectado el objeto.

Contra mas baja sea la resistencia de este potenciómetro, mas intensa será la
luz emitida por el diodo de IR y por lo tanto mayor la distancia a la que puede
detectar el objeto.

El el siguiente esquema vemos el simple circuito necesario para hacer
funcionar al sensor.
Motor DC

El motor de corriente continua es una máquina que convierte la energía eléctrica en
mecánica, provocando un movimiento rotatorio. En la actualidad existen nuevas
aplicaciones con motores eléctricos que no producen movimiento rotatorio,
sino que con algunas modificaciones, ejercen tracción sobre un riel. Estos motores
se conocen como motores lineales. Esta máquina de corriente continua es una de las
más versátiles en la industria.

Su fácil control deposición, paro y velocidad la han convertido en una de las mejores
opciones en aplicaciones de control y automatización de procesos. Pero con la llegada de
la electrónica su uso ha disminuido en gran medida, pues los motores de corriente alterna,
del tipo asíncrono, pueden ser controlados de igual forma a precios más accesibles para
el consumidor medio de la industria.

A pesar de esto los motores de corriente continua se siguen utilizando en muchas
aplicaciones de potencia (trenes y tranvías) o de precisión (máquinas, micro motores,
etc.)La principal característica del motor de corriente continua es la posibilidad de regular la
velocidad desde vacío a plena carga.

Protoboard

Una placa de pruebas, también conocida como protoboard o breadboard, es una placa de
uso genérico reutilizable o semipermanente, usado para construir prototipos de circuitos
electrónicos con o sin soldadura. Normalmente se utilizan para la realización de pruebas
experimentales. Además de los protoboard plásticos, libres de soldadura, también existen
en el mercado otros modelos de placas de prueba.




Rueda loca

La rueda loca (caster wheel en inglés) es una rueda sin tracción, simple o
doble, que puede girar libremente y que generalmente está situada en la parte
inferior de una estructura. Se utiliza en carros de la compra, sillas de oficina o
vehículos. Existen dos tipos de rueda loca:
Rígida.-Sujeta a la superficie con una estructura rígida que le permite
        sin embargo girar adelante y atrás.

        De pivote o Rotatoria.-Sujeta a la superficie con una estructura que tiene
        un eje en su centro, anclado a la rueda que puede girar libremente.


  Cable electrico

  Se llama cable eléctrico a un conductor (generalmente cobre) o conjunto de ellos
  generalmente recubierto de un material aislante o protector.

  Tarjeta de control

  La toma de decisiones y el control de los motores están generalmente a cargo
  de un microcontrolador. La tarjeta de control contiene dicho elemento, junto a
  otros componentes electrónicos básicos que requiere el microcontrolador para
  funcionar.

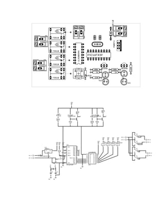
8. DESCRIPCION GENERAL DEL PROYECTO

  El programa consiste en que un microbot sigue un camino hecho en cinta
  negra de una forma autónoma controlado por un PIC16F877A hasta el punto
  en que detecta un cruce de cintas, en ese momento envía a el puerto serial de
  la PC a una velocidad de 9600 Baudios los diferentes estados de los sensores
  que este tiene ubicado en la parte de abajo (CNY70), esperando recibir una
  orden de la red neuronal creada en Matlab para que el microbot siga la
  trayectoria que se le ordena.

  El cerebro del microbot esta compuesto por un PIC1036BEG de Microchip y
  una red neuronal.
El microbot está compuesto por 2 servomotores de giro continuo para el
desplazamiento de este, además consta de un gripper para la recolección de
objetos que se encuentren en el laberinto. El gripper está dotado de 2
servomotores de 180° para la articulación (mano, muñeca).




Nuestro microbot se va a movilizar en una pista de fondo blanco con las
trayectorias trazadas por una cinta aislante de color negro, esta pista consta
con cruces a ángulos de 90° y líneas rectas con objetos ubicados en el
camino.

Los ojos del microbot son 2 sensores de reflexión tipo LED ubicados
estratégicamente en la parte inferior del seguidor. Dos de estos se encargan
de hacer que el robot siga línea y los otros son para detectar cruces en la
pista.




Este se puede comunicar vía serial gracias a un integrado el cual se encarga
de sincronizar los datos enviados y recibidos entre el PC y el Micro
controlador, respectivamente.
Para la normalización de las señales enviadas por los diferentes sensores se
empleó un buffer schmitch trigger 40106BE para evitar las interpretaciones
erróneas en el PIC. Los sensores pasan por las entradas del integrado
40106BE y las salidas se conectan al micro controlador.

Está compuesta de una pinza y un depósito para la recolección de los objetos,
dos ruedas de 10 cms de diámetro con un servomotor acoplado en cada una,
estas tienen la función de desplazar el microbot por la pista ejerciendo la
tracción necesaria.

Además posee una rueda loca de acero con el fin de evitar el menor
rozamiento posible durante el movimiento de este.




El programa para el micro controlador se configura la comunicación serial, las
entradas y salidas, sensores y motores respectivamente.
8.1. ANALISIS PRELIMINAR

    Trabajando en el diseño del robot seguidor de líneas, se han aplicado
    conocimientos adquiridos en el transcurso de la carrera, siendo esta una
    de las metas en el desarrollo del educando, una educación integral es
    necesaria para contribuir en conocimiento a la ciencia, siendo estos unos
    de los objetivos comunes en el gremio y carrera de Sistemas. Construir
    diseñar una máquina capaz de tener autonomía es verdaderamente
    satisfactorio pues se utilizan diversos conocimientos, que en diferentes
    eventos de la vida han sido tomados.

    El trabajo que se ha realizado en parte es una obra que se espera sea
    aplicada o sirva de material analítico para futuras investigaciones ya que
    en el se integran partes y piezas electrónicas muy comunes también
    componentes aplicados en fundamentos de electrónica como motores y
    sensores, así también se complementa con circuito micro controlador que
    a nivel de programación es vital en la enseñanza, de tal manera que el
    proyecto puede ser para instrucción de nivel fundamental y nivel
    adelantado.

8.2. DESARROLLO DEL PROYECTO

    Todos los rastreadores basan su funcionamiento en los sensores. Sin
    embargo, dependiendo de la complejidad del recorrido, el robot debe ser
    más o menos complejo (y, por ende, utilizar más o menos sensores). Los
    rastreadores más simples utilizan 2 sensores, ubicados en la parte
    inferior de la estructura, uno junto al otro. Cuando uno de los 2 sensores
    detecta el color blanco, significa que el robot está saliendo de la línea
    negra por ese lado. En ese momento, el robot gira hacia el lado contrario
    hasta que vuelve a estar sobre la línea. Esto en el caso de los
    seguidores de línea negra, ya que también hay seguidores de línea
    blanca.

    Las 2 maneras más comunes de armar los rastreadores son: OPAMPS
    (Amplificadores Operacionales), o con simples transistores trabajados en
    su zona de saturación. Esto dependiendo de la complejidad con la que
    se quiera armar el circuito. Podemos utilizar un micro controlador para
    realizar las funciones de control o guardar en él la forma del recorrido por
    una pista. También sirve como escaneado eléctrico.

    El robot se compondrá de un circuito que podremos hacer fácilmente con una
    placa de topos o de prototipos o usando los fotolitos expuestos y este
    tendrá dos circuitos exactamente igual es uno para cada motor e irán
    cruzados con lo que el sensor         izquierdo actuara sobre el motor derecho y el
    sensor derecho sobre el motor izquierdo tal como se muestra en la ilustración. Los
    motores tienen que ser de corriente continua y habrá que fabricarles una reductora
    si no disponen de ella para mover las ruedas, contra más grandes sean las ruedas,
más velocidad alcanzara el robot, aunque no hay que pasarse con el
  diámetro de estas porque si no en las curvas se saldrá de trayectoria, unos
  6 cm. es lo ideal.

  Los sensores irán dispuestos mirando al suelo y a unos 2 o 3 mm de
  separación desde el suelo a la superficie del sensor y la separación entre
  ambos sensores será para que quede dentro de la línea negra que vayamos a usar
  como trayectoria.

  En mi montaje he utilizado dos servos trucados de manera que queden solo los
  motores CC con la reductora o sea sin circuito de control pero se puede
  usar cualquier motor de CC de unos 5 o 6 voltios y que no consuma demasiado
  para no agotar las pilas o baterías demasiado deprisa.

  El trazado lo podremos hacer sobre una cartulina blanca y para trazar las líneas
  usar cinta aislante negra, tener cuidado en no hacer curvas demasiado cerradas ya
  que si el robot es muy veloz (ruedas grandes) se saldrá de la trayectoria por
  inercia y al sacar los 2 sensores fuera de la línea no volverá a entrar
  (recordemos que este sistema no es micro controlado) por lo que
  haremos algunas pruebas antes de trazar el camino final.

  Pondremos el robot en la superficie de fondo blanca y lo alimentaremos, como
  los dos sensores están activos los motores permanecerán parados,
  ahora empujaremos el robot hasta la línea de trayectoria negra, al entrar uno de
  los sensores con la línea negra este hará que el motor del lago contrario empiece a
  funcionar con lo que el robot entrara por si solo en la trayectoria, cuando tenga
  los dos sensores viendo negro los 2motores estarán en marcha con lo que el
  robot avanzara en línea recta, ahora bien si el llega a una curva y supongamos que
  el sensor izquierdo sale de la línea negra entonces provocara que el motor del lado
  contrario (motor derecho) se desactiva con lo cual el robot girara a derecha (como
  un tanque) entrando de este modo en la línea negra otra vez... para el
  caso contrario pasa lo mismo pero con el otro motor y sensor.

El programa que se implementó en el microcontrolador es el siguiente:

;    ASM code generated by mikroVirtualMachine for PIC -
V.   5.0.0.3
;    Date/Time: 23/08/2012 23:28:31
;    Info: http://www.mikroelektronika.co.yu

; ADDRESS OPCODE    ASM
; ----------------------------------------------
$0000     $2804               GOTO _main
$0004     $    _main:
;motor_dc.c,1 ::         void main()
;motor_dc.c,3 ::         TRISB=0xff;
$0004     $30FF               MOVLW     255
$0005     $1303                 BCF STATUS, RP1
$0006     $1683                 BSF STATUS, RP0
$0007     $0086                 MOVWF     TRISB
;motor_dc.c,4 ::           PORTB=0xff;
$0008     $30FF                 MOVLW     255
$0009     $1283                 BCF STATUS, RP0
$000A     $0086                 MOVWF     PORTB
;motor_dc.c,5 ::           TRISA=0x00;
$000B     $1683                 BSF STATUS, RP0
$000C     $0185                 CLRF TRISA, 1
;motor_dc.c,6 ::           PORTA=0x0A;
$000D     $300A                 MOVLW     10
$000E     $1283                 BCF STATUS, RP0
$000F     $0085                 MOVWF     PORTA
;motor_dc.c,7 ::           while(1)
$0010     $    L_main_0:
;motor_dc.c,9 ::           if(PORTB.F0==0)
$0010     $3001                 MOVLW     1
$0011     $0506                 ANDWF     PORTB, 0
$0012     $00C1                 MOVWF     STACK_1
$0013     $0841                 MOVF STACK_1, 0
$0014     $3A00                 XORLW     0
$0015     $1D03                 BTFSS     STATUS, Z
$0016     $281A                 GOTO L_main_2
;motor_dc.c,11 ::          PORTA=0x01;
$0017     $3001                 MOVLW     1
$0018     $0085                 MOVWF     PORTA
;motor_dc.c,12 ::          }
$0019     $2831                 GOTO L_main_3
$001A     $    L_main_2:
;motor_dc.c,15 ::          if(PORTB.F1==0)
$001A     $3000                 MOVLW     0
$001B     $1886                 BTFSC     PORTB, 1
$001C     $3001                 MOVLW     1
$001D     $00C1                 MOVWF     STACK_1
$001E     $0841                 MOVF STACK_1, 0
$001F     $3A00                 XORLW     0
$0020     $1D03                 BTFSS     STATUS, Z
$0021     $2825                 GOTO L_main_4
;motor_dc.c,17 ::          PORTA=0X02;
$0022     $3002                 MOVLW     2
$0023     $0085                 MOVWF     PORTA
;motor_dc.c,18 ::          }
$0024     $2831                 GOTO L_main_5
$0025     $    L_main_4:
;motor_dc.c,21 ::          if(PORTB.F2==0)
$0025     $3000                 MOVLW     0
$0026     $1906                 BTFSC     PORTB, 2
    $0027     $3001                 MOVLW     1
    $0028     $00C1                 MOVWF     STACK_1
    $0029     $0841                 MOVF STACK_1, 0
    $002A     $3A00                 XORLW     0
    $002B     $1D03                 BTFSS     STATUS, Z
    $002C     $282F                 GOTO L_main_6
    ;motor_dc.c,23 ::          PORTA=0;
    $002D     $0185                 CLRF PORTA, 1
    ;motor_dc.c,24 ::          }
    $002E     $2831                 GOTO L_main_7
    $002F     $    L_main_6:
    ;motor_dc.c,27 ::          PORTA=0x03;
    $002F     $3003                 MOVLW    3
    $0030     $0085                 MOVWF    PORTA
    ;motor_dc.c,28 ::          }
    $0031     $    L_main_7:
    ;motor_dc.c,29 ::          }
    $0031     $    L_main_5:
    ;motor_dc.c,30 ::          }
    $0031     $    L_main_3:
    ;motor_dc.c,32 ::          }
    $0031     $2810                GOTO L_main_0
    ;motor_dc.c,33 ::          }
    $0032     $2832                GOTO $


CODIGO EN C
void main()
{
  TRISB=0xff;
  PORTB=0xff;
  TRISA=0x00;
  PORTA=0x0A;
while(1)
{
   if(PORTB.F0==0)
   {
     PORTA=0x01;
   }
   else
   {
      if(PORTB.F1==0)
      {
         PORTA=0X02;
      }
      else
{
            if(PORTB.F2==0)
            {
              PORTA=0;
            }
            else
            {
              PORTA=0x03;
            }
        }
    }

}
}

9. IMPACTO

    El proyecto de realizar un seguidor de línea tendrá gran impacto en la
    sociedad que la participe de la feria del Tecnológico de la EMI y las
    aportaciones científicas tecnológicas sin duda marcaran a los individuos como
    seres capaces de contribuir en grande.

    Es por ello que se pretende con esta obra motivar la creatividad de las
    personas en general. Hoy día en los momentos de la era tecnología, es
    necesario contribuir a nuestra sociedad en la elaboración de tecnologías
    capaces de mejorar el mundo en que vivimos, si es cierto que con las
    inventivas que hemos desarrollado han hecho daño a nuestro entorno también
    es correcto decir que somos capaces de crear sistemas beneficiosos para
    contrarrestar la degradación de nuestras acciones.

    Una de las aéreas tecnológicas que podemos explotar es la robótica e
    inteligencia artificial, la vida compuesta de estas máquinas son provechosas y
    está claro que su consumo es prácticamente poco lo cual las hace ser muy
    ahorrativas en el momento de apoyarnos en la tarea futura de analizar
    organizar y realizar las cosas que anteriormente solo podía realizar un
    humano, las propiedades que exhiben estos sistemas lógicos, son
    prácticamente sin limitaciones y además de ello son técnicas cada vez más
    aceptadas y, ya se encuentran dominando muchos de los trabajos, procesos
    que requieren de cierta pericia en la ejecución de órdenes algorítmicas.

    En el siguiente trabajo vemos la aplicación de órdenes previamente
    elaboradas y suministradas en el proyecto para la interacción con su entorno
    así entonces, logramos una maquina artificial, un seguidor de línea ejemplo de
    la aplicación ciencia tecnología en modo beneficioso, vemos entonces como
    conjugando problema y aplicación de tecnología se puede lograr favor en pro
    de la juventud, por ello la siguiente obra trata de un estudio fundamental en la
creación de una maquina autónoma ejemplo de el servicio beneficioso que e
   podría dar a nuestros estudiantes.
   Nuestro Seguidor de líneas, deberá realizar la tarea de reconocimiento de su
   entorno, en este caso, reconocer la línea negra y la parte de color cualquier
   otro.

10. BIBLIOGRAFIA

   http://es.wikipedia.org/wiki/Puente_H_%28electr%C3%B3nica%29
   http://www.retrogames.cl/grabador.html
   http://www.x-robotics.com/sensores.htm#Reflexivo%20CNY70
   http://jorgefloresvergaray.blogspot.com/2009/07/un-carrito-seguidor-de-linea-
   sencillo.html
   http://es.wikipedia.org/wiki/Robot_seguidor_de_l%C3%ADnea
   http://www.scribd.com/doc/490126/Seguidor-de-linea-negra
   http://mecatronica.wordpress.com/2008/03/25/carro-seguidor-de-linea/

11. ANEXOS
Seguidor de linea
Seguidor de linea
Seguidor de linea

Seguidor de linea

  • 1.
    PROYECTO “SEGUIDOR DELINEA” 1. TITULO Seguidor de línea 2. INTRODUCCIÓN En la electrónica una de las más importantes e interesantes áreas es la de la robótica no sólo porque hoy en día la tecnología a nivel mundial en algunos organismos políticos, empresas asimismo en recintos históricos e incluso religiosos podemos observar la actividad y trabajo de mecanismos electrónicos inteligentes; maquinas hechas por el hombre que se encargan de facilitar o incluso realizar completamente las tareas humanas de mayor riesgo, peligro, esfuerzo y pasatiempo. Tareas que para el hombre resultan difíciles, cansadas e incluso mortales, tareas que necesitan más de una persona lo cual económicamente genera gastos. Es con esto que surge ideas tecnológicas modernas que nos permiten acceder a mecanismos fáciles de manejar, construir y adquirir, consideramos presentar alternativas que puedan satisfacer las necesidades antes planteadas, nuestro proyecto presenta un “coche seguidor de línea” este tipo de dispositivo captara mediante sensor infrarrojo para poder llegar a su punto de llegada o partida. 3. ANTECEDENTES En la electrónica, robótica y lo sistemático importantes e interesantes áreas tiene una aplicación en casi todos los campos sino porque permite crear una cantidad ilimitada de modelos tecnológicos fantásticos al igual que una ilimitada de aplicaciones útiles en el hogar, en el colegio, en la industria, en el comercio, en todos los campos del conocimiento y del quehacer humano puede caber una aplicación de la robótica además, en nuestro caso, nos permite una aproximación a la programación y a la aplicación práctica de los conocimientos obtenidos teóricamente en clase. Los robots dispositivos o mecanismos “seguidores de línea” que cumplen una única misión: seguir una línea marcada en el suelo (normalmente una línea negra sobre un fondo blanco). Son considerados los "Hola mundo" de la robótica. Interacción se efectuó el análisis en base a requerimiento de nuestra creatividad e imaginación, como también se obtendrá la información necesaria para realizar el presente proyecto. Diseño del sistema se realizara la estructura asimismo se elegirá la arquitectura o circuitos como también efectuaremos y estableceremos el algoritmo del sistema.
  • 2.
    Edificación y arquitecturadefiniremos el programa en el que se realizara el sistema para la generación del código fuente y trabajamos el proceso y desarrollo. Evaluación y apreciación se verificara la funcionalidad del dispositivo conjuntamente se evaluara el funcionamiento a continuación se pasara al proceso de visto bueno. Manutención del sistema en esta fase podremos realizar la corrección y ampliación del dispositivo requerido asimismo se experimentara la calidad del circuito posteriormente se plasmara las respectivas mejoras. 4. PLANTEAMIENTO DEL PROBLEMA Que el carrito seguidor de línea cumpla con su única misión, seguir una línea marcada en el suelo o maqueta delimitada mediante sensores. Problema principal Carrito seguidor de línea ; no es una práctica muy difícil de realizar solo debes seguir los pasos adecuados teniendo curiosidad y paciencia ya que el escenario económico en el cual se desenvuelve nuestro país afecta a todos sean instituciones, entidades particulares públicas y privadas, esta situación de crisis no permite realizar proyectos tecnológicos de gran magnitud, pues de tal manera se observo en especial la ejecución de un proyectó “carrito seguidor de línea” mediante sensor construido con creatividad, paciencia, dedicación entre otras cosas relevantes y convenientes. Problema secundario Desde muchos años atrás la tecnología, robotica y sistemática ha evolucionado de manera extraordinario a paso gigantesco en los países denominados de primer mundo asimismo de tercer mundo como es el nuestro con problemas socios económicos etc. En la actualidad solo se puede realizar mini proyectos tecnológicos, con el inconveniente del costo de estos sistemas, el presente trabajo se propone el diseño y ejecución de un dispositivo “carrito seguidor de línea”, el cual se adapta y funciona en medio de una maqueta. . 5. OBJETIVOS Objetivo general El presente proyecto tiene el objetivo de mostrar objetivamente el seguidor de línea, efectuado y elaborado mediante la programación de PIC, para exhibir la tecnología en nuestro medio con material, artículos y circuitos.
  • 3.
    Objetivos específicos • Lograr un seguidor de línea que siga un camino marcado con línea utilizando solo compuertas lógicas. • Conocer más acerca de la robótica, dispositivos y mecanismos, así como analizar las ventajas y desventajas de los robots. • Encontrar y adaptar los sensores necesarios para detectar líneas negras contra fondo blanco 6. JUSTIFICACIÓN Pese a que vivimos en una era digital a nivel mundial para el ser humano investigamos y ponemos a demostración con el objetivo principal la realización del proyecto “carrito seguidor de línea”, el diseño adoptado para el montaje del carrito fue acertado ya que se facilitó la ubicación de los sensores y se desempeñe de l a mejor manera en las tareas asignadas. El seguidor de línea es una herramienta que estimula la creatividad y desarrollo de los conocimientos adquiridos en la formación académica como resultado de este proyecto cumple con las expectativas iníciales, el seguimiento de la línea negra con fondo blanco. 7. METODOLOGIA (MATERIALES Y METODOS) Estos robots pueden variar desde los más básicos (van tras una línea única) hasta los robots que recorren laberintos. Todos ellos, sin embargo, poseen (por lo general) ciertas partes básicas comunes entre todos. Funcionamiento Todos los rastreadores basan su funcionamiento en los sensores. Sin embargo, dependiendo de la complejidad del recorrido, el robot debe ser más o menos complejo (y, por ende, utilizar más o menos sensores). Los rastreadores más simples utilizan 2 sensores, ubicados en la parte inferior de la estructura, uno junto al otro. Cuando uno de los 2 sensores detecta el color blanco, significa que el robot está saliendo de la línea negra por ese lado. En ese momento, el robot gira hacia el lado contrario hasta que vuelve a estar sobre la línea. Esto en el caso de los seguidores de línea negra, ya que también hay seguidores de línea blanca. Las 2 maneras más comunes de armar los rastreadores son: OPAMPS (Amplificadores Operacionales), o con simples transistores trabajados en su
  • 4.
    zona de saturacion.Esto dependiendo de la complejidad con la que se quiera armar el circuito. Podemos utilizar un microcontrolador para realizar las funciones de control o guardar en él la forma del recorrido por una pista. También sirve como escaneador eléctrico . Construccion Funcionamiento de un Robot Seguidor de Línea, el cual construí con los sgtes. materiales:  2 Sensores CNY70.  4 Resistencias de 220 Ohmios.  2 Resistencias de 100 kOhms  2 Resistencias de 1000 Ohms.  1 Microprocesador (PIC) 1036 BEG  1 Circuito Integrado ULN2003 APG.  2 Leds.  2 Transistores BC548.  1 Fuente de 5 Volts.  2 Condensadores Electrolíticos de 1uF.  2 Motores DC de 5 V con caja reductora. (puxa, el terror para encontrarlas, tuve que pedir de Lima y encima no hay nuevas).  Una rueda libre o rueda loca, fue una tortura buscar esta también, pero encontré en una tienda de repuestos de maletas. aunque al final tuve que hacerme una yo (más chica).  2 ruedas pequeñas de algún carrito Transistor El transistor es un dispositivo electrónico semiconductor que cumple funciones de amplificador, oscilador, conmutador o rectificador. El término «transistor» es la contracción en inglés de transfer resistor («resistencia de transferencia»). Actualmente se encuentran prácticamente en todos los aparatos electrónicos de uso diario: radios, televisores, reproductores de audio y video, relojes de cuarzo, computadoras, lámparas fluorescentes, tomógrafos, teléfonos celulares, etc. El transistor sustituyo a los tubos de vacío electrónicos en los años 60, fue uno de los inventos que revolucionó la electrónica. Comparándolo en el tiempo, se asemeja al descubrimiento del fuego o a la invención de la rueda. Su función es muy variada, como ya te lo han explicado otros. Su manejo es muy interesante e importante, porque dió pie al desarrollo de los semiconductores.
  • 5.
    Resistencia Electrica La cantidadde corriente que fluye en un circuito depende del voltaje que suministra la fuente de voltaje. El flujo de corriente también depende de la resistencia que opone el conductor al flujo de carga: la resistencia eléctrica. La resistencia de un cable depende de la conductividad del material del que está hecho y también del espesor y de la longitud del cable. La resistencia eléctrica es menor en los cables gruesos que en los delgados. Los cables largos oponen más resistencia que los cortos. Además, la resistencia depende de la temperatura. Cuanto más se agitan los átomos dentro del conductor, mayor es la resistencia que el mismo opone al flujo de carga. En la mayoría de los casos, un aumento de temperatura se traduce en un incremento en la resistencia del conductor. La resistencia eléctrica se mide en unidades llamadas ohms (W) en honor a Georg Simón Ohm, físico alemán que puso a prueba distintos tipos de cable en diversos circuitos para determinar el efecto de la resistencia del cable en la corriente.
  • 6.
    Sensor Un sensor ocaptador, como prefiera llamársele, no es más que un dispositivo diseñado para recibir información de una magnitud del exterior y transformarla en otra magnitud, normalmente eléctrica, que seamos capaces de cuantificar y manipular. Normalmente estos dispositivos se encuentran realizados mediante la utilización de componentes pasivos (resistencias variables, PTC, NTC, LDR, etc... todos aquellos componentes que varían su magnitud en función de alguna variable), y la utilización de componentes activos. Pero el tema constructivo de los captadores lo dejaremos a un lado, ya que no es el tema que nos ocupa, más adelante incluiremos en el WEB SITE algún diseño en particular de algún tipo de sensor. Como puede verse en el esquema, el sensor se alimenta por sus patitas 1 y 3 y estas corresponden a Vcc y Gnd respectivamente, la patita 2 es la salida del detector y la patita 4 es la salida que modula al led emisor externo. Mediante el potenciómetro P1 se varia la distancia a la que es detectado el objeto. Contra mas baja sea la resistencia de este potenciómetro, mas intensa será la luz emitida por el diodo de IR y por lo tanto mayor la distancia a la que puede detectar el objeto. El el siguiente esquema vemos el simple circuito necesario para hacer funcionar al sensor.
  • 7.
    Motor DC El motorde corriente continua es una máquina que convierte la energía eléctrica en mecánica, provocando un movimiento rotatorio. En la actualidad existen nuevas aplicaciones con motores eléctricos que no producen movimiento rotatorio, sino que con algunas modificaciones, ejercen tracción sobre un riel. Estos motores se conocen como motores lineales. Esta máquina de corriente continua es una de las más versátiles en la industria. Su fácil control deposición, paro y velocidad la han convertido en una de las mejores opciones en aplicaciones de control y automatización de procesos. Pero con la llegada de la electrónica su uso ha disminuido en gran medida, pues los motores de corriente alterna, del tipo asíncrono, pueden ser controlados de igual forma a precios más accesibles para el consumidor medio de la industria. A pesar de esto los motores de corriente continua se siguen utilizando en muchas aplicaciones de potencia (trenes y tranvías) o de precisión (máquinas, micro motores, etc.)La principal característica del motor de corriente continua es la posibilidad de regular la velocidad desde vacío a plena carga. Protoboard Una placa de pruebas, también conocida como protoboard o breadboard, es una placa de uso genérico reutilizable o semipermanente, usado para construir prototipos de circuitos electrónicos con o sin soldadura. Normalmente se utilizan para la realización de pruebas experimentales. Además de los protoboard plásticos, libres de soldadura, también existen en el mercado otros modelos de placas de prueba. Rueda loca La rueda loca (caster wheel en inglés) es una rueda sin tracción, simple o doble, que puede girar libremente y que generalmente está situada en la parte inferior de una estructura. Se utiliza en carros de la compra, sillas de oficina o vehículos. Existen dos tipos de rueda loca:
  • 8.
    Rígida.-Sujeta a lasuperficie con una estructura rígida que le permite sin embargo girar adelante y atrás. De pivote o Rotatoria.-Sujeta a la superficie con una estructura que tiene un eje en su centro, anclado a la rueda que puede girar libremente. Cable electrico Se llama cable eléctrico a un conductor (generalmente cobre) o conjunto de ellos generalmente recubierto de un material aislante o protector. Tarjeta de control La toma de decisiones y el control de los motores están generalmente a cargo de un microcontrolador. La tarjeta de control contiene dicho elemento, junto a otros componentes electrónicos básicos que requiere el microcontrolador para funcionar. 8. DESCRIPCION GENERAL DEL PROYECTO El programa consiste en que un microbot sigue un camino hecho en cinta negra de una forma autónoma controlado por un PIC16F877A hasta el punto en que detecta un cruce de cintas, en ese momento envía a el puerto serial de la PC a una velocidad de 9600 Baudios los diferentes estados de los sensores que este tiene ubicado en la parte de abajo (CNY70), esperando recibir una orden de la red neuronal creada en Matlab para que el microbot siga la trayectoria que se le ordena. El cerebro del microbot esta compuesto por un PIC1036BEG de Microchip y una red neuronal.
  • 9.
    El microbot estácompuesto por 2 servomotores de giro continuo para el desplazamiento de este, además consta de un gripper para la recolección de objetos que se encuentren en el laberinto. El gripper está dotado de 2 servomotores de 180° para la articulación (mano, muñeca). Nuestro microbot se va a movilizar en una pista de fondo blanco con las trayectorias trazadas por una cinta aislante de color negro, esta pista consta con cruces a ángulos de 90° y líneas rectas con objetos ubicados en el camino. Los ojos del microbot son 2 sensores de reflexión tipo LED ubicados estratégicamente en la parte inferior del seguidor. Dos de estos se encargan de hacer que el robot siga línea y los otros son para detectar cruces en la pista. Este se puede comunicar vía serial gracias a un integrado el cual se encarga de sincronizar los datos enviados y recibidos entre el PC y el Micro controlador, respectivamente.
  • 10.
    Para la normalizaciónde las señales enviadas por los diferentes sensores se empleó un buffer schmitch trigger 40106BE para evitar las interpretaciones erróneas en el PIC. Los sensores pasan por las entradas del integrado 40106BE y las salidas se conectan al micro controlador. Está compuesta de una pinza y un depósito para la recolección de los objetos, dos ruedas de 10 cms de diámetro con un servomotor acoplado en cada una, estas tienen la función de desplazar el microbot por la pista ejerciendo la tracción necesaria. Además posee una rueda loca de acero con el fin de evitar el menor rozamiento posible durante el movimiento de este. El programa para el micro controlador se configura la comunicación serial, las entradas y salidas, sensores y motores respectivamente.
  • 11.
    8.1. ANALISIS PRELIMINAR Trabajando en el diseño del robot seguidor de líneas, se han aplicado conocimientos adquiridos en el transcurso de la carrera, siendo esta una de las metas en el desarrollo del educando, una educación integral es necesaria para contribuir en conocimiento a la ciencia, siendo estos unos de los objetivos comunes en el gremio y carrera de Sistemas. Construir diseñar una máquina capaz de tener autonomía es verdaderamente satisfactorio pues se utilizan diversos conocimientos, que en diferentes eventos de la vida han sido tomados. El trabajo que se ha realizado en parte es una obra que se espera sea aplicada o sirva de material analítico para futuras investigaciones ya que en el se integran partes y piezas electrónicas muy comunes también componentes aplicados en fundamentos de electrónica como motores y sensores, así también se complementa con circuito micro controlador que a nivel de programación es vital en la enseñanza, de tal manera que el proyecto puede ser para instrucción de nivel fundamental y nivel adelantado. 8.2. DESARROLLO DEL PROYECTO Todos los rastreadores basan su funcionamiento en los sensores. Sin embargo, dependiendo de la complejidad del recorrido, el robot debe ser más o menos complejo (y, por ende, utilizar más o menos sensores). Los rastreadores más simples utilizan 2 sensores, ubicados en la parte inferior de la estructura, uno junto al otro. Cuando uno de los 2 sensores detecta el color blanco, significa que el robot está saliendo de la línea negra por ese lado. En ese momento, el robot gira hacia el lado contrario hasta que vuelve a estar sobre la línea. Esto en el caso de los seguidores de línea negra, ya que también hay seguidores de línea blanca. Las 2 maneras más comunes de armar los rastreadores son: OPAMPS (Amplificadores Operacionales), o con simples transistores trabajados en su zona de saturación. Esto dependiendo de la complejidad con la que se quiera armar el circuito. Podemos utilizar un micro controlador para realizar las funciones de control o guardar en él la forma del recorrido por una pista. También sirve como escaneado eléctrico. El robot se compondrá de un circuito que podremos hacer fácilmente con una placa de topos o de prototipos o usando los fotolitos expuestos y este tendrá dos circuitos exactamente igual es uno para cada motor e irán cruzados con lo que el sensor izquierdo actuara sobre el motor derecho y el sensor derecho sobre el motor izquierdo tal como se muestra en la ilustración. Los motores tienen que ser de corriente continua y habrá que fabricarles una reductora si no disponen de ella para mover las ruedas, contra más grandes sean las ruedas,
  • 12.
    más velocidad alcanzarael robot, aunque no hay que pasarse con el diámetro de estas porque si no en las curvas se saldrá de trayectoria, unos 6 cm. es lo ideal. Los sensores irán dispuestos mirando al suelo y a unos 2 o 3 mm de separación desde el suelo a la superficie del sensor y la separación entre ambos sensores será para que quede dentro de la línea negra que vayamos a usar como trayectoria. En mi montaje he utilizado dos servos trucados de manera que queden solo los motores CC con la reductora o sea sin circuito de control pero se puede usar cualquier motor de CC de unos 5 o 6 voltios y que no consuma demasiado para no agotar las pilas o baterías demasiado deprisa. El trazado lo podremos hacer sobre una cartulina blanca y para trazar las líneas usar cinta aislante negra, tener cuidado en no hacer curvas demasiado cerradas ya que si el robot es muy veloz (ruedas grandes) se saldrá de la trayectoria por inercia y al sacar los 2 sensores fuera de la línea no volverá a entrar (recordemos que este sistema no es micro controlado) por lo que haremos algunas pruebas antes de trazar el camino final. Pondremos el robot en la superficie de fondo blanca y lo alimentaremos, como los dos sensores están activos los motores permanecerán parados, ahora empujaremos el robot hasta la línea de trayectoria negra, al entrar uno de los sensores con la línea negra este hará que el motor del lago contrario empiece a funcionar con lo que el robot entrara por si solo en la trayectoria, cuando tenga los dos sensores viendo negro los 2motores estarán en marcha con lo que el robot avanzara en línea recta, ahora bien si el llega a una curva y supongamos que el sensor izquierdo sale de la línea negra entonces provocara que el motor del lado contrario (motor derecho) se desactiva con lo cual el robot girara a derecha (como un tanque) entrando de este modo en la línea negra otra vez... para el caso contrario pasa lo mismo pero con el otro motor y sensor. El programa que se implementó en el microcontrolador es el siguiente: ; ASM code generated by mikroVirtualMachine for PIC - V. 5.0.0.3 ; Date/Time: 23/08/2012 23:28:31 ; Info: http://www.mikroelektronika.co.yu ; ADDRESS OPCODE ASM ; ---------------------------------------------- $0000 $2804 GOTO _main $0004 $ _main: ;motor_dc.c,1 :: void main() ;motor_dc.c,3 :: TRISB=0xff; $0004 $30FF MOVLW 255
  • 13.
    $0005 $1303 BCF STATUS, RP1 $0006 $1683 BSF STATUS, RP0 $0007 $0086 MOVWF TRISB ;motor_dc.c,4 :: PORTB=0xff; $0008 $30FF MOVLW 255 $0009 $1283 BCF STATUS, RP0 $000A $0086 MOVWF PORTB ;motor_dc.c,5 :: TRISA=0x00; $000B $1683 BSF STATUS, RP0 $000C $0185 CLRF TRISA, 1 ;motor_dc.c,6 :: PORTA=0x0A; $000D $300A MOVLW 10 $000E $1283 BCF STATUS, RP0 $000F $0085 MOVWF PORTA ;motor_dc.c,7 :: while(1) $0010 $ L_main_0: ;motor_dc.c,9 :: if(PORTB.F0==0) $0010 $3001 MOVLW 1 $0011 $0506 ANDWF PORTB, 0 $0012 $00C1 MOVWF STACK_1 $0013 $0841 MOVF STACK_1, 0 $0014 $3A00 XORLW 0 $0015 $1D03 BTFSS STATUS, Z $0016 $281A GOTO L_main_2 ;motor_dc.c,11 :: PORTA=0x01; $0017 $3001 MOVLW 1 $0018 $0085 MOVWF PORTA ;motor_dc.c,12 :: } $0019 $2831 GOTO L_main_3 $001A $ L_main_2: ;motor_dc.c,15 :: if(PORTB.F1==0) $001A $3000 MOVLW 0 $001B $1886 BTFSC PORTB, 1 $001C $3001 MOVLW 1 $001D $00C1 MOVWF STACK_1 $001E $0841 MOVF STACK_1, 0 $001F $3A00 XORLW 0 $0020 $1D03 BTFSS STATUS, Z $0021 $2825 GOTO L_main_4 ;motor_dc.c,17 :: PORTA=0X02; $0022 $3002 MOVLW 2 $0023 $0085 MOVWF PORTA ;motor_dc.c,18 :: } $0024 $2831 GOTO L_main_5 $0025 $ L_main_4: ;motor_dc.c,21 :: if(PORTB.F2==0) $0025 $3000 MOVLW 0
  • 14.
    $0026 $1906 BTFSC PORTB, 2 $0027 $3001 MOVLW 1 $0028 $00C1 MOVWF STACK_1 $0029 $0841 MOVF STACK_1, 0 $002A $3A00 XORLW 0 $002B $1D03 BTFSS STATUS, Z $002C $282F GOTO L_main_6 ;motor_dc.c,23 :: PORTA=0; $002D $0185 CLRF PORTA, 1 ;motor_dc.c,24 :: } $002E $2831 GOTO L_main_7 $002F $ L_main_6: ;motor_dc.c,27 :: PORTA=0x03; $002F $3003 MOVLW 3 $0030 $0085 MOVWF PORTA ;motor_dc.c,28 :: } $0031 $ L_main_7: ;motor_dc.c,29 :: } $0031 $ L_main_5: ;motor_dc.c,30 :: } $0031 $ L_main_3: ;motor_dc.c,32 :: } $0031 $2810 GOTO L_main_0 ;motor_dc.c,33 :: } $0032 $2832 GOTO $ CODIGO EN C void main() { TRISB=0xff; PORTB=0xff; TRISA=0x00; PORTA=0x0A; while(1) { if(PORTB.F0==0) { PORTA=0x01; } else { if(PORTB.F1==0) { PORTA=0X02; } else
  • 15.
    { if(PORTB.F2==0) { PORTA=0; } else { PORTA=0x03; } } } } } 9. IMPACTO El proyecto de realizar un seguidor de línea tendrá gran impacto en la sociedad que la participe de la feria del Tecnológico de la EMI y las aportaciones científicas tecnológicas sin duda marcaran a los individuos como seres capaces de contribuir en grande. Es por ello que se pretende con esta obra motivar la creatividad de las personas en general. Hoy día en los momentos de la era tecnología, es necesario contribuir a nuestra sociedad en la elaboración de tecnologías capaces de mejorar el mundo en que vivimos, si es cierto que con las inventivas que hemos desarrollado han hecho daño a nuestro entorno también es correcto decir que somos capaces de crear sistemas beneficiosos para contrarrestar la degradación de nuestras acciones. Una de las aéreas tecnológicas que podemos explotar es la robótica e inteligencia artificial, la vida compuesta de estas máquinas son provechosas y está claro que su consumo es prácticamente poco lo cual las hace ser muy ahorrativas en el momento de apoyarnos en la tarea futura de analizar organizar y realizar las cosas que anteriormente solo podía realizar un humano, las propiedades que exhiben estos sistemas lógicos, son prácticamente sin limitaciones y además de ello son técnicas cada vez más aceptadas y, ya se encuentran dominando muchos de los trabajos, procesos que requieren de cierta pericia en la ejecución de órdenes algorítmicas. En el siguiente trabajo vemos la aplicación de órdenes previamente elaboradas y suministradas en el proyecto para la interacción con su entorno así entonces, logramos una maquina artificial, un seguidor de línea ejemplo de la aplicación ciencia tecnología en modo beneficioso, vemos entonces como conjugando problema y aplicación de tecnología se puede lograr favor en pro de la juventud, por ello la siguiente obra trata de un estudio fundamental en la
  • 16.
    creación de unamaquina autónoma ejemplo de el servicio beneficioso que e podría dar a nuestros estudiantes. Nuestro Seguidor de líneas, deberá realizar la tarea de reconocimiento de su entorno, en este caso, reconocer la línea negra y la parte de color cualquier otro. 10. BIBLIOGRAFIA http://es.wikipedia.org/wiki/Puente_H_%28electr%C3%B3nica%29 http://www.retrogames.cl/grabador.html http://www.x-robotics.com/sensores.htm#Reflexivo%20CNY70 http://jorgefloresvergaray.blogspot.com/2009/07/un-carrito-seguidor-de-linea- sencillo.html http://es.wikipedia.org/wiki/Robot_seguidor_de_l%C3%ADnea http://www.scribd.com/doc/490126/Seguidor-de-linea-negra http://mecatronica.wordpress.com/2008/03/25/carro-seguidor-de-linea/ 11. ANEXOS