ACOPLAMIENTOS RIGIDOS
INTRODUCCION
• Los acoplamientos tienen por función prolongar líneas de
transmisión de ejes o conectar tramos de diferentes ejes, estén o no
alineados entre sí. Para llevar a cabo tales funciones se disponen de
diferentes tipos de acoplamientos mecánicos.
• Los acoplamientos se clasifican en los siguientes tipos:
Acoplamientos Rígidos (Acoplamientos Rígidos de manguito o con
prisionero, Acoplamientos Rígidos de platillos, Acoplamientos
Rígidos por sujeción cónica).
Acoplamientos flexibles (Acoplamientos flexibles de Manguitos de
goma, Acoplamientos flexibles de Disco Flexible, Acoplamientos
flexibles de fuelle Helicoidales, Acoplamientos flexibles de Quijadas
de Goma, Acoplamientos flexibles Direccionales de tipo Falk,
Acoplamientos flexibles de Cadenas, Acoplamientos flexibles de
Engrane, Acoplamientos flexibles de fuelle metálico)
Acoplamientos especiales o articulados (Junta eslabonada de
desplazamiento lateral, Junta universal más bien conocida como
cruceta o cardán).
Acoplamientos deslizantes; Acoplamientos de sobrecarga, etc.
objetivos
• Describir los principales tipos de acoplamientos
• Reconocer un acoplamiento rígido, tipos de este
acoplamiento.
• Conocer las ventajas y desventajas que podemos observar en
los acoplamientos mencionados.
• El objetivo de estos mecanismos es poder trabajar en lugares
con espacio reducido.
ACOPLAMIENTOS
• Los acoplamientos o acoples mecánicos son elementos de una
máquina que sirven para prolongar líneas de transmisión de
ejes o conectar tramos de diferentes ejes, en planos diferentes
o con dirección paralela, para transmitir energía, estos
dispositivos de acople también cumplen con la función de
proteger su sistema y el mismo mecanismo de sujeción contra
cargas y fuerzas excesivas.
¿PARA QUE SIRVEN?
Los acoplamientos pueden tener muchas funciones, pero su
propósito principal es el de conectar los ejes de las unidades que
fueron manufacturadas por separado y que giran, como el motor
o el generador.
Estos, sin embargo, sí permiten un cierto movimiento final o
desalineación para la flexibilidad y también proporcionan una
fácil desconexión de los dos dispositivos independientes para las
reparaciones o modificaciones. Además, reducen el choque que
se transmite de un eje a otro, protegen contra las sobrecargas y
pueden alterar la cantidad de vibraciones que experimenta una
unidad giratoria.
TIPOS DE ACOPLAMIENTOS
• Acoplamientos Rígidos (Acoplamientos Rígidos de manguito o
con prisionero, Acoplamientos Rígidos de platillos,
Acoplamientos Rígidos por sujeción cónica).
• Acoplamientos flexibles (Acoplamientos flexibles de
Manguitos de goma, Acoplamientos flexibles de Disco
Flexible, Acoplamientos flexibles de fuelle Helicoidales,
Acoplamientos flexibles de Quijadas de Goma, Acoplamientos
flexibles Direccionales de tipo Falk, Acoplamientos flexibles de
Cadenas, Acoplamientos flexibles de Engrane, Acoplamientos
flexibles de fuelle metálico)
• Acoplamientos especiales o articulados (Junta eslabonada de
desplazamiento lateral, Junta universal más bien conocida
como cruceta o cardán).
• Acoplamientos deslizantes; Acoplamientos de sobrecarga, etc.
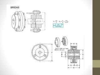
ACOPLAMIENTOS RIGIDOS
El acoplamiento rígido une dos ejes de forma apretada para que no sea posible que
se genere movimiento entre ellos. Este tipo de acoples se usa cuando se requiere de
una alineación precisa. Con esta alineación precisa y una unión apretada, los acoples
rígidos son capaces de maximizar el rendimiento de una máquina.
Los acoplamientos rígidos se diseñan para unir dos ejes en forma apretada de
manera que no sea posible que se genere movimiento relativo entre ellos. Este
diseño es deseable para ciertos tipos de equipos en los cuales se requiere una
alineación precisa de dos ejes que puede lograrse; en tales casos el acople debe
diseñarse de tal forma que sea capaz de transmitir el torque en los ejes. Los
acoplamientos rígidos deben emplearse solo cuando la alineación de los dos ejes
puede mantenerse con mucha precisión, no solo en elemento en que se instalan,
sino también durante la operación de las máquinas. Si surge desalineación angular,
radial o axial significativa, aquellas tensiones que son difíciles de predecir y pueden
conducir a una falla temprana del eje debida a fatiga pueden ser inducidas sobre los
ejes. Dificultades como las anteriores son susceptibles de evitarse utilizando
acoplamientos flexibles.
ACOPLAMIENTOS RIGIDOS
ACOPLAMIENTOS RIGIDOS CON
MANGUITO O PRISIONERO
Este tipo de acoplamiento es muy adecuado para conectar ejes de
transmisión. Estos acoplamientos cierran o ajustan por interferencia
Consta de dos mitades concéntricas de fundición gris cepilladas y unidas
entre sí por bulones de acero, por tornillos y tuerca. Al ser ajustados
realizan la unión de los ejes
Además, para asegurar el arrastre, una de las mitades tiene dos pernos fijos
que se encastrarán en sendos agujeros practicados en ambos ejes a acoplar.
Algunos suelen poseer una chaveta o un prisionero común a ambos ejes, sin
embargo es usual que estos casos se empleen en transmisiones de baja
potencia o bajo torque. Los que tienen un ajuste preponderante por
interferencia suelen tener los prisioneros con extremos en forma de tazas
para que se incrusten mejor en el eje, a su vez los ejes en los extremos
deben tener algún ligero rebaje para efectuar el ajuste en forma gradual. En
caso de no contar con datos de fabricante, para detalles de cálculo de
interferencia se sugiere emplear coeficientes de rozamiento de entre 0.15 y
0.20, correspondientes a la fricción de hierro fundido.
ACOPLAMIENTOS RIGIDOS DE
PLATILLO
Los platillos se ajustan fuertemente por medio de pernos y
chavetas de material muy resistente. Estos dispositivos pueden
calcularse aunque no se cuente con datos del fabricante,
empleando hipótesis de esfuerzos cortante en los pernos de
unión e hipótesis de fricción en toda la superficie de contacto, sin
embargo se supone como condición de trabajo más segura
emplear la hipótesis de corte puro. En estas circunstancias se
debe garantizar un maquinado muy preciso en los alojamientos
de los pernos y deben coincidir perfectamente.
ACOPLAMIENTOS RIGIDOS POR
SUJECCION CONICA
Se fabrican en varios diseños, siendo el más común el
acoplamiento de dos o más piezas divididas, que se fijan
alrededor de los ejes y que transmiten el torque por fricción e
interferencia. El efecto de bloqueo se logra cuando el collarín
dividido de superficie cónica es presionado entre el eje y la
carcasa del acoplamiento, también de superficie cónica.
ACOPLAMIENTOS RIGIDOS POR
SUJECCION CONICA
CONCLUSIONES
• El uso de acoplamientos, se convierte rápidamente en parte integral de
muchos programas de mantenimiento predictivo en las industrias que
involucran procesos productivos. Por lo tanto, los profesionales de
nuestra área de mantenimiento industrial deben cumplir
satisfactoriamente los conocimientos de teorías de operación y
funcionamiento.
• Si bien es posible diseñar acoplamientos de alto rendimiento con fines
específicos para la mayoría de las aplicaciones, algunos tipos se adaptan
mejor que otros. Seleccionar el mejor diseño puede garantizar un
funcionamiento más confiable de las maquinarias.
• La vibración de un acoplamiento y algunas veces su deterioro pueden
ser un síntoma de otros problemas presentes. El significado de tales
vibraciones se enfoca en la relación acoplamiento vibración y debe ser
analizada por el encargado de mantenimiento desde una perspectiva
proactiva.

Acoplamientos rigidos

  • 1.
  • 2.
    INTRODUCCION • Los acoplamientostienen por función prolongar líneas de transmisión de ejes o conectar tramos de diferentes ejes, estén o no alineados entre sí. Para llevar a cabo tales funciones se disponen de diferentes tipos de acoplamientos mecánicos. • Los acoplamientos se clasifican en los siguientes tipos: Acoplamientos Rígidos (Acoplamientos Rígidos de manguito o con prisionero, Acoplamientos Rígidos de platillos, Acoplamientos Rígidos por sujeción cónica). Acoplamientos flexibles (Acoplamientos flexibles de Manguitos de goma, Acoplamientos flexibles de Disco Flexible, Acoplamientos flexibles de fuelle Helicoidales, Acoplamientos flexibles de Quijadas de Goma, Acoplamientos flexibles Direccionales de tipo Falk, Acoplamientos flexibles de Cadenas, Acoplamientos flexibles de Engrane, Acoplamientos flexibles de fuelle metálico) Acoplamientos especiales o articulados (Junta eslabonada de desplazamiento lateral, Junta universal más bien conocida como cruceta o cardán). Acoplamientos deslizantes; Acoplamientos de sobrecarga, etc.
  • 3.
    objetivos • Describir losprincipales tipos de acoplamientos • Reconocer un acoplamiento rígido, tipos de este acoplamiento. • Conocer las ventajas y desventajas que podemos observar en los acoplamientos mencionados. • El objetivo de estos mecanismos es poder trabajar en lugares con espacio reducido.
  • 4.
    ACOPLAMIENTOS • Los acoplamientoso acoples mecánicos son elementos de una máquina que sirven para prolongar líneas de transmisión de ejes o conectar tramos de diferentes ejes, en planos diferentes o con dirección paralela, para transmitir energía, estos dispositivos de acople también cumplen con la función de proteger su sistema y el mismo mecanismo de sujeción contra cargas y fuerzas excesivas.
  • 5.
    ¿PARA QUE SIRVEN? Losacoplamientos pueden tener muchas funciones, pero su propósito principal es el de conectar los ejes de las unidades que fueron manufacturadas por separado y que giran, como el motor o el generador. Estos, sin embargo, sí permiten un cierto movimiento final o desalineación para la flexibilidad y también proporcionan una fácil desconexión de los dos dispositivos independientes para las reparaciones o modificaciones. Además, reducen el choque que se transmite de un eje a otro, protegen contra las sobrecargas y pueden alterar la cantidad de vibraciones que experimenta una unidad giratoria.
  • 6.
    TIPOS DE ACOPLAMIENTOS •Acoplamientos Rígidos (Acoplamientos Rígidos de manguito o con prisionero, Acoplamientos Rígidos de platillos, Acoplamientos Rígidos por sujeción cónica). • Acoplamientos flexibles (Acoplamientos flexibles de Manguitos de goma, Acoplamientos flexibles de Disco Flexible, Acoplamientos flexibles de fuelle Helicoidales, Acoplamientos flexibles de Quijadas de Goma, Acoplamientos flexibles Direccionales de tipo Falk, Acoplamientos flexibles de Cadenas, Acoplamientos flexibles de Engrane, Acoplamientos flexibles de fuelle metálico) • Acoplamientos especiales o articulados (Junta eslabonada de desplazamiento lateral, Junta universal más bien conocida como cruceta o cardán). • Acoplamientos deslizantes; Acoplamientos de sobrecarga, etc.
  • 7.
    ACOPLAMIENTOS RIGIDOS El acoplamientorígido une dos ejes de forma apretada para que no sea posible que se genere movimiento entre ellos. Este tipo de acoples se usa cuando se requiere de una alineación precisa. Con esta alineación precisa y una unión apretada, los acoples rígidos son capaces de maximizar el rendimiento de una máquina. Los acoplamientos rígidos se diseñan para unir dos ejes en forma apretada de manera que no sea posible que se genere movimiento relativo entre ellos. Este diseño es deseable para ciertos tipos de equipos en los cuales se requiere una alineación precisa de dos ejes que puede lograrse; en tales casos el acople debe diseñarse de tal forma que sea capaz de transmitir el torque en los ejes. Los acoplamientos rígidos deben emplearse solo cuando la alineación de los dos ejes puede mantenerse con mucha precisión, no solo en elemento en que se instalan, sino también durante la operación de las máquinas. Si surge desalineación angular, radial o axial significativa, aquellas tensiones que son difíciles de predecir y pueden conducir a una falla temprana del eje debida a fatiga pueden ser inducidas sobre los ejes. Dificultades como las anteriores son susceptibles de evitarse utilizando acoplamientos flexibles.
  • 8.
  • 9.
    ACOPLAMIENTOS RIGIDOS CON MANGUITOO PRISIONERO Este tipo de acoplamiento es muy adecuado para conectar ejes de transmisión. Estos acoplamientos cierran o ajustan por interferencia Consta de dos mitades concéntricas de fundición gris cepilladas y unidas entre sí por bulones de acero, por tornillos y tuerca. Al ser ajustados realizan la unión de los ejes Además, para asegurar el arrastre, una de las mitades tiene dos pernos fijos que se encastrarán en sendos agujeros practicados en ambos ejes a acoplar. Algunos suelen poseer una chaveta o un prisionero común a ambos ejes, sin embargo es usual que estos casos se empleen en transmisiones de baja potencia o bajo torque. Los que tienen un ajuste preponderante por interferencia suelen tener los prisioneros con extremos en forma de tazas para que se incrusten mejor en el eje, a su vez los ejes en los extremos deben tener algún ligero rebaje para efectuar el ajuste en forma gradual. En caso de no contar con datos de fabricante, para detalles de cálculo de interferencia se sugiere emplear coeficientes de rozamiento de entre 0.15 y 0.20, correspondientes a la fricción de hierro fundido.
  • 11.
    ACOPLAMIENTOS RIGIDOS DE PLATILLO Losplatillos se ajustan fuertemente por medio de pernos y chavetas de material muy resistente. Estos dispositivos pueden calcularse aunque no se cuente con datos del fabricante, empleando hipótesis de esfuerzos cortante en los pernos de unión e hipótesis de fricción en toda la superficie de contacto, sin embargo se supone como condición de trabajo más segura emplear la hipótesis de corte puro. En estas circunstancias se debe garantizar un maquinado muy preciso en los alojamientos de los pernos y deben coincidir perfectamente.
  • 13.
    ACOPLAMIENTOS RIGIDOS POR SUJECCIONCONICA Se fabrican en varios diseños, siendo el más común el acoplamiento de dos o más piezas divididas, que se fijan alrededor de los ejes y que transmiten el torque por fricción e interferencia. El efecto de bloqueo se logra cuando el collarín dividido de superficie cónica es presionado entre el eje y la carcasa del acoplamiento, también de superficie cónica.
  • 14.
  • 15.
    CONCLUSIONES • El usode acoplamientos, se convierte rápidamente en parte integral de muchos programas de mantenimiento predictivo en las industrias que involucran procesos productivos. Por lo tanto, los profesionales de nuestra área de mantenimiento industrial deben cumplir satisfactoriamente los conocimientos de teorías de operación y funcionamiento. • Si bien es posible diseñar acoplamientos de alto rendimiento con fines específicos para la mayoría de las aplicaciones, algunos tipos se adaptan mejor que otros. Seleccionar el mejor diseño puede garantizar un funcionamiento más confiable de las maquinarias. • La vibración de un acoplamiento y algunas veces su deterioro pueden ser un síntoma de otros problemas presentes. El significado de tales vibraciones se enfoca en la relación acoplamiento vibración y debe ser analizada por el encargado de mantenimiento desde una perspectiva proactiva.