Proyecto Electrónico - Presentación Final
“Selección de topología, diseño e implementación
de acondicionador de potencia tipo fuente de
corriente para generación fotovoltaica.”
Profesor guía: Sr. Leonardo Palma F.
Profesor de asignatura: Sr. Alejandro Rojas N.
Alumno: Sr. Andrés Paiva Medina
Universidad de Concepción Departamento de Ingeniería Eléctrica
Facultad de Ingeniería
Planteamiento del problema
 Energía fotovoltaica:
 Paneles solares actúan como “fuente de corriente”
 Dependen de temperatura, radiación solar incidente
 Topología típica:
Planteamiento del problema
 Seguimiento de máxima potencia:
Planteamiento del problema
 Seguimiento de máxima potencia:
A realizar
 Selección de topología de convertidor:
 Sin aislamiento galvánico
 Buck
 Boost
 Buck-Boost
 Con aislamiento galvánico
 Forward
 Flyback
 Push-Pull
 Medio Puente
 Puente Completo
A realizar
 Diseño y simulación de convertidores
 Cálculo de elementos de almacenaje de energía
 Dimensionamiento de semiconductor(es)
 Control
 Alcance del Proyecto Electrónico: Control mediante una
DSP (Digital Signal Processor), pruebas con Generador
de Funciones
Consideraciones de Selección y Diseño
 Niveles de potencia, voltajes y corrientes de entrada:
 Prototipo 1 [kW]
 Arreglo de paneles (Voltaje de entrada) 48 [V]
 Corrientes =
 Niveles de voltajes y corrientes de salida:
 PIN = POUT + PPÉRDIDAS  POUT = PIN*η
 Voltaje para enlace AC 3φ: 380*sqrt(3) = 657 [V]
 Ganancia de Tensión =
1000 [ ]
20.83 [ ]
48 [ ]
W
A
V
657 [ ]
13.7 [ . .]
48 [ ]
OUT
IN
V
p u
V
Topología: Comparación
 Convertidores DC/DC sin aislamiento galvánico
 Buck:
Vout = D*Vin
Ventajas:
 Alta eficiencia
 Bajo ripple de salida (Filtro LC)
 No invierte la polaridad de voltaje
 Hasta 1000 [W]
Desventajas:
 Ruido elevado a la entrada (Interrupción)
 Bajas potencias
 Reductor
 Rango de voltajes de entrada: 5 a 40 [V]
Topología: Comparación
 Convertidores DC/DC sin aislamiento galvánico
 Boost:
Vout = (1/(1-D))*Vin
Ventajas:
 Bajo ruido en la entrada
 No invierte la polaridad de voltaje
Desventajas:
 Bajos voltajes y potencias: 150 [W], a 40 [V]
 Switch soporta elevada tensión
 Voltaje de salida muy sensible a los cambios de D, especialmente con D
cercano a los extremos [0, 1]
 Eficiencia es función de D
Topología: Comparación
 Convertidores DC/DC sin aislamiento galvánico
 Boost:
Bobina no ideal (Electrónica de Potencia, pág. 232 – Daniel W. Hart)
Topología: Comparación
 Convertidores DC/DC sin aislamiento galvánico
 Buck Boost:
Vout = (-D/(1-D))*Vin
Ventajas:
 Alta eficiencia
 Permite elevar y disminuir voltaje
 Control de disparo sencillo
Desventajas:
 Ruido elevado a la entrada
 Voltaje de salida muy sensible a los cambios de D, especialmente con D
cercano a los extremos [0, 1]
 Rangos de potencia y voltajes: 150 [W] a 40 [V]
Topología: Comparación
 Convertidores DC/DC sin aislamiento galvánico
 Buck Boost:
Bobina no ideal (http://www.gte.us.es/~leopoldo/Store/tsp_14.pdf - Tema 14:
Convertidores DC/DC – Pág. - Ph.D Leopoldo García F. - Grupo de Tecnología
Electrónica – Universidad de Sevilla )
Topología: Comparación
 Convertidores DC/DC sin aislamiento galvánico:
 No serán capaces de soportar los valores de
potencia y voltaje.
 No serán capaces de otorgar una ganancia de
voltaje superior a 4, y aún esa ganancia conlleva
una pérdida en eficiencia sustancial (alrededor
del 60%).
Topología: Comparación
 Convertidores DC/DC con transformador
(aislamiento)
 Forward (Reductor)
 Flyback (Elevador)
 Push Pull (Reductor Elevador)
 Medio Puente
 Puente Completo
Topología: Comparación
 Convertidores DC/DC con transformador (aislamiento)
 Forward
 Utilización del núcleo del transformador poco eficiente
 Mala respuesta dinámica
 Disparo sencillo del switch
 Bajo ripple de salida
 Permite ajustar tensión mayor en relación a las vueltas del primario y secundario
Topología: Comparación
 Convertidores DC/DC con transformador (aislamiento)
 Flyback
 Utilización del núcleo del transformador poco eficiente
 Disparo sencillo del switch
 Bajo ripple de salida
 Permite ajustar tensión mayor en relación a las vueltas del primario y secundario
 Reducido coste
 Simpleza de construcción
Topología: Comparación
 Convertidores DC/DC con transformador (aislamiento)
 Push Pull
 Utilización del núcleo del transformador eficiente (más pequeño)
 Bajo ripple de salida
 Reducido coste
 Simpleza de construcción
 Posible desbalance del flujo.
Topología: Comparación
 Convertidores DC/DC con transformador (aislamiento)
 Medio Puente
 Utilización del núcleo del transformador eficiente (más pequeño)
 Bajo ripple y ruido de salida
 Baja dispersión de flujo
 Filtros reducidos
 Corrientes elevadas en switches
 Adecuado para potencias hasta 500[W] y 1000[V]
 Baja eficiencia (73%)
Topología: Comparación
 Convertidores DC/DC con transformador (aislamiento)
 Puente completo
 Utilización del núcleo del transformador eficiente (más pequeño)
 Bajo ripple y ruido de salida
 Baja dispersión de flujo
 Baja eficiencia (alrededor del 73 - 75%)
 Adecuado para potencias mayores a 1[kW] y 660[V]
 Voltajes de hasta 1000 [V]
Topología: Comparación
 Cuadro comparativo
(Fuente: Pág. 25 - Memoria Ingeniería Técnica Industrial – Daniel E. Álvaro, Ph.D.
Simón Dávila S. – Universidad Carlos III España)
Selección de Convertidor
 En base a la bibliografía existente, y
de común acuerdo con el Profesor
Patrocinante, se selecciona el
Convertidor del tipo Puente
Completo para ser simulado e
implementado.
Diseño y principio de
funcionamiento
Convertidor Seleccionado
Etapa
Inversora
Transformador
“High Frequency”
Etapa
Rectificadora
Inductor
(1) Etapa Inversora
• Almacenaje de Energía en el
Inductor
• Anular el riesgo de desbalance
en el Transformador.
• De preferencia, mínimas
conmutaciones posibles.
(1) Etapa Inversora: Control de Pulsos
(1) Etapa Inversora: Control de Pulsos
 Normalmente los SW.1 y SW 4 operan idénticos, y
complementarios a los SW.2 y SW.3.
 Se utilizará una técnica distinta: Control por desfase de
pulsos con ciclo de trabajo constante del 50%.
 Ventajas:
 Permite cargar el inductor, generando dos cortocircuitos
controlados por cada período.
 Anula el riesgo de asimetría en el transformador.
 La frecuencia de la corriente vista desde el inductor es del
doble de la frecuencia nominal.
(1) Etapa Inversora: Control de Pulsos
(1) Etapa Inversora: Corrientes (a)
Corriente: Recta ascendente
Rizado: Función de voltaje,
inductancia, desfase y frecuencia.
(1) Etapa Inversora: Corrientes (b)
Corriente: Recta ascendente
Rizado: Función de voltaje,
inductancia, desfase y frecuencia.
(1) Etapa Inversora: Corrientes (c) y (d)
(C) (D)
(1) Etapa Inversora: Voltaje
Función de Transferencia de voltaje:
(1) Etapa Inversora: Corriente
(1) Etapa Inversora: Snubber
(2) Transformador
(2) Transformador
(2) Transformador
(3) Rectificador
Diodos Rápidos: FR 307 Fast Recovery Diode
1000 [V]. 3 [A] – trr = 500[ns] (2MHz)
(4) Inductor
Frecuencia de conmutación = 25 [kHz]
Desfase máximo asumido = 150°
Rizado de corriente = 5% de IL
LREAL = 635 [uH]
Simulación PSIM
Simulación
Simulación
0
-50
-100
-150
50
100
150
Vin Vprim
0.0999 0.09992 0.09994 0.09996 0.09998 0.1
Time (s)
0K
-0.5K
-1K
-1.5K
0.5K
1K
1.5K
Vsec Vout
Implementación
Transformador
 Barrido de frecuencias
Frecuencia [kHz] Ganancia
20 5.7
30 6.0
40 6.1
45 6.1
50 6.2
130 7.4
Generación de Pulsos de Control
 DSP de Texas Instruments “C2000 – f28335”.
Generación de Pulsos de Control
cc = ticcs
cc.open(‘control’,’project’)
cc.visible(1)
checkEnvSetup(‘ccs’, ‘f28335’, ‘check’)
Generación de Pulsos de Control
1ra Etapa de Aislación - Buffer
Seguidor de Voltaje
con amplificador
operacional 353N
1ra Etapa de Aislación - Buffer
2ra Etapa de Aislación - Optodriver
OptoDriver HCPL -
3120
Etapa Inversora HF
1. Semiconductores de Interrupción: MOSFET
IRFP 250N
Etapa Inversora HF
Prototipo
Prototipo
Pulsos en Osciloscopio - DSP
Pulsos en Osciloscopio - Buffer
Bibliografía Revisada
Control Fuente de Corriente
1. “Designer’s Series - Part V: Current-Mode Control Modeling”
– Ph.D. Ray Ridley.
 Modelos de función de transferencia de lazos de control en distintos
convertidores
 Selección y utilización de rampa de compensación adecuada
 Utilización de un único modelo de pequeña señal para la función de transferencia
de control y lazo de estabilización de corriente
2. “Circuitos Integrados PWM Modo Corriente y Modo Voltaje”
- Ph.D. Lautaro Salazar.
 Topología del lazo de control
 Circuitos integrados de control
3. “Control de convertidores DC/DC”- Ph.D. Lautaro Salazar
 Control modo corriente por banda de histéresis
 Control de modo corriente con realimentación en convertidores no aislados
 Diseño de controladores por factor K
Control Fuente de Corriente
4. “SmartCtrl Tutorial – Single Control Loop Design”
– Power Sim.
 Diseño y simulación de convertidores con realimentación modo
corriente en PSIM
 Topologías sencillas de lazo modo corriente en convertidores DC
DC sin aislamiento galvánico
5. “SmartCtrl Tutorial – Double Control Loop
Design” – Power Sim.
 Diseño y simulación de convertidores con realimentación modo
corriente y voltaje en PSIM
 Herramienta “SmartCtrl®” de PowerSim para diseño
Convertidores DC/DC y MPPT
1. “Switched capacitor DC-DC converter based maximum power point tracker of a
PV source for nano satellite application” – Peter Pradeep y Vivek Agarwal – Indian
Institute of Techonology Bombay, Mumbay, Maharashtra, India.
 Modelos de función de transferencia de lazos de control en distintos convertidores
 Selección y utilización de rampa de compensación adecuada
 Utilización de un único modelo de pequeña señal para la función de transferencia de
control y lazo de estabilización de corriente
2. “Sistemas electrónicos de alimentación – Tema II” - Ph.D. E. Sanchiz – Universitat
de Valëncia.
 Principios de funcionamiento
 Criterios de selección de topología: Necesidad de aislación, potencia, filtrado, ripple,
eficiencia, ganancias.
3. “Conversor DC-DC de alta ganancia de voltaje aplicado a sistemas
fotovoltaicaos” – Memoria de título Ingeniería Electrónica - Álvaro Olarte E. y Ph.D.
George Julien Noel– Universitat de Valëncia.
 Principios de funcionamiento
 Criterios de selección de topología: Necesidad de aislación, potencia, filtrado, ripple,
eficiencia, ganancias.
Convertidores DC/DC y MPPT
4. “Electrónica de Potencia – Circuitos, Dispositivos y Aplicaciones” – Muhammad
H. Rashid – Prentice Hall Hispanoamericana, S.A., 1993.
 Principios de funcionamiento de convertidores DC-DC
 Principios de diseño de convertidores DC-DC
 Funciones de transferencia y comparación
5. “Electrónica de Potencia ” – Daniel W. Hart– Prentice Hall Hispanoamericana, S.A.,
1997.
 Principios de funcionamiento y diseño de convertidores DC-DC
 Pérdidas por componentes parásitas de conmutación
 Funciones de transferencia no ideales en convertidores
6. “A Novel Type High-Efficiency High-Frequency- Linked Full-Bridge DC-DC
Converter Operating under Secondary-Side Series Resonant Principle for High-
Power PV Generation” - Daisuke Tsukiyama, Yasuhiko Fukuda, Shuji Miyake -
Dispersed Power System Division, Daihen Corporation, Osaka, Japan.

Presentación final proyecto electrónico

  • 1.
    Proyecto Electrónico -Presentación Final “Selección de topología, diseño e implementación de acondicionador de potencia tipo fuente de corriente para generación fotovoltaica.” Profesor guía: Sr. Leonardo Palma F. Profesor de asignatura: Sr. Alejandro Rojas N. Alumno: Sr. Andrés Paiva Medina Universidad de Concepción Departamento de Ingeniería Eléctrica Facultad de Ingeniería
  • 2.
    Planteamiento del problema Energía fotovoltaica:  Paneles solares actúan como “fuente de corriente”  Dependen de temperatura, radiación solar incidente  Topología típica:
  • 3.
    Planteamiento del problema Seguimiento de máxima potencia:
  • 4.
    Planteamiento del problema Seguimiento de máxima potencia:
  • 5.
    A realizar  Selecciónde topología de convertidor:  Sin aislamiento galvánico  Buck  Boost  Buck-Boost  Con aislamiento galvánico  Forward  Flyback  Push-Pull  Medio Puente  Puente Completo
  • 6.
    A realizar  Diseñoy simulación de convertidores  Cálculo de elementos de almacenaje de energía  Dimensionamiento de semiconductor(es)  Control  Alcance del Proyecto Electrónico: Control mediante una DSP (Digital Signal Processor), pruebas con Generador de Funciones
  • 7.
    Consideraciones de Seleccióny Diseño  Niveles de potencia, voltajes y corrientes de entrada:  Prototipo 1 [kW]  Arreglo de paneles (Voltaje de entrada) 48 [V]  Corrientes =  Niveles de voltajes y corrientes de salida:  PIN = POUT + PPÉRDIDAS  POUT = PIN*η  Voltaje para enlace AC 3φ: 380*sqrt(3) = 657 [V]  Ganancia de Tensión = 1000 [ ] 20.83 [ ] 48 [ ] W A V 657 [ ] 13.7 [ . .] 48 [ ] OUT IN V p u V
  • 8.
    Topología: Comparación  ConvertidoresDC/DC sin aislamiento galvánico  Buck: Vout = D*Vin Ventajas:  Alta eficiencia  Bajo ripple de salida (Filtro LC)  No invierte la polaridad de voltaje  Hasta 1000 [W] Desventajas:  Ruido elevado a la entrada (Interrupción)  Bajas potencias  Reductor  Rango de voltajes de entrada: 5 a 40 [V]
  • 9.
    Topología: Comparación  ConvertidoresDC/DC sin aislamiento galvánico  Boost: Vout = (1/(1-D))*Vin Ventajas:  Bajo ruido en la entrada  No invierte la polaridad de voltaje Desventajas:  Bajos voltajes y potencias: 150 [W], a 40 [V]  Switch soporta elevada tensión  Voltaje de salida muy sensible a los cambios de D, especialmente con D cercano a los extremos [0, 1]  Eficiencia es función de D
  • 10.
    Topología: Comparación  ConvertidoresDC/DC sin aislamiento galvánico  Boost: Bobina no ideal (Electrónica de Potencia, pág. 232 – Daniel W. Hart)
  • 11.
    Topología: Comparación  ConvertidoresDC/DC sin aislamiento galvánico  Buck Boost: Vout = (-D/(1-D))*Vin Ventajas:  Alta eficiencia  Permite elevar y disminuir voltaje  Control de disparo sencillo Desventajas:  Ruido elevado a la entrada  Voltaje de salida muy sensible a los cambios de D, especialmente con D cercano a los extremos [0, 1]  Rangos de potencia y voltajes: 150 [W] a 40 [V]
  • 12.
    Topología: Comparación  ConvertidoresDC/DC sin aislamiento galvánico  Buck Boost: Bobina no ideal (http://www.gte.us.es/~leopoldo/Store/tsp_14.pdf - Tema 14: Convertidores DC/DC – Pág. - Ph.D Leopoldo García F. - Grupo de Tecnología Electrónica – Universidad de Sevilla )
  • 13.
    Topología: Comparación  ConvertidoresDC/DC sin aislamiento galvánico:  No serán capaces de soportar los valores de potencia y voltaje.  No serán capaces de otorgar una ganancia de voltaje superior a 4, y aún esa ganancia conlleva una pérdida en eficiencia sustancial (alrededor del 60%).
  • 14.
    Topología: Comparación  ConvertidoresDC/DC con transformador (aislamiento)  Forward (Reductor)  Flyback (Elevador)  Push Pull (Reductor Elevador)  Medio Puente  Puente Completo
  • 15.
    Topología: Comparación  ConvertidoresDC/DC con transformador (aislamiento)  Forward  Utilización del núcleo del transformador poco eficiente  Mala respuesta dinámica  Disparo sencillo del switch  Bajo ripple de salida  Permite ajustar tensión mayor en relación a las vueltas del primario y secundario
  • 16.
    Topología: Comparación  ConvertidoresDC/DC con transformador (aislamiento)  Flyback  Utilización del núcleo del transformador poco eficiente  Disparo sencillo del switch  Bajo ripple de salida  Permite ajustar tensión mayor en relación a las vueltas del primario y secundario  Reducido coste  Simpleza de construcción
  • 17.
    Topología: Comparación  ConvertidoresDC/DC con transformador (aislamiento)  Push Pull  Utilización del núcleo del transformador eficiente (más pequeño)  Bajo ripple de salida  Reducido coste  Simpleza de construcción  Posible desbalance del flujo.
  • 18.
    Topología: Comparación  ConvertidoresDC/DC con transformador (aislamiento)  Medio Puente  Utilización del núcleo del transformador eficiente (más pequeño)  Bajo ripple y ruido de salida  Baja dispersión de flujo  Filtros reducidos  Corrientes elevadas en switches  Adecuado para potencias hasta 500[W] y 1000[V]  Baja eficiencia (73%)
  • 19.
    Topología: Comparación  ConvertidoresDC/DC con transformador (aislamiento)  Puente completo  Utilización del núcleo del transformador eficiente (más pequeño)  Bajo ripple y ruido de salida  Baja dispersión de flujo  Baja eficiencia (alrededor del 73 - 75%)  Adecuado para potencias mayores a 1[kW] y 660[V]  Voltajes de hasta 1000 [V]
  • 20.
    Topología: Comparación  Cuadrocomparativo (Fuente: Pág. 25 - Memoria Ingeniería Técnica Industrial – Daniel E. Álvaro, Ph.D. Simón Dávila S. – Universidad Carlos III España)
  • 21.
    Selección de Convertidor En base a la bibliografía existente, y de común acuerdo con el Profesor Patrocinante, se selecciona el Convertidor del tipo Puente Completo para ser simulado e implementado.
  • 22.
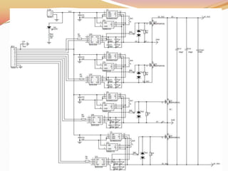
    Diseño y principiode funcionamiento
  • 23.
  • 24.
    (1) Etapa Inversora •Almacenaje de Energía en el Inductor • Anular el riesgo de desbalance en el Transformador. • De preferencia, mínimas conmutaciones posibles.
  • 25.
    (1) Etapa Inversora:Control de Pulsos
  • 26.
    (1) Etapa Inversora:Control de Pulsos  Normalmente los SW.1 y SW 4 operan idénticos, y complementarios a los SW.2 y SW.3.  Se utilizará una técnica distinta: Control por desfase de pulsos con ciclo de trabajo constante del 50%.  Ventajas:  Permite cargar el inductor, generando dos cortocircuitos controlados por cada período.  Anula el riesgo de asimetría en el transformador.  La frecuencia de la corriente vista desde el inductor es del doble de la frecuencia nominal.
  • 27.
    (1) Etapa Inversora:Control de Pulsos
  • 28.
    (1) Etapa Inversora:Corrientes (a) Corriente: Recta ascendente Rizado: Función de voltaje, inductancia, desfase y frecuencia.
  • 29.
    (1) Etapa Inversora:Corrientes (b) Corriente: Recta ascendente Rizado: Función de voltaje, inductancia, desfase y frecuencia.
  • 30.
    (1) Etapa Inversora:Corrientes (c) y (d) (C) (D)
  • 31.
    (1) Etapa Inversora:Voltaje Función de Transferencia de voltaje:
  • 32.
  • 33.
  • 34.
  • 35.
  • 36.
  • 37.
    (3) Rectificador Diodos Rápidos:FR 307 Fast Recovery Diode 1000 [V]. 3 [A] – trr = 500[ns] (2MHz)
  • 38.
    (4) Inductor Frecuencia deconmutación = 25 [kHz] Desfase máximo asumido = 150° Rizado de corriente = 5% de IL LREAL = 635 [uH]
  • 39.
  • 40.
  • 41.
    Simulación 0 -50 -100 -150 50 100 150 Vin Vprim 0.0999 0.099920.09994 0.09996 0.09998 0.1 Time (s) 0K -0.5K -1K -1.5K 0.5K 1K 1.5K Vsec Vout
  • 42.
  • 43.
    Transformador  Barrido defrecuencias Frecuencia [kHz] Ganancia 20 5.7 30 6.0 40 6.1 45 6.1 50 6.2 130 7.4
  • 44.
    Generación de Pulsosde Control  DSP de Texas Instruments “C2000 – f28335”.
  • 45.
    Generación de Pulsosde Control cc = ticcs cc.open(‘control’,’project’) cc.visible(1) checkEnvSetup(‘ccs’, ‘f28335’, ‘check’)
  • 46.
  • 47.
    1ra Etapa deAislación - Buffer Seguidor de Voltaje con amplificador operacional 353N
  • 48.
    1ra Etapa deAislación - Buffer
  • 49.
    2ra Etapa deAislación - Optodriver OptoDriver HCPL - 3120
  • 50.
  • 52.
    1. Semiconductores deInterrupción: MOSFET IRFP 250N Etapa Inversora HF
  • 53.
  • 54.
  • 55.
  • 56.
  • 57.
  • 58.
    Control Fuente deCorriente 1. “Designer’s Series - Part V: Current-Mode Control Modeling” – Ph.D. Ray Ridley.  Modelos de función de transferencia de lazos de control en distintos convertidores  Selección y utilización de rampa de compensación adecuada  Utilización de un único modelo de pequeña señal para la función de transferencia de control y lazo de estabilización de corriente 2. “Circuitos Integrados PWM Modo Corriente y Modo Voltaje” - Ph.D. Lautaro Salazar.  Topología del lazo de control  Circuitos integrados de control 3. “Control de convertidores DC/DC”- Ph.D. Lautaro Salazar  Control modo corriente por banda de histéresis  Control de modo corriente con realimentación en convertidores no aislados  Diseño de controladores por factor K
  • 59.
    Control Fuente deCorriente 4. “SmartCtrl Tutorial – Single Control Loop Design” – Power Sim.  Diseño y simulación de convertidores con realimentación modo corriente en PSIM  Topologías sencillas de lazo modo corriente en convertidores DC DC sin aislamiento galvánico 5. “SmartCtrl Tutorial – Double Control Loop Design” – Power Sim.  Diseño y simulación de convertidores con realimentación modo corriente y voltaje en PSIM  Herramienta “SmartCtrl®” de PowerSim para diseño
  • 60.
    Convertidores DC/DC yMPPT 1. “Switched capacitor DC-DC converter based maximum power point tracker of a PV source for nano satellite application” – Peter Pradeep y Vivek Agarwal – Indian Institute of Techonology Bombay, Mumbay, Maharashtra, India.  Modelos de función de transferencia de lazos de control en distintos convertidores  Selección y utilización de rampa de compensación adecuada  Utilización de un único modelo de pequeña señal para la función de transferencia de control y lazo de estabilización de corriente 2. “Sistemas electrónicos de alimentación – Tema II” - Ph.D. E. Sanchiz – Universitat de Valëncia.  Principios de funcionamiento  Criterios de selección de topología: Necesidad de aislación, potencia, filtrado, ripple, eficiencia, ganancias. 3. “Conversor DC-DC de alta ganancia de voltaje aplicado a sistemas fotovoltaicaos” – Memoria de título Ingeniería Electrónica - Álvaro Olarte E. y Ph.D. George Julien Noel– Universitat de Valëncia.  Principios de funcionamiento  Criterios de selección de topología: Necesidad de aislación, potencia, filtrado, ripple, eficiencia, ganancias.
  • 61.
    Convertidores DC/DC yMPPT 4. “Electrónica de Potencia – Circuitos, Dispositivos y Aplicaciones” – Muhammad H. Rashid – Prentice Hall Hispanoamericana, S.A., 1993.  Principios de funcionamiento de convertidores DC-DC  Principios de diseño de convertidores DC-DC  Funciones de transferencia y comparación 5. “Electrónica de Potencia ” – Daniel W. Hart– Prentice Hall Hispanoamericana, S.A., 1997.  Principios de funcionamiento y diseño de convertidores DC-DC  Pérdidas por componentes parásitas de conmutación  Funciones de transferencia no ideales en convertidores 6. “A Novel Type High-Efficiency High-Frequency- Linked Full-Bridge DC-DC Converter Operating under Secondary-Side Series Resonant Principle for High- Power PV Generation” - Daisuke Tsukiyama, Yasuhiko Fukuda, Shuji Miyake - Dispersed Power System Division, Daihen Corporation, Osaka, Japan.