LEYES   DE   KIRCHHOFF
INTRODUCCIÓN

Las leyes de kirchoff se utilizan para resolver circuitos eléctricos complejos,
en los cuales existen interconectados varios generadores y receptores.

 OBJETIVOS
- Deducir e interpretar la primera ley de kirchoff
- Deducir e interpretar la segunda ley de kirchoff
- Aplicación de las leyes de Kirchoff en la resolución de circuitos serie y paralelo.


    Esta sesión aporta al logro del siguiente Resultado de la Carrera:

   “Los estudiantes aplican matemática, ciencia y tecnología en el diseño, instalación, operación
   y mantenimiento de sistemas eléctricos”.
Leyes de Kirchhoff


Las    leyes   (o     Lemas)   de    Kirchhoff    fueron   formuladas   por

Gustav Kirchhoff en 1845, mientras aún era estudiante.

Son muy utilizadas en ingeniería eléctrica para obtener los valores de

intensidad de corriente    y     potencial   en    cada    punto   de   un

circuito eléctrico.     Surgen      de       la    aplicación      de    la

ley de conservación de la energía.
Definiciones

Nudo o nodo es el punto donde concurren varias ramas de un
circuito. El sentido de las corrientes es arbitrario y debe asignarse
previamente al planteo del problema.

Rama es el fragmento de circuito eléctrico comprendido entre dos
nodos.

Malla es un lazo dentro de la cual se puede dibujar una superficie
cerrada sin que se corte ninguna rama, es decir un lazo que no
tiene otros lazos en su interior.
PRIMERA LEY DE KIRCHHOFF



En todo nodo, la suma de corrientes
entrantes es igual a la suma de
corrientes salientes.


Un enunciado alternativo es:
en todo nodo la suma algebraica de
corrientes debe ser 0.
PRIMERA LEY DE KIRCHHOFF


LEY DE CORRIENTES                CIRCUITO PARALELO
 “ LA SUMA DE LAS CORRIENTES QUE ENTRAN EN UN NUDO ES IGUAL A LA SUMA
                   DE LAS CORRIENTES QUE SALEN DE EL”




                                           V
                                      I =
                                          Re q

                                       1   1   1   1
                                         =   +   +
                                      Req R1 R2 R3
AL CONECTAR RESISTENCIAS EN PARALELO A UNA FUENTE DE TENSION TODAS LAS
RESISTENCIAS SE ENCUENTRAN SOMETIDAS A LA MISMA TENSION



                         A



                                        v              v             v




Ejemplo: Calcular la intensidad del circuito y la intensidad de cada resistencia al
ser sometida a una tensión de 220V si R1= 15Ω, R2=45Ω y R3=60Ω
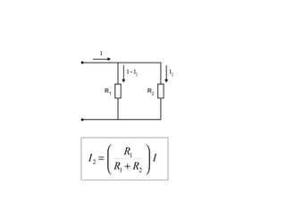
DIVISOR DE CORRIENTE




               R1 
         I2 = 
              R +R  I
                     
               1  2 
EJEMPLO: Calcular el valor de la tensión en la resistencia de 47Ω.


      0.75                                  R1 
                                      I2 = 
                                           R +R  I
                                                  
                                            1  2 

                                          56Ω       
        56Ω         47Ω                  
                                    I2 =             0.75 A
                                                     
                                          56Ω + 47Ω 

                                       I2 = 0.41 A

                                     UR2 = I2 R2

        UR2 = 0.41A 47Ω          UR2 = 19.27 V
SEGUNDA LEY DE KIRCHHOFF



En toda malla la suma de todas las
caídas de tensión es igual a la suma
de todas las fuerzas electromotrices.

Un enunciado alternativo es:
en toda malla la suma algebraica de
las diferencias de potencial eléctrico
debe ser cero.
SEGUNDA LEY DE KIRCHHOFF


 LEY DE TENSIONES                        CIRCUITO SERIE

“ EN LA CONEXIÓN SERIE CIRCULA LA MISMA CORRIENTE EN TODO EL CIRCUITO”


                                                                 V
                    A                                        I =
                                         I1
                                                                 Req
            I                                 A


                                                       Req = R1 + R2 + R3
                        I3                                I = I1 =I 2 = I3
                                                  I2
                A                    A
“ EN LA CONEXIÓN SERIE LA TENSION TOTAL ES IGUAL A LA SUMA DE LAS
DIFERENTES TENSIONES EN SERIE”


                                      V1




                     I


                                                 V2




                                 V3




                     U = V1 +V2 +V3
DIVISOR DE TENSION
Un divisor de tensión se dice que esta   Un divisor de tensión se dice que está con carga
sin carga cuando de él no se toma        cuando esta unido a un receptor.
corriente.
EJEMPLO: Una fuente de tensión de 220V alimenta un divisor de tensión sin
carga ¿Cuanto será el valor de la tensión en la resistencia de 40Ω?




                                 35Ω

                      220V

                                 40Ω
ANALISIS DE MALLAS

Para analizar un circuito de mallas supondremos una corriente para cada malla
independiente y plantearemos un sistema de ecuaciones lineales con tantas
ecuaciones e incógnitas como mallas independientes haya.
Ejemplo
Para el circuito mostrado determinar las corrientes que circulan por cada malla.
DIFERENCIA DE POTENCIAL ENTRE DOS PUNTOS

Sesion leyes kirchoof

  • 1.
    LEYES DE KIRCHHOFF
  • 2.
    INTRODUCCIÓN Las leyes dekirchoff se utilizan para resolver circuitos eléctricos complejos, en los cuales existen interconectados varios generadores y receptores. OBJETIVOS - Deducir e interpretar la primera ley de kirchoff - Deducir e interpretar la segunda ley de kirchoff - Aplicación de las leyes de Kirchoff en la resolución de circuitos serie y paralelo. Esta sesión aporta al logro del siguiente Resultado de la Carrera: “Los estudiantes aplican matemática, ciencia y tecnología en el diseño, instalación, operación y mantenimiento de sistemas eléctricos”.
  • 3.
    Leyes de Kirchhoff Las leyes (o Lemas) de Kirchhoff fueron formuladas por Gustav Kirchhoff en 1845, mientras aún era estudiante. Son muy utilizadas en ingeniería eléctrica para obtener los valores de intensidad de corriente y potencial en cada punto de un circuito eléctrico. Surgen de la aplicación de la ley de conservación de la energía.
  • 4.
    Definiciones Nudo o nodoes el punto donde concurren varias ramas de un circuito. El sentido de las corrientes es arbitrario y debe asignarse previamente al planteo del problema. Rama es el fragmento de circuito eléctrico comprendido entre dos nodos. Malla es un lazo dentro de la cual se puede dibujar una superficie cerrada sin que se corte ninguna rama, es decir un lazo que no tiene otros lazos en su interior.
  • 5.
    PRIMERA LEY DEKIRCHHOFF En todo nodo, la suma de corrientes entrantes es igual a la suma de corrientes salientes. Un enunciado alternativo es: en todo nodo la suma algebraica de corrientes debe ser 0.
  • 6.
    PRIMERA LEY DEKIRCHHOFF LEY DE CORRIENTES CIRCUITO PARALELO “ LA SUMA DE LAS CORRIENTES QUE ENTRAN EN UN NUDO ES IGUAL A LA SUMA DE LAS CORRIENTES QUE SALEN DE EL” V I = Re q 1 1 1 1 = + + Req R1 R2 R3
  • 7.
    AL CONECTAR RESISTENCIASEN PARALELO A UNA FUENTE DE TENSION TODAS LAS RESISTENCIAS SE ENCUENTRAN SOMETIDAS A LA MISMA TENSION A v v v Ejemplo: Calcular la intensidad del circuito y la intensidad de cada resistencia al ser sometida a una tensión de 220V si R1= 15Ω, R2=45Ω y R3=60Ω
  • 8.
    DIVISOR DE CORRIENTE  R1  I2 =  R +R  I   1 2 
  • 9.
    EJEMPLO: Calcular elvalor de la tensión en la resistencia de 47Ω. 0.75  R1  I2 =  R +R  I   1 2   56Ω  56Ω 47Ω  I2 =   0.75 A   56Ω + 47Ω  I2 = 0.41 A UR2 = I2 R2 UR2 = 0.41A 47Ω UR2 = 19.27 V
  • 10.
    SEGUNDA LEY DEKIRCHHOFF En toda malla la suma de todas las caídas de tensión es igual a la suma de todas las fuerzas electromotrices. Un enunciado alternativo es: en toda malla la suma algebraica de las diferencias de potencial eléctrico debe ser cero.
  • 11.
    SEGUNDA LEY DEKIRCHHOFF LEY DE TENSIONES CIRCUITO SERIE “ EN LA CONEXIÓN SERIE CIRCULA LA MISMA CORRIENTE EN TODO EL CIRCUITO” V A I = I1 Req I A Req = R1 + R2 + R3 I3 I = I1 =I 2 = I3 I2 A A
  • 12.
    “ EN LACONEXIÓN SERIE LA TENSION TOTAL ES IGUAL A LA SUMA DE LAS DIFERENTES TENSIONES EN SERIE” V1 I V2 V3 U = V1 +V2 +V3
  • 13.
    DIVISOR DE TENSION Undivisor de tensión se dice que esta Un divisor de tensión se dice que está con carga sin carga cuando de él no se toma cuando esta unido a un receptor. corriente.
  • 14.
    EJEMPLO: Una fuentede tensión de 220V alimenta un divisor de tensión sin carga ¿Cuanto será el valor de la tensión en la resistencia de 40Ω? 35Ω 220V 40Ω
  • 15.
    ANALISIS DE MALLAS Paraanalizar un circuito de mallas supondremos una corriente para cada malla independiente y plantearemos un sistema de ecuaciones lineales con tantas ecuaciones e incógnitas como mallas independientes haya.
  • 16.
    Ejemplo Para el circuitomostrado determinar las corrientes que circulan por cada malla.
  • 17.
    DIFERENCIA DE POTENCIALENTRE DOS PUNTOS