“Año de la Diversificación Productiva y del Fortalecimiento de la Educación”
UNIVERSIDAD NACIONAL DEL CALLAO
Ciencia y Tecnología rumbo al Tercer Milenio
FACULTAD DE INGENIERIA ELECTRICA Y ELECTRÓNICA
ESCUELA PROFESIONAL DE INGENIERIA ELECTRÓNICA
INFORME: N°1– DIAGRAMA DE BODE
INTEGRANTES:
 ALVAREZ CHAUCA, HAROLD STEEP
 CLAVO CARREAZO ROOSBEL ANTONY
 NACARINO VILLEGAS JASON NOEL
 CUARESMA URBANO JOHN
CURSO: CIRCUITOS ELECTRONICOS I
DOCENTE: Ing. Cuzcano Rivas Abilio B
CICLO ACADÉMICO: CUARTO CICLO (V)
CALLAO – PERÚ
FACULTAD DE INGENIERIA ELECTRICA Y ELECTRÓNICA
ESCUELA PROFESIONAL DE INGENIERIA ELECTRÓNICA
2
DIAGRAMA DE BODE
1. Marco Teórico:
Un diagrama de Bode es una representación gráfica de funciones complejas (en
nuestro caso, funciones de transferencia) dependientes de una variable real (la
frecuencia angular o lineal) que sirve para caracterizar la respuesta en frecuencia
de un sistema.
𝐻( 𝑤) = | 𝐻(𝑤)| 𝑒 𝑗𝜑(𝑤)
Normalmente consta de dos gráficas separadas, una que corresponde con la
magnitud de dicha función y otra que corresponde con la fase. Recibe su nombre
del científico estadounidense que lo desarrolló, Hendrik Wade Bode.
El diagrama de magnitud de Bode dibuja el módulo de la función de transferencia
(ganancia) en decibelios en función de la frecuencia (o la frecuencia angular) en
escala logarítmica. Se suele emplear en procesado de señal para mostrar la
respuesta en frecuencia de un sistema lineal e invariante en el tiempo.
En un diagrama de Bode se representa por un lado el módulo de la función
(| 𝐻( 𝑤)|) y por otro la fase (ϕ (ω)). A continuación a manera de ejemplo se muestra
el diagrama de Bode de un filtro paso baja de primer orden, cuya función de
transferencia es:
𝑯( 𝒘) =
𝟏
𝒋𝒘
𝒘 𝑪
+ 𝟏
FACULTAD DE INGENIERIA ELECTRICA Y ELECTRÓNICA
ESCUELA PROFESIONAL DE INGENIERIA ELECTRÓNICA
3
El diagrama de fase de Bode representa la fase de la función de transferencia en
función de la frecuencia (o frecuencia angular) en escala logarítmica. Se puede
dar en grados o en radianes. Permite evaluar el desplazamiento en fase de una
señal a la salida del sistema respecto a la entrada para una frecuencia
determinada.
A la hora de elaborar un diagrama de Bode hay que prestar atención al hecho de
que la escala correspondiente al eje de frecuencias es logarítmica.
¿Qué es una escala logarítmica y por qué usarla?
Las escalas logarítmicas se emplean cuando se quieren representar datos que
varían entre sí varios órdenes de magnitud (como en el ejemplo de la figura 1, en
el que la frecuencia varía entre 1 rad/s y 106 rad/s). Si hubiésemos empleado una
escala lineal, sólo apreciaríamos bien los datos correspondientes a las frecuencias
mayores mientras que, por ejemplo, todos los puntos por debajo de 104 rad/s se
representarían en la centésima parte del eje de abscisas. Esto se muestra, como
ejemplo, en la Figura 2.
Para evitar este problema se usan las escalas logarítmicas, que permiten
representar en un mismo eje datos de diferentes órdenes de magnitud,
separándolos en décadas. Para ello, en lugar de marcar sobre el eje la posición
del dato que queremos representar se marca la de su logaritmo decimal. Esto se
hace aprovechando la siguiente propiedad de los logaritmos:
log( 𝑁𝑥10 𝐷) = log( 𝑁) + 𝐷
FACULTAD DE INGENIERIA ELECTRICA Y ELECTRÓNICA
ESCUELA PROFESIONAL DE INGENIERIA ELECTRÓNICA
4
De este modo, el orden de magnitud (D) establece un desplazamiento, separando
una década (D = i) de la siguiente (D = i + 1) y los puntos correspondientes a un
mismo orden de magnitud (década) tienen el mismo espacio para ser
representados que los pertenecientes a una década superior.
Como ejemplo, en la figura 3 se indica dónde se ubicarían en un eje logarítmico
los puntos correspondientes a 60, 600 y 6000.
Obsérvese que otra particularidad del diagrama de Bode en módulo es que se
representa en dB. Es decir, en lugar de representar H(ω) se representa 20 log
H(ω) . Ésta es otra forma de poder visualizar también funciones de transferencia
que pueden variar en varios órdenes de magnitud.
Pines del OP-AM LM 741:
FACULTAD DE INGENIERIA ELECTRICA Y ELECTRÓNICA
ESCUELA PROFESIONAL DE INGENIERIA ELECTRÓNICA
5
Amplificador no Inversor:
FACULTAD DE INGENIERIA ELECTRICA Y ELECTRÓNICA
ESCUELA PROFESIONAL DE INGENIERIA ELECTRÓNICA
6
Amplificador Inversor
FACULTAD DE INGENIERIA ELECTRICA Y ELECTRÓNICA
ESCUELA PROFESIONAL DE INGENIERIA ELECTRÓNICA
7
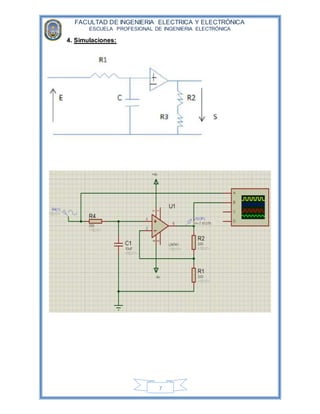
4. Simulaciones:
FACULTAD DE INGENIERIA ELECTRICA Y ELECTRÓNICA
ESCUELA PROFESIONAL DE INGENIERIA ELECTRÓNICA
8
5.Tablas y medidas en clase:
V.entrada 5.84 5.94 6.02 7.80 9.31 12.36
V.salida 2.17 2.23 2.24 3.05 3.65 4.82
log(V.entrada) 0.76 0.77 0.78 0.89 0.96 1.09
Log(V.salida) 0.33 0.34 0.35 0.48 0.56 0.68
0.76 0.77 0.78
0.89
0.96
1.09
0.33 0.34 0.35
0.48
0.56
0.68
0
0.2
0.4
0.6
0.8
1
1.2
1 2 3 4 5 6
LOG(V. entrada) LOG(V. salida)
FACULTAD DE INGENIERIA ELECTRICA Y ELECTRÓNICA
ESCUELA PROFESIONAL DE INGENIERIA ELECTRÓNICA
9
6. Fotos:
FACULTAD DE INGENIERIA ELECTRICA Y ELECTRÓNICA
ESCUELA PROFESIONAL DE INGENIERIA ELECTRÓNICA
10
FACULTAD DE INGENIERIA ELECTRICA Y ELECTRÓNICA
ESCUELA PROFESIONAL DE INGENIERIA ELECTRÓNICA
11
6. Recomendaciones:
 No confundir representar los datos en escala logarítmica (como se hace con
el eje de frecuencias del diagrama de Bode) con representar el logaritmo de
los datos, o algo proporcional (como en el eje de ordenadas del diagrama
de Bode en módulo). Cuando se usa una escala logarítmica se cambia la
posición de los puntos respecto de una escala lineal, pero se siguen
etiquetando con su valor (10, 60, 100, 600, … en la figura 3).
7. Preguntas:
 ¿Qué es un diagrama de bode?
Un diagrama de Bode es una representación gráfica de funciones complejas (en
nuestro caso, funciones de transferencia) dependientes de una variable real (la
frecuencia angular o lineal) que sirve para caracterizar la respuesta en frecuencia
de un sistema.
𝐻( 𝑤) = | 𝐻(𝑤)| 𝑒 𝑗𝜑(𝑤)
 ¿Qué es función de transferencia?
Una función de transferencia es un modelo matemático que a través de un
cociente relaciona la respuesta de un sistema (modelada) con una señal de
entrada o excitación (también modelada). En la teoría de control, a menudo se
usan las funciones de transferencia para caracterizar las relaciones de entrada y
salida de componentes o de sistemas que se describen mediante ecuaciones
diferenciales lineales e invariantes en el tiempo.
Ejemplos de funciones de transferencia:
FACULTAD DE INGENIERIA ELECTRICA Y ELECTRÓNICA
ESCUELA PROFESIONAL DE INGENIERIA ELECTRÓNICA
12
 ¿Por qué usar escala para hacer diagramas de bode?
Las escalas logarítmicas se emplean cuando se quieren representar datos que
varían entre sí varios órdenes de magnitud
 ¿En que aplicamos los diagramas de bode?
Los diagramas de Bode son de amplia aplicación en la Ingeniería de Control, pues
permiten representar la magnitud y la fase de la función de transferencia de un
sistema, sea éste eléctrico, mecánico.
 ¿Mediante que se representa el diagrama de bode?
La función de transferencia en función de la frecuencia y en escala logarítmica
ambos.
8. Firma:
FACULTAD DE INGENIERIA ELECTRICA Y ELECTRÓNICA
ESCUELA PROFESIONAL DE INGENIERIA ELECTRÓNICA
13
8. Conclusiones:
 Concluimos que los diagramas de Bode son de gran ayuda ya que no solo
nos permiten representar gráficos de los diferentes factores utilizados, sino
que también nos permiten representar la magnitud y la fase de la función de
transferencia en un sistema de control.

1 electronicos i

  • 1.
    “Año de laDiversificación Productiva y del Fortalecimiento de la Educación” UNIVERSIDAD NACIONAL DEL CALLAO Ciencia y Tecnología rumbo al Tercer Milenio FACULTAD DE INGENIERIA ELECTRICA Y ELECTRÓNICA ESCUELA PROFESIONAL DE INGENIERIA ELECTRÓNICA INFORME: N°1– DIAGRAMA DE BODE INTEGRANTES:  ALVAREZ CHAUCA, HAROLD STEEP  CLAVO CARREAZO ROOSBEL ANTONY  NACARINO VILLEGAS JASON NOEL  CUARESMA URBANO JOHN CURSO: CIRCUITOS ELECTRONICOS I DOCENTE: Ing. Cuzcano Rivas Abilio B CICLO ACADÉMICO: CUARTO CICLO (V) CALLAO – PERÚ
  • 2.
    FACULTAD DE INGENIERIAELECTRICA Y ELECTRÓNICA ESCUELA PROFESIONAL DE INGENIERIA ELECTRÓNICA 2 DIAGRAMA DE BODE 1. Marco Teórico: Un diagrama de Bode es una representación gráfica de funciones complejas (en nuestro caso, funciones de transferencia) dependientes de una variable real (la frecuencia angular o lineal) que sirve para caracterizar la respuesta en frecuencia de un sistema. 𝐻( 𝑤) = | 𝐻(𝑤)| 𝑒 𝑗𝜑(𝑤) Normalmente consta de dos gráficas separadas, una que corresponde con la magnitud de dicha función y otra que corresponde con la fase. Recibe su nombre del científico estadounidense que lo desarrolló, Hendrik Wade Bode. El diagrama de magnitud de Bode dibuja el módulo de la función de transferencia (ganancia) en decibelios en función de la frecuencia (o la frecuencia angular) en escala logarítmica. Se suele emplear en procesado de señal para mostrar la respuesta en frecuencia de un sistema lineal e invariante en el tiempo. En un diagrama de Bode se representa por un lado el módulo de la función (| 𝐻( 𝑤)|) y por otro la fase (ϕ (ω)). A continuación a manera de ejemplo se muestra el diagrama de Bode de un filtro paso baja de primer orden, cuya función de transferencia es: 𝑯( 𝒘) = 𝟏 𝒋𝒘 𝒘 𝑪 + 𝟏
  • 3.
    FACULTAD DE INGENIERIAELECTRICA Y ELECTRÓNICA ESCUELA PROFESIONAL DE INGENIERIA ELECTRÓNICA 3 El diagrama de fase de Bode representa la fase de la función de transferencia en función de la frecuencia (o frecuencia angular) en escala logarítmica. Se puede dar en grados o en radianes. Permite evaluar el desplazamiento en fase de una señal a la salida del sistema respecto a la entrada para una frecuencia determinada. A la hora de elaborar un diagrama de Bode hay que prestar atención al hecho de que la escala correspondiente al eje de frecuencias es logarítmica. ¿Qué es una escala logarítmica y por qué usarla? Las escalas logarítmicas se emplean cuando se quieren representar datos que varían entre sí varios órdenes de magnitud (como en el ejemplo de la figura 1, en el que la frecuencia varía entre 1 rad/s y 106 rad/s). Si hubiésemos empleado una escala lineal, sólo apreciaríamos bien los datos correspondientes a las frecuencias mayores mientras que, por ejemplo, todos los puntos por debajo de 104 rad/s se representarían en la centésima parte del eje de abscisas. Esto se muestra, como ejemplo, en la Figura 2. Para evitar este problema se usan las escalas logarítmicas, que permiten representar en un mismo eje datos de diferentes órdenes de magnitud, separándolos en décadas. Para ello, en lugar de marcar sobre el eje la posición del dato que queremos representar se marca la de su logaritmo decimal. Esto se hace aprovechando la siguiente propiedad de los logaritmos: log( 𝑁𝑥10 𝐷) = log( 𝑁) + 𝐷
  • 4.
    FACULTAD DE INGENIERIAELECTRICA Y ELECTRÓNICA ESCUELA PROFESIONAL DE INGENIERIA ELECTRÓNICA 4 De este modo, el orden de magnitud (D) establece un desplazamiento, separando una década (D = i) de la siguiente (D = i + 1) y los puntos correspondientes a un mismo orden de magnitud (década) tienen el mismo espacio para ser representados que los pertenecientes a una década superior. Como ejemplo, en la figura 3 se indica dónde se ubicarían en un eje logarítmico los puntos correspondientes a 60, 600 y 6000. Obsérvese que otra particularidad del diagrama de Bode en módulo es que se representa en dB. Es decir, en lugar de representar H(ω) se representa 20 log H(ω) . Ésta es otra forma de poder visualizar también funciones de transferencia que pueden variar en varios órdenes de magnitud. Pines del OP-AM LM 741:
  • 5.
    FACULTAD DE INGENIERIAELECTRICA Y ELECTRÓNICA ESCUELA PROFESIONAL DE INGENIERIA ELECTRÓNICA 5 Amplificador no Inversor:
  • 6.
    FACULTAD DE INGENIERIAELECTRICA Y ELECTRÓNICA ESCUELA PROFESIONAL DE INGENIERIA ELECTRÓNICA 6 Amplificador Inversor
  • 7.
    FACULTAD DE INGENIERIAELECTRICA Y ELECTRÓNICA ESCUELA PROFESIONAL DE INGENIERIA ELECTRÓNICA 7 4. Simulaciones:
  • 8.
    FACULTAD DE INGENIERIAELECTRICA Y ELECTRÓNICA ESCUELA PROFESIONAL DE INGENIERIA ELECTRÓNICA 8 5.Tablas y medidas en clase: V.entrada 5.84 5.94 6.02 7.80 9.31 12.36 V.salida 2.17 2.23 2.24 3.05 3.65 4.82 log(V.entrada) 0.76 0.77 0.78 0.89 0.96 1.09 Log(V.salida) 0.33 0.34 0.35 0.48 0.56 0.68 0.76 0.77 0.78 0.89 0.96 1.09 0.33 0.34 0.35 0.48 0.56 0.68 0 0.2 0.4 0.6 0.8 1 1.2 1 2 3 4 5 6 LOG(V. entrada) LOG(V. salida)
  • 9.
    FACULTAD DE INGENIERIAELECTRICA Y ELECTRÓNICA ESCUELA PROFESIONAL DE INGENIERIA ELECTRÓNICA 9 6. Fotos:
  • 10.
    FACULTAD DE INGENIERIAELECTRICA Y ELECTRÓNICA ESCUELA PROFESIONAL DE INGENIERIA ELECTRÓNICA 10
  • 11.
    FACULTAD DE INGENIERIAELECTRICA Y ELECTRÓNICA ESCUELA PROFESIONAL DE INGENIERIA ELECTRÓNICA 11 6. Recomendaciones:  No confundir representar los datos en escala logarítmica (como se hace con el eje de frecuencias del diagrama de Bode) con representar el logaritmo de los datos, o algo proporcional (como en el eje de ordenadas del diagrama de Bode en módulo). Cuando se usa una escala logarítmica se cambia la posición de los puntos respecto de una escala lineal, pero se siguen etiquetando con su valor (10, 60, 100, 600, … en la figura 3). 7. Preguntas:  ¿Qué es un diagrama de bode? Un diagrama de Bode es una representación gráfica de funciones complejas (en nuestro caso, funciones de transferencia) dependientes de una variable real (la frecuencia angular o lineal) que sirve para caracterizar la respuesta en frecuencia de un sistema. 𝐻( 𝑤) = | 𝐻(𝑤)| 𝑒 𝑗𝜑(𝑤)  ¿Qué es función de transferencia? Una función de transferencia es un modelo matemático que a través de un cociente relaciona la respuesta de un sistema (modelada) con una señal de entrada o excitación (también modelada). En la teoría de control, a menudo se usan las funciones de transferencia para caracterizar las relaciones de entrada y salida de componentes o de sistemas que se describen mediante ecuaciones diferenciales lineales e invariantes en el tiempo. Ejemplos de funciones de transferencia:
  • 12.
    FACULTAD DE INGENIERIAELECTRICA Y ELECTRÓNICA ESCUELA PROFESIONAL DE INGENIERIA ELECTRÓNICA 12  ¿Por qué usar escala para hacer diagramas de bode? Las escalas logarítmicas se emplean cuando se quieren representar datos que varían entre sí varios órdenes de magnitud  ¿En que aplicamos los diagramas de bode? Los diagramas de Bode son de amplia aplicación en la Ingeniería de Control, pues permiten representar la magnitud y la fase de la función de transferencia de un sistema, sea éste eléctrico, mecánico.  ¿Mediante que se representa el diagrama de bode? La función de transferencia en función de la frecuencia y en escala logarítmica ambos. 8. Firma:
  • 13.
    FACULTAD DE INGENIERIAELECTRICA Y ELECTRÓNICA ESCUELA PROFESIONAL DE INGENIERIA ELECTRÓNICA 13 8. Conclusiones:  Concluimos que los diagramas de Bode son de gran ayuda ya que no solo nos permiten representar gráficos de los diferentes factores utilizados, sino que también nos permiten representar la magnitud y la fase de la función de transferencia en un sistema de control.