CONTROL DE CALDERAS


Pedro Manuel Redondo Sobrado
Control de Calderas
                                                Generalidades (I)



•    Tipos de Caldera
       – PIROTUBULARES (Tubos de humo).
       – ACUOTUBULARES (Tubos de agua).
                Con calderín agua / vapor.
                Paso único.
       – Adicionalmente se pueden clasificar por:
                ALTA o BAJA PRESIÓN.
                VAPOR SATURADO o SOBRECALENTADO.
                TIRO FORZADO, INDUCIDO o BALANCEADO.




Control / Enclavamientos de hornos de proceso
                                                                    2
Master de Instrumentación y Control
Control de Calderas
                                                Generalidades (II)




                                                  Caldera pirotubular

Control / Enclavamientos de hornos de proceso
                                                                        3
Master de Instrumentación y Control
Control de Calderas
                                                Generalidades (III)




                                                                      Caldera paquete
                                                                        acuotubular




Control / Enclavamientos de hornos de proceso
                                                                                    4
Master de Instrumentación y Control
Control de Calderas
                                                Generalidades (IV)




                                                                      Circulación en una
                                                                     caldera acuotubular




Control / Enclavamientos de hornos de proceso
                                                                                           5
Master de Instrumentación y Control
Control de Calderas
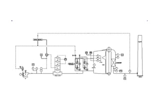
                            Calderas Industriales (Instrumentación I)




•    Sistemas
       – Sistema AGUA-VAPOR.
       – Sistema COMBUSTIBLE-AIRE-GASES.
            Sistema de aire-gases.
                Sistema de combustible.




Control / Enclavamientos de hornos de proceso
                                                                        6
Master de Instrumentación y Control
Control / Enclavamientos de hornos de proceso
                                                7
Master de Instrumentación y Control
Control de Calderas
                            Calderas Industriales (Instrumentación II)




•    Sistema Agua-Vapor
       • Instrumentación necesaria para la Seguridad
                Nivel del calderín. (LT o LSLL, LSHH).
                Presión del calderín (PT o PSHH).


       – Instrumentación necesaria para el Control
                Control de nivel del calderín:
                   – Nivel y presión del calderín (LT y PT).
                   – Caudal y temperatura agua de alimentación (FT y TT).
                   – Caudal, presión y temperatura de vapor (FT, PT y TT).
                   – Válvula de control de agua de alimentación (LV).




Control / Enclavamientos de hornos de proceso
                                                                             8
Master de Instrumentación y Control
Control de Calderas
                           Calderas Industriales (Instrumentación III)




•    Sistema Agua-Vapor
        Instrumentación necesaria para el control
               • Control de presión y temperatura de vapor:
                   – Caudal, presión y temperatura de vapor (FT, PT y TT).
                   – Temperatura de vapor después del atemperador (TT).
                   – Válvula de control del atemperador (TV)
               • Control de sopladores:
                       –   Válvula de corte de vapor.
                       –   Válvula de drenaje.
                       –   Presión de vapor (PT o PSL).
                       –   Temperatura en drenaje (TT o TSL).




Control / Enclavamientos de hornos de proceso
                                                                             9
Master de Instrumentación y Control
Control / Enclavamientos de hornos de proceso
                                                10
Master de Instrumentación y Control
Control de Calderas
                           Calderas Industriales (Instrumentación IV)




•    Sistema Aire-Gases
       • Instrumentación necesaria para la Seguridad.
                  Confirmación de marcha del ventilador.
                  Caudal de aire (FT o FSLL, FSH).
                  Presión de hogar (PT o PSHH).
                  Posición compuertas (ZSL, ZSH).


       • Instrumentación necesaria para el Control.
                Control del aire de combustión
                   – Caudal y temperatura del aire (FT y TT).
                   – Actuador compuerta ventilador (FV).
                   – Exceso de Oxigeno en gases (AT).
                   – Actuador registros de aire de quemadores (FV).




Control / Enclavamientos de hornos de proceso
                                                                        11
Master de Instrumentación y Control
Control / Enclavamientos de hornos de proceso
                                                12
Master de Instrumentación y Control
Control de Calderas
                           Calderas Industriales (Instrumentación V)




•    Sistema Combustibles
       • Instrumentación necesaria para la Seguridad.
                Ignitores
                    – Válvula general de corte y venteo.
                    – Dos (2) válvulas de corte y un venteo por ignitor.
                Quemadores gas
                    – Igual a los ignitores.
                    – Válvula de carga del test de fugas.
                    – Confirmaciones de posición cerrada de válvulas.
                Quemadores fuel oil
                    – Válvula de corte general y recirculación.
                    – Válvula de circulación.
                    – Válvula de corte para cada quemador.
                    – Indicación de lanza de quemador acoplada.
                    – Confirmaciones de posición cerrada de válvulas.




Control / Enclavamientos de hornos de proceso
                                                                           13
Master de Instrumentación y Control
Control de Calderas
                           Calderas Industriales (Instrumentación VI)




•    Sistema Combustibles
       • Instrumentación necesaria para la Seguridad.
               •   Presión gas ignitores (PT o PSL, PSH).
               •   Presión gas quemadores (PT o PSL, PSH).
               •   Presión fuel oil quemadores (PT o PSL, PSH).
               •   Temperatura fuel oil (TT o TSL, TSH).
               •   Presión diferencial fuel oil/vapor (PDT o PDSL).
               •   Llama combustible detectada (BSL).




Control / Enclavamientos de hornos de proceso
                                                                        14
Master de Instrumentación y Control
Control de Calderas
                          Calderas Industriales (Instrumentación VII)




•    Sistema Combustibles
       – Instrumentación necesaria para el Control.
                Control gas natural.
                   – Caudal, presión y temperatura del gas (FT, PT, TT).
                   – Válvula de control del caudal de gas (FV).
                   – Válvula de control de mínima presión (PV).
                Control fuel oil (igual al gas salvo presión)
                Control vapor atomización.
                   – Presión diferencial vapor / fuel oil (PDT).
                   – Válvula de control de vapor de atomización (PDV).




Control / Enclavamientos de hornos de proceso
                                                                           15
Master de Instrumentación y Control
Control de Calderas
                                                Introducción (I)



•    Conseguir el equilibrio de masa y energía en la caldera ante variaciones de
     la demanda.
       – Equilibrio de masas - Control de nivel.
       – Equilibrio energético - Demanda de carga.
•     El control debe estar diseñado para minimizar los efectos de las
     interacciones de las variables (sistemas multivariables).
•     Lazos de control:
       –     Simples: variables no influidas o que no influyen en otras.
       –     Multivariables: variables afectadas o que afectan a otras.




Control / Enclavamientos de hornos de proceso
                                                                                   16
Master de Instrumentación y Control
Control de Calderas
                                                Introducción (II)




Control / Enclavamientos de hornos de proceso
                                                                    17
Master de Instrumentación y Control
Control de Calderas
                                                Introducción (III)



•    Circuitos de compensación para evitar que las perturbaciones en las
     variables afecten al proceso.
•    Los lazos de control se pueden considerar de primer orden.
       – Caudal - segundos.
       – Caída de presión - segundos.
       – Nivel - segundos a minutos.
       – Aumento de presión - minutos.
       – Temperaturas - minutos.
       – Presión en líquidos - milisegundos a segundos.
•    Evitar interferencia de ruidos en el sistema.
       – Medidas (p.e. Caudal).
       – Proceso (p.e. Hogar)


Control / Enclavamientos de hornos de proceso
                                                                           18
Master de Instrumentación y Control
Control de Calderas
                                    Controles auxiliares: Presión de FO



•    Objetivo:
       – Mantener presión de suministro de fuel oil para poder
         realizar el control de caudal de acuerdo a la demanda de
         carga.


•    Filosofía de control:
       – Regular el retorno de combustible al tanque.
       – Lazo de control – PI simple.




Control / Enclavamientos de hornos de proceso
                                                                          19
Master de Instrumentación y Control
Control de Calderas
                                   Controles auxiliares: Temp. de FO (I)



•    Objetivo:
       – Mantener la temperatura de suministro de fuel oil para
         que la viscosidad sea adecuada para la atomización.


•    Filosofía de control:
       – Regular el caudal de vapor a través de los calentadores.
       – Lazo de control – PI simple:
               • Viscosidad constante – PI simple.




Control / Enclavamientos de hornos de proceso
                                                                           20
Master de Instrumentación y Control
Control de Calderas
                                   Controles auxiliares: Temp. de FO (II)



•    Filosofía de control:
       – Lazo de control – PI simple:
               • Viscosidad variable - la viscosidad es la
                 variable primaria y la temperatura la
                 secundaria.




Control / Enclavamientos de hornos de proceso
                                                                            21
Master de Instrumentación y Control
Control de Calderas
                          Controles auxiliares: Pres. Vapor atom.(I)




•    Objetivo:
       – Mantener la presión de atomización para una
         combustión óptima.


•    Filosofía de control:
       – Válvula de control en línea de aportación de vapor a los
         quemadores.
       – Lazo de control – PI simple.




Control / Enclavamientos de hornos de proceso
                                                                       22
Master de Instrumentación y Control
Control de Calderas
                           Controles auxiliares: Pres. Vapor atom.(II)




•    Filosofía de control:
       – En algunas ocasiones podemos encontrarnos que
         la Presión diferencial varía para las distintas
         cargas del combustible. En este caso, la consigna
         del diferencial de presión vendrá dada en función
         de la presión del fuel.




Control / Enclavamientos de hornos de proceso
                                                                         23
Master de Instrumentación y Control
Control de Calderas
                               Controles auxiliares: Purga continua (I)




•   Objetivo:
      – Mantener la conductividad del agua
        dentro de los límites para evitar
        depósitos o arrastres de sólidos en
        el vapor.
•   Filosofía de control:
      – Válvula de control en la parte baja
        del calderín.
      – Lazos de control:
               Control de tres posiciones (control
                discreto).




Control / Enclavamientos de hornos de proceso
                                                                          24
Master de Instrumentación y Control
Control de Calderas
                              Controles auxiliares: Purga continua (II)




•   Filosofía de control:
      – Válvula de control en la parte baja del
        calderín.
      – Lazos de control:
               PI simple con anticipación por caudal de
                agua para calderas con variaciones
                frecuentes (control analógico).




Control / Enclavamientos de hornos de proceso
                                                                          25
Master de Instrumentación y Control
Control de Calderas
                                   Control de Nivel / Agua Alimentación (I)



•      Consideraciones instrumentación:
         – Medida de nivel - transmisores de presión diferencial.




    Control / Enclavamientos de hornos de proceso
                                                                              26
    Master de Instrumentación y Control
Control de Calderas
                              Control de Nivel / Agua Alimentación (II)




•   Consideraciones instrumentación:
      – Medida de nivel - transmisores de presión
        diferencial.
               Presiones < 35 bares - no es necesario
                compensar.
               Presiones > 35 bares - compensar la
                medida con la presión en el calderín debido
                a las variaciones de densidad.




     • Medidas de caudal - transmisores de presión
       diferencial. Se deben compensar las medidas
       por presión y temperatura.

Control / Enclavamientos de hornos de proceso
                                                                          27
Master de Instrumentación y Control
Control de Calderas
                                 Control de Nivel / Agua Alimentación (III)



•      Objetivos:
         – Mantener el nivel del calderín.
         – Minimizar la interacción con el control de combustión, debido a la variación de la
           presión del calderín por un suministro desigual de agua.
         – Cambios suaves en el agua almacenada.
         – Equilibrar la salida de vapor con la entrada de agua.
         – Compensar variaciones de presión del agua de alimentación.



 Filosofía de control:
         • El típico control de nivel no es adecuado debido al esponjamiento y
           contracción que se produce en el nivel ante cambios de carga, siempre se
           mueve en la dirección opuesta a la que intuitivamente se espera que
           ocurra.
    Control / Enclavamientos de hornos de proceso
                                                                                                28
    Master de Instrumentación y Control
Control de Calderas
                             Control de Nivel / Agua Alimentación (IV)

                                           Al incrementar la demanda, el nivel se
                                          incrementa temporalmente debido a la
                                          disminución de presión (esponjamiento)




                                                    Al disminuir la demanda, el nivel se
                                                    disminuye temporalmente debido al
                                                    aumento de presión (contracción).
Control / Enclavamientos de hornos de proceso
                                                                                           29
Master de Instrumentación y Control
Control de Calderas
                              Control de Nivel / Agua Alimentación (V)




•   Filosofía de control:
      – Control a un elemento.
               Calderas pequeñas con calderín grande.
               Cambios de carga lentos.
               Puede haber problemas con el esponjamiento y
                contracción en el nivel debidos a los cambios de carga.
               Ajuste del lazo debe ser con una ganancia grande y una
                integral lenta.
               El elemento final debe tener una relación lineal con la
                señal de control, si no es así se debe añadir una
                caracterización.




Control / Enclavamientos de hornos de proceso
                                                                          30
Master de Instrumentación y Control
Control de Calderas
                             Control de Nivel / Agua Alimentación (VI)




•   Filosofía de control:
      – Control a dos elementos.
               Cambios de carga rápidos.
               El caudal de vapor es la señal índice que anticipa las
                variaciones en el consumo.
               Imprescindible que la relación entre la posición del
                elemento de control y el caudal aportado no cambie y
                sea conocido.
               No tiene en cuenta variaciones en la presión de
                suministro de agua.




Control / Enclavamientos de hornos de proceso
                                                                         31
Master de Instrumentación y Control
Control de Calderas
                             Control de Nivel / Agua Alimentación (VII)




                                    Efecto de la presión de suministro en el
                                           control con dos elementos

Control / Enclavamientos de hornos de proceso
                                                                               32
Master de Instrumentación y Control
Control de Calderas
                            Control de Nivel / Agua Alimentación (VIII)




•   Filosofía de control:
      – Control a tres elementos.
               Cambios de carga rápidos.
               Se añade el caudal de agua de alimentación,
                para evitar los problemas sobre la repetibilidad
                en el elemento final.
               Alternativa 1ª: La señal de control del lazo a dos
                elementos se utiliza como consigna del
                regulador de caudal.




Control / Enclavamientos de hornos de proceso
                                                                          33
Master de Instrumentación y Control
Control de Calderas
                             Control de Nivel / Agua Alimentación (IX)




•   Filosofía de control:
      – Control a tres elementos.
               Cambios de carga rápidos.
               Se añade el caudal de agua de alimentación,
                para evitar los problemas sobre la repetibilidad
                en el elemento final.
               Alternativa 2ª: Regulador en cascada, donde el
                regulador de nivel marca la necesidad y la
                diferencia entre los caudales la variable de
                proceso.




Control / Enclavamientos de hornos de proceso
                                                                         34
Master de Instrumentación y Control
Control de Calderas
                              Control de Nivel / Agua Alimentación (X)




•   Filosofía de control:
      – Control a uno y tres elementos.
               Conmutación automática del lazo desde un
                elemento a tres elementos cuando el
                caudal es mayor del 20%.




Control / Enclavamientos de hornos de proceso
                                                                         35
Master de Instrumentación y Control
Control de Calderas
                             Control de Nivel / Agua Alimentación (XI)




•   Filosofía de control:
      – Control a tres elementos +    la
        presión del agua de alimentación
        (cuarto elemento).
               Solo cuando las variaciones son
                muy grandes.
               Varia la ganancia del lazo primario
                a tres elementos.




Control / Enclavamientos de hornos de proceso
                                                                         36
Master de Instrumentación y Control
Control de Calderas
                             Control de Nivel / Agua Alimentación (XII)




•   Filosofía de control:
      – Opcionalmente en los esquemas
        de control se puede incluir el
        caudal de purga.
               Solo cuando dicho caudal sea
                relevante.




Control / Enclavamientos de hornos de proceso
                                                                          37
Master de Instrumentación y Control
Control de Calderas
                            Control de Nivel / Agua Alimentación (XIII)




•   Filosofía de control:
      – En calderas con cambios de
        carga muy rápidos.
      – El equilibrio agua – vapor
        debe tener en cuenta el
        vapor producido y el
        aumento de presión.
      – Se puede incluir la presión en
        el calderín.
      – Calderas con presión variable
        o deslizante.
      – Densidad varía con la
        variación de la presión.



Control / Enclavamientos de hornos de proceso
                                                                          38
Master de Instrumentación y Control
Control de Calderas
                               Control de la Temperatura del vapor (I)




•   Objetivo:
      – Mantener la temperatura del vapor
        dentro de un rango
        independientemente de la carga,
        sólo para calderas de vapor
        sobrecalentado.
•   Filosofía de control:
      – Control de la parte gases.

     • Inyección directa de agua,
       problemas con la calidad del
       vapor. Respuesta rápida.
     • Intercambiador de calor agua-
       vapor, no existen problemas de
       contaminación. Respuesta lenta.

Control / Enclavamientos de hornos de proceso
                                                                         39
Master de Instrumentación y Control
Control de Calderas
                               Control de la Temperatura del vapor (II)




•   Filosofía de control:
      – Control a un elemento.
               Calderas pequeñas.
               Cambios lentos de carga.
               Lazo de control - PI simple.




Control / Enclavamientos de hornos de proceso
                                                                          40
Master de Instrumentación y Control
Control de Calderas
                              Control de la Temperatura del vapor (III)




•   Filosofía de control:
      – Control a dos elementos.
               Alternativa 1: Utilizar el caudal de aire
                de combustión como índice de la
                válvula de spray. Sólo cuando exista un
                índice adecuado para el
                posicionamiento de la válvula.




             También se puede utilizar el
              caudal de vapor producido.




Control / Enclavamientos de hornos de proceso
                                                                          41
Master de Instrumentación y Control
Control de Calderas
                              Control de la Temperatura del vapor (IV)




•   Filosofía de control:
      – Control a dos elementos.
               Alternativa 2: Utilizar la temperatura de
                vapor final como la variable primaria, y
                la temperatura de vapor tras el spray
                como variable del regulador secundario.
                Utilizar cuando no hay un índice o la
                atemperación es similar en todo el
                rango.




Control / Enclavamientos de hornos de proceso
                                                                         42
Master de Instrumentación y Control
Control de Calderas
                               Control de la Temperatura del vapor (V)




•   Filosofía de control:
      – Control a tres elementos.
               Se utiliza tanto el caudal de aire como
                la temperatura de vapor final.
               Se evita el problema de las diferentes
                posiciones de la válvula de control
                dependiendo de la carga
               Alternativa 1:




Control / Enclavamientos de hornos de proceso
                                                                         43
Master de Instrumentación y Control
Control de Calderas
                              Control de la Temperatura del vapor (VI)




•   Filosofía de control:
      – Control a tres elementos.
               Se utiliza tanto el caudal de aire como
                la temperatura de vapor final.
               Se evita el problema de las diferentes
                posiciones de la válvula de control
                dependiendo de la carga
               Alternativa 2:




Control / Enclavamientos de hornos de proceso
                                                                         44
Master de Instrumentación y Control
Control de Calderas
                             Control de la Temperatura del vapor (VII)




•   Filosofía de control:
      – Control a tres elementos.
               Si existe el caudal de agua
                de atemperación se puede
                utilizar como elemento
                adicional, evitando los
                problemas de repetibilidad
                del elemento de control




Control / Enclavamientos de hornos de proceso
                                                                         45
Master de Instrumentación y Control
Control de Calderas
                                               Control de la Demanda (I)



•      Objetivo:
         – Generar la señal de demanda de carga a los quemadores (equilibrio energético).


•      Filosofía de control:
         – Establecer en el colector (punto de balance) un equilibrio entre energía
           suministrada y demandada (presión de vapor).
         – El aumento de presión significa que el suministro es superior al consumo.
         – El descenso de presión indica que el suministro es menor al consumo.




    Control / Enclavamientos de hornos de proceso
                                                                                            46
    Master de Instrumentación y Control
Control de Calderas
                                           Control de la Demanda (II)




•    Filosofía de control:
      –     Control a un elemento.
                  Lazo de control - PI simple.
                  Variable de proceso puede ser:



                    1. Presión de vapor.
                    2. Caudal de vapor (varias
                       calderas en un mismo
                       colector).



                 La salida del lazo es la
                  demanda de carga o de fuego.

Control / Enclavamientos de hornos de proceso
                                                                        47
Master de Instrumentación y Control
Control de Calderas
                                           Control de la Demanda (II)




•    Filosofía de control:
      –     Control a un elemento.
                  Lazo de control - PI simple.
                  Variable de proceso puede ser:



                    1. Presión de vapor.
                    2. Caudal de vapor (varias
                       calderas en un mismo
                       colector).
                    3. El operador decide
                        entre presión o caudal.
                 La salida del lazo es la
                  demanda de carga o de fuego.

Control / Enclavamientos de hornos de proceso
                                                                        48
Master de Instrumentación y Control
Control de Calderas
                                          Control de la Demanda (III)




•    Filosofía de control:
      –     Control a dos elementos.
                  Cambios de carga rápidos.
                  El caudal de vapor como suma
                   ponderada de todos los caudales
                   de todas las calderas involucradas,
                   actúa como índice de la demanda
                   de carga:




                    1.      Directamente.




Control / Enclavamientos de hornos de proceso
                                                                        49
Master de Instrumentación y Control
Control de Calderas
                                          Control de la Demanda (III)




•    Filosofía de control:
      –     Control a dos elementos.
                  Cambios de carga rápidos.
                  El caudal de vapor como suma
                   ponderada de todos los caudales
                   de todas las calderas involucradas,
                   actúa como índice de la demanda
                   de carga:




                    1.      Directamente.
                    2.      Presión de vapor.
                            Derivada del caudal
                            (adecuado para casos
                            que hay una caída de
                            presión alta entre
                            colector y caldera).
Control / Enclavamientos de hornos de proceso
                                                                        50
Master de Instrumentación y Control
Control de Calderas
                                              Control de la Demanda (IV)



•      Consideraciones:
         –    Reparto de cargas entre múltiples calderas.
                     Reparto manual por caldera.
                        -    Problemas con los ajustes de los
                             parámetros del lazo cuando se añaden
                             o eliminan calderas en el sistema.
                        -    Problemas con las calderas trabajando
                             en manual, si modifican su carga, el
                             control sólo modifica la carga de las
                             restantes cuando se modifique la
                             presión del colector.




    Control / Enclavamientos de hornos de proceso
                                                                           51
    Master de Instrumentación y Control
Control de Calderas
                                               Control de la Demanda (V)



•      Consideraciones:
         –    Reparto de cargas entre múltiples calderas.
                     Reparto manual más regulador de
                      compensación.




    Control / Enclavamientos de hornos de proceso
                                                                           52
    Master de Instrumentación y Control
Control de Calderas
                                          Control de la Demanda (VI)




•    Consideraciones:
      –     Reparto de cargas entre múltiples
            calderas.
                  Reparto automático más regulador de
                   compensación.




Control / Enclavamientos de hornos de proceso
                                                                       53
Master de Instrumentación y Control
Control de Calderas
                                          Control de la Demanda (VII)




•    Consideraciones:
      –     Reparto de cargas entre múltiples
            calderas.
                  Reparto automático en base al coste más
                   regulador de compensación.




Control / Enclavamientos de hornos de proceso
                                                                        54
Master de Instrumentación y Control
Control de Calderas
                                             Control de la Combustión (I)



•      Objetivo:
         – Mantener los caudales de aire y combustible de acuerdo a la demanda (equilibrio
           energético).
         – Mantener una relación entre los caudales de aire y combustible que asegure que
           existe oxígeno suficiente para que la combustión se produzca de forma completa
           y segura.
         – Mantener el exceso de aire mínimo que permita conseguir los mayores niveles de
           eficacia posibles.
         – Mantener la demanda de los quemadores dentro de límites de su capacidad de
           operación.




    Control / Enclavamientos de hornos de proceso
                                                                                             55
    Master de Instrumentación y Control
Control de Calderas
                                          Control de la Combustión (II)



 Filosofía de control:
    • Control por posicionamiento.
        Posicionar las válvulas de control y compuertas de acuerdo con la demanda.
        No existen medidas de caudales.
        Se basa en las medidas realizadas durante la puesta en servicio del equipo
         para diferentes demandas. Existen problemas ante cambios de
         combustibles, temperaturas, etc.




                                                           Mediante un único elemento mecánico de control
                                                            que maneja tanto la válvula como los álabes (SPP).
                                                           Mediante dos órdenes en paralelo a los actuadores
                                                            (PP).

  Control / Enclavamientos de hornos de proceso
                                                                                                       56
  Master de Instrumentación y Control
Control de Calderas
                                          Control de la Combustión (III)



 Filosofía de control:
    • Control por posicionamiento
      en paralelo (PP).




  Control / Enclavamientos de hornos de proceso
                                                                           57
  Master de Instrumentación y Control
Control de Calderas
                                          Control de la Combustión (III)



 Filosofía de control:
    • Control por posicionamiento
      en paralelo (PP).




  Control / Enclavamientos de hornos de proceso
                                                                           58
  Master de Instrumentación y Control
Control de Calderas
                                            Control de la Combustión (IV)



•        Filosofía de control:
         –     Control realimentado:
                      Se añade los caudales para evitar problemas con variaciones en combustibles,
                       temperaturas, etc.
                      La relación lineal entre caudal de aire y combustible se realiza en el control de aire.
                      Los diseños utilizados son:
                        1.    Control de combustible realimentado.
                        2.    Combustible sigue al aire.
                        3.    Aire sigue al combustible.
                        4.    Control de combustión con límites cruzados.




    Control / Enclavamientos de hornos de proceso
                                                                                                                 59
    Master de Instrumentación y Control
Control de Calderas
                                        Control de la Combustión (V)




•    Filosofía de control:
      –     Control Realimentado.
                  Combustible realimentado.




Control / Enclavamientos de hornos de proceso
                                                                       60
Master de Instrumentación y Control
Control de Calderas
                                        Control de la Combustión (VI)


                          Combustible                            Aire sigue al
                          sigue al aire                          Combustible




Control / Enclavamientos de hornos de proceso
                                                                                 61
Master de Instrumentación y Control
Control de Calderas
                                       Control de la Combustión (VII)


                                                 Selectores
                                                  cruzados




Control / Enclavamientos de hornos de proceso
                                                                        62
Master de Instrumentación y Control
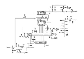
0- 5000 Kg/h                                0- 1500 Nm3/h                      0- 100 bar           0- 100 Tm/h                     0--500ppm                 0- 10 %             0- 105000 Nm3/h
                         FT                                         FT                                   PT                 FI                            AT                        AT                      FT
                         02                                         03                                   01                   01                          02                        01                     04



                                           Ratio Pc FO / PC FG
                                               HX                                                        PC
                                               01                                                        01
                                           0. 75 Nm3 FG/ Kg FO
                                                                                                           0- 7000 Kg/ h FO                                     0-500 ppm                0- 10 %
                                                                                                         PX                                               AC                        AC
                                               FX                                                                                                SP
                                                                                                         01                                               02                        01
                                               02A
                                         0- 7000 Kg/ h FO


                                                                                       FX                               FX         0- 7000 Kg/ h FO       FX     0- 105000 Nm3/h
                                                                                        01A   >                   <     01B                               04A
                                                                         0- 7000 Kg/ h FO




                                                                                                                                                                 Ratio Aire / FO
                                                                                                                                                                                    HC
                                                                                                                                                                                  04
                                                                                                                                                                15 Nm3 Aire/ Kg FO




                                                                                                                                      0- 7000 Kg/ h FO    FX                         0- 105000 Nm3/h       FC
                                                                                                                                                          04B                                              04



                         FC     0- 5000 Kg/ h FO                                                    FX
                                                                                                                              0- 7000 Kg/ h FO
                         02                                                                        02B



                                                                    FC    0- 1500 Nm3/h    FX                            FX
                                                                    03                    03B                           053A

                                                                                                                              0.66
                                                                                       0. 75 Nm3 FG/ Kg FO
                                                                                           HX                           HC
Control / Enclavamientos de hornos de proceso
                                                                                                                                                                                                          A
                                                                                            01                           02
                                                                                                                                                                                                                B
                                                                                                                                                                                                                    63
Master de Instrumentación y Control                                                   Ratio Pc FO/ Pc FG            Ratio FG /FO
Control de Calderas
                                           Control de la Combustión (VIII)



•        Filosofía de control:
         –      Control del caudal de combustible:
                       La demanda de combustible se acondicionará dependiendo de la configuración del
                        sistema de combustible:
                        I.     1 combustible - PI simple.
                        II.    2 combustibles, uno con caudal fijado por el operador.
                        III. 2 combustibles indistintamente pero nunca de forma simultánea.
                        IV.    2 combustibles con selección de relación entre ellos.
                        V.     2 combustibles uno de ellos prioritario.
                       Deben tenerse en cuenta ciertas consideraciones según número y tipo de
                        quemadores en servicio.




    Control / Enclavamientos de hornos de proceso
                                                                                                         64
    Master de Instrumentación y Control
Control de Calderas
                                        Control de la Combustión (IX)




•    Filosofía de control:
      –     Control del caudal de combustible.
                  1 Combustible – PI simple.




Control / Enclavamientos de hornos de proceso
                                                                        65
Master de Instrumentación y Control
Control de Calderas
                                        Control de la Combustión (X)




•    Filosofía de control:
      –     Control del caudal de combustible.
                  2 Combustibles. Uno sin control y otro
                   con el caudal fijado por el operador.




Control / Enclavamientos de hornos de proceso
                                                                       66
Master de Instrumentación y Control
Control de Calderas
                                        Control de la Combustión (XI)




•    Filosofía de control:
      –     Control del caudal de combustible.
                  2 Combustibles indistintamente pero nunca
                   de forma simultánea.




Control / Enclavamientos de hornos de proceso
                                                                        67
Master de Instrumentación y Control
Control de Calderas
                                       Control de la Combustión (XII)




•    Filosofía de control:
      –     Control del caudal de combustible.
                  2 Combustibles con selección de relación
                   entre ellos.




Control / Enclavamientos de hornos de proceso
                                                                        68
Master de Instrumentación y Control
Control de Calderas
                                       Control de la Combustión (XIII)




•    Filosofía de control:
      –     Control del caudal de combustible.
                  2 Combustibles con selección de relación
                   entre ellos y compensación.




Control / Enclavamientos de hornos de proceso
                                                                         69
Master de Instrumentación y Control
Control de Calderas
                                      Control de la Combustión (XIV)




•    Filosofía de control:
      –     Control del caudal de combustible.
                  2 Combustibles con selección de relación
                   entre ellos (alternativa).




Control / Enclavamientos de hornos de proceso
                                                                       70
Master de Instrumentación y Control
Control de Calderas
                                       Control de la Combustión (XV)




•    Filosofía de control:
      –     Control del caudal de combustible.
                  2 Combustibles uno de ellos
                   prioritario (por disponibilidad)




Control / Enclavamientos de hornos de proceso
                                                                       71
Master de Instrumentación y Control
Control de Calderas
                                      Control de la Combustión (XVI)




Control / Enclavamientos de hornos de proceso
                                                                       72
Master de Instrumentación y Control
Control de Calderas
                                      Control de la Combustión (XVII)




•    Filosofía de control:
      –     Consideraciones según
            número y tipo de
            quemadores en
            servicio.




Control / Enclavamientos de hornos de proceso
                                                                        73
Master de Instrumentación y Control
Control de Calderas
                                           Control de Combustión (XVII)

                             B: si hay quemadores mixtos y QUEMFG <= QUEMFO                        75% 87.5%
                             A: demás casos                21.88%
                                                                                               +
   6.25%                                           6.25%               18.75%         18.75%                          75%
   3.2%                                            3.2%    T    A               >     21.88%   Δ           X     FO/
                                                           B                                                     FO total
Nº quemadores
FG = 1                                 ÷                   <                                            56.25%
                                                                                                        65.62%
                                                               6.25%
                                                                 3.2%
                                  +
                                       Δ                   X                    Nº quemadores
                                                                                FG = 1                  QUEMADORES
% máximo                                                       6.25%                                    EN SERVICIO 3
                                                               3.2%
Quemador = 25%
                                                                                                        QUEMADORES
                                  +
                                       Δ                   X
                                                                                Nº quemadores           MIXTOS
                                                                                FO = 3
                                          18.75%
                                          21.87%

                                       ÷                   <
Nº quemadores
FO = 3
           65.62%                         65.62%           B
           56.25%                         56.25%                 A     56.25%

   Control / Enclavamientos de hornos de proceso
                                                           T           65.62%   >                                74
   Master de Instrumentación y Control              B: si hay quemadores mixtos y QUEMFO < QUEMFG
                                                    A: demás casos
Control de Calderas
                                     Control de la Combustión (XVIII)




•    Filosofía de control:
      –     Control del caudal de aire.
                  PI simple.
                  Filtrada al 25% para mantener
                   velocidad mínima.
                  Si existe VTF y VTI, utilizar como
                   señal de adelanto para el control de
                   tiro la señal de control del VTF.




Control / Enclavamientos de hornos de proceso
                                                                        75
Master de Instrumentación y Control
Control de Calderas
                                      Control de la Combustión (IXX)



                                                       •   Filosofía de control:
                                                           –   Control del caudal de aire.
                                                                   Control de rango partido turbina /
                                                                    álabes, para bajas velocidades se
                                                                    regulan los álabes, y cuando están
                                                                    al 100% se regula la velocidad del
                                                                    ventilador.




Control / Enclavamientos de hornos de proceso
                                                                                                 76
Master de Instrumentación y Control
Control de Calderas
                                       Control de la Combustión (XX)




•    Filosofía de control:
      –     Control del caudal de aire.
                  En instalaciones con dos
                   ventiladores, tener en cuenta el
                   posible fallo de uno de ellos. Por ello
                   es muy útil tener un sistema de
                   compensación automática del
                   número de ventiladores.




Control / Enclavamientos de hornos de proceso
                                                                       77
Master de Instrumentación y Control
Control de Calderas
                                      Control de la Combustión (XXI)




•    Filosofía de control:
      –     Control del caudal de aire.
                  Control de los registros de aire a
                   quemadores.
                  Función del caudal de aire y del
                   numero de quemadores en servicio.




Control / Enclavamientos de hornos de proceso
                                                                       78
Master de Instrumentación y Control
Control de Calderas
                                      Control de la Combustión (XXII)




Control / Enclavamientos de hornos de proceso
                                                                        79
Master de Instrumentación y Control
Control de Calderas
                                     Control de la Combustión (XXIII)




Control / Enclavamientos de hornos de proceso
                                                                        80
Master de Instrumentación y Control
Control de Calderas
                                     Control de la Combustión (XXIV)




•    Filosofía de control:
      –     Control del caudal de aire.
                  Corrección del caudal de
                   aire por oxígeno.

                 Corrección del caudal
                  de aire por CO.




Control / Enclavamientos de hornos de proceso
                                                                       81
Master de Instrumentación y Control
Control de Calderas
                                      Control de la Combustión (XXV)




•    Filosofía de control:
      –     Control del caudal de aire.
                  Corrección del caudal de
                   aire por oxígeno y CO2.




Control / Enclavamientos de hornos de proceso
                                                                       82
Master de Instrumentación y Control
Control de Calderas
                                                Control de Tiro (I)




•   Objetivo:
      – Mantener la presión del hogar dentro
        de una estrecha banda para
        asegurar una combustión
        satisfactoria así como una operación
        segura.

•   Filosofía de control:
     – Calderas con VTF y VTI.
               El VTF se encarga de mantener el
                caudal de aire de combustión.
               El VTI controla la presión del hogar
                variando su succión.




                    1.      Ganancia Fija.
                    2.      Ganancia Variable.
Control / Enclavamientos de hornos de proceso
                                                                      83
Master de Instrumentación y Control
Control de Calderas
                                                Control de Tiro (II)




•   Consideraciones:
      – Calderas con dos VTIs.
               Salida partida según el equipo.
               Lazo preparado ante fallo de un
                equipo.
               Compensación automática del
                número de ventiladores en servicio.




Control / Enclavamientos de hornos de proceso
                                                                       84
Master de Instrumentación y Control
Control de Calderas
                                                    Control de Tiro (III)



•      Filosofía de Control:
         – Control de tiro incluyendo control
           contra implosiones.




    Control / Enclavamientos de hornos de proceso
                                                                            85
    Master de Instrumentación y Control

Calderas control isaupm

  • 1.
    CONTROL DE CALDERAS PedroManuel Redondo Sobrado
  • 2.
    Control de Calderas Generalidades (I) • Tipos de Caldera – PIROTUBULARES (Tubos de humo). – ACUOTUBULARES (Tubos de agua).  Con calderín agua / vapor.  Paso único. – Adicionalmente se pueden clasificar por:  ALTA o BAJA PRESIÓN.  VAPOR SATURADO o SOBRECALENTADO.  TIRO FORZADO, INDUCIDO o BALANCEADO. Control / Enclavamientos de hornos de proceso 2 Master de Instrumentación y Control
  • 3.
    Control de Calderas Generalidades (II) Caldera pirotubular Control / Enclavamientos de hornos de proceso 3 Master de Instrumentación y Control
  • 4.
    Control de Calderas Generalidades (III) Caldera paquete acuotubular Control / Enclavamientos de hornos de proceso 4 Master de Instrumentación y Control
  • 5.
    Control de Calderas Generalidades (IV) Circulación en una caldera acuotubular Control / Enclavamientos de hornos de proceso 5 Master de Instrumentación y Control
  • 6.
    Control de Calderas Calderas Industriales (Instrumentación I) • Sistemas – Sistema AGUA-VAPOR. – Sistema COMBUSTIBLE-AIRE-GASES.  Sistema de aire-gases.  Sistema de combustible. Control / Enclavamientos de hornos de proceso 6 Master de Instrumentación y Control
  • 7.
    Control / Enclavamientosde hornos de proceso 7 Master de Instrumentación y Control
  • 8.
    Control de Calderas Calderas Industriales (Instrumentación II) • Sistema Agua-Vapor • Instrumentación necesaria para la Seguridad  Nivel del calderín. (LT o LSLL, LSHH).  Presión del calderín (PT o PSHH). – Instrumentación necesaria para el Control  Control de nivel del calderín: – Nivel y presión del calderín (LT y PT). – Caudal y temperatura agua de alimentación (FT y TT). – Caudal, presión y temperatura de vapor (FT, PT y TT). – Válvula de control de agua de alimentación (LV). Control / Enclavamientos de hornos de proceso 8 Master de Instrumentación y Control
  • 9.
    Control de Calderas Calderas Industriales (Instrumentación III) • Sistema Agua-Vapor  Instrumentación necesaria para el control • Control de presión y temperatura de vapor: – Caudal, presión y temperatura de vapor (FT, PT y TT). – Temperatura de vapor después del atemperador (TT). – Válvula de control del atemperador (TV) • Control de sopladores: – Válvula de corte de vapor. – Válvula de drenaje. – Presión de vapor (PT o PSL). – Temperatura en drenaje (TT o TSL). Control / Enclavamientos de hornos de proceso 9 Master de Instrumentación y Control
  • 10.
    Control / Enclavamientosde hornos de proceso 10 Master de Instrumentación y Control
  • 11.
    Control de Calderas Calderas Industriales (Instrumentación IV) • Sistema Aire-Gases • Instrumentación necesaria para la Seguridad.  Confirmación de marcha del ventilador.  Caudal de aire (FT o FSLL, FSH).  Presión de hogar (PT o PSHH).  Posición compuertas (ZSL, ZSH). • Instrumentación necesaria para el Control.  Control del aire de combustión – Caudal y temperatura del aire (FT y TT). – Actuador compuerta ventilador (FV). – Exceso de Oxigeno en gases (AT). – Actuador registros de aire de quemadores (FV). Control / Enclavamientos de hornos de proceso 11 Master de Instrumentación y Control
  • 12.
    Control / Enclavamientosde hornos de proceso 12 Master de Instrumentación y Control
  • 13.
    Control de Calderas Calderas Industriales (Instrumentación V) • Sistema Combustibles • Instrumentación necesaria para la Seguridad.  Ignitores – Válvula general de corte y venteo. – Dos (2) válvulas de corte y un venteo por ignitor.  Quemadores gas – Igual a los ignitores. – Válvula de carga del test de fugas. – Confirmaciones de posición cerrada de válvulas.  Quemadores fuel oil – Válvula de corte general y recirculación. – Válvula de circulación. – Válvula de corte para cada quemador. – Indicación de lanza de quemador acoplada. – Confirmaciones de posición cerrada de válvulas. Control / Enclavamientos de hornos de proceso 13 Master de Instrumentación y Control
  • 14.
    Control de Calderas Calderas Industriales (Instrumentación VI) • Sistema Combustibles • Instrumentación necesaria para la Seguridad. • Presión gas ignitores (PT o PSL, PSH). • Presión gas quemadores (PT o PSL, PSH). • Presión fuel oil quemadores (PT o PSL, PSH). • Temperatura fuel oil (TT o TSL, TSH). • Presión diferencial fuel oil/vapor (PDT o PDSL). • Llama combustible detectada (BSL). Control / Enclavamientos de hornos de proceso 14 Master de Instrumentación y Control
  • 15.
    Control de Calderas Calderas Industriales (Instrumentación VII) • Sistema Combustibles – Instrumentación necesaria para el Control.  Control gas natural. – Caudal, presión y temperatura del gas (FT, PT, TT). – Válvula de control del caudal de gas (FV). – Válvula de control de mínima presión (PV).  Control fuel oil (igual al gas salvo presión)  Control vapor atomización. – Presión diferencial vapor / fuel oil (PDT). – Válvula de control de vapor de atomización (PDV). Control / Enclavamientos de hornos de proceso 15 Master de Instrumentación y Control
  • 16.
    Control de Calderas Introducción (I) • Conseguir el equilibrio de masa y energía en la caldera ante variaciones de la demanda. – Equilibrio de masas - Control de nivel. – Equilibrio energético - Demanda de carga. • El control debe estar diseñado para minimizar los efectos de las interacciones de las variables (sistemas multivariables). • Lazos de control: – Simples: variables no influidas o que no influyen en otras. – Multivariables: variables afectadas o que afectan a otras. Control / Enclavamientos de hornos de proceso 16 Master de Instrumentación y Control
  • 17.
    Control de Calderas Introducción (II) Control / Enclavamientos de hornos de proceso 17 Master de Instrumentación y Control
  • 18.
    Control de Calderas Introducción (III) • Circuitos de compensación para evitar que las perturbaciones en las variables afecten al proceso. • Los lazos de control se pueden considerar de primer orden. – Caudal - segundos. – Caída de presión - segundos. – Nivel - segundos a minutos. – Aumento de presión - minutos. – Temperaturas - minutos. – Presión en líquidos - milisegundos a segundos. • Evitar interferencia de ruidos en el sistema. – Medidas (p.e. Caudal). – Proceso (p.e. Hogar) Control / Enclavamientos de hornos de proceso 18 Master de Instrumentación y Control
  • 19.
    Control de Calderas Controles auxiliares: Presión de FO • Objetivo: – Mantener presión de suministro de fuel oil para poder realizar el control de caudal de acuerdo a la demanda de carga. • Filosofía de control: – Regular el retorno de combustible al tanque. – Lazo de control – PI simple. Control / Enclavamientos de hornos de proceso 19 Master de Instrumentación y Control
  • 20.
    Control de Calderas Controles auxiliares: Temp. de FO (I) • Objetivo: – Mantener la temperatura de suministro de fuel oil para que la viscosidad sea adecuada para la atomización. • Filosofía de control: – Regular el caudal de vapor a través de los calentadores. – Lazo de control – PI simple: • Viscosidad constante – PI simple. Control / Enclavamientos de hornos de proceso 20 Master de Instrumentación y Control
  • 21.
    Control de Calderas Controles auxiliares: Temp. de FO (II) • Filosofía de control: – Lazo de control – PI simple: • Viscosidad variable - la viscosidad es la variable primaria y la temperatura la secundaria. Control / Enclavamientos de hornos de proceso 21 Master de Instrumentación y Control
  • 22.
    Control de Calderas Controles auxiliares: Pres. Vapor atom.(I) • Objetivo: – Mantener la presión de atomización para una combustión óptima. • Filosofía de control: – Válvula de control en línea de aportación de vapor a los quemadores. – Lazo de control – PI simple. Control / Enclavamientos de hornos de proceso 22 Master de Instrumentación y Control
  • 23.
    Control de Calderas Controles auxiliares: Pres. Vapor atom.(II) • Filosofía de control: – En algunas ocasiones podemos encontrarnos que la Presión diferencial varía para las distintas cargas del combustible. En este caso, la consigna del diferencial de presión vendrá dada en función de la presión del fuel. Control / Enclavamientos de hornos de proceso 23 Master de Instrumentación y Control
  • 24.
    Control de Calderas Controles auxiliares: Purga continua (I) • Objetivo: – Mantener la conductividad del agua dentro de los límites para evitar depósitos o arrastres de sólidos en el vapor. • Filosofía de control: – Válvula de control en la parte baja del calderín. – Lazos de control:  Control de tres posiciones (control discreto). Control / Enclavamientos de hornos de proceso 24 Master de Instrumentación y Control
  • 25.
    Control de Calderas Controles auxiliares: Purga continua (II) • Filosofía de control: – Válvula de control en la parte baja del calderín. – Lazos de control:  PI simple con anticipación por caudal de agua para calderas con variaciones frecuentes (control analógico). Control / Enclavamientos de hornos de proceso 25 Master de Instrumentación y Control
  • 26.
    Control de Calderas Control de Nivel / Agua Alimentación (I) • Consideraciones instrumentación: – Medida de nivel - transmisores de presión diferencial. Control / Enclavamientos de hornos de proceso 26 Master de Instrumentación y Control
  • 27.
    Control de Calderas Control de Nivel / Agua Alimentación (II) • Consideraciones instrumentación: – Medida de nivel - transmisores de presión diferencial.  Presiones < 35 bares - no es necesario compensar.  Presiones > 35 bares - compensar la medida con la presión en el calderín debido a las variaciones de densidad. • Medidas de caudal - transmisores de presión diferencial. Se deben compensar las medidas por presión y temperatura. Control / Enclavamientos de hornos de proceso 27 Master de Instrumentación y Control
  • 28.
    Control de Calderas Control de Nivel / Agua Alimentación (III) • Objetivos: – Mantener el nivel del calderín. – Minimizar la interacción con el control de combustión, debido a la variación de la presión del calderín por un suministro desigual de agua. – Cambios suaves en el agua almacenada. – Equilibrar la salida de vapor con la entrada de agua. – Compensar variaciones de presión del agua de alimentación.  Filosofía de control: • El típico control de nivel no es adecuado debido al esponjamiento y contracción que se produce en el nivel ante cambios de carga, siempre se mueve en la dirección opuesta a la que intuitivamente se espera que ocurra. Control / Enclavamientos de hornos de proceso 28 Master de Instrumentación y Control
  • 29.
    Control de Calderas Control de Nivel / Agua Alimentación (IV) Al incrementar la demanda, el nivel se incrementa temporalmente debido a la disminución de presión (esponjamiento) Al disminuir la demanda, el nivel se disminuye temporalmente debido al aumento de presión (contracción). Control / Enclavamientos de hornos de proceso 29 Master de Instrumentación y Control
  • 30.
    Control de Calderas Control de Nivel / Agua Alimentación (V) • Filosofía de control: – Control a un elemento.  Calderas pequeñas con calderín grande.  Cambios de carga lentos.  Puede haber problemas con el esponjamiento y contracción en el nivel debidos a los cambios de carga.  Ajuste del lazo debe ser con una ganancia grande y una integral lenta.  El elemento final debe tener una relación lineal con la señal de control, si no es así se debe añadir una caracterización. Control / Enclavamientos de hornos de proceso 30 Master de Instrumentación y Control
  • 31.
    Control de Calderas Control de Nivel / Agua Alimentación (VI) • Filosofía de control: – Control a dos elementos.  Cambios de carga rápidos.  El caudal de vapor es la señal índice que anticipa las variaciones en el consumo.  Imprescindible que la relación entre la posición del elemento de control y el caudal aportado no cambie y sea conocido.  No tiene en cuenta variaciones en la presión de suministro de agua. Control / Enclavamientos de hornos de proceso 31 Master de Instrumentación y Control
  • 32.
    Control de Calderas Control de Nivel / Agua Alimentación (VII) Efecto de la presión de suministro en el control con dos elementos Control / Enclavamientos de hornos de proceso 32 Master de Instrumentación y Control
  • 33.
    Control de Calderas Control de Nivel / Agua Alimentación (VIII) • Filosofía de control: – Control a tres elementos.  Cambios de carga rápidos.  Se añade el caudal de agua de alimentación, para evitar los problemas sobre la repetibilidad en el elemento final.  Alternativa 1ª: La señal de control del lazo a dos elementos se utiliza como consigna del regulador de caudal. Control / Enclavamientos de hornos de proceso 33 Master de Instrumentación y Control
  • 34.
    Control de Calderas Control de Nivel / Agua Alimentación (IX) • Filosofía de control: – Control a tres elementos.  Cambios de carga rápidos.  Se añade el caudal de agua de alimentación, para evitar los problemas sobre la repetibilidad en el elemento final.  Alternativa 2ª: Regulador en cascada, donde el regulador de nivel marca la necesidad y la diferencia entre los caudales la variable de proceso. Control / Enclavamientos de hornos de proceso 34 Master de Instrumentación y Control
  • 35.
    Control de Calderas Control de Nivel / Agua Alimentación (X) • Filosofía de control: – Control a uno y tres elementos.  Conmutación automática del lazo desde un elemento a tres elementos cuando el caudal es mayor del 20%. Control / Enclavamientos de hornos de proceso 35 Master de Instrumentación y Control
  • 36.
    Control de Calderas Control de Nivel / Agua Alimentación (XI) • Filosofía de control: – Control a tres elementos + la presión del agua de alimentación (cuarto elemento).  Solo cuando las variaciones son muy grandes.  Varia la ganancia del lazo primario a tres elementos. Control / Enclavamientos de hornos de proceso 36 Master de Instrumentación y Control
  • 37.
    Control de Calderas Control de Nivel / Agua Alimentación (XII) • Filosofía de control: – Opcionalmente en los esquemas de control se puede incluir el caudal de purga.  Solo cuando dicho caudal sea relevante. Control / Enclavamientos de hornos de proceso 37 Master de Instrumentación y Control
  • 38.
    Control de Calderas Control de Nivel / Agua Alimentación (XIII) • Filosofía de control: – En calderas con cambios de carga muy rápidos. – El equilibrio agua – vapor debe tener en cuenta el vapor producido y el aumento de presión. – Se puede incluir la presión en el calderín. – Calderas con presión variable o deslizante. – Densidad varía con la variación de la presión. Control / Enclavamientos de hornos de proceso 38 Master de Instrumentación y Control
  • 39.
    Control de Calderas Control de la Temperatura del vapor (I) • Objetivo: – Mantener la temperatura del vapor dentro de un rango independientemente de la carga, sólo para calderas de vapor sobrecalentado. • Filosofía de control: – Control de la parte gases. • Inyección directa de agua, problemas con la calidad del vapor. Respuesta rápida. • Intercambiador de calor agua- vapor, no existen problemas de contaminación. Respuesta lenta. Control / Enclavamientos de hornos de proceso 39 Master de Instrumentación y Control
  • 40.
    Control de Calderas Control de la Temperatura del vapor (II) • Filosofía de control: – Control a un elemento.  Calderas pequeñas.  Cambios lentos de carga.  Lazo de control - PI simple. Control / Enclavamientos de hornos de proceso 40 Master de Instrumentación y Control
  • 41.
    Control de Calderas Control de la Temperatura del vapor (III) • Filosofía de control: – Control a dos elementos.  Alternativa 1: Utilizar el caudal de aire de combustión como índice de la válvula de spray. Sólo cuando exista un índice adecuado para el posicionamiento de la válvula.  También se puede utilizar el caudal de vapor producido. Control / Enclavamientos de hornos de proceso 41 Master de Instrumentación y Control
  • 42.
    Control de Calderas Control de la Temperatura del vapor (IV) • Filosofía de control: – Control a dos elementos.  Alternativa 2: Utilizar la temperatura de vapor final como la variable primaria, y la temperatura de vapor tras el spray como variable del regulador secundario. Utilizar cuando no hay un índice o la atemperación es similar en todo el rango. Control / Enclavamientos de hornos de proceso 42 Master de Instrumentación y Control
  • 43.
    Control de Calderas Control de la Temperatura del vapor (V) • Filosofía de control: – Control a tres elementos.  Se utiliza tanto el caudal de aire como la temperatura de vapor final.  Se evita el problema de las diferentes posiciones de la válvula de control dependiendo de la carga  Alternativa 1: Control / Enclavamientos de hornos de proceso 43 Master de Instrumentación y Control
  • 44.
    Control de Calderas Control de la Temperatura del vapor (VI) • Filosofía de control: – Control a tres elementos.  Se utiliza tanto el caudal de aire como la temperatura de vapor final.  Se evita el problema de las diferentes posiciones de la válvula de control dependiendo de la carga  Alternativa 2: Control / Enclavamientos de hornos de proceso 44 Master de Instrumentación y Control
  • 45.
    Control de Calderas Control de la Temperatura del vapor (VII) • Filosofía de control: – Control a tres elementos.  Si existe el caudal de agua de atemperación se puede utilizar como elemento adicional, evitando los problemas de repetibilidad del elemento de control Control / Enclavamientos de hornos de proceso 45 Master de Instrumentación y Control
  • 46.
    Control de Calderas Control de la Demanda (I) • Objetivo: – Generar la señal de demanda de carga a los quemadores (equilibrio energético). • Filosofía de control: – Establecer en el colector (punto de balance) un equilibrio entre energía suministrada y demandada (presión de vapor). – El aumento de presión significa que el suministro es superior al consumo. – El descenso de presión indica que el suministro es menor al consumo. Control / Enclavamientos de hornos de proceso 46 Master de Instrumentación y Control
  • 47.
    Control de Calderas Control de la Demanda (II) • Filosofía de control: – Control a un elemento.  Lazo de control - PI simple.  Variable de proceso puede ser: 1. Presión de vapor. 2. Caudal de vapor (varias calderas en un mismo colector).  La salida del lazo es la demanda de carga o de fuego. Control / Enclavamientos de hornos de proceso 47 Master de Instrumentación y Control
  • 48.
    Control de Calderas Control de la Demanda (II) • Filosofía de control: – Control a un elemento.  Lazo de control - PI simple.  Variable de proceso puede ser: 1. Presión de vapor. 2. Caudal de vapor (varias calderas en un mismo colector). 3. El operador decide entre presión o caudal.  La salida del lazo es la demanda de carga o de fuego. Control / Enclavamientos de hornos de proceso 48 Master de Instrumentación y Control
  • 49.
    Control de Calderas Control de la Demanda (III) • Filosofía de control: – Control a dos elementos.  Cambios de carga rápidos.  El caudal de vapor como suma ponderada de todos los caudales de todas las calderas involucradas, actúa como índice de la demanda de carga: 1. Directamente. Control / Enclavamientos de hornos de proceso 49 Master de Instrumentación y Control
  • 50.
    Control de Calderas Control de la Demanda (III) • Filosofía de control: – Control a dos elementos.  Cambios de carga rápidos.  El caudal de vapor como suma ponderada de todos los caudales de todas las calderas involucradas, actúa como índice de la demanda de carga: 1. Directamente. 2. Presión de vapor. Derivada del caudal (adecuado para casos que hay una caída de presión alta entre colector y caldera). Control / Enclavamientos de hornos de proceso 50 Master de Instrumentación y Control
  • 51.
    Control de Calderas Control de la Demanda (IV) • Consideraciones: – Reparto de cargas entre múltiples calderas.  Reparto manual por caldera. - Problemas con los ajustes de los parámetros del lazo cuando se añaden o eliminan calderas en el sistema. - Problemas con las calderas trabajando en manual, si modifican su carga, el control sólo modifica la carga de las restantes cuando se modifique la presión del colector. Control / Enclavamientos de hornos de proceso 51 Master de Instrumentación y Control
  • 52.
    Control de Calderas Control de la Demanda (V) • Consideraciones: – Reparto de cargas entre múltiples calderas.  Reparto manual más regulador de compensación. Control / Enclavamientos de hornos de proceso 52 Master de Instrumentación y Control
  • 53.
    Control de Calderas Control de la Demanda (VI) • Consideraciones: – Reparto de cargas entre múltiples calderas.  Reparto automático más regulador de compensación. Control / Enclavamientos de hornos de proceso 53 Master de Instrumentación y Control
  • 54.
    Control de Calderas Control de la Demanda (VII) • Consideraciones: – Reparto de cargas entre múltiples calderas.  Reparto automático en base al coste más regulador de compensación. Control / Enclavamientos de hornos de proceso 54 Master de Instrumentación y Control
  • 55.
    Control de Calderas Control de la Combustión (I) • Objetivo: – Mantener los caudales de aire y combustible de acuerdo a la demanda (equilibrio energético). – Mantener una relación entre los caudales de aire y combustible que asegure que existe oxígeno suficiente para que la combustión se produzca de forma completa y segura. – Mantener el exceso de aire mínimo que permita conseguir los mayores niveles de eficacia posibles. – Mantener la demanda de los quemadores dentro de límites de su capacidad de operación. Control / Enclavamientos de hornos de proceso 55 Master de Instrumentación y Control
  • 56.
    Control de Calderas Control de la Combustión (II)  Filosofía de control: • Control por posicionamiento.  Posicionar las válvulas de control y compuertas de acuerdo con la demanda.  No existen medidas de caudales.  Se basa en las medidas realizadas durante la puesta en servicio del equipo para diferentes demandas. Existen problemas ante cambios de combustibles, temperaturas, etc.  Mediante un único elemento mecánico de control que maneja tanto la válvula como los álabes (SPP).  Mediante dos órdenes en paralelo a los actuadores (PP). Control / Enclavamientos de hornos de proceso 56 Master de Instrumentación y Control
  • 57.
    Control de Calderas Control de la Combustión (III)  Filosofía de control: • Control por posicionamiento en paralelo (PP). Control / Enclavamientos de hornos de proceso 57 Master de Instrumentación y Control
  • 58.
    Control de Calderas Control de la Combustión (III)  Filosofía de control: • Control por posicionamiento en paralelo (PP). Control / Enclavamientos de hornos de proceso 58 Master de Instrumentación y Control
  • 59.
    Control de Calderas Control de la Combustión (IV) • Filosofía de control: – Control realimentado:  Se añade los caudales para evitar problemas con variaciones en combustibles, temperaturas, etc.  La relación lineal entre caudal de aire y combustible se realiza en el control de aire.  Los diseños utilizados son: 1. Control de combustible realimentado. 2. Combustible sigue al aire. 3. Aire sigue al combustible. 4. Control de combustión con límites cruzados. Control / Enclavamientos de hornos de proceso 59 Master de Instrumentación y Control
  • 60.
    Control de Calderas Control de la Combustión (V) • Filosofía de control: – Control Realimentado.  Combustible realimentado. Control / Enclavamientos de hornos de proceso 60 Master de Instrumentación y Control
  • 61.
    Control de Calderas Control de la Combustión (VI) Combustible Aire sigue al sigue al aire Combustible Control / Enclavamientos de hornos de proceso 61 Master de Instrumentación y Control
  • 62.
    Control de Calderas Control de la Combustión (VII) Selectores cruzados Control / Enclavamientos de hornos de proceso 62 Master de Instrumentación y Control
  • 63.
    0- 5000 Kg/h 0- 1500 Nm3/h 0- 100 bar 0- 100 Tm/h 0--500ppm 0- 10 % 0- 105000 Nm3/h FT FT PT FI AT AT FT 02 03 01 01 02 01 04 Ratio Pc FO / PC FG HX PC 01 01 0. 75 Nm3 FG/ Kg FO 0- 7000 Kg/ h FO 0-500 ppm 0- 10 % PX AC AC FX SP 01 02 01 02A 0- 7000 Kg/ h FO FX FX 0- 7000 Kg/ h FO FX 0- 105000 Nm3/h 01A > < 01B 04A 0- 7000 Kg/ h FO Ratio Aire / FO HC 04 15 Nm3 Aire/ Kg FO 0- 7000 Kg/ h FO FX 0- 105000 Nm3/h FC 04B 04 FC 0- 5000 Kg/ h FO FX 0- 7000 Kg/ h FO 02 02B FC 0- 1500 Nm3/h FX FX 03 03B 053A 0.66 0. 75 Nm3 FG/ Kg FO HX HC Control / Enclavamientos de hornos de proceso A 01 02 B 63 Master de Instrumentación y Control Ratio Pc FO/ Pc FG Ratio FG /FO
  • 64.
    Control de Calderas Control de la Combustión (VIII) • Filosofía de control: – Control del caudal de combustible:  La demanda de combustible se acondicionará dependiendo de la configuración del sistema de combustible: I. 1 combustible - PI simple. II. 2 combustibles, uno con caudal fijado por el operador. III. 2 combustibles indistintamente pero nunca de forma simultánea. IV. 2 combustibles con selección de relación entre ellos. V. 2 combustibles uno de ellos prioritario.  Deben tenerse en cuenta ciertas consideraciones según número y tipo de quemadores en servicio. Control / Enclavamientos de hornos de proceso 64 Master de Instrumentación y Control
  • 65.
    Control de Calderas Control de la Combustión (IX) • Filosofía de control: – Control del caudal de combustible.  1 Combustible – PI simple. Control / Enclavamientos de hornos de proceso 65 Master de Instrumentación y Control
  • 66.
    Control de Calderas Control de la Combustión (X) • Filosofía de control: – Control del caudal de combustible.  2 Combustibles. Uno sin control y otro con el caudal fijado por el operador. Control / Enclavamientos de hornos de proceso 66 Master de Instrumentación y Control
  • 67.
    Control de Calderas Control de la Combustión (XI) • Filosofía de control: – Control del caudal de combustible.  2 Combustibles indistintamente pero nunca de forma simultánea. Control / Enclavamientos de hornos de proceso 67 Master de Instrumentación y Control
  • 68.
    Control de Calderas Control de la Combustión (XII) • Filosofía de control: – Control del caudal de combustible.  2 Combustibles con selección de relación entre ellos. Control / Enclavamientos de hornos de proceso 68 Master de Instrumentación y Control
  • 69.
    Control de Calderas Control de la Combustión (XIII) • Filosofía de control: – Control del caudal de combustible.  2 Combustibles con selección de relación entre ellos y compensación. Control / Enclavamientos de hornos de proceso 69 Master de Instrumentación y Control
  • 70.
    Control de Calderas Control de la Combustión (XIV) • Filosofía de control: – Control del caudal de combustible.  2 Combustibles con selección de relación entre ellos (alternativa). Control / Enclavamientos de hornos de proceso 70 Master de Instrumentación y Control
  • 71.
    Control de Calderas Control de la Combustión (XV) • Filosofía de control: – Control del caudal de combustible.  2 Combustibles uno de ellos prioritario (por disponibilidad) Control / Enclavamientos de hornos de proceso 71 Master de Instrumentación y Control
  • 72.
    Control de Calderas Control de la Combustión (XVI) Control / Enclavamientos de hornos de proceso 72 Master de Instrumentación y Control
  • 73.
    Control de Calderas Control de la Combustión (XVII) • Filosofía de control: – Consideraciones según número y tipo de quemadores en servicio. Control / Enclavamientos de hornos de proceso 73 Master de Instrumentación y Control
  • 74.
    Control de Calderas Control de Combustión (XVII) B: si hay quemadores mixtos y QUEMFG <= QUEMFO 75% 87.5% A: demás casos 21.88% + 6.25% 6.25% 18.75% 18.75% 75% 3.2% 3.2% T A > 21.88% Δ X FO/ B FO total Nº quemadores FG = 1 ÷ < 56.25% 65.62% 6.25% 3.2% + Δ X Nº quemadores FG = 1 QUEMADORES % máximo 6.25% EN SERVICIO 3 3.2% Quemador = 25% QUEMADORES + Δ X Nº quemadores MIXTOS FO = 3 18.75% 21.87% ÷ < Nº quemadores FO = 3 65.62% 65.62% B 56.25% 56.25% A 56.25% Control / Enclavamientos de hornos de proceso T 65.62% > 74 Master de Instrumentación y Control B: si hay quemadores mixtos y QUEMFO < QUEMFG A: demás casos
  • 75.
    Control de Calderas Control de la Combustión (XVIII) • Filosofía de control: – Control del caudal de aire.  PI simple.  Filtrada al 25% para mantener velocidad mínima.  Si existe VTF y VTI, utilizar como señal de adelanto para el control de tiro la señal de control del VTF. Control / Enclavamientos de hornos de proceso 75 Master de Instrumentación y Control
  • 76.
    Control de Calderas Control de la Combustión (IXX) • Filosofía de control: – Control del caudal de aire.  Control de rango partido turbina / álabes, para bajas velocidades se regulan los álabes, y cuando están al 100% se regula la velocidad del ventilador. Control / Enclavamientos de hornos de proceso 76 Master de Instrumentación y Control
  • 77.
    Control de Calderas Control de la Combustión (XX) • Filosofía de control: – Control del caudal de aire.  En instalaciones con dos ventiladores, tener en cuenta el posible fallo de uno de ellos. Por ello es muy útil tener un sistema de compensación automática del número de ventiladores. Control / Enclavamientos de hornos de proceso 77 Master de Instrumentación y Control
  • 78.
    Control de Calderas Control de la Combustión (XXI) • Filosofía de control: – Control del caudal de aire.  Control de los registros de aire a quemadores.  Función del caudal de aire y del numero de quemadores en servicio. Control / Enclavamientos de hornos de proceso 78 Master de Instrumentación y Control
  • 79.
    Control de Calderas Control de la Combustión (XXII) Control / Enclavamientos de hornos de proceso 79 Master de Instrumentación y Control
  • 80.
    Control de Calderas Control de la Combustión (XXIII) Control / Enclavamientos de hornos de proceso 80 Master de Instrumentación y Control
  • 81.
    Control de Calderas Control de la Combustión (XXIV) • Filosofía de control: – Control del caudal de aire.  Corrección del caudal de aire por oxígeno.  Corrección del caudal de aire por CO. Control / Enclavamientos de hornos de proceso 81 Master de Instrumentación y Control
  • 82.
    Control de Calderas Control de la Combustión (XXV) • Filosofía de control: – Control del caudal de aire.  Corrección del caudal de aire por oxígeno y CO2. Control / Enclavamientos de hornos de proceso 82 Master de Instrumentación y Control
  • 83.
    Control de Calderas Control de Tiro (I) • Objetivo: – Mantener la presión del hogar dentro de una estrecha banda para asegurar una combustión satisfactoria así como una operación segura. • Filosofía de control: – Calderas con VTF y VTI.  El VTF se encarga de mantener el caudal de aire de combustión.  El VTI controla la presión del hogar variando su succión. 1. Ganancia Fija. 2. Ganancia Variable. Control / Enclavamientos de hornos de proceso 83 Master de Instrumentación y Control
  • 84.
    Control de Calderas Control de Tiro (II) • Consideraciones: – Calderas con dos VTIs.  Salida partida según el equipo.  Lazo preparado ante fallo de un equipo.  Compensación automática del número de ventiladores en servicio. Control / Enclavamientos de hornos de proceso 84 Master de Instrumentación y Control
  • 85.
    Control de Calderas Control de Tiro (III) • Filosofía de Control: – Control de tiro incluyendo control contra implosiones. Control / Enclavamientos de hornos de proceso 85 Master de Instrumentación y Control