INDUSTRIA 
DEL PVC 
Yorman Zambrano Silva 
Ing e nie ro Quím ic o e n Fo rm a c ió n 
Procesos Industriales I 
UNIVERSIDAD DE PAMPLONA 
C O L O M B I A
GENERALIDADES 
• 1835 Justus Von Liebig (Alemania) Sintetiza 
el cloruro de vinilo en un laboratorio. 
• 1912 Fritz Klatte (Alemania) Estableció los 
principios de la fabricación industrial. 
• 1938 Inicia la producción de PVC a gran 
escala. 
• 1980 Veinte compañías producían PVC. Se 
da el mayor desarrollo tecnológico y de 
comercialización del PVC a nivel mundial.
GENERALIDADES 
El PVC (polivinilcloro)(CPVC: chlorinated 
polyvinyl chloride) es el producto de la 
polimerización del monómero de cloruro 
de vinilo a policloruro de vinilo.
GENERALIDADES 
• Es un polímero obtenido de dos 
materias primas naturales cloruro de 
sodio (NaCl) (57%) y petróleo o gas 
natural (43%); sin embargo existen 
otros ingredientes. 
• El PVC es el más versátil de la 
familia de los plásticos; por ser 
termoplástico, a partir de el se 
pueden obtener productos rígidos y 
flexibles.
Materias primas del PVC 
• El PVC contiene un 57% de cloro y 43% de hidrocarburos 
• El PVC toma entre el 0,3 y el 0,4% del total de petróleo 
obtenido en el mundo. 
• Etileno y cloro: se combinan para producir etileno 
diclorado. 
• Etileno diclorado: se transforma en cloruro de vinilo 
(VCM) el cual, por un proceso de polimerización y secado 
produce un polvo blanco inocuo, el policloruro de vinilo 
(PVC).
Tipos de PVC`s 
› Los principales tipos de PVC son: 
1.PVC rígido: Se obtiene por la fusión y moldeo a 
temperatura adecuada de policloruro de vinilo con aditivos 
excepto plastificantes. 
2.PVC flexible o plastificado: El PVC tiene la ventaja de 
poder combinarse con plastificantes, como ningún otro 
plástico. 
3.Plastisol: El plastisol es la mezcla de una resina (PVC), de 
un plastificante y otros aditivos que se encuentra en estado 
líquido a temperatura ambiente con propiedades visco-elásticas.
PROCESO 
QUÍMICO
Etapas principales del proceso
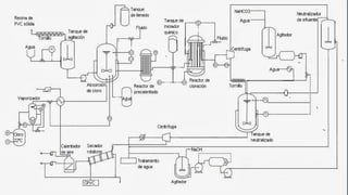
Diagrama de flujo 
del PVC. 
El cloruro sódico se 
descompone por electrólisis, 
obteniéndose cloro y además 
hidróxido de sodio e 
hidrógeno. 
El petróleo da lugar a las 
naftas, luego por craking se 
produce el etileno.
• En la primera sección el 
dicloroetileno (EDC) se produce 
mediante una reacción de 
cloración directa. 
• En la segunda sección se 
produce mediante una reacción 
de oxicloración. 
• La tercera sección es el craqueo 
del EDC para formar VCM.
Proceso de cloración 
La cloración es un proceso en el cual cloro 
en estado líquido o gaseoso es adicionado 
al proceso. 
Existen tres procesos comúnmente 
utilizados presentando ventajas y 
desventajas cada uno de ellos: 
1.PROCESO ANHIDRO (masa). 
2.PROCESO POR SOLUCIÓN (con 
solvente). 
3.PROCESO SIN SOLVENTE (Suspensión 
acuosa).
En la actualidad sólo se produce así el 7% del VCM y el 
resto se obtiene por oxicloración.
Polimerizacion 
Mediante la polimeración en 
unas condiciones adecuadas 
se obtiene el polímero 
policloruro de vinilo (PVC).
REACCIONES TOTALES DEL PROCESO
Aditivos utilizados en la fabricación de PVC 
Como en todo producto se usan 
aditivos para mejorar las propiedades y 
para definir su forma final 
•Plastificantes 
•Estabilizantes 
•Lubricantes 
•Pigmentos 
•Espumantes 
•Absorbedores de rayos ultravioleta 
•Ayudas de proceso
RENDIMIENTO Y 
EFCIENCIA 
El rendimiento del proceso es 
prácticamente del 100%, necesitándose 
1001kg de VCM para obtener 1000kg de 
PVC. 
Los consumos de servicios 
aproximadamente 0,8 t de vapor por 
tonelada de PVC, 170kWh y aditivos y 
productos químicos por un valor 
aproximado de 11€ ($28525 
colombianos)
SOSTENIBILIDAD 
El PVC contribuye al desarrollo sostenible de la sociedad moderna, donde el sector 
del transporte de agua tiene un peso determinante. 
•En su proceso de producción se emplea la última tecnología. 
•Su fabricación consumen menos recursos que materiales alternativos. 
•La mayoría de sus aplicaciones tiene una largavida útil.
SOSTENIBILIDAD 
El PVC contribuye al desarrollo sostenible de la sociedad moderna, donde el sector 
del transporte de agua tiene un peso determinante. 
•En su proceso de producción se emplea la última tecnología. 
•Su fabricación consumen menos recursos que materiales alternativos. 
•La mayoría de sus aplicaciones tiene una largavida útil.
DIFERENCIAS ENTRE PP, PE Y PVC 
La diferencia radica en el compuesto base (monómero del cual de hace la 
reacción de polimerización) 
POLIPROPILENO POLIETILENO POLIVINIL CLORO 
Se obtiene de la 
polimerización del propeno 
(propileno) 
Se obtiene de la 
polimerización del eteno 
(etileno) 
Se obtiene de la 
polimerización del 1,2- 
dicloroetano (DCE)
¿Por qué el PVC es tan atractivo? 
Los beneficios y características que hacen del PVC un 
polímero tan utilizado son: 
•Resistente y liviano. 
•Versatilidad. 
•Longevidad. 
•Seguridad. 
•Buen uso de los recursos. 
•Estabilidad. 
•Reciclable. 
•Rentable.
GRACIAS
INDUSTRIA 
DEL PVC 
Yorman Zambrano Silva 
Ing e nie ro Quím ic o e n Fo rm a c ió n 
Procesos Industriales I 
UNIVERSIDAD DE PAMPLONA 
C O L O M B I A

INDUSTRIA DEL PVC

  • 1.
    INDUSTRIA DEL PVC Yorman Zambrano Silva Ing e nie ro Quím ic o e n Fo rm a c ió n Procesos Industriales I UNIVERSIDAD DE PAMPLONA C O L O M B I A
  • 2.
    GENERALIDADES • 1835Justus Von Liebig (Alemania) Sintetiza el cloruro de vinilo en un laboratorio. • 1912 Fritz Klatte (Alemania) Estableció los principios de la fabricación industrial. • 1938 Inicia la producción de PVC a gran escala. • 1980 Veinte compañías producían PVC. Se da el mayor desarrollo tecnológico y de comercialización del PVC a nivel mundial.
  • 3.
    GENERALIDADES El PVC(polivinilcloro)(CPVC: chlorinated polyvinyl chloride) es el producto de la polimerización del monómero de cloruro de vinilo a policloruro de vinilo.
  • 4.
    GENERALIDADES • Esun polímero obtenido de dos materias primas naturales cloruro de sodio (NaCl) (57%) y petróleo o gas natural (43%); sin embargo existen otros ingredientes. • El PVC es el más versátil de la familia de los plásticos; por ser termoplástico, a partir de el se pueden obtener productos rígidos y flexibles.
  • 5.
    Materias primas delPVC • El PVC contiene un 57% de cloro y 43% de hidrocarburos • El PVC toma entre el 0,3 y el 0,4% del total de petróleo obtenido en el mundo. • Etileno y cloro: se combinan para producir etileno diclorado. • Etileno diclorado: se transforma en cloruro de vinilo (VCM) el cual, por un proceso de polimerización y secado produce un polvo blanco inocuo, el policloruro de vinilo (PVC).
  • 6.
    Tipos de PVC`s › Los principales tipos de PVC son: 1.PVC rígido: Se obtiene por la fusión y moldeo a temperatura adecuada de policloruro de vinilo con aditivos excepto plastificantes. 2.PVC flexible o plastificado: El PVC tiene la ventaja de poder combinarse con plastificantes, como ningún otro plástico. 3.Plastisol: El plastisol es la mezcla de una resina (PVC), de un plastificante y otros aditivos que se encuentra en estado líquido a temperatura ambiente con propiedades visco-elásticas.
  • 7.
  • 8.
  • 9.
    Diagrama de flujo del PVC. El cloruro sódico se descompone por electrólisis, obteniéndose cloro y además hidróxido de sodio e hidrógeno. El petróleo da lugar a las naftas, luego por craking se produce el etileno.
  • 13.
    • En laprimera sección el dicloroetileno (EDC) se produce mediante una reacción de cloración directa. • En la segunda sección se produce mediante una reacción de oxicloración. • La tercera sección es el craqueo del EDC para formar VCM.
  • 14.
    Proceso de cloración La cloración es un proceso en el cual cloro en estado líquido o gaseoso es adicionado al proceso. Existen tres procesos comúnmente utilizados presentando ventajas y desventajas cada uno de ellos: 1.PROCESO ANHIDRO (masa). 2.PROCESO POR SOLUCIÓN (con solvente). 3.PROCESO SIN SOLVENTE (Suspensión acuosa).
  • 15.
    En la actualidadsólo se produce así el 7% del VCM y el resto se obtiene por oxicloración.
  • 17.
    Polimerizacion Mediante lapolimeración en unas condiciones adecuadas se obtiene el polímero policloruro de vinilo (PVC).
  • 18.
  • 21.
    Aditivos utilizados enla fabricación de PVC Como en todo producto se usan aditivos para mejorar las propiedades y para definir su forma final •Plastificantes •Estabilizantes •Lubricantes •Pigmentos •Espumantes •Absorbedores de rayos ultravioleta •Ayudas de proceso
  • 22.
    RENDIMIENTO Y EFCIENCIA El rendimiento del proceso es prácticamente del 100%, necesitándose 1001kg de VCM para obtener 1000kg de PVC. Los consumos de servicios aproximadamente 0,8 t de vapor por tonelada de PVC, 170kWh y aditivos y productos químicos por un valor aproximado de 11€ ($28525 colombianos)
  • 24.
    SOSTENIBILIDAD El PVCcontribuye al desarrollo sostenible de la sociedad moderna, donde el sector del transporte de agua tiene un peso determinante. •En su proceso de producción se emplea la última tecnología. •Su fabricación consumen menos recursos que materiales alternativos. •La mayoría de sus aplicaciones tiene una largavida útil.
  • 25.
    SOSTENIBILIDAD El PVCcontribuye al desarrollo sostenible de la sociedad moderna, donde el sector del transporte de agua tiene un peso determinante. •En su proceso de producción se emplea la última tecnología. •Su fabricación consumen menos recursos que materiales alternativos. •La mayoría de sus aplicaciones tiene una largavida útil.
  • 26.
    DIFERENCIAS ENTRE PP,PE Y PVC La diferencia radica en el compuesto base (monómero del cual de hace la reacción de polimerización) POLIPROPILENO POLIETILENO POLIVINIL CLORO Se obtiene de la polimerización del propeno (propileno) Se obtiene de la polimerización del eteno (etileno) Se obtiene de la polimerización del 1,2- dicloroetano (DCE)
  • 27.
    ¿Por qué elPVC es tan atractivo? Los beneficios y características que hacen del PVC un polímero tan utilizado son: •Resistente y liviano. •Versatilidad. •Longevidad. •Seguridad. •Buen uso de los recursos. •Estabilidad. •Reciclable. •Rentable.
  • 29.
  • 30.
    INDUSTRIA DEL PVC Yorman Zambrano Silva Ing e nie ro Quím ic o e n Fo rm a c ió n Procesos Industriales I UNIVERSIDAD DE PAMPLONA C O L O M B I A