FPB Electricidad y Electrónica
IES Bajo Aragón
1.- PROTECCIONES EN LAS
INSTALACIONES ELÉCTRICAS.
2.- PROTECCIÓN CONTRA
SOBREINTENSIDADES.
Una sobreintensidad, o sobrecorriente, es un
aumento no controlado de la corriente eléctrica
que puede ser perjudicial para el circuito en el que se
produce.
EJEMPLO:
Piensa en una instalación que dispone de unos cables
calculados para soportar 10 A como máximo.
Si por alguna razón circula por ellos el doble o el triple
de corriente durante un periodo de tiempo más o
menos largo, el conductor se calienta deteriorando de
forma irremediable su aislante.
En esta situación, la instalación se daña gravemente
e incluso puede provocar un incendio en el lugar
donde se produce.
Los motivos que pueden producir sobreintensidades
son los siguientes:
■ Sobrecargas.
■ Cortocircuitos.
■ Descargas eléctricas atmosféricas.
Una sobrecarga es un aumento de la corriente del
circuito durante un tiempo determinado. Se puede
producir cuando se conectan a una línea eléctrica más
receptores que para los que está preparada.
Un cortocircuito es la unión directa de dos
conductores que están a diferente potencial, por
ejemplo, la fase y el neutro, lo que produce una subida
de corriente muy grande en un breve periodo de
tiempo que destruye de forma casi instantánea las
partes más débiles del circuito.
NOTA:
 El REBT dice: «Todo circuito estará protegido contra
los efectos de las sobreintensidades que puedan
presentarse en el mismo, para lo cual la interrupción
de este circuito se realizará en un tiempo conveniente
o estará dimensionado para las sobreintensidades
previsibles».
 Tanto en los casos de sobrecarga como de cortocircuito
acaban destruyéndose las partes más débiles del
circuito.
 Debido a lo perjudicial que este tipo de defectos puede
ser para los circuitos, es necesario dotar a estos de un
sistema de protección adecuado.
2.1.- EL FUSIBLE.
El fusible es un dispositivo de protección económico
que dispone en su interior de un conductor
eléctrico muy fino.
Calibrado para una determinada corriente
eléctrica, se funde rápidamente ante una situación de
sobrecarga o cortocircuito. Esta fusión permite la
desconexión de una o más fases de la red eléctrica.
Cuando el fusible se funde, es necesario sustituirlo
por otro del mismo calibre. Esta característica se
encuentra impresa en el propio cuerpo del cartucho,
además de la tensión de trabajo.
Los fusibles se presentan en diferentes formatos, pero
quizás los más extendidos son los de tipo cartucho.
Los fusibles deben proteger siempre las fases
activas de la red de alimentación y nunca al
neutro.
En función del número de fases que protejan, una, dos
o tres, se denominan monopolares, bipolares o
tripolares.
Para comprobar si un fusible está o no fundido, puedes
utilizar un polímetro en modo continuidad.
2.2.- Interruptor magnetotérmico.
 El interruptor magnetotérmico es un dispositivo de
protección automático .
 La gran ventaja que tienen los magnetotérmicos sobre
los fusibles es su facilidad de rearme una vez que se
han disparado.
 En función del número de fases que protegen, los
magnetotérmicos pueden ser monopolares,
bipolares, tripolares y tetrapolares.
Así, los símbolos de los diferentes tipos de
interruptores magnetotérmicos son los siguientes:
 Un magnetotérmico está formado por dos circuitos:
uno magnético, de disparo rápido, para la protección
contra cortocircuitos, y otro térmico, de disparo
lento, para la protección contra sobrecargas.
 Se debe poner un interruptor magnetotérmico por
cada una de las líneas o zonas que se deseen proteger.
Ejemplo: una instalación que dispone de dos líneas
para tomas de corriente y una para alumbrado. La
conexión de los interruptores automáticos es la
siguiente:
De igual manera que los fusibles, los interruptores
magnetotérmicos están calibrados en amperios.
Si la corriente que pasa por el circuito es superior a la
corriente de corte en el interruptor, el dispositivo de
disparo actúa.
3.- Protección contra contactos
directos e indirectos.
Un choque eléctrico es la puesta en contacto de una
persona o animal con una parte activa de la
instalación.
¡¡Ello debe ser evitado!!
Se denomina contacto directo cuando una persona o
animal toca directamente un conductor activo de una
instalación;
por ejemplo, el contacto con uno de los bornes de un
enchufe o con un cable en una caja de registro.
Se denomina contacto indirecto cuando una persona
o animal toca una parte de la instalación que en teoría
debería estar aislada, pero por avería o fallo está en
contacto con algún conductor activo de la instalación;
por ejemplo, al entrar en contacto con la carcasa de un
electrodoméstico, como puede ser la lavadora.
Las consecuencias de un choque eléctrico se
manifiestan de diferentes maneras, como pueden ser:
quemaduras, asfixia, fibrilación cardíaca y
espasmos musculares, originando graves lesiones
e, incluso, la muerte.
3.1.- Conexión a tierra.
 Cuando una persona sufre un choque eléctrico, su
cuerpo conduce una corriente eléctrica hacia tierra,
denominada corriente de fuga.
 Una forma de evitar las corrientes de fuga es
conectando la carcasa de todos los receptores de la
instalación directamente a tierra.
 Esto se hace a través de una pica o una placa
incrustada en el terreno, de la cual sale un cable, de
color verde-amarillo, y se reparte a cada uno los puntos
de luz y tomas de corriente existentes en la instalación.
3.2.- El interruptor diferencial.
 Es un dispositivo automático capaz de cortar la
alimentación eléctrica del circuito cuando detecta
corrientes de fuga a tierra. Está destinado a proteger
a personas y animales que entran en contacto directo o
indirecto con partes activas de la instalación.
Dispone de un botón de prueba que permite saber si
el diferencial funciona adecuadamente cuando está
alimentado.
En función del número de fases que pasan por él,
pueden ser bipolares, tripolares y tetrapolares.
 Los símbolos del interruptor diferencial son los
siguientes:
 En general, los diferenciales se conectan antes (aguas
arriba) que los magnetotérmicos para proteger con
ellos varias líneas a la vez.
 Si el interruptor diferencial se dispara, se corta la
alimentación en todos los circuitos de la instalación.
Características de los diferenciales
■ La corriente de corte es el calibre del instrumento y
se mide en amperios (A).
■ La sensibilidad es la capacidad que tiene el
diferencial de reaccionar ante una corriente de fuga y
se expresa en miliamperios (mA).
■ La tensión de trabajo se indica en voltios (V) y es la
tensión máxima con la que puede trabajar el
diferencial.
4.- Protección contra
sobretensiones.
Los agentes atmosféricos externos, como tormentas
con aparato eléctrico o conmutaciones repentinas
del suministro eléctrico, pueden provocar
sobretensiones enormemente perjudiciales para los
receptores más sensibles de las instalaciones eléctricas.
REBT, en su instrucción ITC-23 no hace obligatorio su
uso en instalaciones en viviendas, pero sí
recomendable en los siguientes casos:
■ Instalaciones domóticas.
■ Sistemas de telecomunicaciones en azoteas.
■ Instalaciones en zonas con más de veinte días de
tormenta al año.
■ Instalaciones con equipos especialmente sensibles y
costosos, como pueden ser equipos informáticos.
El protector de sobretensiones se conecta en el circuito
de alimentación y, de la manera más directa posible,
con la toma de tierra. Cuando se produce la anomalía
por sobretensión, el aparato deriva a tierra la
corriente detectada, evitando así que se dañe la
instalación.
Dependiendo del número de fases que proteger, los
hay de tipo monofásico, bifásico o trifásico.
5.- Cuadro eléctrico para
dispositivos de protección.
En instalaciones domésticas se utilizan los
denominados cuadros de abonado para alojar en
ellos todos los elementos de protección que
intervienen en la instalación (interruptores
diferenciales y magnetotérmicos). Este tipo de cuadro
se fabrica en material plástico o metálico y puede ser
empotrado o de superficie.
 Partes de un cuadro eléctrico.
6.- Separación de circuitos en una
instalación de interior.
En instalaciones de interior, de tipo industrial o
doméstico, es necesario dividir las instalaciones
por zonas o sectores.
Esto aporta seguridad a la instalación y facilita
posteriormente las tareas de mantenimiento y
reparación de averías.
El punto ideal para comenzar la separación de
circuitos es el cuadro de protección.
Cada línea o zona debe tener asignado un interruptor
magnetotérmico, de corte omnipolar, además de un
interruptor diferencial que proteja toda la instalación
contra contactos directos e indirectos.
Si el número de circuitos es elevado, se puede
disponer de un interruptor diferencial por cada sector
o conjunto de líneas.
Además es necesario utilizar un interruptor de corte
general automático para todo el circuito. Dicho
dispositivo debe conectarse entre la red general y los
interruptores diferenciales.
7.- Suministro de energía.
En tu vivienda solamente llegan dos cables
(normalmente fase y neutro), pero si te fijas en el
cableado exterior, el que va por la calle, verás que el
sistema de reparto tiene más de dos cables. El motivo
es que la distribución eléctrica se realiza mediante
sistemas trifásicos y trifásicos con neutro.
Fin Unidad de Trabajo 5.
Gracias por vuestra atención.

Ud5 protecciones eléctricas

  • 1.
    FPB Electricidad yElectrónica IES Bajo Aragón
  • 2.
    1.- PROTECCIONES ENLAS INSTALACIONES ELÉCTRICAS.
  • 3.
    2.- PROTECCIÓN CONTRA SOBREINTENSIDADES. Unasobreintensidad, o sobrecorriente, es un aumento no controlado de la corriente eléctrica que puede ser perjudicial para el circuito en el que se produce.
  • 4.
    EJEMPLO: Piensa en unainstalación que dispone de unos cables calculados para soportar 10 A como máximo. Si por alguna razón circula por ellos el doble o el triple de corriente durante un periodo de tiempo más o menos largo, el conductor se calienta deteriorando de forma irremediable su aislante. En esta situación, la instalación se daña gravemente e incluso puede provocar un incendio en el lugar donde se produce.
  • 5.
    Los motivos quepueden producir sobreintensidades son los siguientes: ■ Sobrecargas. ■ Cortocircuitos. ■ Descargas eléctricas atmosféricas.
  • 6.
    Una sobrecarga esun aumento de la corriente del circuito durante un tiempo determinado. Se puede producir cuando se conectan a una línea eléctrica más receptores que para los que está preparada.
  • 7.
    Un cortocircuito esla unión directa de dos conductores que están a diferente potencial, por ejemplo, la fase y el neutro, lo que produce una subida de corriente muy grande en un breve periodo de tiempo que destruye de forma casi instantánea las partes más débiles del circuito.
  • 8.
    NOTA:  El REBTdice: «Todo circuito estará protegido contra los efectos de las sobreintensidades que puedan presentarse en el mismo, para lo cual la interrupción de este circuito se realizará en un tiempo conveniente o estará dimensionado para las sobreintensidades previsibles».
  • 9.
     Tanto enlos casos de sobrecarga como de cortocircuito acaban destruyéndose las partes más débiles del circuito.  Debido a lo perjudicial que este tipo de defectos puede ser para los circuitos, es necesario dotar a estos de un sistema de protección adecuado.
  • 10.
    2.1.- EL FUSIBLE. Elfusible es un dispositivo de protección económico que dispone en su interior de un conductor eléctrico muy fino. Calibrado para una determinada corriente eléctrica, se funde rápidamente ante una situación de sobrecarga o cortocircuito. Esta fusión permite la desconexión de una o más fases de la red eléctrica.
  • 11.
    Cuando el fusiblese funde, es necesario sustituirlo por otro del mismo calibre. Esta característica se encuentra impresa en el propio cuerpo del cartucho, además de la tensión de trabajo.
  • 12.
    Los fusibles sepresentan en diferentes formatos, pero quizás los más extendidos son los de tipo cartucho.
  • 13.
    Los fusibles debenproteger siempre las fases activas de la red de alimentación y nunca al neutro. En función del número de fases que protejan, una, dos o tres, se denominan monopolares, bipolares o tripolares.
  • 14.
    Para comprobar siun fusible está o no fundido, puedes utilizar un polímetro en modo continuidad.
  • 15.
    2.2.- Interruptor magnetotérmico. El interruptor magnetotérmico es un dispositivo de protección automático .  La gran ventaja que tienen los magnetotérmicos sobre los fusibles es su facilidad de rearme una vez que se han disparado.  En función del número de fases que protegen, los magnetotérmicos pueden ser monopolares, bipolares, tripolares y tetrapolares.
  • 17.
    Así, los símbolosde los diferentes tipos de interruptores magnetotérmicos son los siguientes:
  • 18.
     Un magnetotérmicoestá formado por dos circuitos: uno magnético, de disparo rápido, para la protección contra cortocircuitos, y otro térmico, de disparo lento, para la protección contra sobrecargas.  Se debe poner un interruptor magnetotérmico por cada una de las líneas o zonas que se deseen proteger.
  • 19.
    Ejemplo: una instalaciónque dispone de dos líneas para tomas de corriente y una para alumbrado. La conexión de los interruptores automáticos es la siguiente:
  • 21.
    De igual maneraque los fusibles, los interruptores magnetotérmicos están calibrados en amperios. Si la corriente que pasa por el circuito es superior a la corriente de corte en el interruptor, el dispositivo de disparo actúa.
  • 22.
    3.- Protección contracontactos directos e indirectos. Un choque eléctrico es la puesta en contacto de una persona o animal con una parte activa de la instalación. ¡¡Ello debe ser evitado!!
  • 23.
    Se denomina contactodirecto cuando una persona o animal toca directamente un conductor activo de una instalación; por ejemplo, el contacto con uno de los bornes de un enchufe o con un cable en una caja de registro.
  • 24.
    Se denomina contactoindirecto cuando una persona o animal toca una parte de la instalación que en teoría debería estar aislada, pero por avería o fallo está en contacto con algún conductor activo de la instalación; por ejemplo, al entrar en contacto con la carcasa de un electrodoméstico, como puede ser la lavadora.
  • 25.
    Las consecuencias deun choque eléctrico se manifiestan de diferentes maneras, como pueden ser: quemaduras, asfixia, fibrilación cardíaca y espasmos musculares, originando graves lesiones e, incluso, la muerte.
  • 27.
    3.1.- Conexión atierra.  Cuando una persona sufre un choque eléctrico, su cuerpo conduce una corriente eléctrica hacia tierra, denominada corriente de fuga.  Una forma de evitar las corrientes de fuga es conectando la carcasa de todos los receptores de la instalación directamente a tierra.  Esto se hace a través de una pica o una placa incrustada en el terreno, de la cual sale un cable, de color verde-amarillo, y se reparte a cada uno los puntos de luz y tomas de corriente existentes en la instalación.
  • 29.
    3.2.- El interruptordiferencial.  Es un dispositivo automático capaz de cortar la alimentación eléctrica del circuito cuando detecta corrientes de fuga a tierra. Está destinado a proteger a personas y animales que entran en contacto directo o indirecto con partes activas de la instalación.
  • 30.
    Dispone de unbotón de prueba que permite saber si el diferencial funciona adecuadamente cuando está alimentado. En función del número de fases que pasan por él, pueden ser bipolares, tripolares y tetrapolares.
  • 31.
     Los símbolosdel interruptor diferencial son los siguientes:
  • 32.
     En general,los diferenciales se conectan antes (aguas arriba) que los magnetotérmicos para proteger con ellos varias líneas a la vez.  Si el interruptor diferencial se dispara, se corta la alimentación en todos los circuitos de la instalación.
  • 34.
    Características de losdiferenciales ■ La corriente de corte es el calibre del instrumento y se mide en amperios (A). ■ La sensibilidad es la capacidad que tiene el diferencial de reaccionar ante una corriente de fuga y se expresa en miliamperios (mA). ■ La tensión de trabajo se indica en voltios (V) y es la tensión máxima con la que puede trabajar el diferencial.
  • 36.
    4.- Protección contra sobretensiones. Losagentes atmosféricos externos, como tormentas con aparato eléctrico o conmutaciones repentinas del suministro eléctrico, pueden provocar sobretensiones enormemente perjudiciales para los receptores más sensibles de las instalaciones eléctricas.
  • 38.
    REBT, en suinstrucción ITC-23 no hace obligatorio su uso en instalaciones en viviendas, pero sí recomendable en los siguientes casos: ■ Instalaciones domóticas. ■ Sistemas de telecomunicaciones en azoteas. ■ Instalaciones en zonas con más de veinte días de tormenta al año. ■ Instalaciones con equipos especialmente sensibles y costosos, como pueden ser equipos informáticos.
  • 39.
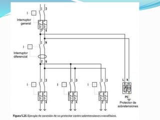
    El protector desobretensiones se conecta en el circuito de alimentación y, de la manera más directa posible, con la toma de tierra. Cuando se produce la anomalía por sobretensión, el aparato deriva a tierra la corriente detectada, evitando así que se dañe la instalación.
  • 40.
    Dependiendo del númerode fases que proteger, los hay de tipo monofásico, bifásico o trifásico.
  • 42.
    5.- Cuadro eléctricopara dispositivos de protección. En instalaciones domésticas se utilizan los denominados cuadros de abonado para alojar en ellos todos los elementos de protección que intervienen en la instalación (interruptores diferenciales y magnetotérmicos). Este tipo de cuadro se fabrica en material plástico o metálico y puede ser empotrado o de superficie.
  • 44.
     Partes deun cuadro eléctrico.
  • 45.
    6.- Separación decircuitos en una instalación de interior. En instalaciones de interior, de tipo industrial o doméstico, es necesario dividir las instalaciones por zonas o sectores. Esto aporta seguridad a la instalación y facilita posteriormente las tareas de mantenimiento y reparación de averías.
  • 47.
    El punto idealpara comenzar la separación de circuitos es el cuadro de protección. Cada línea o zona debe tener asignado un interruptor magnetotérmico, de corte omnipolar, además de un interruptor diferencial que proteja toda la instalación contra contactos directos e indirectos.
  • 49.
    Si el númerode circuitos es elevado, se puede disponer de un interruptor diferencial por cada sector o conjunto de líneas. Además es necesario utilizar un interruptor de corte general automático para todo el circuito. Dicho dispositivo debe conectarse entre la red general y los interruptores diferenciales.
  • 53.
    7.- Suministro deenergía. En tu vivienda solamente llegan dos cables (normalmente fase y neutro), pero si te fijas en el cableado exterior, el que va por la calle, verás que el sistema de reparto tiene más de dos cables. El motivo es que la distribución eléctrica se realiza mediante sistemas trifásicos y trifásicos con neutro.
  • 55.
    Fin Unidad deTrabajo 5. Gracias por vuestra atención.