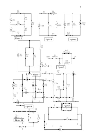
1.- En las siguientes 12 figuras que representan a circuitos eléctricos: 
a) Determine cuantos elementos básicos de circuito tienen los siguientes circuitos 
b) Describa cuantos caminos cerrados hay en cada circuito 
c) Mencione el número de mallas que muestra cada circuito 
d) Describa cuantos empalmes existen en cada circuito 
e) ¿Cuantos nodos hay en cada circuito? 
f) ¿Cuantos nodos conectan tres o más elementos básicos? 
g) Enumere el número de ramas que muestra cada circuito 
h) Cual es el número mínimo de corrientes desconocidas 
Dr. Ing. Juan Antonio Rodríguez Sejas 
1 
1 
E1 
E5 
E4 
E7 
E6 E8 
E9 
E3 
E2 
E1 
E5 
E4 
E7 
E6 E8 
E9 
Figura 1 
E3 
E10 
E11 
Figura 2
10V 
R4 
56k 
F i g . 1 F i g . 2 F i g . 3 
R13 
1k +20V -7V 
F i g . 5 
F i g . 4 
2 
F i g . 7 
F i g . 6 
R19 
1k 
R15 
1k 
R20 
1k 
R22 
1k 
5A 
5Va 
Is1 
10A 
L1 
1uH 
C1 
1uF 
100V 
+ 
- 
Vs1 
20V 
R23 
1k 
R21 
1k 
R25 
1k 
R24 
1k 
R26 
1k 
R27 
1k 
+ 
- 
5ia 
2A 
+ V1 
10V 
R16 
1k 
R14 
1k 
+ 
- 
20V 
+ 
- 
+ 
- 
Is10 
40A 
Is9 
30A 
10A 
+ 
- 
10V 
R17 
16ohmios 
R18 
25ohmios 
R1 
5ohmios 
R12 
12k 200k 
R10 
100k 
1k 
10k 
R7 
63 
R6 
1k 
R5 
1k 
R3 
250 
R2 
12k 
4 
Dr. Ing. Juan Antonio Rodríguez Sejas 
2 
2 
I2 
I 
I 
I 
I I1 I2 
I 
2 
6 3 
+ 
12V 
2 
2 
2 
6V 
+ 
2 
24 
+ 
3 
4 2 
2 3 
2 
6 
4 
3 
Figura 3 
Figura 4 Figura 5 
Figura 6 
Figura 7 
Figura 8 Figura 9 
Figura 10
Fig.1 Fig.2 Fig.3 
+ 5Va 
2.- En los circuitos del Ejercicio 1, efectúe lo indicado a continuación: 
a) Identifique y escriba cuantos son los elementos de circuito que forman pareja en 
Serie. 
- 
b) Identifique y escriba cuantos son los elementos de circuito que forman pareja en 
paralelo. 
c) Escriba mediante ecuaciones matemáticas las relaciones de voltaje y corriente en 
cada malla y nodo, nombrando cada elemento de circuito, voltaje y corriente. 
Dr. Ing. Juan Antonio Rodríguez Sejas 
3.- Determinar cuales de las interconexiones siguientes, son validas y cuales violan las 
restricciones que imponen las fuentes ideales, explique el porque. 
3 
3 
Figura 11 
Figura 12 
ia 
ia 
- 
Fig.12 
Fig.4 
Fig.5 
Fig.6 
Fig.7 
Fig.8 
Fig.9 
15V 
+ 
- 
Fig.10 Fig.11 
+ 
- 
10V 
- 
3Va 
+ 
- 
10V 
2A 
5A 
- 
+ 
20V 5A 
Is9 
30A 
Is10 
40A 
+ 
10V 
+ 
- 
20V 
+ 
- 
10V 
3A 
+ 
- 
5ia 
5A 
10A 20A 
+ 
100V 
+ 
- 
40V 
2A 
3ia 
+ 
- 
Vs1 
20V 
+ 
- 
Vs2 
20V 
Is1 
10A 
Is2 
10A 
5A 
+ 
- 
10V 
+ 
- 
5V 
+ 
- 
10V
Dr. Ing. Juan Antonio Rodríguez Sejas 
+ 
V x 
- 
+ 
V x 
- 
I x 
5Ix 
4 
I x 
4A 
+ 
- 
8Ix 
+ 
- 
7V 
+ 
- 
5VX 10Vx 20mA 
+ 
- 
7V 
4
4.- a) Para cada uno de los circuitos siguientes, calcular el valor faltante de V o de I . 
b) Hallar el valor de la potencia para todos los circuitos mostrados 
+ 
V x 
+ 
V x 
- 
20mA 10V 
- - 
I d I x 
R4 
5k 
R3 
1.5k 
R2 
R1 1k 
100 
+ 
- 
15V 
+ 
3A 
5 
5.- Una lámpara tiene una resistencia de 200 ohmios y una tensión en sus bornes de 220 V 
¿Qué intensidad de corriente en miliamperios absorbe? 
6.- ¿Que tensión hay en los bornes de una estufa que absorbe 10 Amperios y tiene una 
resistencia de 10 ohmios? 
7.- Calcula la resistencia de un conductor que tiene aplicados entre sus extremos 220 V. 
si circulan por el, 5 A. 
8.- Una resistencia disipa 450 W. de potencia cuando la sometemos a una tensión de 30 V 
Calcular la intensidad que absorbe y el valor de dicha resistencia en ohmios. 
9.- Una lámpara tiene una potencia de 110 vatios y absorbe una intensidad de 3 x 10 – 2 A 
Determine la diferencia de potencial aplicada y su resistencia. 
10.- Halla la intensidad que absorbe a 220 voltios una lámpara de descarga de: 
a) 25 W, b) 40 W, c) 60 W, d) 150 W, e) 250 W, f) 400 W 
11.- En el problema anterior calcula la resistencia de cada lámpara. 
12.- Un calentador de agua consume 1500 vatios o Watts y tiene 100 ohmios de resistencia 
Averigua la tensión que tiene aplicada y la corriente que absorbe. 
Dr. Ing. Juan Antonio Rodríguez Sejas 
13.- Una lámpara incandescente lleva la indicación 220V-60W. ¿Qué intensidad absorbe 
a 220 Voltios?. Si la conectamos a 110 voltios ¿qué intensidad absorbe y que potencia 
desarrolla? 
14.- La resistencia de un timbre eléctrico es de 3 ohmios y debe atravesarlo una corriente 
de 2 x 10-2 A para que funcione correctamente. 
5
¿Qué voltaje hay que aplicarle?. 
¿Qué potencia desarrolla?. 
Si se conecta a una tensión de 10 voltios. ¿qué intensidad absorbe? 
15.- Se quiere instalar un radiador de 2200 W y de 220 V nominales. Se pregunta: 
a) Intensidad que absorbe de la red de 220 V 
b) Resistencia que ofrece al paso de la corriente eléctrica 
c) Energía transformada en julios en una hora 
d) Los Kwh. Que marcaría un contador al cabo de una hora 
6 
16.-Para una batidora de 400 W-220 V, efectuar los cálculos solicitados para el ejercicio 14 
17.- Calcule la máxima corriente que puede circular por las sgtes. resistencias, si cada una 
de ellas puede disipar una potencia máxima de 1 / 8 x 10 3 W: 
a) 10 ohm; b) 1 Kohm; c) 150 ohm; d) 100 ohms: e) 220 ohmios: f) 10 KΩ 
18.- Repetir el problema anterior si la potencia máxima que puede disipar cada una de las 
+ 
V x 
- 
I a 
R8 
100 
I b 
- 
+ 
15V 
R7 
100 
R6 
100 
R5 
100 
resistencias es de: 
a) 200 W; b) 150 W 
19.- Por un amperímetro de 0.1 W de resistencia interior circula una corriente de 140 mA. 
Determina la potencia perdida 
20.- Una plancha eléctrica tiene una resistencia de 200 W  y absorbe una intensidad de 10 A. 
Calcular: 
a) Potencia absorbida 
b) Cantidad de calor que transforma en una hora 
21.- En el siguiente circuito, determinar: a) los valores de las corrientes de rama y Vx 
b) La potencia que disipa cada resistencia 
c) La potencia que suministra la fuente de voltaje. 
Dr. Ing. Juan Antonio Rodríguez Sejas 
22.- Aplicando las leyes de Kirchoff y de Ohm, determinar las corrientes de rama y 
voltajes de rama para los circuitos siguientes: 
6
+ 10 V 10 + 12 V 1K 
10 50 2K 1K 
2K 150 + + 
30 V 50 V 
+ 50 V 1/2K 
7 
23.- Aplicando las leyes de Kirchoff determinar las corrientes de rama y voltajes de malla 
en los siguientes circuitos: 
4 
2 
6V 
24 
Dr. Ing. Juan Antonio Rodríguez Sejas 
24.- Hallar el valor de la potencia generada por las fuentes, para cada uno de los circuitos 
siguientes, mediante las leyes de Kirchoff y la ley de Ohm: 
7 
I2 
I 
I 
I 
I I1 I2 
I 
2 
6 3 
+ 
12V 
2 
2 
2 
+ 
2 
+ 
3 
4 2 
2 3 
2 
6 
4 
3
- V + 
0.5V 
Vs1 
500V 
I1 40 I1 
R7 
500 
+ 
- 
+ 
- 
3V 
+ 
- 
10V 
R3 
15k 
Vo 
+ 
- 
5 Ia 
R2 
20 ohm 
R1 
5 ohm 
+ 
- 
28 V 8 W 
2 W                         3 W 
+ 
1 / 2 W 
2 W                          12 W          6 W             3 W 
5 W                                               I 
4 W 
I + 24 V 
25.- Con base en las leyes de Kirchoff y en la ley de Ohm, encontrar Vo en el circuito: 
26.- Encontrar la corriente I1 en microamperios y el voltaje V en voltios. 
Dr. Ing. Juan Antonio Rodríguez Sejas 
27.- La corriente i en el circuito es 5 A. Calcule: 
a) Vs 
b) La potencia absorbida por la fuente de voltaje independiente 
c) La potencia suministrada por la fuente de corriente independiente 
d) La potencia suministrada por la fuente de corriente controlada 
8 
8
i 
5 Ia 
6 i 
R2 
10 ohm 
R1 
5 ohm 
+ 
- 
Vs 
0.7 V 
i - Vy + 
+ 
- 
9 V 
49i 
+ 
- 
800 ohm 
200 ohm 
R1 
55K 
+ 
- 
7.2 V 
ia 
ia 
5A 
- 
3ia 
2A 
+ 
- 
20V 
+ 
5A 100V 
- 
+ 
V1 V2 
5Va 
2ia 
Is2 
10A 
+ 
- 
Vs2 
20V 
+ 
- 
Vs1 
20V 
5A 
10A 2A 
+ 
- 
5V 
+ 
- 
10V 
+ 
- 
9 
3Va 
e) La potencia total disipada en las dos resistencias 
28.- encuentre el voltaje Vy en el circuito de la figura: 
29.- En el circuito de la figura calcule V1 y V2 
Dr. Ing. Juan Antonio Rodríguez Sejas 
30.- Si la conexión es valida , encuentre la potencia total generada en el circuito. Si no es 
valida, explique el porque. 
9 
+ 
- - 
i 
+ 
- 
2i 
+ 
- 
7i 
+ 
35V 
5V1 
16 30 
+ 
- 
20V
31.- El valor Vo en el circuito de la figura es de 100 voltios. Encuentre: 
+ 
Vo 
3 
40 20 
- 
ia 
ig 
1 
+ 
3 8 V 
- 
+ 
50V 
- 
R8 
1K 
10 
R7 
100 50 
R 
io 
+ 
120V 
- 
50 6A 
10 
a.- ia 
b.- ig 
c.- La potencia suministrada por la fuente independiente 
Dr. Ing. Juan Antonio Rodríguez Sejas 
32.- a) Con base en las leyes de Kirchoff y en la ley de Ohm, encontrar Io para el circuito 
de la figura A . 
b) Hallar la potencia generada por la fuente de corriente del circuito de la figura A 
10
Figura A Figura B 
33.- Para el circuito de la figura B, encontrar el valor de R en el circuito. 
34.- En el circuito de la figura C encontrar: 
i1 
io 
a.- El valor de ia 
b.- El valor de ib 
c.- El valor de Vo 
d.- La potencia que disipa cada resistencia 
e.- la potencia suministrada por la fuente de 200 V 
+ 
150V 
- 
50 
10 
11 
65 25 
4 
ib 
+ 
Vo 
- 
ia 
+ 
- 
200V 
4 
20 80 
Figura C 
Figura D 
35.- La corriente io para el circuito de la figura D, es de 1 A. 
a.- Encontrar i1 
b.- Hallar el valor de la potencia que disipa cada resistencia 
c.- Verificar que la potencia total que disipa el circuito es igual a la 
potencia generada por la fuente de 150 V. 
Dr. Ing. Juan Antonio Rodríguez Sejas 
36.- Las corrientes ia e ib en el siguiente circuito valen 4 A y –2 A respectivamente: 
a).- Encuentre ig 
b).- Encuentre la potencia que disipa cada resistencia 
c).- Encuentre Vg 
d).- Muestre que la potencia que suministra la fuente de corriente es igual a la 
potencia que consumen los demás elementos de circuito. 
11 
ib 
65 10 
4 
100V ig 
Vg 
ia 
+ 
- 
+ 
- 
15 
16 
4 
30 
11
12 
37.- Las corrientes i1 e i2 del circuito valen 20 A y 14 A respectivamente: a). Encuentre 
la potencia que suministra cada fuente. 
147V 10 
38.- Encontrar el valor de Vo, en el siguiente circuito: 
+ 
Dr. Ing. Juan Antonio Rodríguez Sejas 
39.- Encontrar a).- El valor de i1 en miliamperios y b) el voltaje V en milivoltios 
12 
i1 
i2 
+ 
- 
147V 
+ 
- 
35 
2 
1 
5 
1 
ia 
Vo 
- 
5ia 
+ 
- 
500V 
5 
20 
- 
V 
+ 
i1 
+ 
- 
10V 
+ 
- 
3V 
0.5V 
+ 
- 
40i1 
29.5k 
500 
2.4k
Vs 5A 
I a 
4Ix 
- 
5K 
+ 
3K 100 
- 
50V 
13 
7K 1/2K 
I x 
4Ix 
10mA 
40.- La corriente i en el circuito es de 10 A calcular: 
a).- Vs 
b).- La potencia absorbida por la fuente de voltaje independiente 
c).- La potencia suministrada por la fuente de corriente independiente 
d).- La potencia suministrada por la fuente de corriente controlada 
e).- La potencia total disipada en las dos resistencia. 
41.- Utilizando las leyes de Ohm y de Kirchoff, encontrar la potencia disipada por la 
resistencia de 5K en el circuito e la figura E. 
Figura E Figura F 
42.- Para el circuito de la figura F, determinar cual de las fuentes genera y consume potencia 
Agosto del 2014 
13 
i 
+ 
6i 
5 
10

Tp2 jarslobo cir i

  • 1.
    1.- En lassiguientes 12 figuras que representan a circuitos eléctricos: a) Determine cuantos elementos básicos de circuito tienen los siguientes circuitos b) Describa cuantos caminos cerrados hay en cada circuito c) Mencione el número de mallas que muestra cada circuito d) Describa cuantos empalmes existen en cada circuito e) ¿Cuantos nodos hay en cada circuito? f) ¿Cuantos nodos conectan tres o más elementos básicos? g) Enumere el número de ramas que muestra cada circuito h) Cual es el número mínimo de corrientes desconocidas Dr. Ing. Juan Antonio Rodríguez Sejas 1 1 E1 E5 E4 E7 E6 E8 E9 E3 E2 E1 E5 E4 E7 E6 E8 E9 Figura 1 E3 E10 E11 Figura 2
  • 2.
    10V R4 56k F i g . 1 F i g . 2 F i g . 3 R13 1k +20V -7V F i g . 5 F i g . 4 2 F i g . 7 F i g . 6 R19 1k R15 1k R20 1k R22 1k 5A 5Va Is1 10A L1 1uH C1 1uF 100V + - Vs1 20V R23 1k R21 1k R25 1k R24 1k R26 1k R27 1k + - 5ia 2A + V1 10V R16 1k R14 1k + - 20V + - + - Is10 40A Is9 30A 10A + - 10V R17 16ohmios R18 25ohmios R1 5ohmios R12 12k 200k R10 100k 1k 10k R7 63 R6 1k R5 1k R3 250 R2 12k 4 Dr. Ing. Juan Antonio Rodríguez Sejas 2 2 I2 I I I I I1 I2 I 2 6 3 + 12V 2 2 2 6V + 2 24 + 3 4 2 2 3 2 6 4 3 Figura 3 Figura 4 Figura 5 Figura 6 Figura 7 Figura 8 Figura 9 Figura 10
  • 3.
    Fig.1 Fig.2 Fig.3 + 5Va 2.- En los circuitos del Ejercicio 1, efectúe lo indicado a continuación: a) Identifique y escriba cuantos son los elementos de circuito que forman pareja en Serie. - b) Identifique y escriba cuantos son los elementos de circuito que forman pareja en paralelo. c) Escriba mediante ecuaciones matemáticas las relaciones de voltaje y corriente en cada malla y nodo, nombrando cada elemento de circuito, voltaje y corriente. Dr. Ing. Juan Antonio Rodríguez Sejas 3.- Determinar cuales de las interconexiones siguientes, son validas y cuales violan las restricciones que imponen las fuentes ideales, explique el porque. 3 3 Figura 11 Figura 12 ia ia - Fig.12 Fig.4 Fig.5 Fig.6 Fig.7 Fig.8 Fig.9 15V + - Fig.10 Fig.11 + - 10V - 3Va + - 10V 2A 5A - + 20V 5A Is9 30A Is10 40A + 10V + - 20V + - 10V 3A + - 5ia 5A 10A 20A + 100V + - 40V 2A 3ia + - Vs1 20V + - Vs2 20V Is1 10A Is2 10A 5A + - 10V + - 5V + - 10V
  • 4.
    Dr. Ing. JuanAntonio Rodríguez Sejas + V x - + V x - I x 5Ix 4 I x 4A + - 8Ix + - 7V + - 5VX 10Vx 20mA + - 7V 4
  • 5.
    4.- a) Paracada uno de los circuitos siguientes, calcular el valor faltante de V o de I . b) Hallar el valor de la potencia para todos los circuitos mostrados + V x + V x - 20mA 10V - - I d I x R4 5k R3 1.5k R2 R1 1k 100 + - 15V + 3A 5 5.- Una lámpara tiene una resistencia de 200 ohmios y una tensión en sus bornes de 220 V ¿Qué intensidad de corriente en miliamperios absorbe? 6.- ¿Que tensión hay en los bornes de una estufa que absorbe 10 Amperios y tiene una resistencia de 10 ohmios? 7.- Calcula la resistencia de un conductor que tiene aplicados entre sus extremos 220 V. si circulan por el, 5 A. 8.- Una resistencia disipa 450 W. de potencia cuando la sometemos a una tensión de 30 V Calcular la intensidad que absorbe y el valor de dicha resistencia en ohmios. 9.- Una lámpara tiene una potencia de 110 vatios y absorbe una intensidad de 3 x 10 – 2 A Determine la diferencia de potencial aplicada y su resistencia. 10.- Halla la intensidad que absorbe a 220 voltios una lámpara de descarga de: a) 25 W, b) 40 W, c) 60 W, d) 150 W, e) 250 W, f) 400 W 11.- En el problema anterior calcula la resistencia de cada lámpara. 12.- Un calentador de agua consume 1500 vatios o Watts y tiene 100 ohmios de resistencia Averigua la tensión que tiene aplicada y la corriente que absorbe. Dr. Ing. Juan Antonio Rodríguez Sejas 13.- Una lámpara incandescente lleva la indicación 220V-60W. ¿Qué intensidad absorbe a 220 Voltios?. Si la conectamos a 110 voltios ¿qué intensidad absorbe y que potencia desarrolla? 14.- La resistencia de un timbre eléctrico es de 3 ohmios y debe atravesarlo una corriente de 2 x 10-2 A para que funcione correctamente. 5
  • 6.
    ¿Qué voltaje hayque aplicarle?. ¿Qué potencia desarrolla?. Si se conecta a una tensión de 10 voltios. ¿qué intensidad absorbe? 15.- Se quiere instalar un radiador de 2200 W y de 220 V nominales. Se pregunta: a) Intensidad que absorbe de la red de 220 V b) Resistencia que ofrece al paso de la corriente eléctrica c) Energía transformada en julios en una hora d) Los Kwh. Que marcaría un contador al cabo de una hora 6 16.-Para una batidora de 400 W-220 V, efectuar los cálculos solicitados para el ejercicio 14 17.- Calcule la máxima corriente que puede circular por las sgtes. resistencias, si cada una de ellas puede disipar una potencia máxima de 1 / 8 x 10 3 W: a) 10 ohm; b) 1 Kohm; c) 150 ohm; d) 100 ohms: e) 220 ohmios: f) 10 KΩ 18.- Repetir el problema anterior si la potencia máxima que puede disipar cada una de las + V x - I a R8 100 I b - + 15V R7 100 R6 100 R5 100 resistencias es de: a) 200 W; b) 150 W 19.- Por un amperímetro de 0.1 W de resistencia interior circula una corriente de 140 mA. Determina la potencia perdida 20.- Una plancha eléctrica tiene una resistencia de 200 W y absorbe una intensidad de 10 A. Calcular: a) Potencia absorbida b) Cantidad de calor que transforma en una hora 21.- En el siguiente circuito, determinar: a) los valores de las corrientes de rama y Vx b) La potencia que disipa cada resistencia c) La potencia que suministra la fuente de voltaje. Dr. Ing. Juan Antonio Rodríguez Sejas 22.- Aplicando las leyes de Kirchoff y de Ohm, determinar las corrientes de rama y voltajes de rama para los circuitos siguientes: 6
  • 7.
    + 10 V10 + 12 V 1K 10 50 2K 1K 2K 150 + + 30 V 50 V + 50 V 1/2K 7 23.- Aplicando las leyes de Kirchoff determinar las corrientes de rama y voltajes de malla en los siguientes circuitos: 4 2 6V 24 Dr. Ing. Juan Antonio Rodríguez Sejas 24.- Hallar el valor de la potencia generada por las fuentes, para cada uno de los circuitos siguientes, mediante las leyes de Kirchoff y la ley de Ohm: 7 I2 I I I I I1 I2 I 2 6 3 + 12V 2 2 2 + 2 + 3 4 2 2 3 2 6 4 3
  • 8.
    - V + 0.5V Vs1 500V I1 40 I1 R7 500 + - + - 3V + - 10V R3 15k Vo + - 5 Ia R2 20 ohm R1 5 ohm + - 28 V 8 W 2 W 3 W + 1 / 2 W 2 W 12 W 6 W 3 W 5 W I 4 W I + 24 V 25.- Con base en las leyes de Kirchoff y en la ley de Ohm, encontrar Vo en el circuito: 26.- Encontrar la corriente I1 en microamperios y el voltaje V en voltios. Dr. Ing. Juan Antonio Rodríguez Sejas 27.- La corriente i en el circuito es 5 A. Calcule: a) Vs b) La potencia absorbida por la fuente de voltaje independiente c) La potencia suministrada por la fuente de corriente independiente d) La potencia suministrada por la fuente de corriente controlada 8 8
  • 9.
    i 5 Ia 6 i R2 10 ohm R1 5 ohm + - Vs 0.7 V i - Vy + + - 9 V 49i + - 800 ohm 200 ohm R1 55K + - 7.2 V ia ia 5A - 3ia 2A + - 20V + 5A 100V - + V1 V2 5Va 2ia Is2 10A + - Vs2 20V + - Vs1 20V 5A 10A 2A + - 5V + - 10V + - 9 3Va e) La potencia total disipada en las dos resistencias 28.- encuentre el voltaje Vy en el circuito de la figura: 29.- En el circuito de la figura calcule V1 y V2 Dr. Ing. Juan Antonio Rodríguez Sejas 30.- Si la conexión es valida , encuentre la potencia total generada en el circuito. Si no es valida, explique el porque. 9 + - - i + - 2i + - 7i + 35V 5V1 16 30 + - 20V
  • 10.
    31.- El valorVo en el circuito de la figura es de 100 voltios. Encuentre: + Vo 3 40 20 - ia ig 1 + 3 8 V - + 50V - R8 1K 10 R7 100 50 R io + 120V - 50 6A 10 a.- ia b.- ig c.- La potencia suministrada por la fuente independiente Dr. Ing. Juan Antonio Rodríguez Sejas 32.- a) Con base en las leyes de Kirchoff y en la ley de Ohm, encontrar Io para el circuito de la figura A . b) Hallar la potencia generada por la fuente de corriente del circuito de la figura A 10
  • 11.
    Figura A FiguraB 33.- Para el circuito de la figura B, encontrar el valor de R en el circuito. 34.- En el circuito de la figura C encontrar: i1 io a.- El valor de ia b.- El valor de ib c.- El valor de Vo d.- La potencia que disipa cada resistencia e.- la potencia suministrada por la fuente de 200 V + 150V - 50 10 11 65 25 4 ib + Vo - ia + - 200V 4 20 80 Figura C Figura D 35.- La corriente io para el circuito de la figura D, es de 1 A. a.- Encontrar i1 b.- Hallar el valor de la potencia que disipa cada resistencia c.- Verificar que la potencia total que disipa el circuito es igual a la potencia generada por la fuente de 150 V. Dr. Ing. Juan Antonio Rodríguez Sejas 36.- Las corrientes ia e ib en el siguiente circuito valen 4 A y –2 A respectivamente: a).- Encuentre ig b).- Encuentre la potencia que disipa cada resistencia c).- Encuentre Vg d).- Muestre que la potencia que suministra la fuente de corriente es igual a la potencia que consumen los demás elementos de circuito. 11 ib 65 10 4 100V ig Vg ia + - + - 15 16 4 30 11
  • 12.
    12 37.- Lascorrientes i1 e i2 del circuito valen 20 A y 14 A respectivamente: a). Encuentre la potencia que suministra cada fuente. 147V 10 38.- Encontrar el valor de Vo, en el siguiente circuito: + Dr. Ing. Juan Antonio Rodríguez Sejas 39.- Encontrar a).- El valor de i1 en miliamperios y b) el voltaje V en milivoltios 12 i1 i2 + - 147V + - 35 2 1 5 1 ia Vo - 5ia + - 500V 5 20 - V + i1 + - 10V + - 3V 0.5V + - 40i1 29.5k 500 2.4k
  • 13.
    Vs 5A Ia 4Ix - 5K + 3K 100 - 50V 13 7K 1/2K I x 4Ix 10mA 40.- La corriente i en el circuito es de 10 A calcular: a).- Vs b).- La potencia absorbida por la fuente de voltaje independiente c).- La potencia suministrada por la fuente de corriente independiente d).- La potencia suministrada por la fuente de corriente controlada e).- La potencia total disipada en las dos resistencia. 41.- Utilizando las leyes de Ohm y de Kirchoff, encontrar la potencia disipada por la resistencia de 5K en el circuito e la figura E. Figura E Figura F 42.- Para el circuito de la figura F, determinar cual de las fuentes genera y consume potencia Agosto del 2014 13 i + 6i 5 10